ЗАПЧАСТИ ДВИГАТЕЛЯ в Алматы
КРИВОШИПНАЯ КОРОБКА И ПОДДОН КАРТЕРА
1Артикул: BLOCK, BLOCK See Illustration ENGINE & GASKET KITS/ B16399 - NLA - order complete engine - Was 6672800 - A
2Артикул: 6666690, PLUG
3Артикул: 6666393, SEAL RING brass - 10mm x 16mm
МАСЛЯНЫЙ НАСОС
1Артикул: 6669530, PUMP oil - W/Ref. 2 & 3
2Артикул: 6668936, SET SCREW
3Артикул: 1DM6, NUT
ПЕРЕДНЯЯ КРЫШКА
1Артикул: 6666748, COVER, FRONT front
2Артикул: 6666749, BREATHER vent - W/Ref. 40
3Артикул: 6666695, BOLT
ДВИГАТЕЛЬ, ЕГО ЧАСТИ
1Артикул: ENGINE, ENGINE See Illustration ENGINE & GASKET KITS/ B16399
2Артикул: 6713893, MOUNT
3Артикул: MOUNT, MOUNT NLA - 90 amp alt - Order Ref. 47 & (2) each of Ref. 48 & 49 - Was 6725429 - A
КОЛЛЕКТОР
1Артикул: 6690619, MANIFOLD intake - Was 6670316 - A
2Артикул: 6670313, BOLT
3Артикул: 6670315, GASKET
КОМПЛЕКТЫ ПРОКЛАДОК ДВИГАТЕЛЯ
1Артикул: ENGINE, ENGINE See BTI325 See BTI352 - NLA - Also includes fuel shut off harness (6686716) - Does not include starter, alternator, flywheel, or flywheel housing - Order 6686497 engine (Tier II) - A
2Артикул: 6672128REM, ENG, DEUTZ BF4M1011F NEW TURBO AND FUEL includes turbo - does not include starter, alternator, flywheel or pump mount
3Артикул: 6679134, GASKET KIT See Illustration CYLINDER HEAD & COVER/ B17425 - upper - Ref. 4-9 - for ordering correct Head Gasket - not included in kit - Was 6668898 - A
СИСТЕМА ВПРЫСКА ТОПЛИВА
1Артикул: 6677830, PUMP W/Ref. 2 - Was 6666522 - A
2Артикул: 6688197, O-RING 30 mm x 3 mm thickness - Was 6666420 - A
3Артикул: 6688182, BOLT Was 6673159 - A
ГОЛОВКА ЦИЛИНДРА И КРЫШКА
1Артикул: 6672770, COVER
2Артикул: 6672489, GASKET, COVER HEAD CYL
3Артикул: 6666450, NUT
ДРОССЕЛЬНАЯ ЗАСЛОНКА
1Артикул: 6564452, GRIP
2Артикул: 6705452, LEVER
3Артикул: 38C610, BOLT shoulder
РАСПРЕДВАЛ
1Артикул: 6666490, SEAL lip - rear main
2Артикул: 6666412, BOLT
3Артикул: 6688307, COVER REAR rear - Use W/Ref. 39 - Was 6666491 - A
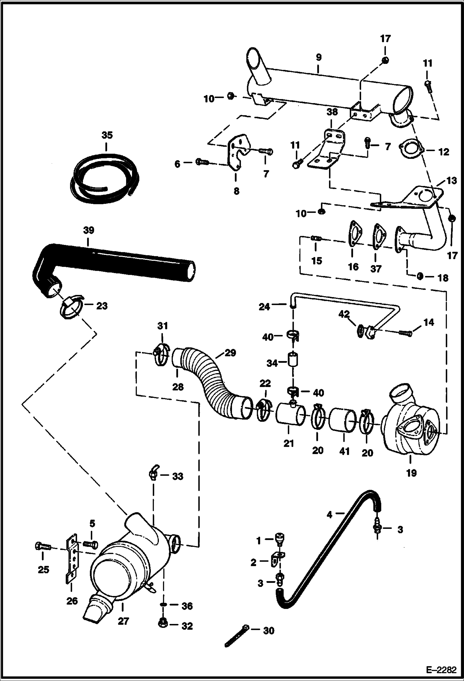
ВОЗДУШНЫЙ ФИЛЬТР
1Артикул: 6674837, AIR CLEANER
2Артикул: TANK, TANK NLA - Order 6674837
3Артикул: 6666375, FILTER, AIR OUTER outer
СИСТЕМА ОХЛАЖДЕНИЯ
1Артикул: 6710791, COOLER oil
2Артикул: 6719208, TUBELINE
3Артикул: 6719209, TUBELINE
ДВИГАТЕЛЬ И КРЕПЕЖНЫЕ ДЕТАЛИ (СИСТЕМА РЕМНЕЙ ПРИВОДА)
1Артикул: 38C828, BOLT shoulder
2Артикул: 1313116, BUSHING
3Артикул: 6568424, ADAPTER
ПОРШНИ И КОЛЕНВАЛ
1Артикул: 6672896, RING, PISTON
2Артикул: 6666404, RING, SNAP
3Артикул: 6666470, PIN
ДВИГАТЕЛЬ И КРЕПЕЖНЫЕ ДЕТАЛИ (ВОЗДУХООЧИСТИТЕЛЬ, ГЛУШИТЕЛЬ)
1Артикул: 6515007, GAUGE dust - colored indicator
2Артикул: 6704823, BRACKET L shaped - 2 holes
3Артикул: 6505813, CONNECTOR barbed - 15.50 (39,3 mm)