+7 (701) 588 50 05 Телефон для связи
RU

WhatsApp

Позвонить

ЗАПЧАСТИ ДВИГАТЕЛЯ в Алматы

ВОЗДУШНЫЙ ФИЛЬТР

ВОЗДУШНЫЙ ФИЛЬТР

1Артикул: 5501660750, AIR FILTER Includes Ref. 2 - 6
2Артикул: 5501660912, FILTER, AIR PRIMARY
3Артикул: 5501660914, FILTER, AIR INNER
Подробнее >
ГОЛОВКА ЦИЛИНДРА И КРЫШКА

ГОЛОВКА ЦИЛИНДРА И КРЫШКА

1Артикул: 6688271, CYLINDER HEAD W/Ref. 2, 3 & 5-10
2Артикул: 6681631, INSERT
3Артикул: 6681632, INSERT
Подробнее >
ОБОГРЕВ 5289 11380 И ВЫШЕ

ОБОГРЕВ 5289 11380 И ВЫШЕ

1Артикул: 5169010010, HEATING
2Артикул: HEAT, HEAT EXCHANGE NLA - Was 5169100027 - A
3Артикул: 5169010007, FAN Ws 5169100028 - A
Подробнее >
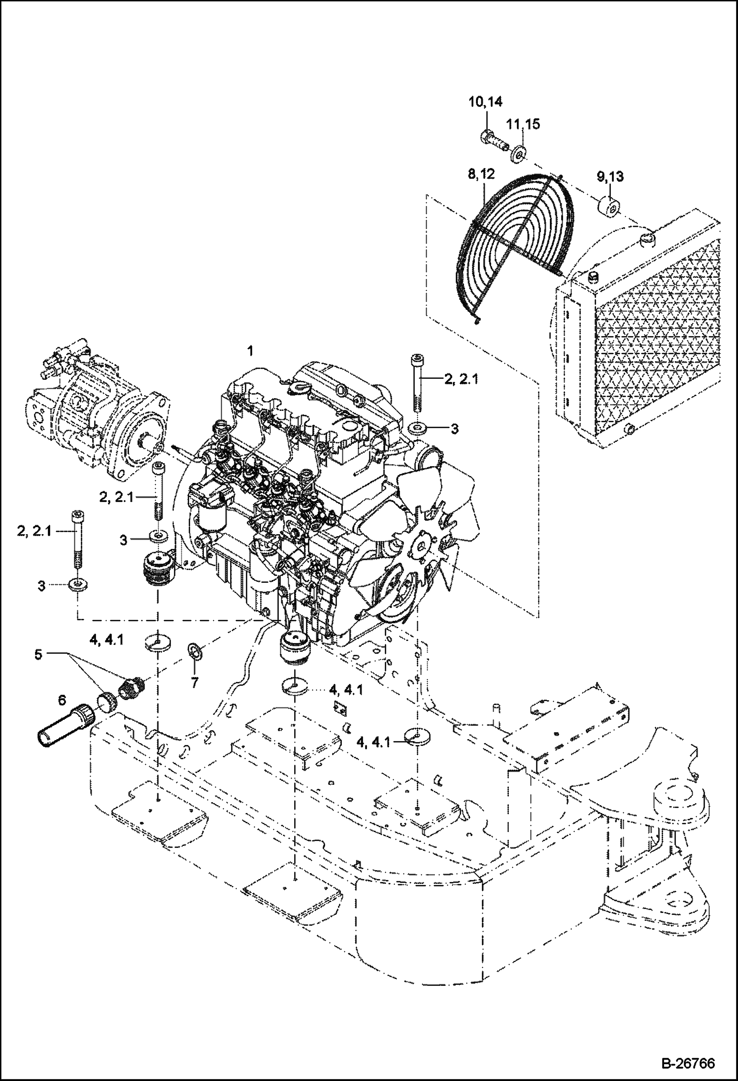
ГЕНЕРАТОР ПЕРЕМЕННОГО ТОКА И КРЕПЕЖНЫЕ ДЕТАЛИ

ГЕНЕРАТОР ПЕРЕМЕННОГО ТОКА И КРЕПЕЖНЫЕ ДЕТАЛИ

1Артикул: 6688212, BRACKET
2Артикул: 6688156, FAN
3Артикул: 6688163, V-GROOVED PULLEY
Подробнее >
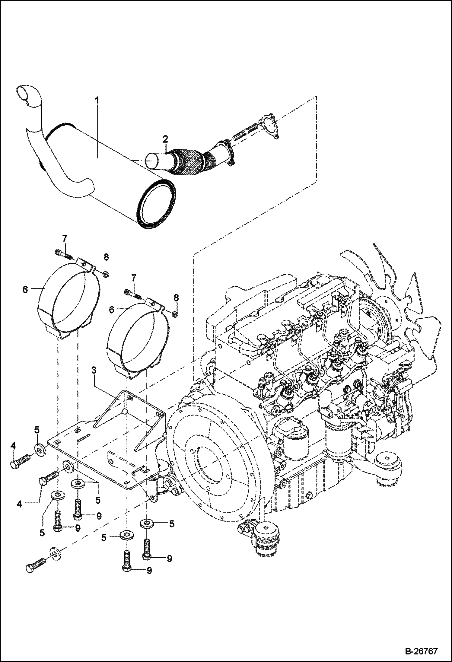
ОТВОД ВЫХЛОПНЫХ ГАЗОВ 5289 11335 И НИЖЕ

ОТВОД ВЫХЛОПНЫХ ГАЗОВ 5289 11335 И НИЖЕ

1Артикул: MUFFLER, MUFFLER NLA- order 5761659786 muffler and 5761659782 exhaust pipe - Was 0234016030 - A
2Артикул: 6234016020, BRACKET
3Артикул: 5501660675, BRACKET
Подробнее >
КАРТЕР ДВИГАТЕЛЯ

КАРТЕР ДВИГАТЕЛЯ

1Артикул: 6666396, SCREW W/Ref. 2-19
2Артикул: 6666738, BEARING
3Артикул: 6666737, BEARING
Подробнее >
ОТВОД ВЫХЛОПНЫХ ГАЗОВ 5289 11336 И ВЫШЕ

ОТВОД ВЫХЛОПНЫХ ГАЗОВ 5289 11336 И ВЫШЕ

1Артикул: 5761659786, MUFFLER, EXHAUST
2Артикул: 5761659782, EXHAUST PIPE
3Артикул: 6234016020, BRACKET
Подробнее >
ОБОГРЕВ 5289 11031 И НИЖЕ

ОБОГРЕВ 5289 11031 И НИЖЕ

1Артикул: 5436662043, HEATING COMPLETE Includes Ref. 2 - 9
2Артикул: 5436662075, HEATING BOX Was 5436662050 - A
3Артикул: 5436662051, HEATER VALVE
Подробнее >
ОПОРЫ НАСОСОВ

ОПОРЫ НАСОСОВ

1Артикул: 5105660741, MOUNTED FLANGE
2Артикул: 1008707324, BOLT
3Артикул: 1008707524, BOLT
Подробнее >
ДЕТАЛИ ДВИГАТЕЛЯ 5289 11313 И НИЖЕ

ДЕТАЛИ ДВИГАТЕЛЯ 5289 11313 И НИЖЕ

1Артикул: ENGINE,, ENGINE, TEREX 442 See Illustration ENGINE PARTS/ B24910 NLA - Was 5411662265 - A
2Артикул: 6668946, PLUG Was 6672877 - A
3Артикул: 6668945, THERMOSTAT W/Ref. 4 - rated @ 199.4 degrees F (93 degrees C)
Подробнее >
ПОРШЕНЬ И КРИВОШИПНАЯ КОРОБКА

ПОРШЕНЬ И КРИВОШИПНАЯ КОРОБКА

1Артикул: 6688286, PISTON
2Артикул: 6666470, PIN
3Артикул: 6666404, RING, SNAP
Подробнее >
КОЛЛЕКТОР

КОЛЛЕКТОР

1Артикул: 6688306, SUCTION PIPE
2Артикул: 6688160, RUBBER SLEEVE
3Артикул: 6670315, GASKET
Подробнее >
ДВИГАТЕЛЬ В СБОРЕ 5289 11314 И ВЫШЕ

ДВИГАТЕЛЬ В СБОРЕ 5289 11314 И ВЫШЕ

1Артикул: ENGINE, ENGINE NLA - Was 5411662262 - A
2Артикул: ENGINE,, ENGINE, TEREX 442 NLA - Was 5411662265 - A
3Артикул: 1045707631, BOLT Was 1045707731 - A
Подробнее >
МОНТАЖ ДВИГАТЕЛЯ

МОНТАЖ ДВИГАТЕЛЯ

1Артикул: 6688220, MOUNT, MOTOR ASSY
2Артикул: 6688214, RUBBER MOUNT
3Артикул: 6687846, BOLT
Подробнее >
ТУРБОНАГНЕТАТЕЛЬ

ТУРБОНАГНЕТАТЕЛЬ

1Артикул: 6688273, BREATHER PIPE TUBE
2Артикул: 6672884, CLAMP
3Артикул: 6672885, GASKET
Подробнее >
СИСТЕМА ВПРЫСКА ТОПЛИВА

СИСТЕМА ВПРЫСКА ТОПЛИВА

1Артикул: 6688188, HOSE
2Артикул: 6688171, CLIP
3Артикул: 6688207, HOSE
Подробнее >
ДЕТАЛИ ДВИГАТЕЛЯ 5289 11314 И ВЫШЕ

ДЕТАЛИ ДВИГАТЕЛЯ 5289 11314 И ВЫШЕ

1Артикул: ENGINE, ENGINE NLA - Was 5411662262 - A
2Артикул: ENGINE,, ENGINE, TEREX 442 NLA - Was 5411662265 - A
3Артикул: 5411662230, ENGINE
Подробнее >
СТАРТЕР

СТАРТЕР

1Артикул: 6988710, STARTER standard - Was 6688189 - A
2Артикул: 7015337, STARTER heavy duty - Was 7025611 - D
3Артикул: 6688179, BOLT
Подробнее >
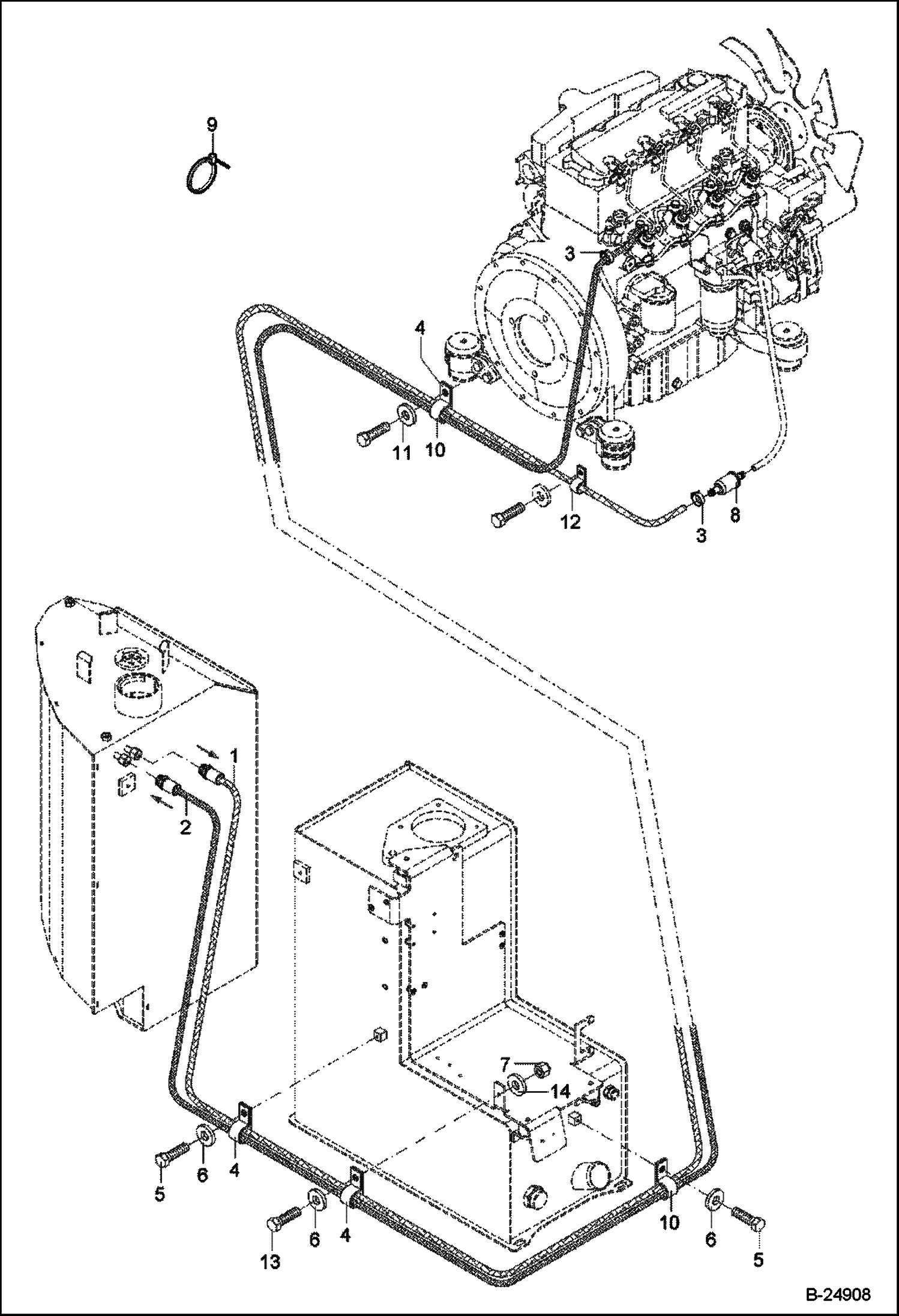
ОБОГРЕВ 5289 11001 ЧЕРЕЗ 11379

ОБОГРЕВ 5289 11001 ЧЕРЕЗ 11379

1Артикул: 5436662079, HEATING CMPL W/Ref. 2-9
2Артикул: 5436662075, HEATING BOX
3Артикул: 5436662051, HEATER VALVE
Подробнее >
ДЕТАЛИ ДВИГАТЕЛЯ

ДЕТАЛИ ДВИГАТЕЛЯ

1Артикул: ENGINE,, ENGINE, TEREX 442 NLA - Was 5411662265 - A
2Артикул: 5411658001, GASKET Was 5411657056 - A
3Артикул: 6672770, COVER W/Ref. 4-6
Подробнее >
КОМБИНИРОВАННОЕ УСТРОЙСТВО ОХЛАЖДЕНИЯ МАСЛА

КОМБИНИРОВАННОЕ УСТРОЙСТВО ОХЛАЖДЕНИЯ МАСЛА

1Артикул: 5010672001, EXCHANGER, OIL COOLER W/ Ref. 27 - 29
2Артикул: 0234015155, BRACKET Was 0208515055 - A
3Артикул: 1008707923, BOLT Was 1008707923 - A
Подробнее >
ТОПЛИВНЫЙ БАК

ТОПЛИВНЫЙ БАК

1Артикул: 6234014002, TANK FUEL
2Артикул: 5755586676, SENSOR Was 5755586639 - A
3Артикул: 5755586619, SEAL
Подробнее >
ТОПЛИВОСНАБЖЕНИЕ

ТОПЛИВОСНАБЖЕНИЕ

1Артикул: 0234015045, HOSE Was 0208515040 - A
2Артикул: 1290707018, WASHER
3Артикул: 5603320317, CLIP
Подробнее >
РАСПРЕДВАЛ

РАСПРЕДВАЛ

1Артикул: 6688301, METERING UNIT
2Артикул: 6513740, WASHER
3Артикул: 6688226, SPRING tension
Подробнее >
ДВИГАТЕЛЬ В СБОРЕ 5289 11313 И НИЖЕ

ДВИГАТЕЛЬ В СБОРЕ 5289 11313 И НИЖЕ

1Артикул: 5411662230, ENGINE
2Артикул: 1045707731, BOLT
3Артикул: 1045707631, BOLT
Подробнее >
МАСЛЯНЫЙ НАСОС

МАСЛЯНЫЙ НАСОС

1Артикул: 6688257, DIPSTICK W/ O-RING
2Артикул: 25K30012, O RING 10
3Артикул: 6666760, SEAL RING
Подробнее >
АКСЕЛЕРАТОР

АКСЕЛЕРАТОР

1Артикул: 6234015025, LEVER
2Артикул: 6234015027, LEVER
3Артикул: 1798707102, ANGLE JOINT
Подробнее >
МАСЛЯНЫЙ ПОДДОН

МАСЛЯНЫЙ ПОДДОН

1Артикул: 6666508, TUBE
2Артикул: 6688183, BOLT
3Артикул: 6688215, OIL PAN W/Ref. 4-6
Подробнее >
РЕЗЕРВУАР ДЛЯ МАСЛА

РЕЗЕРВУАР ДЛЯ МАСЛА

1Артикул: 6234013002, TANK HYD OIL
2Артикул: 1008707230, BOLT
3Артикул: 1008707630, BOLT
Подробнее >