+7 (701) 588 50 05 Телефон для связи
RU

WhatsApp

Позвонить

ЗАПЧАСТИ ДВИГАТЕЛЯ в Алматы

РЕГУЛЯТОР ОБОРОТОВ

РЕГУЛЯТОР ОБОРОТОВ

1Артикул: 7008576, LEVER assy - W/Ref. 2-5 & 31-37
2Артикул: 6680820, WASHER
3Артикул: 6680821, SNAP RING
Подробнее >
ДВИГАТЕЛЬ И КРЕПЕЖНЫЕ ДЕТАЛИ (ВОЗДУХООЧИСТИТЕЛЬ И ГЛУШИТЕЛЬ) (СЕРИЙНЫЙ НОМЕР A3P211001 - A3P213444)

ДВИГАТЕЛЬ И КРЕПЕЖНЫЕ ДЕТАЛИ (ВОЗДУХООЧИСТИТЕЛЬ И ГЛУШИТЕЛЬ) (СЕРИЙНЫЙ НОМЕР A3P211001 - A3P213444)

1Артикул: ENGINE, ENGINE See Illustration ENGINE & GASKET KITS/ NA5149
2Артикул: 6732032, GASKET
3Артикул: 7175098, MUFFLER, EXHAUST
Подробнее >
СИСТЕМА ОХЛАЖДЕНИЯ (СЕРИЙНЫЙ НОМЕР A3P215297 И ВЫШЕ)

СИСТЕМА ОХЛАЖДЕНИЯ (СЕРИЙНЫЙ НОМЕР A3P215297 И ВЫШЕ)

1Артикул: COVER,, COVER, HOOD ASSY NLA - Order Ref. 38 - Was 7227183 - A
2Артикул: 7136376, MOUNT, MOTOR ASSY
3Артикул: SEAL, SEAL NLA - 848 mm (33.39--) - Order Ref. 4
Подробнее >
ДВИГАТЕЛЬ И КРЕПЕЖНЫЕ ДЕТАЛИ (ВОЗДУХООЧИСТИТЕЛЬ И ГЛУШИТЕЛЬ) (СЕРИЙНЫЙ НОМЕР A3P213445 И ВЫШЕ)

ДВИГАТЕЛЬ И КРЕПЕЖНЫЕ ДЕТАЛИ (ВОЗДУХООЧИСТИТЕЛЬ И ГЛУШИТЕЛЬ) (СЕРИЙНЫЙ НОМЕР A3P213445 И ВЫШЕ)

1Артикул: ENGINE, ENGINE See Illustration ENGINE & GASKET KITS/ NA5149
2Артикул: 6732032, GASKET
3Артикул: 7175098, MUFFLER, EXHAUST Was 7141744 - A
Подробнее >
ДВИГАТЕЛЬ И КРЕПЕЖНЫЕ ДЕТАЛИ (РЕМЕНЬ ПРИВОДА) (СЕРИЙНЫЙ НОМЕР A3P213445 И ВЫШЕ)

ДВИГАТЕЛЬ И КРЕПЕЖНЫЕ ДЕТАЛИ (РЕМЕНЬ ПРИВОДА) (СЕРИЙНЫЙ НОМЕР A3P213445 И ВЫШЕ)

1Артикул: 7167651, SHIELD, BELT
2Артикул: 59CM816, BOLT
3Артикул: 31C832, BOLT
Подробнее >
ВОДЯНАЯ ПОМПА И ТЕРМОСТАТ

ВОДЯНАЯ ПОМПА И ТЕРМОСТАТ

1Артикул: 6680852, PUMP
2Артикул: 6680853, GASKET
3Артикул: 6680706, BOLT
Подробнее >
ДВИГАТЕЛЬ, ЕГО ЧАСТИ

ДВИГАТЕЛЬ, ЕГО ЧАСТИ

1Артикул: 7140797, MOUNT, ENG
2Артикул: 7202298, MOUNT, ENG
3Артикул: 6719829, BOLT
Подробнее >
СИСТЕМА ВПРЫСКА ТОПЛИВА (ФОРСУНКИ)

СИСТЕМА ВПРЫСКА ТОПЛИВА (ФОРСУНКИ)

1Артикул: 6698542, INJECTOR, FUEL ASSY
2Артикул: 6670769, O-RING
3Артикул: 6969824, GASKET, NOZZLE INJ
Подробнее >
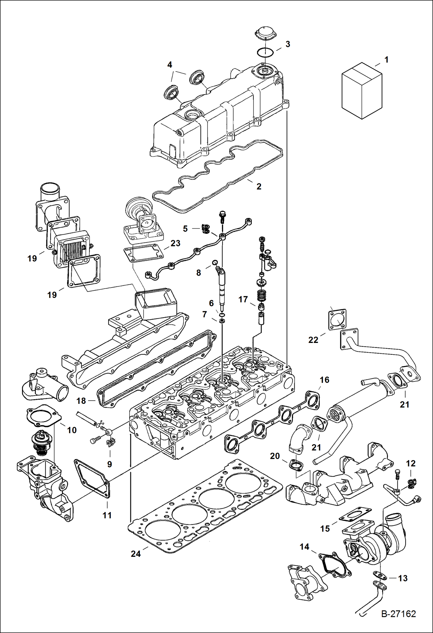
КОМПЛЕКТ ПРОКЛАДОК ВЕРХНЕЙ ЧАСТИ

КОМПЛЕКТ ПРОКЛАДОК ВЕРХНЕЙ ЧАСТИ

1Артикул: 6689756, KIT, GASKET ENG UPPER Ref. 2-19 - Also Order Ref. 20-24
2Артикул: 6680690, GASKET See Illustration CYLINDER HEAD & COVER/ B27167 - valve cover
3Артикул: 6680691, RING,O See Illustration CYLINDER HEAD & COVER/ B27167 - breather
Подробнее >
КОМПЛЕКТЫ ПРОКЛАДОК ДВИГАТЕЛЯ

КОМПЛЕКТЫ ПРОКЛАДОК ДВИГАТЕЛЯ

1Артикул: 6692835, ENG, V3800DIT 85 HP EPA T3 / EU STG IIIA
2Артикул: KIT,, KIT, UPPER GASKET See Illustration UPPER GASKET KIT/ B27162
3Артикул: KIT,, KIT, GASKET ENG LOWER See Illustration LOWER GASKET KIT/ B27163
Подробнее >
СИСТЕМА ОХЛАЖДЕНИЯ (СЕРИЙНЫЙ НОМЕР A3P211001 - A3P214829)

СИСТЕМА ОХЛАЖДЕНИЯ (СЕРИЙНЫЙ НОМЕР A3P211001 - A3P214829)

1Артикул: 7161424, COVER, HOOD
2Артикул: SCREEN,, SCREEN, RADIATOR Order Ref. 37 - Was 7161423 - B
3Артикул: SEAL, SEAL NLA - 729 mm (28.7--) long - Order Ref. 4
Подробнее >
ДВИГАТЕЛЬ И КРЕПЕЖНЫЕ ДЕТАЛИ (СИСТЕМА ПОДАЧИ ТОПЛИВА) (ОДИН БАК) (СЕРИЙНЫЙ НОМЕР A3P215255 И ВЫШЕ)

ДВИГАТЕЛЬ И КРЕПЕЖНЫЕ ДЕТАЛИ (СИСТЕМА ПОДАЧИ ТОПЛИВА) (ОДИН БАК) (СЕРИЙНЫЙ НОМЕР A3P215255 И ВЫШЕ)

1Артикул: 7120881, SCREEN, FILLER
2Артикул: 7219755, PUMP, PRIMER HAND (1) barbed fitting for 6,35 mm (.25--) ID hose & (1) barbed fitting for 7,94 mm (.3125--) ID hose
3Артикул: 6701449, FILLER TUBE
Подробнее >
ДВИГАТЕЛЬ И КРЕПЕЖНЫЕ ДЕТАЛИ (СИСТЕМА ПОДАЧИ ТОПЛИВА) (ДВОЙНОЙ БАК)

ДВИГАТЕЛЬ И КРЕПЕЖНЫЕ ДЕТАЛИ (СИСТЕМА ПОДАЧИ ТОПЛИВА) (ДВОЙНОЙ БАК)

1Артикул: 7120881, SCREEN, FILLER
2Артикул: 6657734, PUMP, PRIMER HAND barbed fittings for 6,35 mm (.25--) ID hose - barbed fittings for 6,35 mm (.25--) ID hose
3Артикул: 6701449, FILLER TUBE
Подробнее >
ПЕРЕДНЯЯ КРЫШКА

ПЕРЕДНЯЯ КРЫШКА

1Артикул: 6698546, HOUSING, GEAR ASSY W/Ref. 2-12
2Артикул: 6685929, RELIEF VALVE
3Артикул: 6680673, SPRING
Подробнее >
РАСПРЕДВАЛ

РАСПРЕДВАЛ

1Артикул: 7017203, CAMSHAFT, VALVE W/Ref. 2-4
2Артикул: 6652679, KEY
3Артикул: 6680712, FLANGE
Подробнее >
ДВИГАТЕЛЬ И КРЕПЕЖНЫЕ ДЕТАЛИ (РЕМЕНЬ ПРИВОДА) (СЕРИЙНЫЙ НОМЕР A3P211001 - A3P213444)

ДВИГАТЕЛЬ И КРЕПЕЖНЫЕ ДЕТАЛИ (РЕМЕНЬ ПРИВОДА) (СЕРИЙНЫЙ НОМЕР A3P211001 - A3P213444)

1Артикул: 7167651, SHIELD, BELT
2Артикул: 59CM816, BOLT
3Артикул: 31C832, BOLT
Подробнее >
СИСТЕМА ОХЛАЖДЕНИЯ (СЕРИЙНЫЙ НОМЕР A3P214830 - A3P215296 )

СИСТЕМА ОХЛАЖДЕНИЯ (СЕРИЙНЫЙ НОМЕР A3P214830 - A3P215296 )

1Артикул: COVER,, COVER, HOOD ASSY See Illustration COOLING SYSTEM/ NA10671 - NLA - Order 7244125 cover - Was 7227183 - A
2Артикул: 7136376, MOUNT, MOTOR ASSY
3Артикул: SEAL, SEAL NLA - 848 mm (33.39--) - Order Ref. 4
Подробнее >
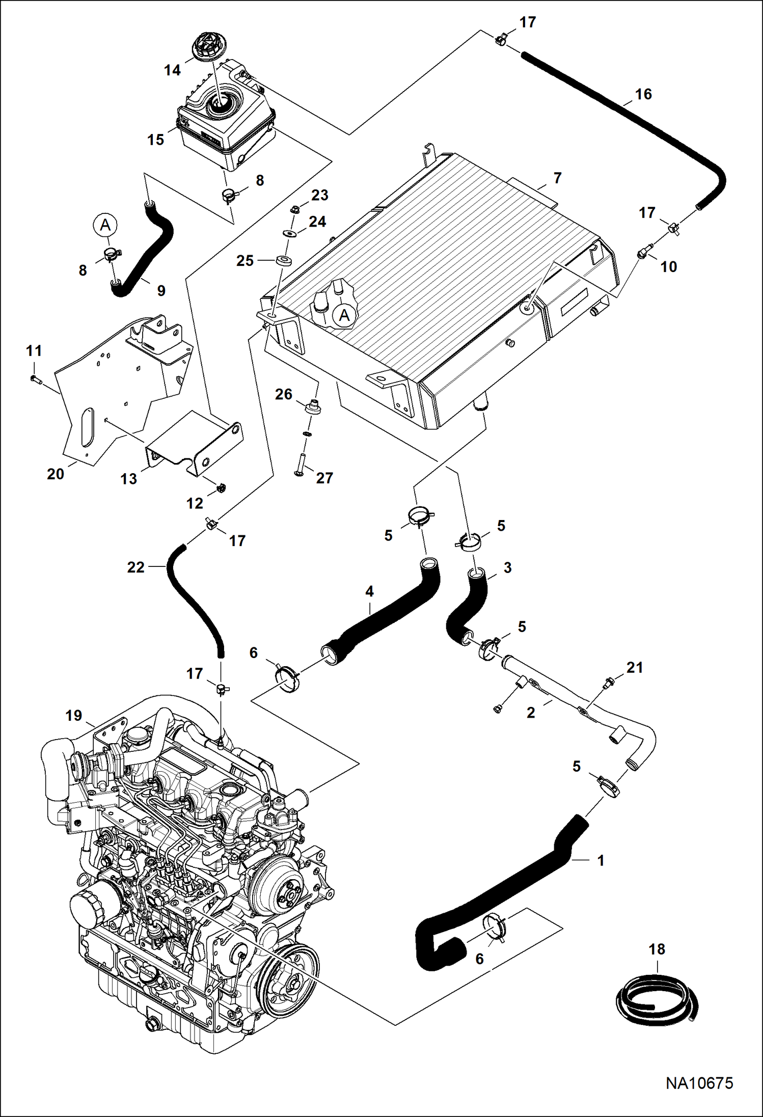
ДВИГАТЕЛЬ И КРЕПЕЖНЫЕ ДЕТАЛИ (ТЕПЛООБМЕННИК РАДИАТОРА) (СЕРИЙНЫЙ НОМЕР A3P211001 - A3P215296)

ДВИГАТЕЛЬ И КРЕПЕЖНЫЕ ДЕТАЛИ (ТЕПЛООБМЕННИК РАДИАТОРА) (СЕРИЙНЫЙ НОМЕР A3P211001 - A3P215296)

1Артикул: 7143880, HOSE, WATER FORMED
2Артикул: 7154005, TUBE, COOLING
3Артикул: 5HM55, CLAMP
Подробнее >
КЛАПАН СИСТЕМЫ РЕЦИРКУЛЯЦИИ ВЫХЛОПНЫХ ГАЗОВ

КЛАПАН СИСТЕМЫ РЕЦИРКУЛЯЦИИ ВЫХЛОПНЫХ ГАЗОВ

1Артикул: 7012295, VALVE, EGR
2Артикул: 6698581, GASKET, EGR VALVE
3Артикул: 6698580, VALVE, LEAD
Подробнее >
ТУРБОКОМПРЕССОР

ТУРБОКОМПРЕССОР

1Артикул: 7017202, TURBOCHARGER
2Артикул: 7017202EF, TURBOCHARGER
3Артикул: 7017202REM, TURBOCHARGER
Подробнее >
НАСОС ДЛЯ ВПРЫСКА ТОПЛИВА

НАСОС ДЛЯ ВПРЫСКА ТОПЛИВА

1Артикул: 6698588, PUMP, FUEL INJ ASSY
2Артикул: 6698538, PUMP, FUEL INJ
3Артикул: 6680756, SCREW
Подробнее >
ПОРШНИ И КОЛЕНВАЛ

ПОРШНИ И КОЛЕНВАЛ

1Артикул: 6698544, BLOCK ENGINE
2Артикул: 3974037, PIN
3Артикул: 6672354, PLUG
Подробнее >
КОЛЛЕКТОР

КОЛЛЕКТОР

1Артикул: 6698550, MANIFOLD, INTAKE
2Артикул: 6680884, GASKET
3Артикул: 6680801, BOLT
Подробнее >
КОМПЛЕКТ НИЖНИХ ПРОКЛАДОК

КОМПЛЕКТ НИЖНИХ ПРОКЛАДОК

1Артикул: 6698579, KIT, GASKET ENG LOWER Ref. 2-22 - Also Order Ref. 23 & 24
2Артикул: 6652751, GASKET See Illustration PISTON & CRANKSHAFT/ B27170
3Артикул: 6684782, O-RING See Illustration OIL PAN/ B27169 - oil filler cap
Подробнее >
ДВИГАТЕЛЬ И КРЕПЕЖНЫЕ ДЕТАЛИ (СИСТЕМА ПОДАЧИ ТОПЛИВА) (ОДИН БАК) (СЕРИЙНЫЙ НОМЕР A3P211001 - A3P215254)

ДВИГАТЕЛЬ И КРЕПЕЖНЫЕ ДЕТАЛИ (СИСТЕМА ПОДАЧИ ТОПЛИВА) (ОДИН БАК) (СЕРИЙНЫЙ НОМЕР A3P211001 - A3P215254)

1Артикул: 7120881, SCREEN, FILLER Was 6569219 - A
2Артикул: 6657734, PUMP, PRIMER HAND barbed fittings for 6,35 mm (.25--) ID hose - barbed fittings for 6,35 mm (.25--) ID hose
3Артикул: 6701449, FILLER TUBE
Подробнее >
ГОЛОВКА ЦИЛИНДРА И КРЫШКА

ГОЛОВКА ЦИЛИНДРА И КРЫШКА

1Артикул: 7020950, HEAD, CYL ENG See Illustration CYLINDER HEAD/ B27168
2Артикул: 6698597, GASKET, HEAD CYL std - 2 notch
3Артикул: 6698598, GASKET, HEAD CYL suitability - 1 notch
Подробнее >
ГОЛОВКА БЛОКА ЦИЛИНДРОВ

ГОЛОВКА БЛОКА ЦИЛИНДРОВ

1Артикул: 6680868, SHAFT W/Ref. 2
2Артикул: 25GM8010, SCREW set
3Артикул: 6680878, BOLT
Подробнее >
МАСЛЯНЫЙ ПОДДОН

МАСЛЯНЫЙ ПОДДОН

1Артикул: 7020951, DIPSTICK, OIL ENG
2Артикул: 6680702, TUBE
3Артикул: 6698523, EXCHANGER, OIL COOLER
Подробнее >
УСТРОЙСТВО РЕГУЛИРОВАНИЯ ОБОРОТОВ ДВИГАТЕЛЯ (РУКОВОДСТВО УПРАВЛЕНИЯ)

УСТРОЙСТВО РЕГУЛИРОВАНИЯ ОБОРОТОВ ДВИГАТЕЛЯ (РУКОВОДСТВО УПРАВЛЕНИЯ)

1Артикул: 774220, NUT
2Артикул: 6644965, BALL JOINT
3Артикул: 14D10, NUT
Подробнее >
ДВИГАТЕЛЬ И КРЕПЕЖНЫЕ ДЕТАЛИ (ТЕПЛООБМЕННИК РАДИАТОРА) (СЕРИЙНЫЙ НОМЕР A3P215297 И ВЫШЕ)

ДВИГАТЕЛЬ И КРЕПЕЖНЫЕ ДЕТАЛИ (ТЕПЛООБМЕННИК РАДИАТОРА) (СЕРИЙНЫЙ НОМЕР A3P215297 И ВЫШЕ)

1Артикул: 7244574, HOSE, WATER FORMED
2Артикул: 7243104, TUBE, COOLING
3Артикул: 7226475, HOSE, WATER FORMED
Подробнее >
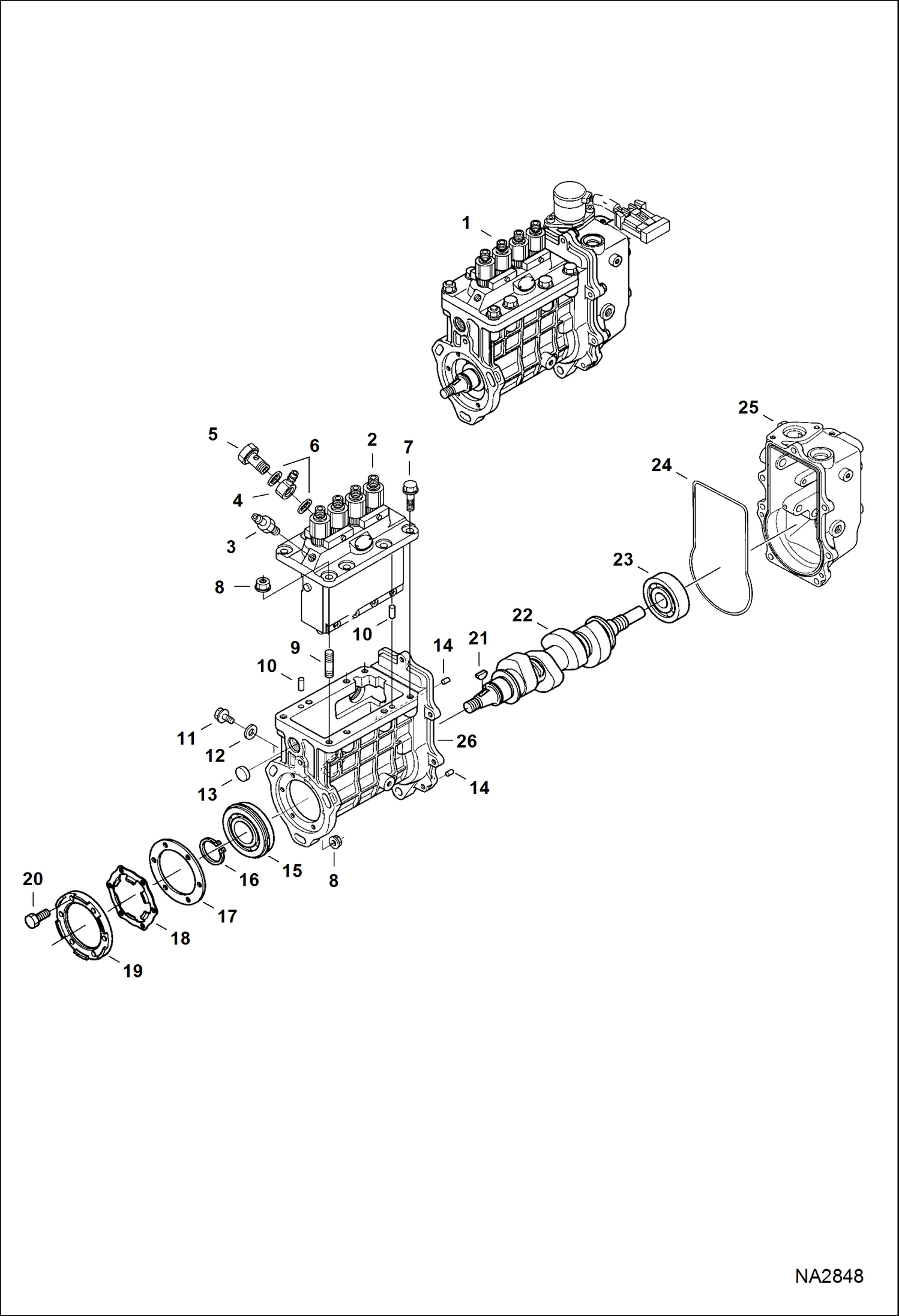
СИСТЕМА ВПРЫСКА ТОПЛИВА (ТОПЛИВНАЯ СИСТЕМА И НАСОСЫ ВПРЫСКА)

СИСТЕМА ВПРЫСКА ТОПЛИВА (ТОПЛИВНАЯ СИСТЕМА И НАСОСЫ ВПРЫСКА)

1Артикул: PUMP,, PUMP, FUEL INJ ASSY See Illustration FUEL INJECTION PUMP/ NA2848
2Артикул: 6680264, STUD
3Артикул: 7010133, GASKET, PUMP FUEL
Подробнее >
ВОЗДУШНЫЙ ФИЛЬТР

ВОЗДУШНЫЙ ФИЛЬТР

1Артикул: 7286651, FILTER, AIR Ref. 2-10 - Was 7197235 - A
2Артикул: HOUSING, HOUSING NLA - Order Ref. 1
3Артикул: 7010031, FILTER, AIR SECONDARY
Подробнее >