+7 (701) 588 50 05 Телефон для связи
RU

WhatsApp

Позвонить

ЗАПЧАСТИ ДВИГАТЕЛЯ в Алматы

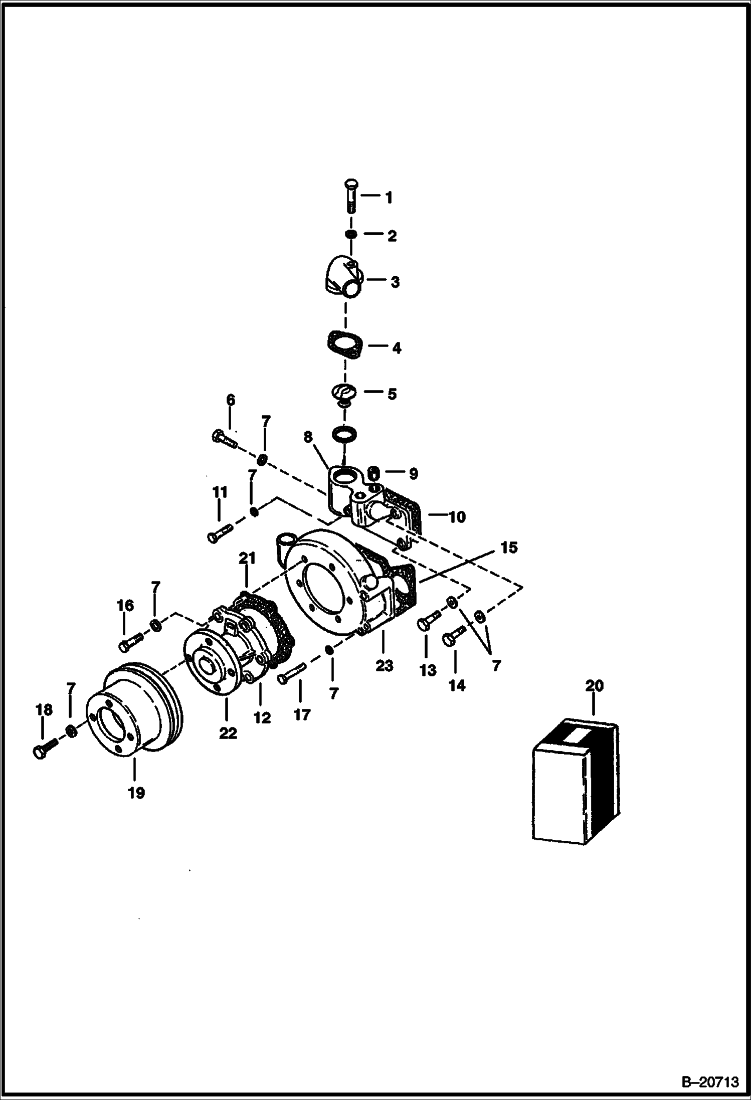
ВОДЯНАЯ ПОМПА

ВОДЯНАЯ ПОМПА

1Артикул: 18C622, BOLT
2Артикул: 2E6, WASHER
3Артикул: 3679233, CONNECTOR
Подробнее >
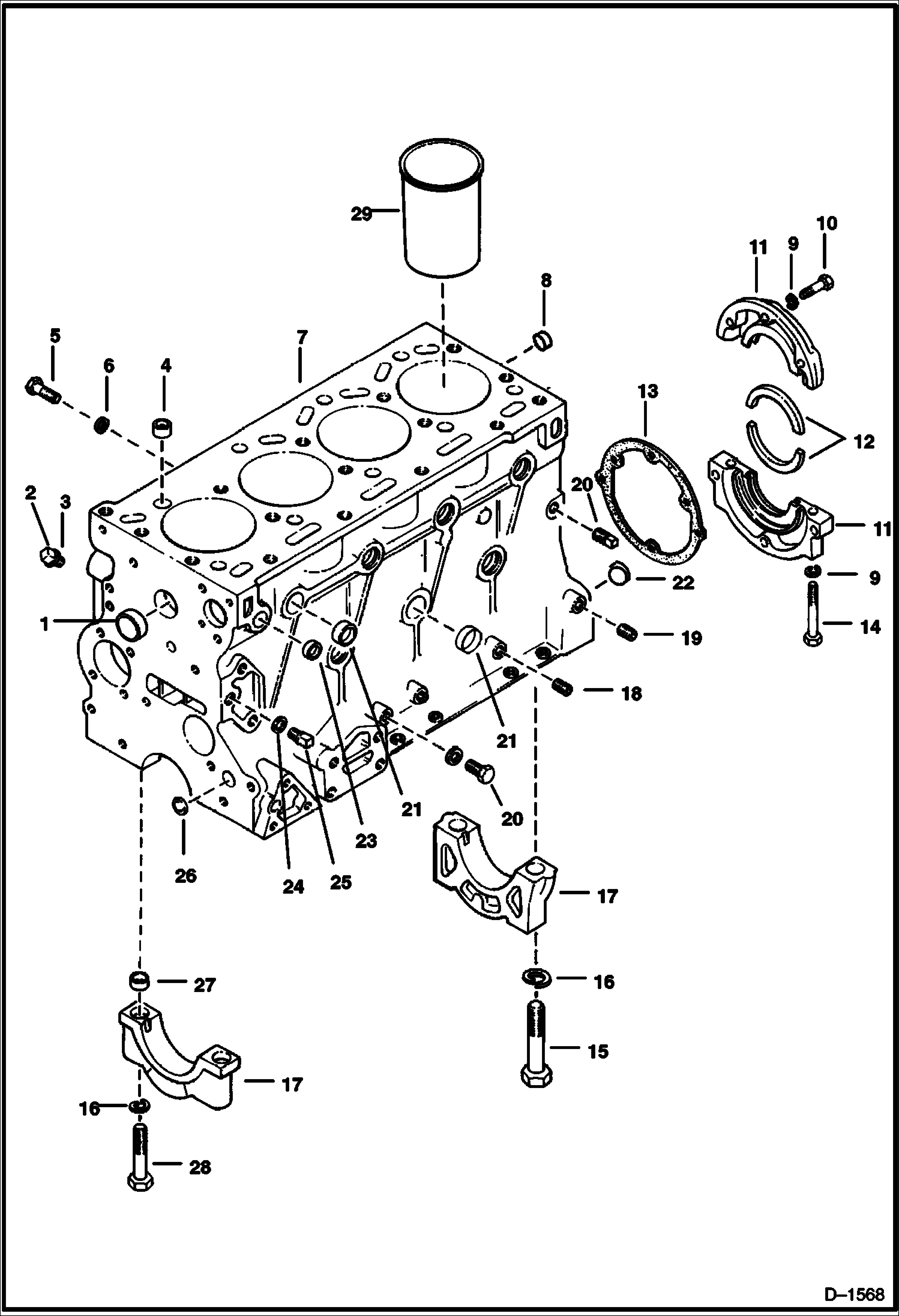
БЛОК ЦИЛИНДРОВ

БЛОК ЦИЛИНДРОВ

1Артикул: 998061, PLUG
2Артикул: 18C508, BOLT
3Артикул: 3490221, WASHER
Подробнее >
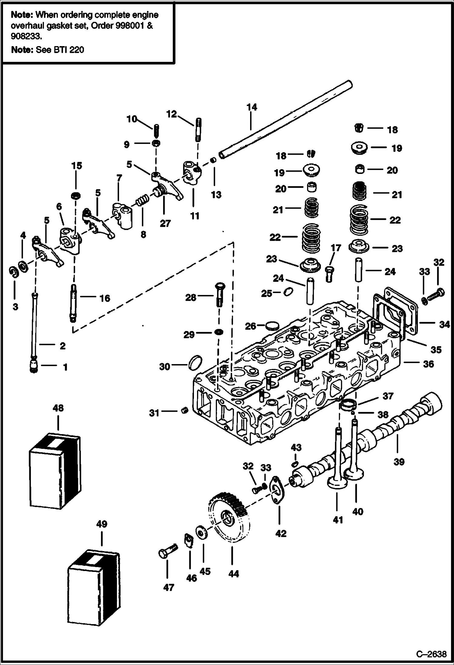
ДВИГАТЕЛЬ (PERKINS 4.154)

ДВИГАТЕЛЬ (PERKINS 4.154)

1Артикул: ENGINE, ENGINE NLA - Use component parts to overhaul - W/valve cover, rocker shaft assy, complete head assy, camshaft, tappets, push rods, cylinder block, piston & rings, rods, crankshaft, main & rod bearings, idler gear, cam gear, crank gear, rear housing & seal - Does not include: Front cover, front seal, front housing, water pump, injector pump & all tube lines, injector, filters, exhaust & intake manifolds, oil pan & oil pump. - Was 6599778 - A
2Артикул: SHORT, SHORT BLOCK NLA - W/Liners & and all plugs, crankshaft & rear oil seal, rear gasket, main bearings, thrustwashers for top & bottom crankshaft bearings, connecting rods, pistons & rings std. - Order 6599778 REM - Does not include camshaft & gear
3Артикул: CYLINDER, CYLINDER BLOCK NLA - W/Liner & all plugs - Order 6599778 REM - Was 998039B - A
Подробнее >
КОЛЛЕКТОР

КОЛЛЕКТОР

1Артикул: 6510487, STUD
2Артикул: 3726965, STUD NLA - Was 3726965 - A
3Артикул: 998055, GASKET
Подробнее >
КОЛЕНЧАТЫЙ ВАЛ

КОЛЕНЧАТЫЙ ВАЛ

1Артикул: WASHER, WASHER NLA - thrust - std - set of 4 halves - Was 6599250 - A
2Артикул: 998015, PLATE Thrust - +.007 - 1/2 washer
3Артикул: 998302, BOLT
Подробнее >
СИСТЕМА ХОЛОДНОГО ЗАПУСКА ДВИГАТЕЛЯ

СИСТЕМА ХОЛОДНОГО ЗАПУСКА ДВИГАТЕЛЯ

1Артикул: 3490307, HEATER
2Артикул: 3490132, SEAL
3Артикул: 3490133, UNION NUT
Подробнее >
КАРДАННЫЙ ШАРНИР

КАРДАННЫЙ ШАРНИР

1Артикул: 6599451, U-JOINT Ref. 4-7 & 12
2Артикул: 6562882, ADAPTER flywheel
3Артикул: 17C624, BOLT 5
Подробнее >
КРЫШКА РАСПРЕДЕЛИТЕЛЬНЫХ ШЕСТЕРЕН

КРЫШКА РАСПРЕДЕЛИТЕЛЬНЫХ ШЕСТЕРЕН

1Артикул: 3725838, NUT
2Артикул: 997964, PLATE
3Артикул: BUSHING, BUSHING NLA - Was 998289 - A
Подробнее >
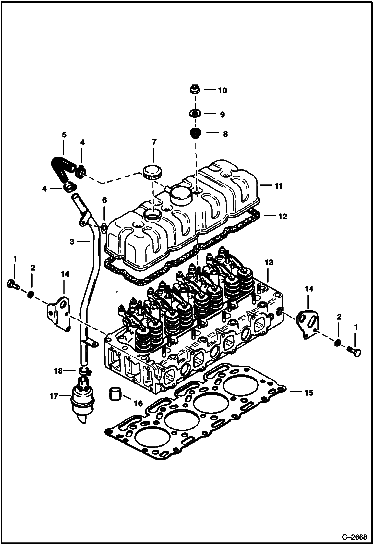
КЛАПАННАЯ КРЫШКА

КЛАПАННАЯ КРЫШКА

1Артикул: 18C612, BOLT
2Артикул: 23E5, L WASHER Was 2E000005B - A
3Артикул: 6598502, PIPE
Подробнее >
ДРОССЕЛЬНАЯ ЗАСЛОНКА

ДРОССЕЛЬНАЯ ЗАСЛОНКА

1Артикул: 6584266, ROD
2Артикул: 6561308, ROD
3Артикул: 6512274, CLIP NLA - Was 6512274
Подробнее >
СИСТЕМА ВПРЫСКА ТОПЛИВА

СИСТЕМА ВПРЫСКА ТОПЛИВА

1Артикул: 3490094, BOLT
2Артикул: 3490095, WASHER 5
3Артикул: PIPE, PIPE NLA - Was 6514475 - A
Подробнее >
СМАЗОЧНАЯ СИСТЕМА

СМАЗОЧНАЯ СИСТЕМА

1Артикул: GASKT, GASKT SET NLA - Was 997780 - A
2Артикул: 18C412, BOLT
3Артикул: WASHER, WASHER NLA - Was 2E000004B - A
Подробнее >
НАСОСЫ И ФИЛЬТРЫ

НАСОСЫ И ФИЛЬТРЫ

1Артикул: 10D5, NUT
2Артикул: 23E5, L WASHER Was 2E000005B - A
3Артикул: 997981, FUEL PUMP
Подробнее >
ДВИГАТЕЛЬ И КРЕПЕЖНЫЕ ДЕТАЛИ

ДВИГАТЕЛЬ И КРЕПЕЖНЫЕ ДЕТАЛИ

1Артикул: 57D6, NUT 5
2Артикул: GRILL, GRILL NLA - Was 6567867 - A
3Артикул: 84G3712, BOLT 5
Подробнее >
ТОЛКАТЕЛЬ В СБОРЕ И РАСПРЕДЕЛИТЕЛЬНЫЙ ВАЛ

ТОЛКАТЕЛЬ В СБОРЕ И РАСПРЕДЕЛИТЕЛЬНЫЙ ВАЛ

1Артикул: 997955, TAPPET
2Артикул: 6599231, PUSH ROD Was 997940B - A
3Артикул: 799119, RING
Подробнее >
ТОПЛИВОПРОВОД

ТОПЛИВОПРОВОД

1Артикул: 3490132, SEAL
2Артикул: 3490133, UNION NUT
3Артикул: BOLT, BOLT NLA - Was 6598041 - A
Подробнее >
ВОЗДУШНЫЙ ФИЛЬТР

ВОЗДУШНЫЙ ФИЛЬТР

1Артикул: AIR, AIR CLEANER NLA - Was 6584379 - A
2Артикул: BODY, BODY ASSY. NSS
3Артикул: 6598751, VALVE Was 6598875 - A
Подробнее >
УСТРОЙСТВО ОХЛАЖДЕНИЯ МАСЛА ДВИГАТЕЛЯ И ФИЛЬТР

УСТРОЙСТВО ОХЛАЖДЕНИЯ МАСЛА ДВИГАТЕЛЯ И ФИЛЬТР

1Артикул: CONNECTOR, CONNECTOR NLA - 56,6 mm (2.23--) wide cooler - Was 6660452 - A
2Артикул: 6646196, ADAPTER Use W/ 1.89-- wide cooler
3Артикул: 42H8, HOSE CLAMP 5
Подробнее >