+7 (701) 588 50 05 Телефон для связи
RU

WhatsApp

Позвонить

ЗАПЧАСТИ ДВИГАТЕЛЯ в Алматы

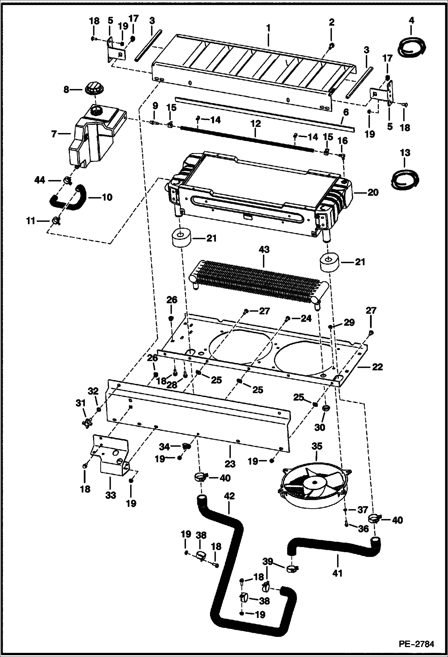
МУФТА ПРИВОДА

МУФТА ПРИВОДА

1Артикул: 6730224, COUPLER, DRIVE HYD ASSY W/Ref. 2-7 & 12
2Артикул: 6677653, SPACER
3Артикул: 6677654, ELEMENT
Подробнее >
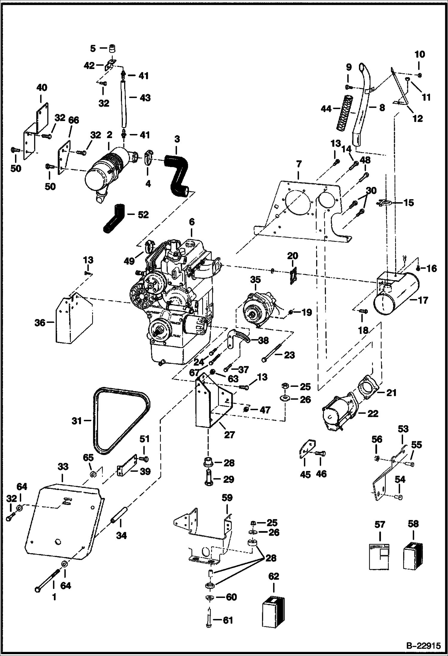
КОМПЛЕКТ ДЛЯ УСТАНОВКИ ДВИГАТЕЛЯ

КОМПЛЕКТ ДЛЯ УСТАНОВКИ ДВИГАТЕЛЯ

1Артикул: 6734426, MOUNT KIT W/Ref. 2 - 9
2Артикул: 6734407, MOUNT
3Артикул: 6734408, MOUNT
Подробнее >
ДВИГАТЕЛЬ И КРЕПЕЖНЫЕ ДЕТАЛИ

ДВИГАТЕЛЬ И КРЕПЕЖНЫЕ ДЕТАЛИ

1Артикул: 17C6104, BOLT
2Артикул: AIR, AIR CLEANER See Illustration AIR CLEANER/ C3490
3Артикул: 6714055, HOSE
Подробнее >
ДВИГАТЕЛЬ И КРЕПЕЖНЫЕ ДЕТАЛИ 5391 12001 И ВЫШЕ, 5394 12001 И ВЫШЕ

ДВИГАТЕЛЬ И КРЕПЕЖНЫЕ ДЕТАЛИ 5391 12001 И ВЫШЕ, 5394 12001 И ВЫШЕ

1Артикул: 7118025, SCREEN
2Артикул: 84G3716, SCREW 5
3Артикул: SEAL, SEAL NSS - 11.40-- long - order 1 ft. of Ref. 4
Подробнее >
ДРОССЕЛЬНАЯ ЗАСЛОНКА И ВОЗДУШНАЯ ЗАСЛОНКА

ДРОССЕЛЬНАЯ ЗАСЛОНКА И ВОЗДУШНАЯ ЗАСЛОНКА

1Артикул: 6557291, BALL JOINT
2Артикул: 85D4, NUT 5
3Артикул: 85D6, NUT, 5
Подробнее >