ЗАПЧАСТИ ДВИГАТЕЛЯ в Алматы
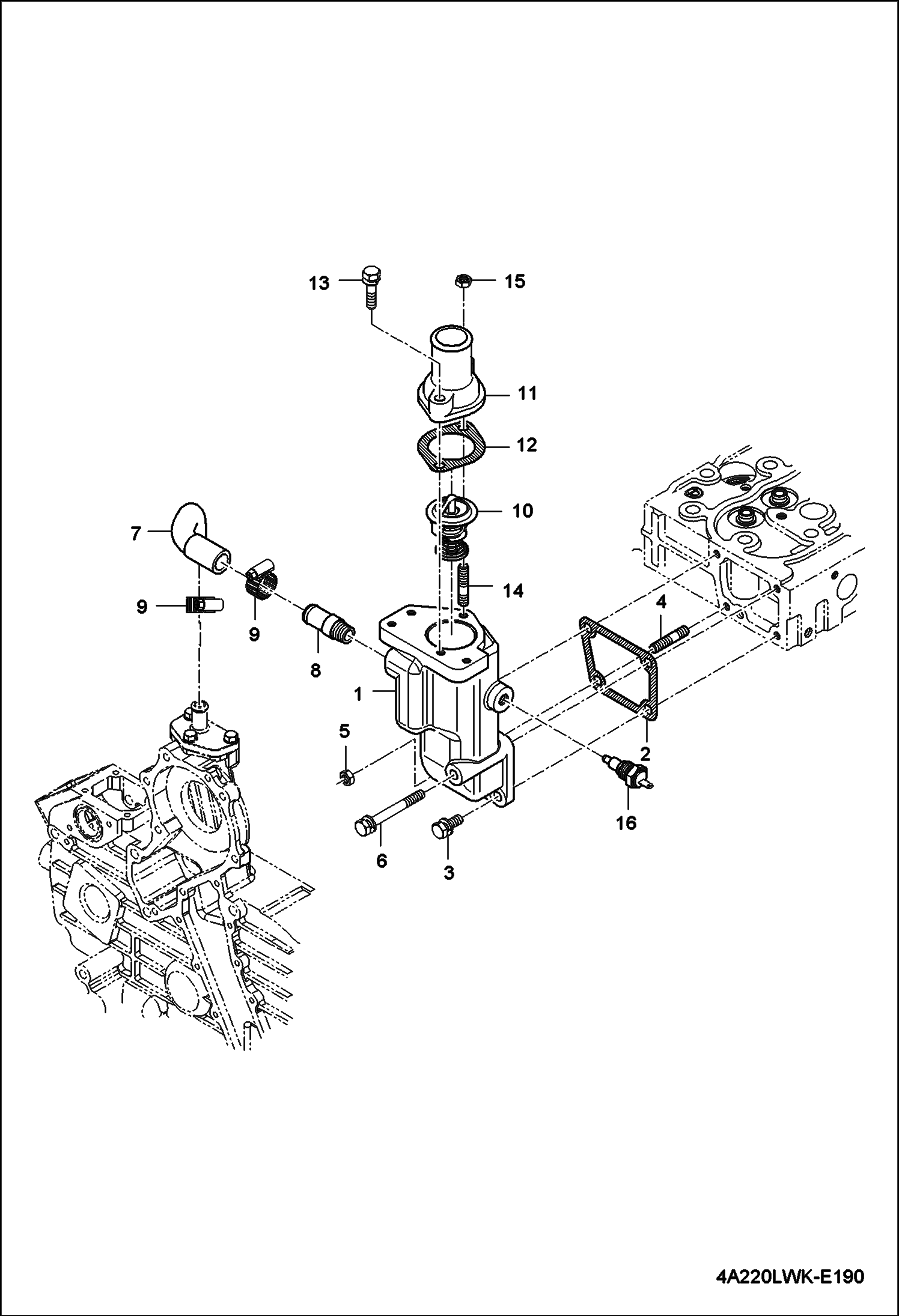
ВОДЯНОЙ ШЛАНГ В СБОРЕ
1Артикул: 6697226, FLANGE WATER
2Артикул: 6697242, GASKET
3Артикул: 4CM822, BOLT Was 6697055 - A
ОСНОВНОЙ КОРПУС ПОДШИПНИКА В СБОРЕ
1Артикул: 6695384, HOUSING MAIN BEARING W/Ref. 2 & 13
2Артикул: 6695568, BOLT BEARING CASE 1
3Артикул: 6695957, GASKET BEARING CASE
РЫЧАГ ОСТАНОВА ДВИГАТЕЛЯ В СБОРЕ
1Артикул: 6696733, SPRING
2Артикул: 6696623, SHAFT, IDLE ADJUST
3Артикул: 6697120, BUSHING
ПЛЕЧО КОРОМЫСЛА КЛАПАНА В СБОРЕ
1Артикул: 6696154, VALVE, INTAKE
2Артикул: 6695896, VALVE EXHAUST
3Артикул: 6696888, SPRING VALVE
ПОДДОН КАРТЕРА В СБОРЕ
1Артикул: 7002815, PAN, OIL W/Ref. 5 & 6
2Артикул: 7002813, GASKET, PAN OIL ENG
3Артикул: 6697072, BOLT FLANGE
ГЕНЕРАТОР ПЕРЕМЕННОГО ТОКА В СБОРЕ
1Артикул: 6695295, ALTERNATOR
2Артикул: 6696698, SPACER
3Артикул: 6693994, BOLT
ГЛУШИТЕЛЬ В СБОРЕ
1Артикул: 7002922, MUFFLER, EXHAUST
2Артикул: 6697250, GASKET
3Артикул: 4CM822, BOLT Was 6697055 - A
ФРИКЦИОН В СБОРЕ
1Артикул: 7002181, DISC, FRICTION
2Артикул: 6694172, PIN STRAIGHT
3Артикул: 6697053, BOLT
МАХОВИК В СБОРЕ
1Артикул: 7002837, FLYWHEEL, ENG ASSY W/Ref. 2
2Артикул: 7002847, GEAR, RING STARTER
3Артикул: 7002177, BOLT, FLYWHEEL
КОЛЛЕКТОР В СБОРЕ
1Артикул: 7002818, MANIFOLD, INTAKE
2Артикул: 6697147, CONNECTOR, AIR BREATHER
3Артикул: 7002819, GASKET, MANIFOLD INTAKE
КАРТЕР КОРОБКИ ПЕРЕДАЧ
1Артикул: 7002812, HOUSING, GEAR ASSY Ref. 2, 3, 7-10, 12-20 & 28-32
2Артикул: 7002201, HOUSING, GEARCASE
3Артикул: 6694756, PLUG
КРЫШКА ГОЛОВКИ ЦИЛИНДРА
1Артикул: 7002844, COVER, HEAD CYL ENG Ref. 2-8
2Артикул: 7002845, COVER, HEAD CYL ENG
3Артикул: 7002839, GASKET, COVER HEAD CYL
ГОЛОВКА ЦИЛИНДРА В СБОРЕ
1Артикул: 7002841, ASSY HEAD,CYLINDER W/Ref. 2-6
2Артикул: 6695695, CAP SEALING
3Артикул: 6694304, CAP SEALING
РАСПРЕДЕЛИТЕЛЬНЫЙ ВАЛ В СБОРЕ
1Артикул: 6696828, TAPPET
2Артикул: 6696530, ROD PUSH
3Артикул: 7002830, CAMSHAFT, VALVE
ТАБЛИЧКА РЕГУЛЯТОРА СКОРОСТИ В СБОРЕ
1Артикул: 7002039, BOLT, ADJUSTING
2Артикул: 6696251, NUT
3Артикул: 6695953, GASKET
ТОПЛИВНЫЙ РАСПРЕДЕЛИТЕЛЬНЫЙ ВАЛ В СБОРЕ
1Артикул: 7002822, CAMSHAFT, FUEL
2Артикул: 6695465, BEARING BALL
3Артикул: 6696168, KEY
РЕГУЛЯТОР ОБОРОТОВ
1Артикул: 6695329, LEVER GOVERNOR
2Артикул: 6695931, LEVER FORK ASSY
3Артикул: 6680706, BOLT Was 7002481 - A
ПОРШЕНЬ И ГРУППА КОЛЕНЧАТОГО ВАЛА
1Артикул: 7000286, PISTON, ENG
2Артикул: PISTON, PISTON ENG Order Ref. 1
3Артикул: 6696403, PISTON, PIN
ДРОССЕЛЬНАЯ ЗАСЛОНКА В СБОРЕ
1Артикул: 7002426, LEVER, THROTTLE
2Артикул: 6696206, DISC, FRICTION
3Артикул: 6694081, WASHER PLAIN
ДЕРЖАТЕЛЬ ФОРСУНКИ В СБОРЕ
1Артикул: 7000227, HOLDER, NOZZLE
2Артикул: 6694765, SHIELD HEAT
3Артикул: 6694764, GASKET
ВОДЯНОЙ НАСОС
1Артикул: 7002448, PUMP, WATER assy - Ref. 2-6
2Артикул: HOUSING,, HOUSING, PUMP WATER NLA - Order Ref. 1
3Артикул: 6695453, BEARING, PUMP WATER
БЛОК ЦИЛИНДРОВ В СБОРЕ
1Артикул: 7010306, ENGINE, DAEDONG 4A220LWH
2Артикул: 6694757, PLUG
3Артикул: 6694758, PLUG
ВОЗДУХООЧИСТИТЕЛЬ В СБОРЕ
1Артикул: 7001980, FILTER, AIR CLEANER ASSY Ref. 2-5
2Артикул: 6695356, HOUSING, AIR CLEANER
3Артикул: 6666334, FILTER, AIR INNER
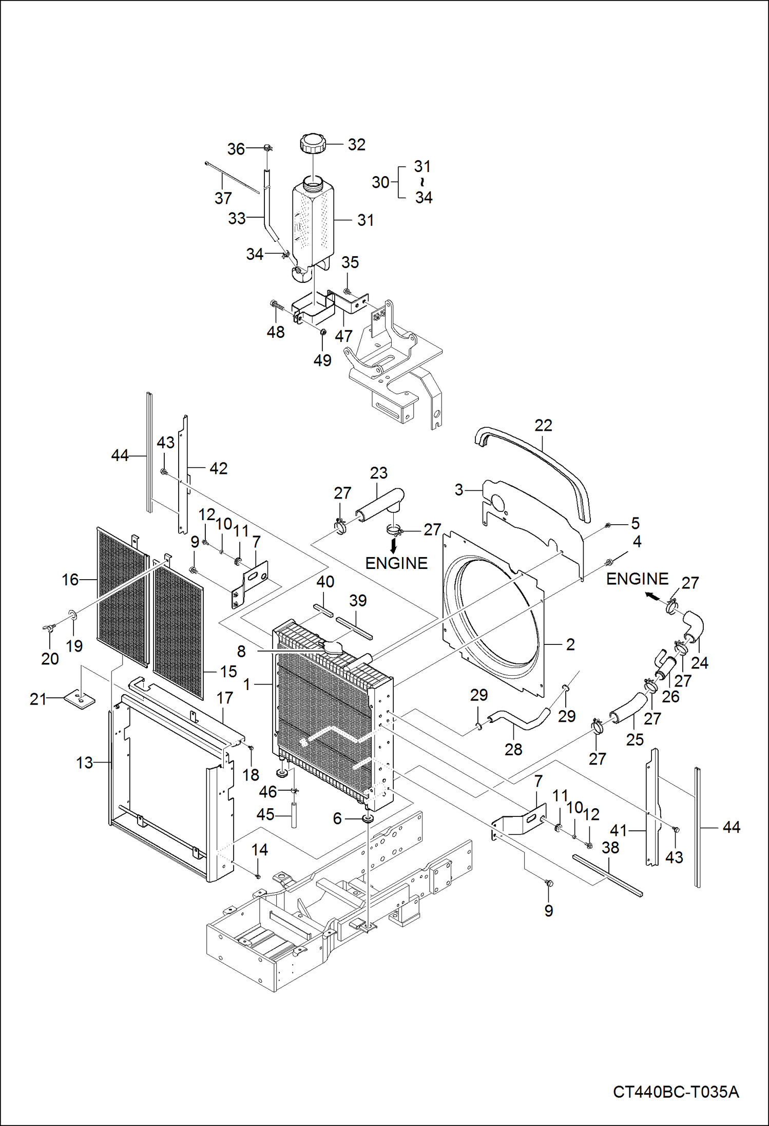
РАДИАТОР В СБОРЕ
1Артикул: 7013126, EXCHANGER, WATER RADIATOR W/Ref. 44 - Was 7002450 - A
2Артикул: 7002163, SHROUD, FAN
3Артикул: 7002622, PLATE
КОНДИЦИОНЕР КРОНШТЕЙНА В СБОРЕ
1Артикул: 7003407, BRACKET, COMPRESSOR A/C
2Артикул: 6697056, BOLT
3Артикул: 6697053, BOLT
КРЫШКА ГОЛОВКИ ЦИЛИНДРА В СБОРЕ
1Артикул: 7002844, COVER, HEAD CYL ENG Ref. 2-8
2Артикул: 7002845, COVER, HEAD CYL ENG
3Артикул: 7002839, GASKET, COVER HEAD CYL
ГЕНЕРАТОР ПЕРЕМЕННОГО ТОКА В СБОРЕ
1Артикул: 6695295, ALTERNATOR
2Артикул: 6696698, SPACER
3Артикул: 6693994, BOLT
ГЛУШИТЕЛЬ В СБОРЕ
1Артикул: 7002922, MUFFLER, EXHAUST
2Артикул: 6697250, GASKET
3Артикул: 4CM822, BOLT Was 6697055 - A
ПЛЕЧО КОРОМЫСЛА КЛАПАНА В СБОРЕ
1Артикул: 6696154, VALVE, INTAKE
2Артикул: 6695896, VALVE EXHAUST
3Артикул: 6696888, SPRING VALVE
ВОДЯНОЙ НАСОС
1Артикул: 7002448, PUMP, WATER assy - Ref. 2-6
2Артикул: HOUSING,, HOUSING, PUMP WATER NLA - Order Ref. 1
3Артикул: 6695453, BEARING, PUMP WATER
РАСПРЕДЕЛИТЕЛЬНЫЙ ВАЛ В СБОРЕ
1Артикул: 6696828, TAPPET
2Артикул: 6696530, ROD PUSH
3Артикул: 7002830, CAMSHAFT, VALVE
МАХОВИК В СБОРЕ
1Артикул: 7002837, FLYWHEEL, ENG ASSY W/Ref. 2
2Артикул: 7002847, GEAR, RING STARTER
3Артикул: 7002177, BOLT, FLYWHEEL
ДРОССЕЛЬНАЯ ЗАСЛОНКА В СБОРЕ
1Артикул: 7002426, LEVER, THROTTLE
2Артикул: 6696206, DISC, FRICTION
3Артикул: 6694081, WASHER PLAIN
КОЛЛЕКТОР В СБОРЕ
1Артикул: 7002818, MANIFOLD, INTAKE
2Артикул: 6697147, CONNECTOR, AIR BREATHER
3Артикул: 7002819, GASKET, MANIFOLD INTAKE
БЛОК ЦИЛИНДРОВ В СБОРЕ
1Артикул: 7010307, ENGINE, DAEDONG 4A220LWH-K
2Артикул: 6694757, PLUG
3Артикул: 6694758, PLUG
РАДИАТОР В СБОРЕ
1Артикул: 7013126, EXCHANGER, WATER RADIATOR W/Ref. 8 - Was 7002450 - A
2Артикул: 7002163, SHROUD, FAN
3Артикул: 7003087, PLATE
ТОПЛИВНЫЙ РАСПРЕДЕЛИТЕЛЬНЫЙ ВАЛ В СБОРЕ
1Артикул: 7002822, CAMSHAFT, FUEL
2Артикул: 6695465, BEARING BALL
3Артикул: 6696168, KEY
РЕГУЛЯТОР ОБОРОТОВ
1Артикул: 6695329, LEVER GOVERNOR
2Артикул: 6695931, LEVER FORK ASSY
3Артикул: 6680706, BOLT Was 7002481 - A
ПОРШЕНЬ И ГРУППА КОЛЕНЧАТОГО ВАЛА
1Артикул: 7000286, PISTON, ENG
2Артикул: PISTON, PISTON ENG Order Ref. 1
3Артикул: 6696403, PISTON, PIN
ДЕРЖАТЕЛЬ ФОРСУНКИ В СБОРЕ
1Артикул: 7000227, HOLDER, NOZZLE
2Артикул: 6694765, SHIELD HEAT
3Артикул: 6694764, GASKET
ПОДШИПНИК КОЛЕНЧАТОГО ВАЛА
1Артикул: 6695384, HOUSING MAIN BEARING W/Ref. 2 & 13
2Артикул: 6695568, BOLT BEARING CASE 1
3Артикул: 6695957, GASKET BEARING CASE
КАРТЕР КОРОБКИ ПЕРЕДАЧ
1Артикул: 7002812, HOUSING, GEAR ASSY Ref. 2, 3, 7-10, 12-20 & 28-32
2Артикул: 7002201, HOUSING, GEARCASE
3Артикул: 6694756, PLUG
ПОДДОН КАРТЕРА В СБОРЕ
1Артикул: 7002815, PAN, OIL W/Ref. 5 & 6
2Артикул: 7002813, GASKET, PAN OIL ENG
3Артикул: 6697072, BOLT FLANGE
ВОДЯНОЙ ШЛАНГ В СБОРЕ
1Артикул: 7010303, FLANGE, WATER
2Артикул: 6697242, GASKET
3Артикул: 4CM822, BOLT Was 6697055 - A
РЫЧАГ ОСТАНОВА ДВИГАТЕЛЯ В СБОРЕ
1Артикул: 6696733, SPRING
2Артикул: 6696623, SHAFT, IDLE ADJUST
3Артикул: 6697120, BUSHING
ТАБЛИЧКА РЕГУЛЯТОРА СКОРОСТИ В СБОРЕ
1Артикул: 7002039, BOLT, ADJUSTING
2Артикул: 6696251, NUT
3Артикул: 6695953, GASKET
ФРИКЦИОН В СБОРЕ
1Артикул: 7002181, DISC, FRICTION
2Артикул: 6694172, PIN STRAIGHT
3Артикул: 6697053, BOLT
ВОЗДУХООЧИСТИТЕЛЬ В СБОРЕ
1Артикул: 7001980, FILTER, AIR CLEANER ASSY Ref. 2-5
2Артикул: 6666334, FILTER, AIR INNER
3Артикул: 6666333, FILTER, AIR OUTER
ГОЛОВКА ЦИЛИНДРА В СБОРЕ
1Артикул: 7002841, ASSY HEAD,CYLINDER W/Ref. 2-6
2Артикул: 6695695, CAP SEALING
3Артикул: 6694304, CAP SEALING