+7 (701) 588 50 05 Телефон для связи
RU

WhatsApp

Позвонить

ЗАПЧАСТИ ДВИГАТЕЛЯ в Алматы

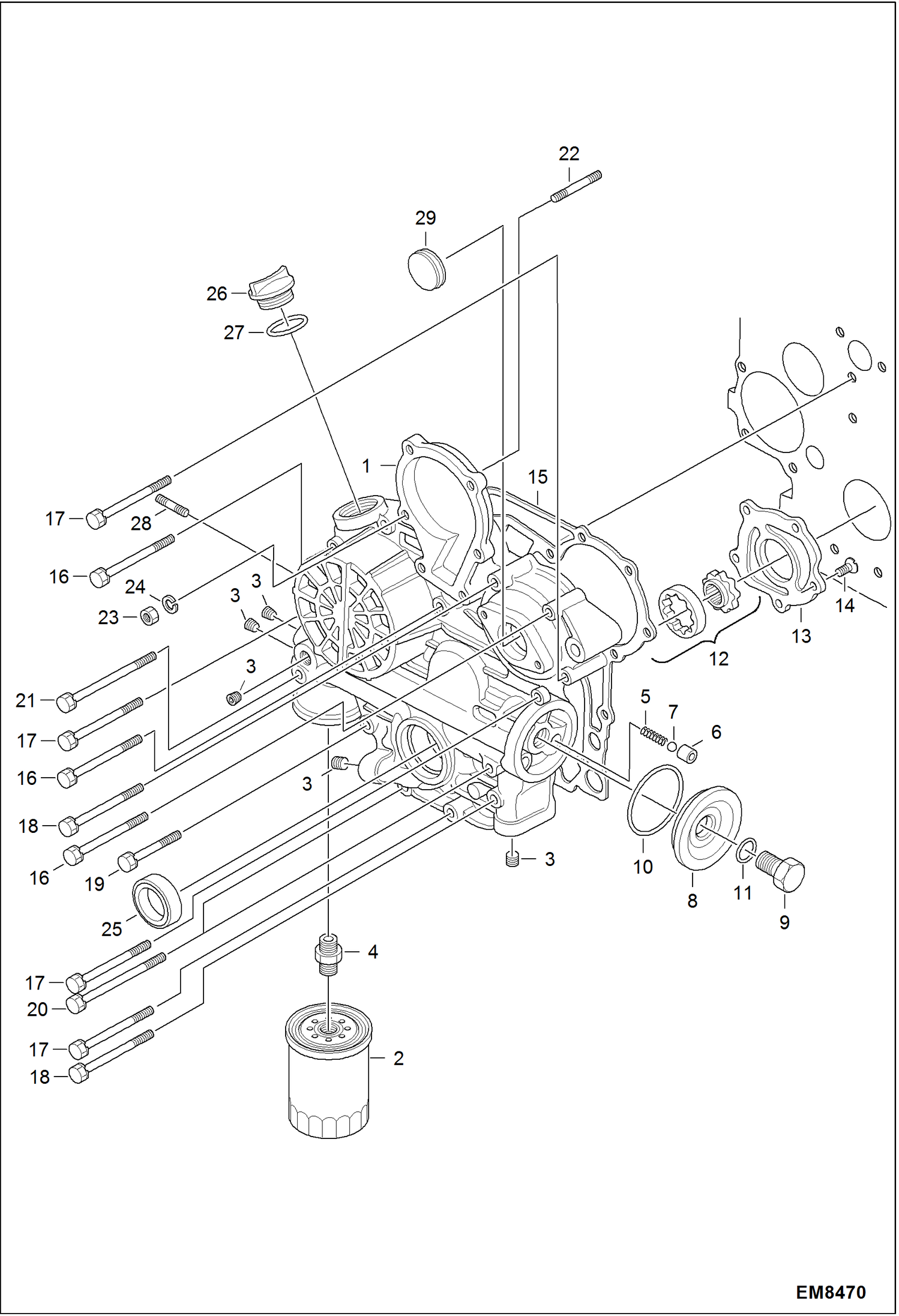
КАРТЕР КОРОБКИ ПЕРЕДАЧ

КАРТЕР КОРОБКИ ПЕРЕДАЧ

1Артикул: 6692540, COMP. CASE, GEAR Ref. 3-14
2Артикул: 6657635, FILTER, OIL ENG
3Артикул: 6672360, PLUG
Подробнее >
РЕГУЛЯТОР ОБОРОТОВ

РЕГУЛЯТОР ОБОРОТОВ

1Артикул: 6691318, SPRING
2Артикул: 6657685, SPRING
3Артикул: 6698616, COVER, SHAFT Was 6657573 - A
Подробнее >
ТОПЛИВНЫЙ РАСПРЕДЕЛИТЕЛЬНЫЙ ВАЛ И ВАЛ РЕГУЛЯТОРА ОБОРОТОВ

ТОПЛИВНЫЙ РАСПРЕДЕЛИТЕЛЬНЫЙ ВАЛ И ВАЛ РЕГУЛЯТОРА ОБОРОТОВ

1Артикул: 6691309, CAMSHAFT
2Артикул: 6686175, BEARING
3Артикул: 6686176, BEARING
Подробнее >
КРЫШКА КОРОМЫСЛА КЛАПАНА

КРЫШКА КОРОМЫСЛА КЛАПАНА

1Артикул: 6698620, COVER, HEAD CYL ENG W/Ref. 3-8 - Was 6691299 - A
2Артикул: 6686171, CLAMP
3Артикул: 6686167, SHIELD
Подробнее >
РАСПРЕДЕЛИТЕЛЬНЫЙ ВАЛ И ПРОМЕЖУТОЧНЫЙ ВАЛ

РАСПРЕДЕЛИТЕЛЬНЫЙ ВАЛ И ПРОМЕЖУТОЧНЫЙ ВАЛ

1Артикул: 6691307, TAPPET
2Артикул: 6657515, PUSH ROD
3Артикул: 1CM616, SCREW Was 4CM616 - A
Подробнее >
ВОЗДУШНЫЙ ФИЛЬТР

ВОЗДУШНЫЙ ФИЛЬТР

1Артикул: 6689585, FILTER AIR Ref. 2-6
2Артикул: 6690907, PRIMARY ELEMENT
3Артикул: 7020361, SAFETY ELEMENT Was 6690908 - A
Подробнее >
КЛАПАНЫ И КОРОМЫСЛО КЛАПАНА

КЛАПАНЫ И КОРОМЫСЛО КЛАПАНА

1Артикул: 6657495, VALVE
2Артикул: 6657496, VALVE
3Артикул: 6657630, SPRING
Подробнее >
СИСТЕМА ОХЛАЖДЕНИЯ

СИСТЕМА ОХЛАЖДЕНИЯ

1Артикул: SEAL,, SEAL, GRILL NLA - 724 mm (28.50--) long - Order Ref. 40
2Артикул: 6689178, FAN COOLING
3Артикул: 6690594, EXCHANGE WTR COOLER
Подробнее >
УСТРОЙСТВО РЕГУЛИРОВАНИЯ ОБОРОТОВ ДВИГАТЕЛЯ

УСТРОЙСТВО РЕГУЛИРОВАНИЯ ОБОРОТОВ ДВИГАТЕЛЯ

1Артикул: 6564452, GRIP
2Артикул: 6567962, WASHER
3Артикул: 6576261, COVER
Подробнее >
КОМПЛЕКТЫ ПРОКЛАДОК ДВИГАТЕЛЯ

КОМПЛЕКТЫ ПРОКЛАДОК ДВИГАТЕЛЯ

1Артикул: 6692948, ENG, V1505 35.5 HP EPA T2 / EU STG II
2Артикул: 6692948REM, ENGINE, KUBOTA V1505 STAGE IIIA
3Артикул: 6698619, KIT, GASKET ENG UPPER See Illustration UPPER GASKET KIT/ NA6298
Подробнее >
ДВИГАТЕЛЬ И КРЕПЕЖНЫЕ ДЕТАЛИ (СИСТЕМА ПОДАЧИ ТОПЛИВА)

ДВИГАТЕЛЬ И КРЕПЕЖНЫЕ ДЕТАЛИ (СИСТЕМА ПОДАЧИ ТОПЛИВА)

1Артикул: 6553411, BUSHING
2Артикул: 6578278, PAD Was 7156723 - B
3Артикул: 6598908, ELBOW Was 6553412 - A
Подробнее >
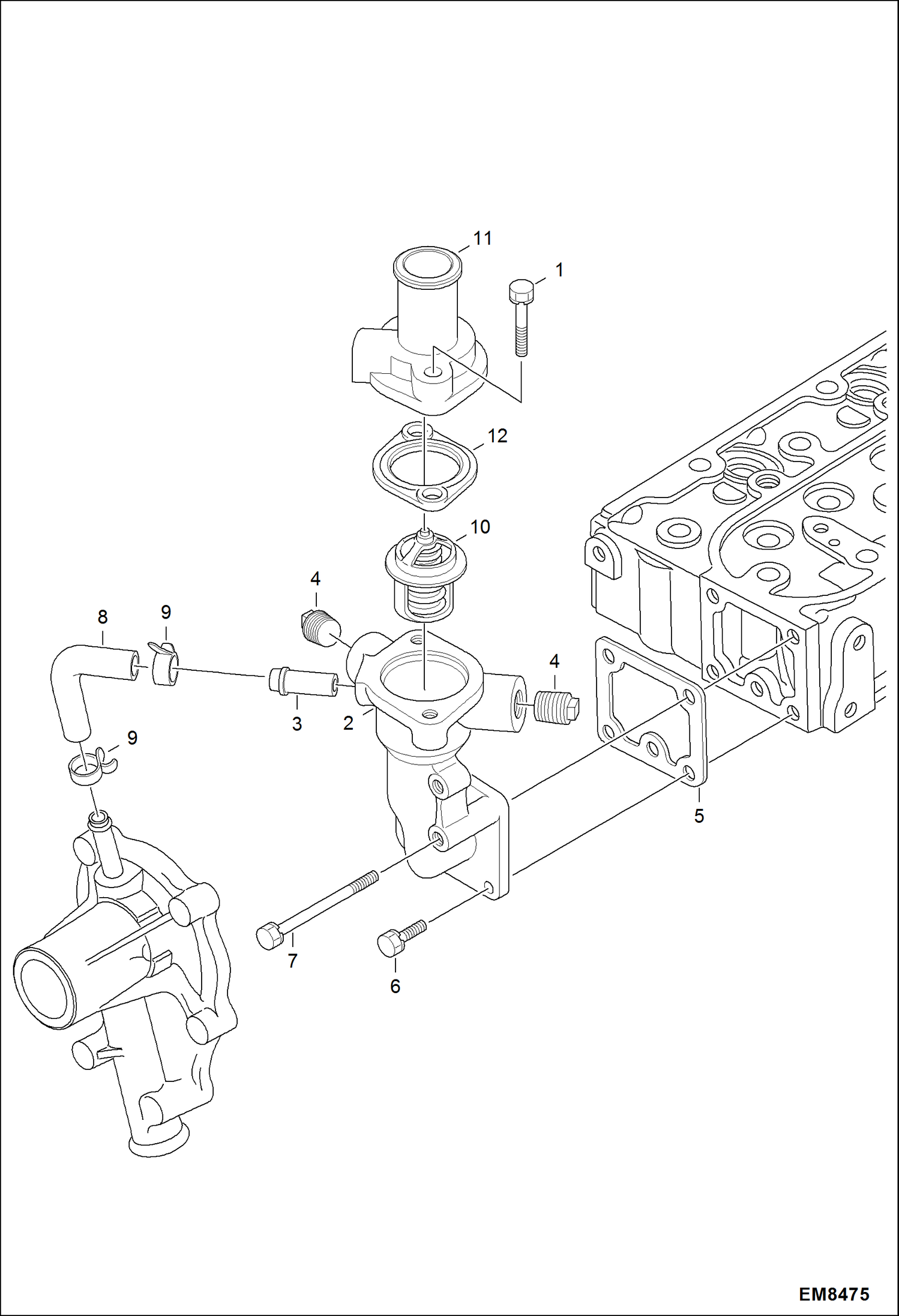
ВОДЯНОЙ ФЛАНЕЦ И ТЕРМОСТАТ

ВОДЯНОЙ ФЛАНЕЦ И ТЕРМОСТАТ

1Артикул: 1CM835, BOLT
2Артикул: 6672482, FLANGE W/Ref. 3
3Артикул: 6670785, PIPE
Подробнее >
КОМПЛЕКТ ПРОКЛАДОК ВЕРХНЕЙ ЧАСТИ

КОМПЛЕКТ ПРОКЛАДОК ВЕРХНЕЙ ЧАСТИ

1Артикул: 6698619, KIT, GASKET ENG UPPER Ref. 2-12
2Артикул: 6657514, GASKET See Illustration ROCKER ARM COVER/ EM8481 - valve cover
3Артикул: 6683009, O-RING See Illustration ROCKER ARM COVER/ EM8481 - oil filler cap
Подробнее >
ТОПЛИВНАЯ СИСТЕМА И НАСОС ВПРЫСКА

ТОПЛИВНАЯ СИСТЕМА И НАСОС ВПРЫСКА

1Артикул: 6657598, JOINT
2Артикул: 6691314, PUMP Ref. 3-7
3Артикул: PUMP, PUMP NLA - Order Ref. 2
Подробнее >
ДВИГАТЕЛЬ И КРЕПЕЖНЫЕ ДЕТАЛИ (СИСТЕМА РЕМНЕЙ ПРИВОДА И КРЕПЛЕНИЕ ДВИГАТЕЛЯ)

ДВИГАТЕЛЬ И КРЕПЕЖНЫЕ ДЕТАЛИ (СИСТЕМА РЕМНЕЙ ПРИВОДА И КРЕПЛЕНИЕ ДВИГАТЕЛЯ)

1Артикул: 6624289, STRAP, TIE
2Артикул: 6688383, DAMPER VIBRATION
3Артикул: ENGINE, ENGINE V1505 KUBOTA See Illustration ENGINE & GASKET KITS/ EM9051
Подробнее >
ДВИГАТЕЛЬ И КРЕПЕЖНЫЕ ДЕТАЛИ (ВОЗДУХООЧИСТИТЕЛЬ И ГЛУШИТЕЛЬ)

ДВИГАТЕЛЬ И КРЕПЕЖНЫЕ ДЕТАЛИ (ВОЗДУХООЧИСТИТЕЛЬ И ГЛУШИТЕЛЬ)

1Артикул: 6505813, CONNECTOR
2Артикул: 6515007, GAUGE
3Артикул: 6689585, FILTER AIR See Illustration AIR CLEANER/ EM7953
Подробнее >
КОЛЛЕКТОР

КОЛЛЕКТОР

1Артикул: 6657591, NUT
2Артикул: 6691327, MANIFOLD W/Ref. 3-4
3Артикул: 6680689, ADAPTER
Подробнее >
КАРТЕР ДВИГАТЕЛЯ

КАРТЕР ДВИГАТЕЛЯ

1Артикул: 6691292, BLOCK ENGINE Ref. 2-21
2Артикул: 6657431, CAP
3Артикул: 3974433, PLUG
Подробнее >
ПОРШЕНЬ, КОЛЕНЧАТЫЙ ВАЛ И ОСНОВНОЙ КОРПУС ПОДШИПНИКА

ПОРШЕНЬ, КОЛЕНЧАТЫЙ ВАЛ И ОСНОВНОЙ КОРПУС ПОДШИПНИКА

1Артикул: 6698613, PISTON, ENG standard (16060-2111)
2Артикул: 6689940, PISTON +0,50 mm (16060-2111 OS50)
3Артикул: 6680494, RING ASSY standard
Подробнее >
ДЕРЖАТЕЛЬ ФОРСУНКИ И ЗАПАЛЬНАЯ СВЕЧА

ДЕРЖАТЕЛЬ ФОРСУНКИ И ЗАПАЛЬНАЯ СВЕЧА

1Артикул: 6657636, ASSY PIPE
2Артикул: 6657446, SCREW
3Артикул: 3974972, GASKET
Подробнее >
МАСЛЯНЫЙ ПОДДОН

МАСЛЯНЫЙ ПОДДОН

1Артикул: 6692537, COMP. OIL PAN
2Артикул: 1CM614, SCREW Was 4CM614 - A
3Артикул: 6667421, BOLT
Подробнее >
ТАБЛИЧКА РЕГУЛЯТОРА СКОРОСТИ

ТАБЛИЧКА РЕГУЛЯТОРА СКОРОСТИ

1Артикул: 6680501, PLATE ASSY W/Ref. 2-12, 20-22 - A
2Артикул: 6657655, LEVER
3Артикул: 6657577, LEVER
Подробнее >
КОМПЛЕКТ НИЖНИХ ПРОКЛАДОК

КОМПЛЕКТ НИЖНИХ ПРОКЛАДОК

1Артикул: 6698637, KIT, GASKET ENG LOWER Ref. 2-18
2Артикул: 3974095, GASKET, METAL See Illustration CRANKCASE/ EM8466
3Артикул: 3974972, GASKET
Подробнее >
ХОЛОСТОЙ ХОД АППАРАТА И СОЛЕНОИД ОСТАНОВА

ХОЛОСТОЙ ХОД АППАРАТА И СОЛЕНОИД ОСТАНОВА

1Артикул: 6681683, ASSEMBLY IDLE W/Ref. 2-6
2Артикул: 6657608, ASSY BOLT W/Ref. 3, 12-13
3Артикул: 6657459, NUT
Подробнее >
ГОЛОВКА БЛОКА ЦИЛИНДРОВ

ГОЛОВКА БЛОКА ЦИЛИНДРОВ

1Артикул: 3974882, HOOK
2Артикул: 6667420, BOLT
3Артикул: 6692539, COMP. CYLINDER HEAD W/Ref. 4-8
Подробнее >
ВОДЯНАЯ ПОМПА

ВОДЯНАЯ ПОМПА

1Артикул: 6680278, WATER PUMP Ref. 2-6 & 10
2Артикул: HOUSING, HOUSING NLA - Order Ref. 1
3Артикул: 6657612, BEARING
Подробнее >