+7 (701) 588 50 05 Телефон для связи
RU

WhatsApp

Позвонить

ЗАПЧАСТИ ДВИГАТЕЛЯ в Алматы

КРЫШКА КОРОМЫСЛА КЛАПАНА

КРЫШКА КОРОМЫСЛА КЛАПАНА

1Артикул: 6686166, COVER W/Ref. 2-8
2Артикул: 6672365, GASKET Was 7207541 - A
3Артикул: 6655880, PIPE
Подробнее >
ВОЗДУШНЫЙ ФИЛЬТР

ВОЗДУШНЫЙ ФИЛЬТР

1Артикул: 6670851, AIR CLEANER W/Ref. 2 - 7
2Артикул: TANK, TANK NLA
3Артикул: 6672467, FILTER, AIR OUTER outer
Подробнее >
ТОПЛИВНЫЙ РАСПРЕДЕЛИТЕЛЬНЫЙ ВАЛ

ТОПЛИВНЫЙ РАСПРЕДЕЛИТЕЛЬНЫЙ ВАЛ

1Артикул: 6672379, CAMSHAFT fuel
2Артикул: 6686175, BEARING
3Артикул: 6686176, BEARING
Подробнее >
КАРТЕР КОРОБКИ ПЕРЕДАЧ

КАРТЕР КОРОБКИ ПЕРЕДАЧ

1Артикул: 6691298, CASE W/Ref. 2 - 10
2Артикул: 6672360, PLUG
3Артикул: 15EM180, WASHER
Подробнее >
ГОЛОВКА БЛОКА ЦИЛИНДРОВ

ГОЛОВКА БЛОКА ЦИЛИНДРОВ

1Артикул: 3974882, HOOK lift
2Артикул: 6667420, BOLT
3Артикул: 7001438, HEAD, CYL ENG W/Ref. 4 - 8 - Was 6687907 - B,D
Подробнее >
ДЕРЖАТЕЛЬ ФОРСУНКИ

ДЕРЖАТЕЛЬ ФОРСУНКИ

1Артикул: 6687911, HOLDER Ref. 2-13
2Артикул: NOZZLE, NOZZLE FUEL INJECTION NLA - Use 6687911 - Was 6687911REM - A
3Артикул: 6672408, NUT
Подробнее >
ВОДЯНАЯ ПОМПА

ВОДЯНАЯ ПОМПА

1Артикул: 6680278, WATER PUMP W/Ref. 2 - 6
2Артикул: 6680279, FLANGE
3Артикул: 6657612, BEARING
Подробнее >
УСТАНОВКА ГЕНЕРАТОРА ПЕРЕМЕННОГО ТОКА

УСТАНОВКА ГЕНЕРАТОРА ПЕРЕМЕННОГО ТОКА

1Артикул: ENGINE, ENGINE See Illustration ENGINE/ B17086
2Артикул: 6571857, BELT, ALT alternator
3Артикул: 1CM614, SCREW
Подробнее >
РЕГУЛЯТОР ОБОРОТОВ

РЕГУЛЯТОР ОБОРОТОВ

1Артикул: 6672397, SPRING
2Артикул: 6657685, SPRING
3Артикул: 6686179, LEVER ASSY W/Ref. 4 - 17
Подробнее >
НАСОС ВПРЫСКА И ТОПЛИВНЫЙ НАСОС

НАСОС ВПРЫСКА И ТОПЛИВНЫЙ НАСОС

1Артикул: 6657598, JOINT
2Артикул: 6672388, TUBE
3Артикул: 6680274, CLAMP
Подробнее >
КОМПЛЕКТ НИЖНИХ ПРОКЛАДОК

КОМПЛЕКТ НИЖНИХ ПРОКЛАДОК

1Артикул: 6692561, ENG, D1005 23.5 HP EPA T4 / STG IV
2Артикул: 6692561REM, ENGINE, D1005-E3B-BC-3
3Артикул: 6698637, KIT, GASKET ENG LOWER
Подробнее >
РАСПРЕДВАЛ

РАСПРЕДВАЛ

1Артикул: 6691307, TAPPET
2Артикул: 6657515, PUSH ROD
3Артикул: 6969896, ASSY CAMSHAFT
Подробнее >
ВОДЯНОЙ ФЛАНЕЦ И ТЕРМОСТАТ

ВОДЯНОЙ ФЛАНЕЦ И ТЕРМОСТАТ

1Артикул: 6672482, FLANGE W/Ref. 2
2Артикул: 6670785, PIPE
3Артикул: 6684857, PLUG
Подробнее >
ДВИГАТЕЛЬ И КРЕПЕЖНЫЕ ДЕТАЛИ (ВХОДНОЕ ОТВЕРСТИК И ВЫХЛОПНОЙ КОЛЛЕКТОР)

ДВИГАТЕЛЬ И КРЕПЕЖНЫЕ ДЕТАЛИ (ВХОДНОЕ ОТВЕРСТИК И ВЫХЛОПНОЙ КОЛЛЕКТОР)

1Артикул: 6731667, HOSE
2Артикул: 6678765, NUT
3Артикул: 6515007, GAUGE
Подробнее >
ДВИГАТЕЛЬ И КРЕПЕЖНЫЕ ДЕТАЛИ (СИСТЕМА ОХЛАЖДЕНИЯ В СБОРЕ)

ДВИГАТЕЛЬ И КРЕПЕЖНЫЕ ДЕТАЛИ (СИСТЕМА ОХЛАЖДЕНИЯ В СБОРЕ)

1Артикул: 7009566, EXCHANGER, WATER RADIATOR W/Ref. 31, 32, 2 & 30 - Was 6678820 - A
2Артикул: 6682274, CAP for exchanger W/ 30,23 mm (1.19--) dia cap hole
3Артикул: 7028463, CAP, RADIATOR for exchanger W/ 41,28 mm (1.63--) dia cap hole
Подробнее >
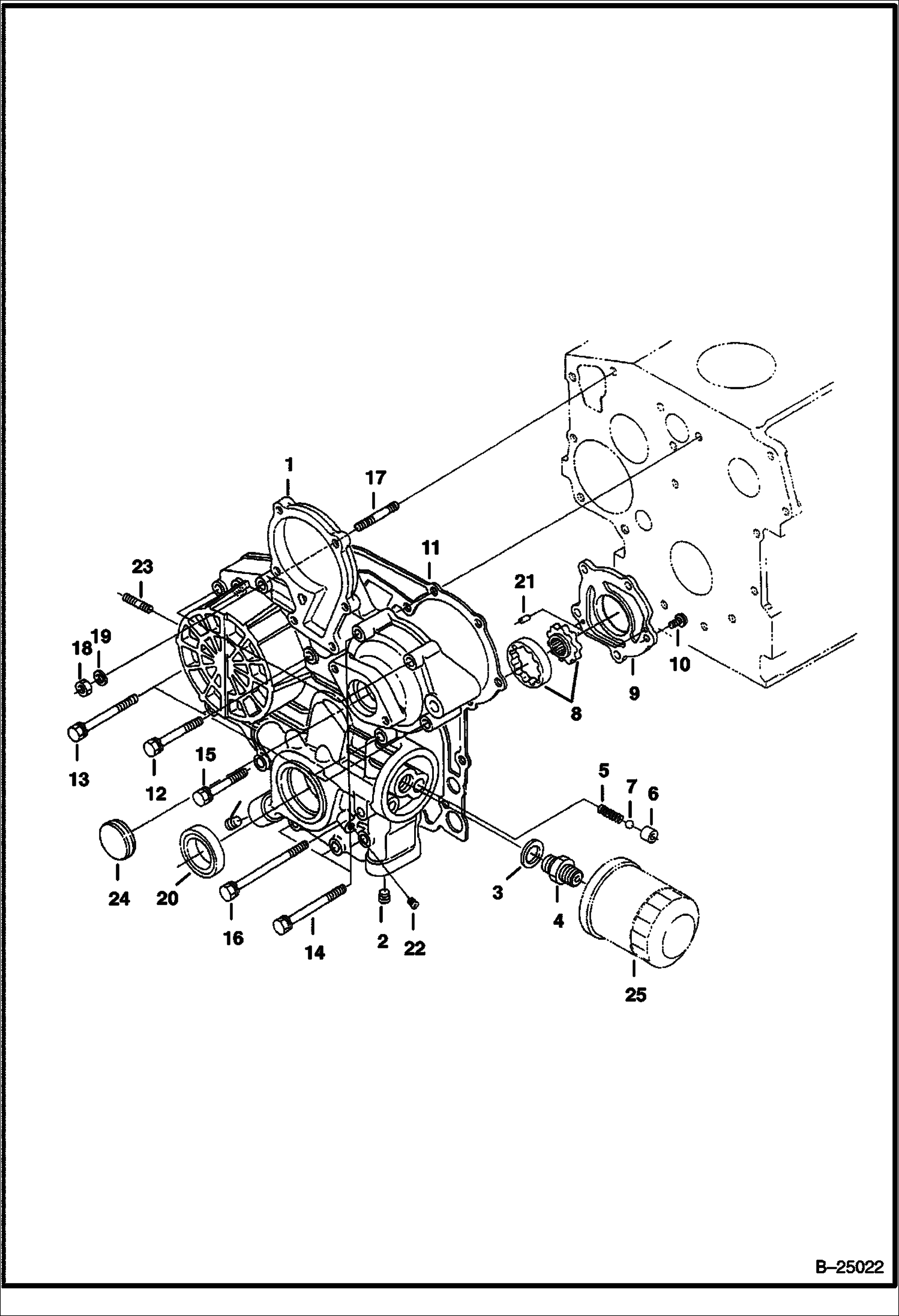
КАРТЕР ДВИГАТЕЛЯ

КАРТЕР ДВИГАТЕЛЯ

1Артикул: 7000289, BLOCK ENGINE W/Ref. 2 - 20
2Артикул: 6657431, CAP sealing
3Артикул: 3974433, PLUG sealing
Подробнее >
ВХОДНОЕ ОТВЕРСТИЕ И ВЫХЛОПНЫЕ ТРУБОПРОВОДЫ ДВИГАТЕЛЯ

ВХОДНОЕ ОТВЕРСТИЕ И ВЫХЛОПНЫЕ ТРУБОПРОВОДЫ ДВИГАТЕЛЯ

1Артикул: 6686502, MANIFOLD EXHAUST Exhaust
2Артикул: 6672441, GASKET
3Артикул: 6657590, STUD
Подробнее >
РЫЧАГ ОСТАНОВА ДВИГАТЕЛЯ

РЫЧАГ ОСТАНОВА ДВИГАТЕЛЯ

1Артикул: 6672382, IDLING ASSY
2Артикул: 7000291, BOLT, ADJUSMENT ASSY Ref. 3-5
3Артикул: BOLT,, BOLT, ADJUSTING NSS - Order Ref. 2
Подробнее >
МАСЛЯНЫЙ ПОДДОН

МАСЛЯНЫЙ ПОДДОН

1Артикул: 6687902, OIL PAN
2Артикул: 7000302, BOLT
3Артикул: 6698636, SCREEN, OIL ENG Was 6687903 - A
Подробнее >
ДВИГАТЕЛЬ

ДВИГАТЕЛЬ

1Артикул: 6692561, ENG, D1005 23.5 HP EPA T4 / STG IV
2Артикул: 6692561REM, ENGINE, D1005-E3B-BC-3
3Артикул: 7000290, KIT, GASKET ENG UPPER
Подробнее >
ФОРСУНКИ

ФОРСУНКИ

1Артикул: 6672404, PIPE ASSY
2Артикул: 6657446, SCREW
3Артикул: 3974972, GASKET
Подробнее >
ДВИГАТЕЛЬ И КОМПЛЕКТ ДЕТАЛЕЙ ВЕРХНЕГО УПЛОТНИТЕЛЬНОГО КОЛЬЦА

ДВИГАТЕЛЬ И КОМПЛЕКТ ДЕТАЛЕЙ ВЕРХНЕГО УПЛОТНИТЕЛЬНОГО КОЛЬЦА

1Артикул: 6692561, ENG, D1005 23.5 HP EPA T4 / STG IV
2Артикул: 6692561REM, ENGINE, D1005-E3B-BC-3
3Артикул: 7000290, KIT, GASKET ENG UPPER Ref. 3-12
Подробнее >
ДРОССЕЛЬНАЯ ЗАСЛОНКА

ДРОССЕЛЬНАЯ ЗАСЛОНКА

1Артикул: 6578268, BELLCRANK
2Артикул: 6733284, ROD
3Артикул: 62D4, NUT
Подробнее >
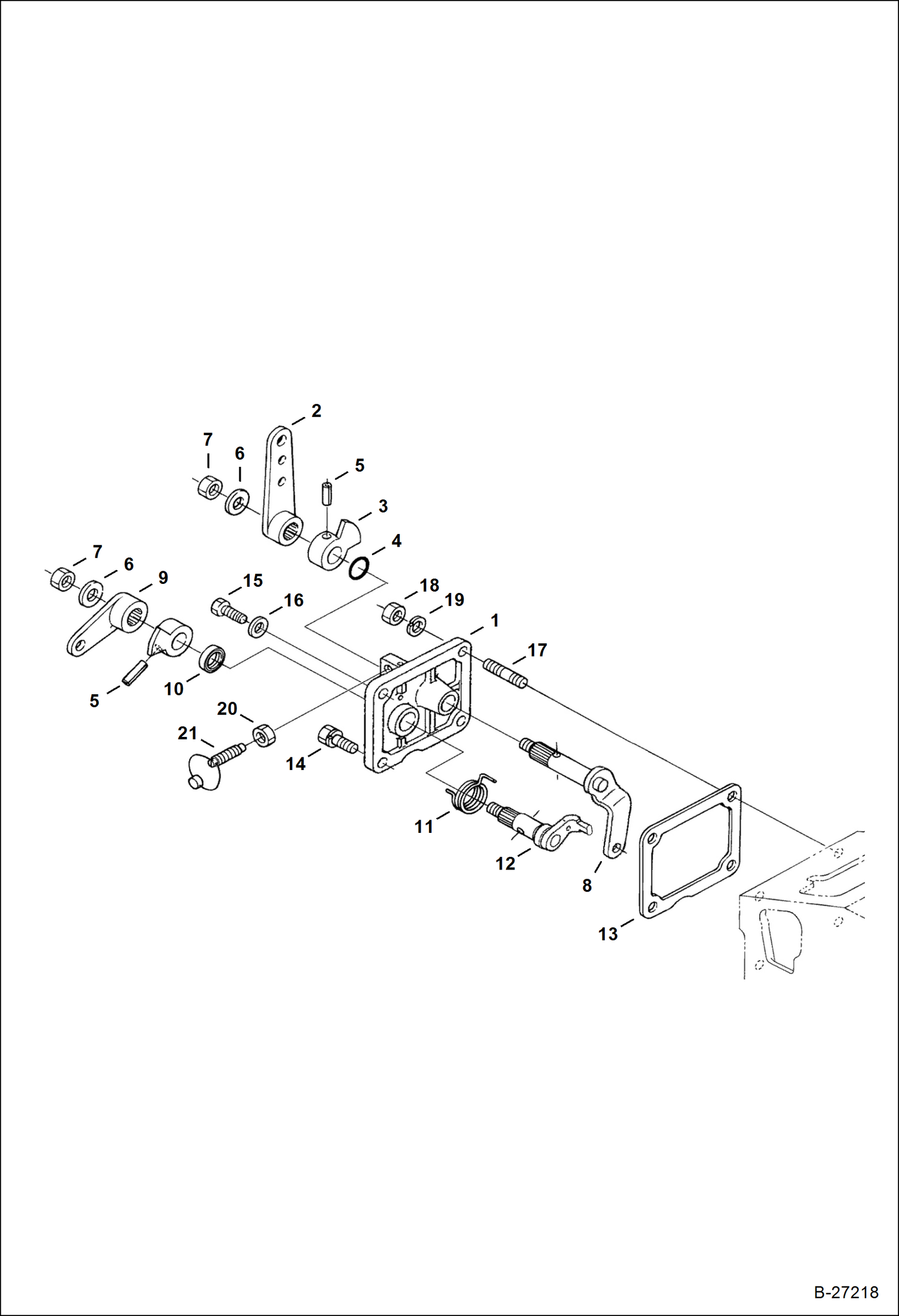
ТАБЛИЧКА РЕГУЛЯТОРА СКОРОСТИ

ТАБЛИЧКА РЕГУЛЯТОРА СКОРОСТИ

1Артикул: 6680501, PLATE ASSY W/Ref. 2-12
2Артикул: 6657655, LEVER
3Артикул: 6657577, LEVER
Подробнее >
КОРОМЫСЛО КЛАПАНА И КЛАПАНЫ

КОРОМЫСЛО КЛАПАНА И КЛАПАНЫ

1Артикул: 6657495, VALVE intake
2Артикул: 6657496, VALVE exhaust
3Артикул: 6657630, SPRING
Подробнее >
ПОРШНИ И КОЛЕНВАЛ

ПОРШНИ И КОЛЕНВАЛ

1Артикул: 6672373, PISTON std (16050-2111)
2Артикул: 6672374, PISTON +.50 mm (16050-2112 OS50)
3Артикул: 6672375, RING ASSY standard
Подробнее >
ДВИГАТЕЛЬ И КРЕПЕЖНЫЕ ДЕТАЛИ (РЕМЕНЬ ПРИВОДА И ДВИГАТЕЛЬ И КРЕПЛЕНИЕ НАСОСА)

ДВИГАТЕЛЬ И КРЕПЕЖНЫЕ ДЕТАЛИ (РЕМЕНЬ ПРИВОДА И ДВИГАТЕЛЬ И КРЕПЛЕНИЕ НАСОСА)

1Артикул: ENGINE, ENGINE See Illustration ENGINE/ B17086
2Артикул: PUMP, PUMP See Illustration HYDROSTATIC PUMP/ MS2621
3Артикул: STARTER, STARTER See Illustration STARTER/ D2396
Подробнее >