+7 (701) 588 50 05 Телефон для связи
RU

WhatsApp

Позвонить

ЗАПЧАСТИ ДВИГАТЕЛЯ в Алматы

УСТРОЙСТВО УПРАВЛЕНИЯ РЕГУЛЯТОРА ОБОРОТОВ

УСТРОЙСТВО УПРАВЛЕНИЯ РЕГУЛЯТОРА ОБОРОТОВ

1Артикул: 6516610, SPRING
2Артикул: 17C410, BOLT 10
3Артикул: 4E4, WASHER
Подробнее >
ДРОССЕЛЬНАЯ ЗАСЛОНКА И ВОЗДУШНАЯ ЗАСЛОНКА(СЕРИЙНЫЙ НОМЕР 12001 И ВЫШЕ)

ДРОССЕЛЬНАЯ ЗАСЛОНКА И ВОЗДУШНАЯ ЗАСЛОНКА(СЕРИЙНЫЙ НОМЕР 12001 И ВЫШЕ)

1Артикул: 85D6, NUT, 5
2Артикул: 61D6, NUT 5
3Артикул: 6505623, WASHER
Подробнее >
РАСПРЕДЕЛИТЕЛЬНОЕ УСТРОЙСТВО (PRESTOLITE IAD-6004-2P) (ДВИГАТЕЛЬ СЕРИЙНЫЙ НОМЕР 6164220 И НИЖЕ)

РАСПРЕДЕЛИТЕЛЬНОЕ УСТРОЙСТВО (PRESTOLITE IAD-6004-2P) (ДВИГАТЕЛЬ СЕРИЙНЫЙ НОМЕР 6164220 И НИЖЕ)

1Артикул: 6665209, DISTRIBUTOR Was 6516555 - A
2Артикул: 870925, CAP distributor
3Артикул: 957791, ROTOR
Подробнее >
РАСПРЕДЕЛИТЕЛЬНОЕ УСТРОЙСТВО (ПОВЫШЕННОЙ НАДЕЖНОСТИ - ДВИГАТЕЛЬ СЕРИЙНЫЙ НОМЕР 6193828 И ВЫШЕ)

РАСПРЕДЕЛИТЕЛЬНОЕ УСТРОЙСТВО (ПОВЫШЕННОЙ НАДЕЖНОСТИ - ДВИГАТЕЛЬ СЕРИЙНЫЙ НОМЕР 6193828 И ВЫШЕ)

1Артикул: 6665209, DISTRIBUTOR
2Артикул: 6660470, CAP
3Артикул: 6660471, ROTOR W/Ref. 6
Подробнее >
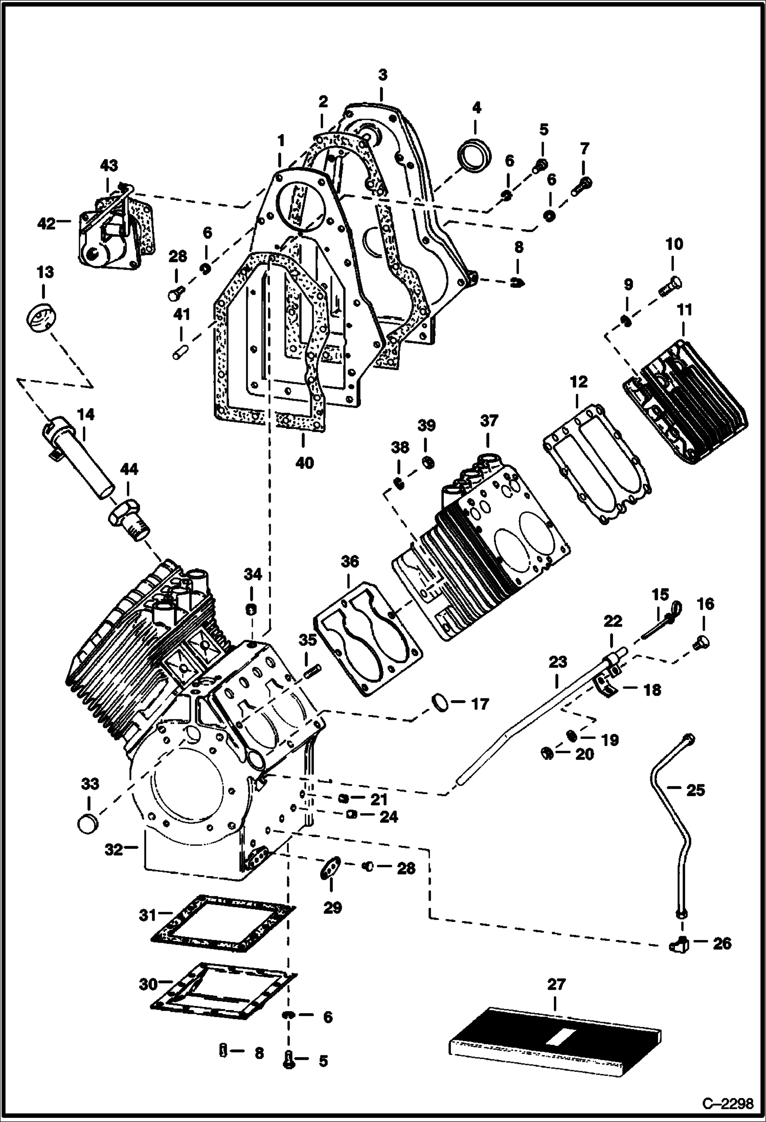
ВНУТРЕННИЕ ДЕТАЛИ

ВНУТРЕННИЕ ДЕТАЛИ

1Артикул: RING, RING SET See BTI183 NLA - std - 3 ring - complete set - Was 6512149 - A
2Артикул: 6512150, RINGS See BTI183 .010 - 3 ring - complete set
3Артикул: 6512151, RINGS See BTI183 .020 - 3 ring - complete set
Подробнее >
ДВИГАТЕЛЬ И БАНДАЖИРОВАНИЕ

ДВИГАТЕЛЬ И БАНДАЖИРОВАНИЕ

1Артикул: SHROUD, SHROUD NLA - flywheel - Was 6510091 - A
2Артикул: 6513496, RING
3Артикул: 6516359, CAP
Подробнее >
РАСПРЕДЕЛИТЕЛЬНОЕ УСТРОЙСТВО (COLT) (ДВИГАТЕЛЬ СЕРИЙНЫЙ НОМЕР 6164221 И ВЫШЕ)

РАСПРЕДЕЛИТЕЛЬНОЕ УСТРОЙСТВО (COLT) (ДВИГАТЕЛЬ СЕРИЙНЫЙ НОМЕР 6164221 И ВЫШЕ)

1Артикул: DISTRIBUTOR, DISTRIBUTOR See Illustration DISTRIBUTOR/ B18079 NLA - ORDER 6665209 DISTRIBUTOR - WAS 6634241 - A
2Артикул: CAP, CAP AND ROTOR NLA - W/Ref. 3 - Was 6634242 - A
3Артикул: ROTOR, ROTOR NLA - Was 6634243 - A
Подробнее >
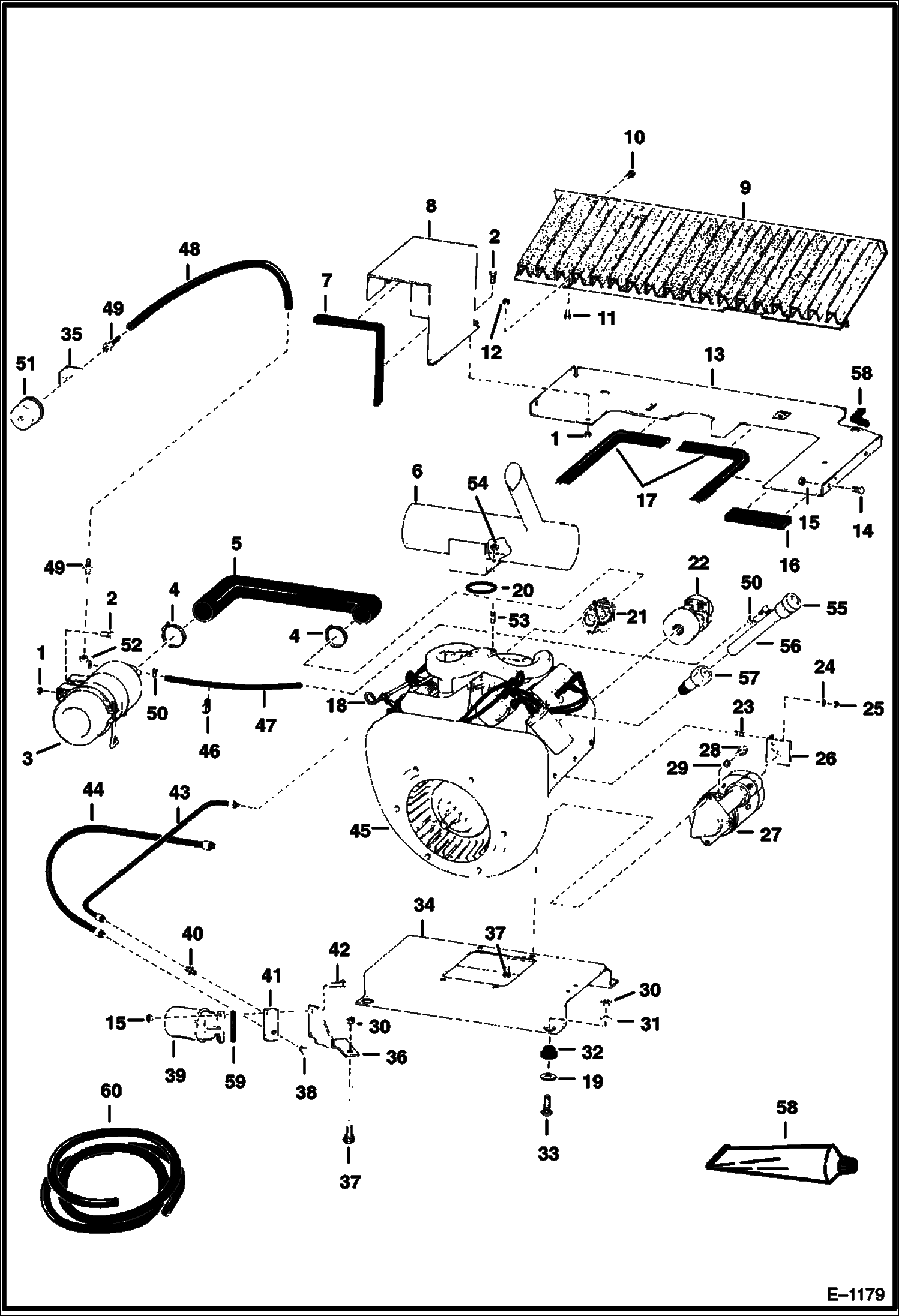
ТОПЛИВНЫЙ НАСОС, КАРБЮРАТОР И КОЛЛЕКТОР

ТОПЛИВНЫЙ НАСОС, КАРБЮРАТОР И КОЛЛЕКТОР

1Артикул: 4E5, WASHER
2Артикул: 17C516, BOLT
3Артикул: STUD, STUD NLA - muffler mounting - Was 6560105 - A
Подробнее >
ДВИГАТЕЛЬ И КРЕПЕЖНЫЕ ДЕТАЛИ (СЕРИЙНЫЙ НОМЕР 11999 И НИЖЕ)

ДВИГАТЕЛЬ И КРЕПЕЖНЫЕ ДЕТАЛИ (СЕРИЙНЫЙ НОМЕР 11999 И НИЖЕ)

1Артикул: 91D5, NUT 5 Was 81D000005B - A
2Артикул: 17C512, BOLT 5
3Артикул: AIR, AIR CLEANER See Illustration AIR CLEANER/ B18080
Подробнее >
ВОЗДУШНЫЙ ФИЛЬТР

ВОЗДУШНЫЙ ФИЛЬТР

1Артикул: 6555271, AIR CLEANER Ref. 2 - 8
2Артикул: AIR, AIR CLEANER See BTI253 NLA - Ref. 2 - 9 - WAS 6544578 - A
3Артикул: TANK, TANK NSS
Подробнее >
ЦИЛИНДР И КЛАПАНЫ

ЦИЛИНДР И КЛАПАНЫ

1Артикул: 17C524, BOLT
2Артикул: 6516500, WASHER
3Артикул: 6516499, COVER plate
Подробнее >
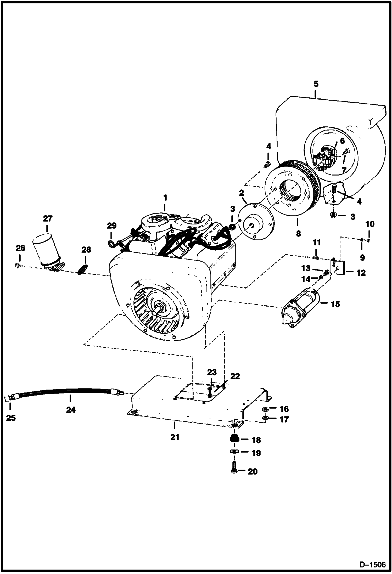
ДВИГАТЕЛЬ И КРЕПЕЖНЫЕ ДЕТАЛИ (СЕРИЙНЫЙ НОМЕР 12001 И ВЫШЕ)

ДВИГАТЕЛЬ И КРЕПЕЖНЫЕ ДЕТАЛИ (СЕРИЙНЫЙ НОМЕР 12001 И ВЫШЕ)

1Артикул: ENGINE, ENGINE See Illustration ENGINE/ B18067
2Артикул: 6560623, YOKE
3Артикул: 6512897, NUT
Подробнее >
УСТРОЙСТВО УПРАВЛЕНИЯ РЕГУЛЯТОРА ОБОРОТОВ В СБОРЕ

УСТРОЙСТВО УПРАВЛЕНИЯ РЕГУЛЯТОРА ОБОРОТОВ В СБОРЕ

1Артикул: 6513165, GOVERNOR
2Артикул: 6513396, GEAR
3Артикул: SHAFT, SHAFT NSS
Подробнее >
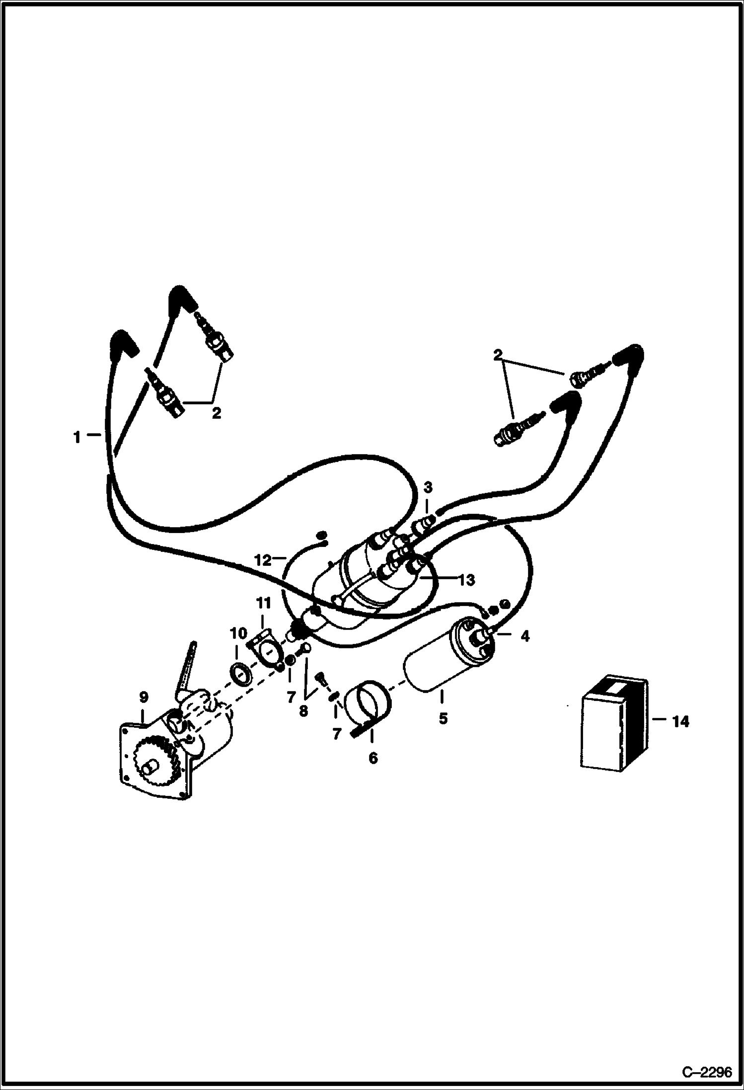
СИСТЕМА ЗАЖИГАНИЯ

СИСТЕМА ЗАЖИГАНИЯ

1Артикул: CABLE, CABLE SET NLA - Was 6513162 - A
2Артикул: 890272, SPARK PLUG-4 Was 6516429 - A
3Артикул: 6516552, CAP
Подробнее >
КАРДАННЫЙ ШАРНИР

КАРДАННЫЙ ШАРНИР

1Артикул: 6598347, U-JOINT Ref. 3-5, 11 & 14
2Артикул: 6557518, YOKE
3Артикул: 6560623, YOKE
Подробнее >
ДРОССЕЛЬНАЯ ЗАСЛОНКА И ВОЗДУШНАЯ ЗАСЛОНКА(СЕРИЙНЫЙ НОМЕР 11999 И НИЖЕ)

ДРОССЕЛЬНАЯ ЗАСЛОНКА И ВОЗДУШНАЯ ЗАСЛОНКА(СЕРИЙНЫЙ НОМЕР 11999 И НИЖЕ)

1Артикул: ROD, ROD NLA - Was 6558907 - A
2Артикул: 6519484, GROMMET
3Артикул: 6519552, KNOB
Подробнее >
МАСЛЯНЫЙ ФИЛЬТР ДВИГАТЕЛЯ

МАСЛЯНЫЙ ФИЛЬТР ДВИГАТЕЛЯ

1Артикул: 6513641, FILTER 12 Pack - Original engines were equipped with Ref. one and two - Newer replacement engines were equipped with Ref. three and four
2Артикул: BASE, BASE See BTI198 NLA - W/Ref. 1
3Артикул: P550154, LUBE FLTR 12 Sold Individually - Was 6599587 - A
Подробнее >
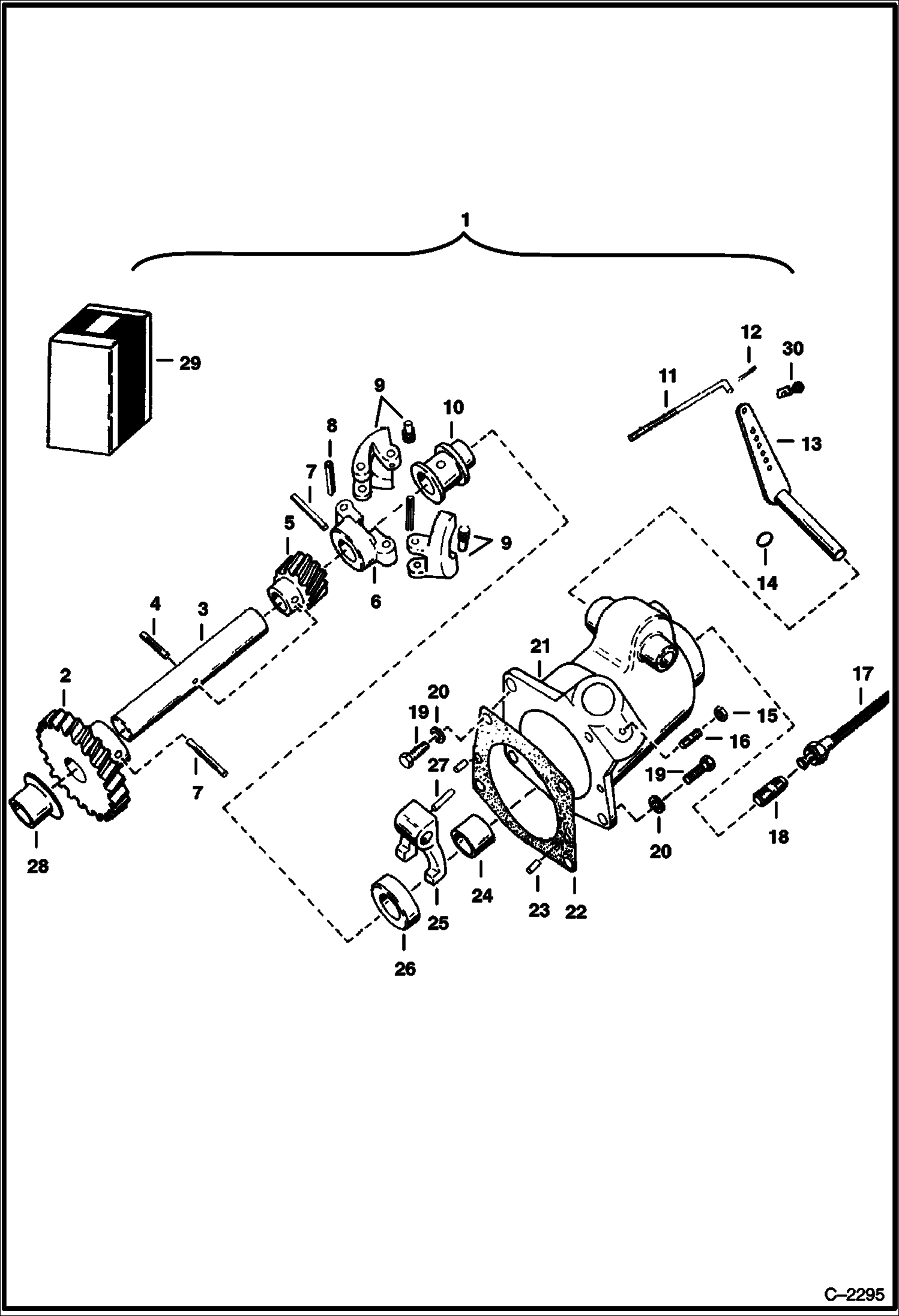
МАСЛОНАСОС ДВИГАТЕЛЯ

МАСЛОНАСОС ДВИГАТЕЛЯ

1Артикул: 6512389, PUMP Ref. 3 - 11 - Was 6513185 - A
2Артикул: 6516640, NOZZLE oil spray
3Артикул: 6J204, KEY
Подробнее >
КРИВОШИПНАЯ КОРОБКА И КРЫШКА КОРОБКИ ПЕРЕДАЧ

КРИВОШИПНАЯ КОРОБКА И КРЫШКА КОРОБКИ ПЕРЕДАЧ

1Артикул: 6513174, SPACER
2Артикул: 6513189, GASKET
3Артикул: 6513172, COVER
Подробнее >
ДВИГАТЕЛЬ (WISCONSIN)

ДВИГАТЕЛЬ (WISCONSIN)

1Артикул: ENGINE, ENGINE See BTI156 NLA
2Артикул: ENGINE, ENGINE NLA - Includes manifolds,carburetor, flywheel, starter and alternator - Order 6561062REM - Was 6561062 - A
3Артикул: ENGINE, ENGINE NLA -remanufactured - W/New Stator - Was 6561062REM - A
Подробнее >
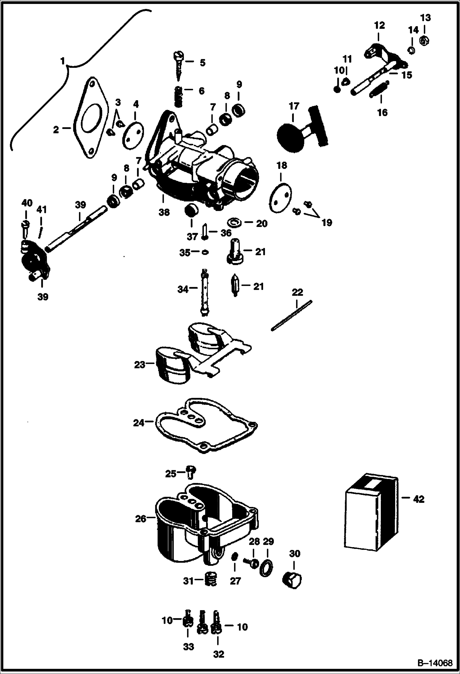
КАРБЮРАТОР (СЕРИЙНЫЙ НОМЕР 12001 И ВЫШЕ)

КАРБЮРАТОР (СЕРИЙНЫЙ НОМЕР 12001 И ВЫШЕ)

1Артикул: CARBURETOR, CARBURETOR NLA - Was 6514862 - A
2Артикул: 6513188, GASKET
3Артикул: SCREW, SCREW NSS
Подробнее >