+7 (701) 588 50 05 Телефон для связи
RU

WhatsApp

Позвонить

ЗАПЧАСТИ ДВИГАТЕЛЯ в Алматы

ВОЗДУШНЫЙ ФИЛЬТР

ВОЗДУШНЫЙ ФИЛЬТР

1Артикул: 7010245, FILTER, AIR W/Ref. 2-7
2Артикул: TANK, TANK NSS - Order Ref. 1
3Артикул: 6666375, FILTER, AIR OUTER
Подробнее >
ТОПЛИВНАЯ СИСТЕМА И НАСОС ВПРЫСКА

ТОПЛИВНАЯ СИСТЕМА И НАСОС ВПРЫСКА

1Артикул: 6698230, PUMP, INJECTION assy
2Артикул: 6698119, SHIM 0,175 mm - injection pump
3Артикул: 3974626, SHIM 0,20 mm - injection pump
Подробнее >
ВОДЯНОЙ ФЛАНЕЦ И ТЕРМОСТАТ

ВОДЯНОЙ ФЛАНЕЦ И ТЕРМОСТАТ

1Артикул: 6684854, FLANGE ASSY water - Ref. 2-6
2Артикул: FLANGE, FLANGE NSS - lower water - Order Ref. 1
3Артикул: FLANGE, FLANGE NSS - upper water - Order Ref. 1
Подробнее >
КЛАПАН И КОРОМЫСЛО КЛАПАНА

КЛАПАН И КОРОМЫСЛО КЛАПАНА

1Артикул: VALVE, VALVE NLA - intake - Order 7031256 intake valve & 7031255 valve cap - Was 6684872 - A
2Артикул: VALVE, VALVE NLA - exhaust - Order 7245897 exhaust valve & 7031255 valve cap - Was 7020386 - A
3Артикул: 3974514, SPRING 5 valve
Подробнее >
ТАБЛИЧКА РЕГУЛЯТОРА СКОРОСТИ

ТАБЛИЧКА РЕГУЛЯТОРА СКОРОСТИ

1Артикул: 6684836, BOLT, ADJUSTING assy - Ref. 2 & 3
2Артикул: 6686985, BOLT, ADJUSTING
3Артикул: 3974971, NUT
Подробнее >
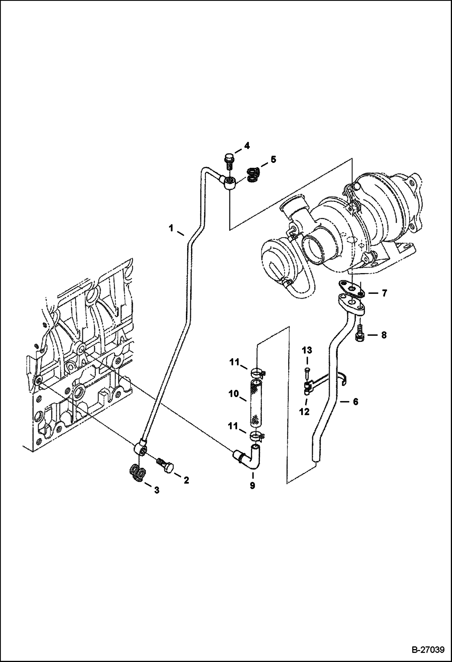
ТУРБОКОМПРЕССОР

ТУРБОКОМПРЕССОР

1Артикул: 6698229, TURBOCHARGER
2Артикул: 6698229REM, TURBOCHARGER, KUBOTA V2403
3Артикул: 6698229EF, TURBOCHARGER
Подробнее >
КРЫШКА КОРОМЫСЛА КЛАПАНА

КРЫШКА КОРОМЫСЛА КЛАПАНА

1Артикул: 6698223, TUBE, BREATHER TURBO
2Артикул: 6969996, CLAMP, HOSE
3Артикул: 7015261, COVER, ROCKER ARM W/Ref. 6-9 & 11-16
Подробнее >
КОМПЛЕКТЫ ПРОКЛАДОК ДВИГАТЕЛЯ

КОМПЛЕКТЫ ПРОКЛАДОК ДВИГАТЕЛЯ

1Артикул: 6693422, ENG, V2403MDI 48.9 HP EPA IT 4-EU STAGE model V2403-M-DI-TE3B-BC-4 - complete W/turbocharger, fuel injection pump, intake & exhaust manifolds
2Артикул: 6689014, KIT, UPPER GASKET See Illustration UPPER GASKET KIT/ NA2629 - Also Order correct cylinder head gasket
3Артикул: 7012338, KIT, GASKET ENG LOWER See Illustration LOWER GASKET KIT/ NA2628
Подробнее >
РЕГУЛЯТОР ОБОРОТОВ

РЕГУЛЯТОР ОБОРОТОВ

1Артикул: 6698233, LEVER, FORK ASSY W/Ref. 2 - 11
2Артикул: PIN, PIN NSS - Order Ref. 1
3Артикул: PIN, PIN NSS - Order Ref. 1
Подробнее >
КРЕПЕЖНЫЕ ДЕТАЛИ (ВОЗДУХООЧИСТИТЕЛЬ, ГЛУШИТЕЛЬ, КРЕПЛЕНИЕ ДВИГАТЕЛЯ)

КРЕПЕЖНЫЕ ДЕТАЛИ (ВОЗДУХООЧИСТИТЕЛЬ, ГЛУШИТЕЛЬ, КРЕПЛЕНИЕ ДВИГАТЕЛЯ)

1Артикул: 6505813, CONNECTOR
2Артикул: 6515007, GAUGE
3Артикул: STARTER, STARTER See Illustration STARTER/ D2437
Подробнее >
ВОДЯНАЯ ПОМПА

ВОДЯНАЯ ПОМПА

1Артикул: 6684865, PUMP, WATER Ref. 2 - 6
2Артикул: BODY,, BODY, WATER PUMP NSS - Order Ref. 1
3Артикул: 3974991, BEARING
Подробнее >
ФОРСУНКИ

ФОРСУНКИ

1Артикул: 6684842, PIPE, OVERFLOW
2Артикул: 6974656, TUBE ASSY, OVERFLOW W/Ref. 3
3Артикул: 6654718, CLAMP
Подробнее >
РЕДУКТОР

РЕДУКТОР

1Артикул: 7015260, HOUSING, GEAR W/Ref. 2
2Артикул: 6672360, PLUG
3Артикул: 3974395, PIN
Подробнее >
ДВИГАТЕЛЬ И КРЕПЕЖНЫЕ ДЕТАЛИ (СИСТЕМА ПОДАЧИ ТОПЛИВА)

ДВИГАТЕЛЬ И КРЕПЕЖНЫЕ ДЕТАЛИ (СИСТЕМА ПОДАЧИ ТОПЛИВА)

1Артикул: 6624289, STRAP, TIE
2Артикул: 6667170, PUMP
3Артикул: 6667353, FILTER ASSY
Подробнее >
КОЛЛЕКТОР

КОЛЛЕКТОР

1Артикул: 6684876, MANIFOLD intake
2Артикул: 6684877, GASKET intake
3Артикул: 4CM822, BOLT
Подробнее >
РЫЧАГ ОСТАНОВА ДВИГАТЕЛЯ

РЫЧАГ ОСТАНОВА ДВИГАТЕЛЯ

1Артикул: 6684825, GUIDE, SOLENOID Ref. 2 & 3
2Артикул: PLUNGER, PLUNGER NSS - Order Ref. 1
3Артикул: SPRING, SPRING NSS - Order Ref. 1
Подробнее >
ТОПЛИВНЫЙ РАСПРЕДЕЛИТЕЛЬНЫЙ ВАЛ

ТОПЛИВНЫЙ РАСПРЕДЕЛИТЕЛЬНЫЙ ВАЛ

1Артикул: 6698228, CAMSHAFT, FUEL Ref. 2-11
2Артикул: CAMSHAFT, CAMSHAFT NSS - Order Ref. 1
3Артикул: 6698110, BEARING, BALL
Подробнее >
МАСЛЯНЫЙ ПОДДОН

МАСЛЯНЫЙ ПОДДОН

1Артикул: 6655151, PAN, OIL Was 7022790 - D
2Артикул: GASKET, GASKET not used
3Артикул: 7001922, BOLT
Подробнее >
КОМПЛЕКТ НИЖНИХ ПРОКЛАДОК

КОМПЛЕКТ НИЖНИХ ПРОКЛАДОК

1Артикул: 7012338, KIT, GASKET ENG LOWER Ref. 2-21
2Артикул: 6666817, GASKET See Illustration OIL PAN/ B27082 - oil pan - not used
3Артикул: 6684754, O-RING See Illustration OIL PAN/ B27082 - oil screen
Подробнее >
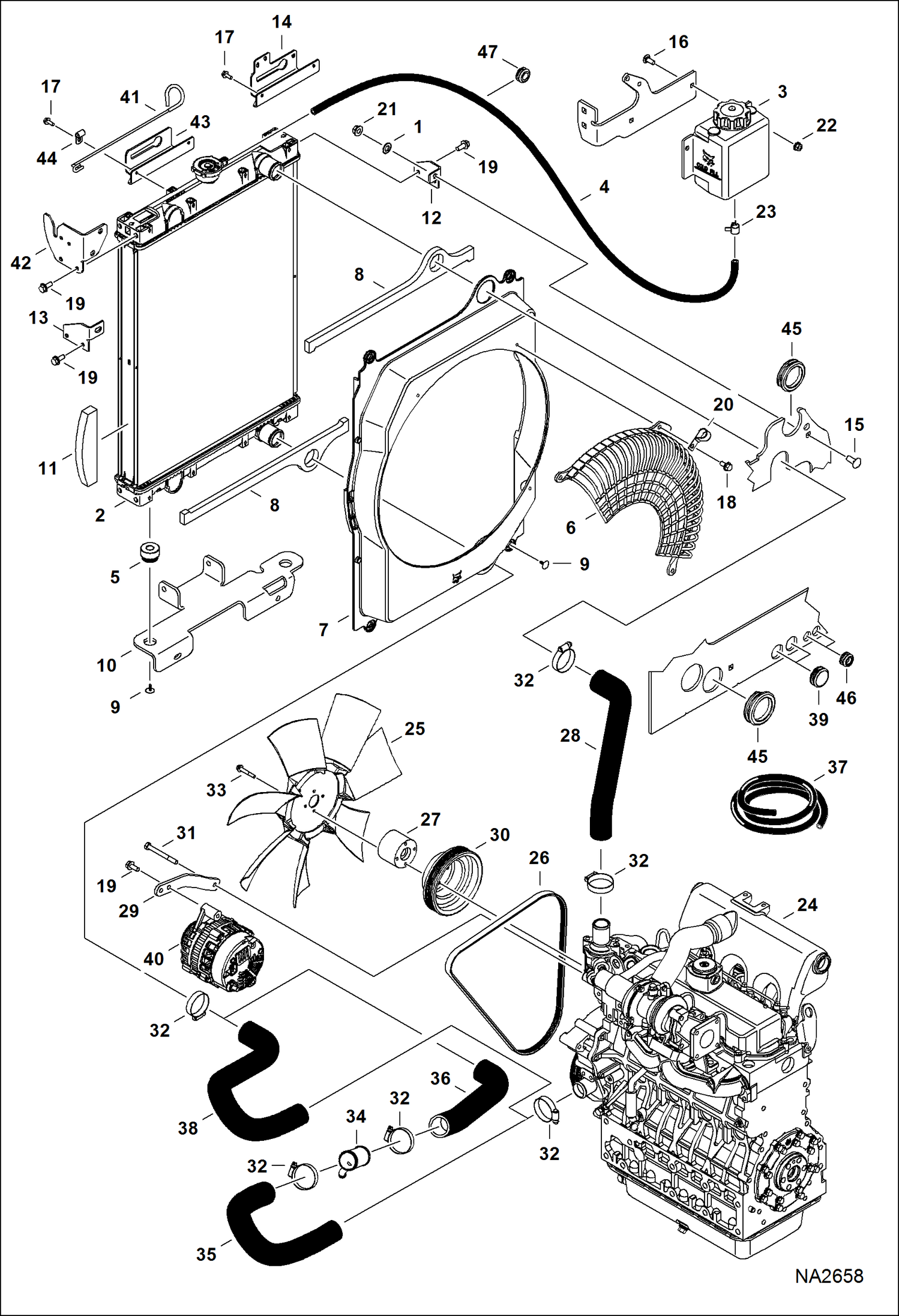
ДВИГАТЕЛЬ И КРЕПЕЖНЫЕ ДЕТАЛИ (ТЕПЛООБМЕННИК РАДИАТОРА)

ДВИГАТЕЛЬ И КРЕПЕЖНЫЕ ДЕТАЛИ (ТЕПЛООБМЕННИК РАДИАТОРА)

1Артикул: 6674264, RETAINER NUT
2Артикул: 7003475, EXCHANGER, WATER RADIATOR
3Артикул: 6646678, CAP
Подробнее >
ПОРШНЬ И КОЛЕНЧАТЫЙ ВАЛ

ПОРШНЬ И КОЛЕНЧАТЫЙ ВАЛ

1Артикул: 6685583, CASE, BEARING W/Ref. 5 & 6
2Артикул: 6685586, CASE W/Ref. 5 & 6
3Артикул: 6685585, CASE main bearing - W/Ref. 5 & 6
Подробнее >
КОМПЛЕКТ ПРОКЛАДОК ВЕРХНЕЙ ЧАСТИ

КОМПЛЕКТ ПРОКЛАДОК ВЕРХНЕЙ ЧАСТИ

1Артикул: 6689014, KIT, UPPER GASKET Ref. 2-16 - does not include head gasket
2Артикул: 6684877, GASKET See Illustration MANIFOLDS/ B27036 - intake manifold
3Артикул: 6688382, GASKET See Illustration MANIFOLDS/ B27036 - exhaust manifold - 1-piece gasket in kit services original 2-piece gaskets - .060-- thick
Подробнее >
МАСЛЯНАЯ ТРУБКА

МАСЛЯНАЯ ТРУБКА

1Артикул: 6698239, PIPE, OIL
2Артикул: 7022765, BOLT, EYE Was 7022765 - A
3Артикул: 6689331, GASKET
Подробнее >
КАРТЕР ДВИГАТЕЛЯ

КАРТЕР ДВИГАТЕЛЯ

1Артикул: 6686044, CRANKCASE W/Ref. 2-13
2Артикул: 6652574, PLUG
3Артикул: 6655869, PLUG
Подробнее >
РАСПРЕДВАЛ

РАСПРЕДВАЛ

1Артикул: 7015269, TAPPET
2Артикул: 6686035, PUSH ROD
3Артикул: 6698227, CAMSHAFT Ref. 4-7
Подробнее >
ГОЛОВКА БЛОКА ЦИЛИНДРОВ

ГОЛОВКА БЛОКА ЦИЛИНДРОВ

1Артикул: 6655152, HOOK lift
2Артикул: 6667421, BOLT
3Артикул: 6598156, STUD
Подробнее >
МАСЛЯНЫЙ РАДИАТОР

МАСЛЯНЫЙ РАДИАТОР

1Артикул: 6690900, OIL COOLER W/Ref. 2
2Артикул: 6698244, ORING
3Артикул: 6685642, HOSE
Подробнее >