+7 (701) 588 50 05 Телефон для связи
RU

WhatsApp

Позвонить

ЗАПЧАСТИ ДВИГАТЕЛЯ в Алматы

ДВИГАТЕЛЬ, СИСТЕМА ОХЛАЖДЕНИЯ

ДВИГАТЕЛЬ, СИСТЕМА ОХЛАЖДЕНИЯ

1Артикул: 7020780, TUBE, COOLING
2Артикул: 7016604, SCREW Was 7016628 - B
3Артикул: 7016245, TIE, CABLE
Подробнее >
ВОЗДУХООЧИСТИТЕЛЬ (СЕРИЙНЫЙ НОМЕР AJNV11001 - 19999)

ВОЗДУХООЧИСТИТЕЛЬ (СЕРИЙНЫЙ НОМЕР AJNV11001 - 19999)

1Артикул: AIR, AIR CLEANER ASSY NLA - Order components Ref. 2-6 & 17 - Was 7016004 - A
2Артикул: 7016005, INLET, LID W/Ref. 5
3Артикул: 7016655, SEAL, AIRBOX
Подробнее >
ДВИГАТЕЛЬ, АКСЕЛЕРАТОР

ДВИГАТЕЛЬ, АКСЕЛЕРАТОР

1Артикул: 7016266, CABLE, THROTTLE
2Артикул: MOUNT,, MOUNT, PEDAL BLK See Illustration BRAKES, PEDAL & MASTER CYLINDER MOUNTING/ BRAKEFOOT115004X4
3Артикул: 7016241, BUSHING, PEDAL PIVOT
Подробнее >
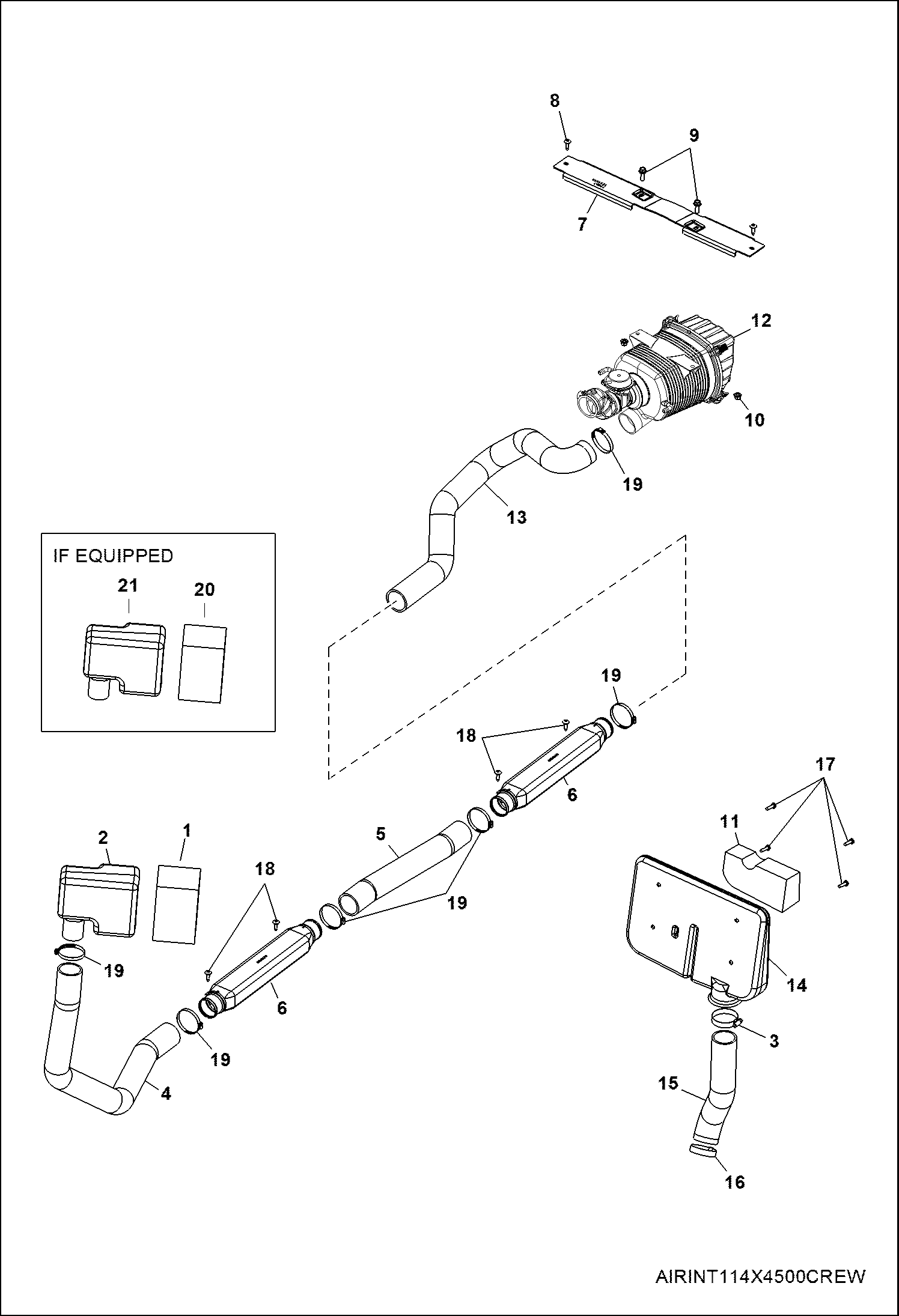
ДВИГАТЕЛЬ, ВОЗДУХОЗАБОРНИК (СЕРИЙНЫЙ НОМЕР AJNV11001 - 19999)

ДВИГАТЕЛЬ, ВОЗДУХОЗАБОРНИК (СЕРИЙНЫЙ НОМЕР AJNV11001 - 19999)

1Артикул: 7016382, FILTER, AIR Use W/Ref. 2 housing NLA 7016190
2Артикул: 7016190, HOUSING, BOX BAFFLE NLA - (5437958) - Order 7025282 housing and 7025283 filter - Was 7016190
3Артикул: 7016287, CLAMP, HOSE, S.S.
Подробнее >
ДВИГАТЕЛЬ, КРОНШТЕЙН

ДВИГАТЕЛЬ, КРОНШТЕЙН

1Артикул: 7016495, NUT
2Артикул: 7016002, SCREW
3Артикул: 7016266, CABLE, THROTTLE
Подробнее >
ДВИГАТЕЛЬ, ТОПЛИВНЫЙ БАК В СБОРЕ

ДВИГАТЕЛЬ, ТОПЛИВНЫЙ БАК В СБОРЕ

1Артикул: 7016274, CAP, FUEL W/gauge
2Артикул: 7018916, TANK, FUEL TANK W/Ref. 8
3Артикул: 7022792, KIT, PUMP FUEL includes pump, nut and gasket for service
Подробнее >
ДВИГАТЕЛЬ, ВЫХЛОПНОЙ КОЛЛЕКТОР

ДВИГАТЕЛЬ, ВЫХЛОПНОЙ КОЛЛЕКТОР

1Артикул: 7016838, MUFFLER, SILENCER, BLK W/Ref. 4 & 5
2Артикул: 7016419, GROMMET, SILENCER MOUNT
3Артикул: 7016419, GROMMET, SILENCER MOUNT Was 7248198
Подробнее >
ВОЗДУХООЧИСТИТЕЛЬ (СЕРИЙНЫЙ НОМЕР AJNV20001 И ВЫШЕ)

ВОЗДУХООЧИСТИТЕЛЬ (СЕРИЙНЫЙ НОМЕР AJNV20001 И ВЫШЕ)

1Артикул: AIR, AIR CLEANER ASSY NLA - Order components Ref. 2, 5 & 8
2Артикул: 7023383, COVER, AIR CLEANER ASSY W/Ref. 3
3Артикул: 7016312, CLIP, COVER, AIRBOX Built 9/27/12 & Before
Подробнее >
ДВИГАТЕЛЬ, РЕГУЛЯТОР СКОРОСТИ

ДВИГАТЕЛЬ, РЕГУЛЯТОР СКОРОСТИ

1Артикул: 7016007, HOUSING, AIR CONTROL W/Ref. 2-8
2Артикул: 7016460, BLOCK, JETBLOCK ASSY
3Артикул: 7016026, COVER
Подробнее >
ДВИГАТЕЛЬ, ВОЗДУХОЗАБОРНИК (СЕРИЙНЫЙ НОМЕР AJNV20001 И ВЫШЕ)

ДВИГАТЕЛЬ, ВОЗДУХОЗАБОРНИК (СЕРИЙНЫЙ НОМЕР AJNV20001 И ВЫШЕ)

1Артикул: 7016382, FILTER, AIR Use W/Ref. 2 housing NLA 7016190
2Артикул: 7016190, HOUSING, BOX BAFFLE NLA - (5437958) - Order 7025282 housing and 7025283 filter - Was 7016190
3Артикул: 7016287, CLAMP, HOSE, S.S.
Подробнее >