+7 (701) 588 50 05 Телефон для связи
RU

WhatsApp

Позвонить

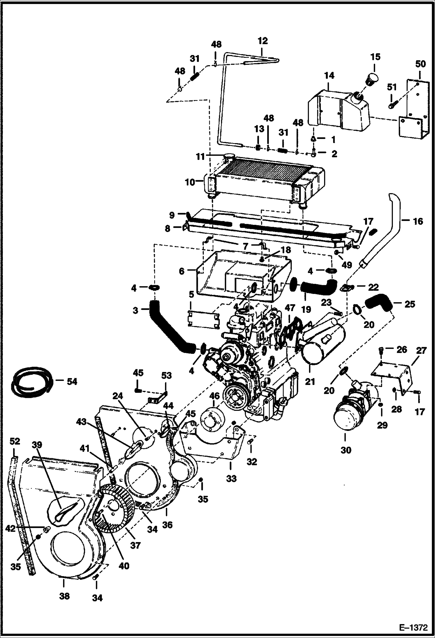
ЗАПЧАСТИ ДВИГАТЕЛЯ в Алматы

ВОЗДУШНЫЙ ФИЛЬТР

ВОЗДУШНЫЙ ФИЛЬТР

1Артикул: 6512160, AIR CLEANER
2Артикул: HOUSING, HOUSING NLA
3Артикул: 6646494, CARTRIDGE Was 889098B - A
Подробнее >
ДВИГАТЕЛЬ ISUZU 2AA1

ДВИГАТЕЛЬ ISUZU 2AA1

1Артикул: ENGINE, ENGINE NLA - Includes flywheel, starter, injection pump & fuel pump - Does not include alternator or muffler - Was 6555800 - A
2Артикул: 6512990, SHORT BLOCK Includes crankshaft, crankshaft seal, main bearings, pistons, conn. rods, camshaft & tappets - Does not include oil pump - Was NLA - D
3Артикул: 6664382, KIT gasket - overhaul - Was 6662216 - A
Подробнее >
ГОЛОВКА БЛОКА ЦИЛИНДРОВ

ГОЛОВКА БЛОКА ЦИЛИНДРОВ

1Артикул: 6660993, SEAL Was 6512713 - A
2Артикул: 6512970, NUT
3Артикул: 6512971, WASHER
Подробнее >
МАСЛЯНЫЙ НАСОС

МАСЛЯНЫЙ НАСОС

1Артикул: 6512774, PUMP
2Артикул: 6512775, TUBE
3Артикул: 6513066, GEAR
Подробнее >
РАСПРЕДЕЛИТЕЛЬНЫЙ ВАЛ И КОРОМЫСЛО КЛАПАНА

РАСПРЕДЕЛИТЕЛЬНЫЙ ВАЛ И КОРОМЫСЛО КЛАПАНА

1Артикул: SNAP, SNAP RING NLA - Was 5JM000019B - A
2Артикул: 6512759, PLUG
3Артикул: 6512757, ROCKER ARM
Подробнее >
ДВИГАТЕЛЬ И КРЕПЕЖНЫЕ ДЕТАЛИ

ДВИГАТЕЛЬ И КРЕПЕЖНЫЕ ДЕТАЛИ

1Артикул: 6553411, BUSHING Not Use W/6576660 Tank
2Артикул: 6553412, ELBOW Not Use W/6576660 Tank
3Артикул: 6557286, HOSE
Подробнее >
ДРОССЕЛЬНАЯ ЗАСЛОНКА

ДРОССЕЛЬНАЯ ЗАСЛОНКА

1Артикул: 6557294, ROD
2Артикул: 6557293, ANGLE
3Артикул: 6544654, BUSHING
Подробнее >
ВОДЯНАЯ ПОМПА И ПЕРЕДНЯЯ КРЫШКА

ВОДЯНАЯ ПОМПА И ПЕРЕДНЯЯ КРЫШКА

1Артикул: 6512711, GASKET
2Артикул: 6660992, PUMP SEE NOTE - Was 6512710 - A
3Артикул: KIT, KIT NLA - water pump repair - Was 6512925 - A
Подробнее >
ПОРШНИ И КОЛЕНВАЛ

ПОРШНИ И КОЛЕНВАЛ

1Артикул: 6660991, BEARING SET rod - Std - Was 6512698 - A
2Артикул: 6513087, BEARING SET rod - +.020
3Артикул: 6513088, BEARING SET rod - +.040
Подробнее >
ВПРЫСК ТОПЛИВА И ДЕТАЛИ СМАЗОЧНОЙ СИСТЕМЫ

ВПРЫСК ТОПЛИВА И ДЕТАЛИ СМАЗОЧНОЙ СИСТЕМЫ

1Артикул: 6513135, TUBE oil rocker arm
2Артикул: 6513051, WASHER
3Артикул: 6512702, BOLT hollow
Подробнее >
БЛОК ЦИЛИНДРОВ

БЛОК ЦИЛИНДРОВ

1Артикул: 6512699, CAP oil filler
2Артикул: FILLER, FILLER NLA - oil - Was 6513001 - A
3Артикул: 6513004, BOLT
Подробнее >