+7 (701) 588 50 05 Телефон для связи
RU

WhatsApp

Позвонить

007 VALVE в Алматы

Техника доступна в:
Полный спектр услуг:
Сервис
Офисы продаж
Гарантия
Для Вашего удобства:
Запчасти
Доставка
Характеристики и описание
Габариты, схема
Техническая документация
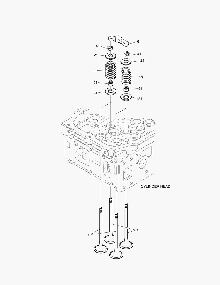
1 Артикул: 410112-00067A, VALVE,INTAKE
2 Артикул: 410112-00068A, VALVE,EXHAUST
3 Артикул: 65.04102-0022A, SPRING;VALVE EXHAUST
4 Артикул: 110943-00070, RETAINER
5 Артикул: 65.90701-0093A, WASHER
6 Артикул: 110971-00028, COTTER
7 Артикул: 401112-00003, SEAL,VALVE STEM
8 Артикул: 150124-00018, CALIPER

007 VALVE: Техника, которая работает на результат

007 VALVE на Doosan Экскаваторы DX480LCA / DX520LCA(S/N:20001~) – купить по доступной цене в интернет-магазине «Ремзона»

Габаритные размеры

Схема 007 VALVE

Документация

Документация временно недоступна.