+7 (701) 588 50 05 Телефон для связи
RU

WhatsApp

Позвонить

011 CYLINDER HEAD — Продажа в Казахстане Цены от официального дилера с доставкой в Алматы, Астану и регионы

Техника доступна в:
Полный спектр услуг:
Для Вашего удобства:
Характеристики и описание
Габариты, схема
Техническая документация
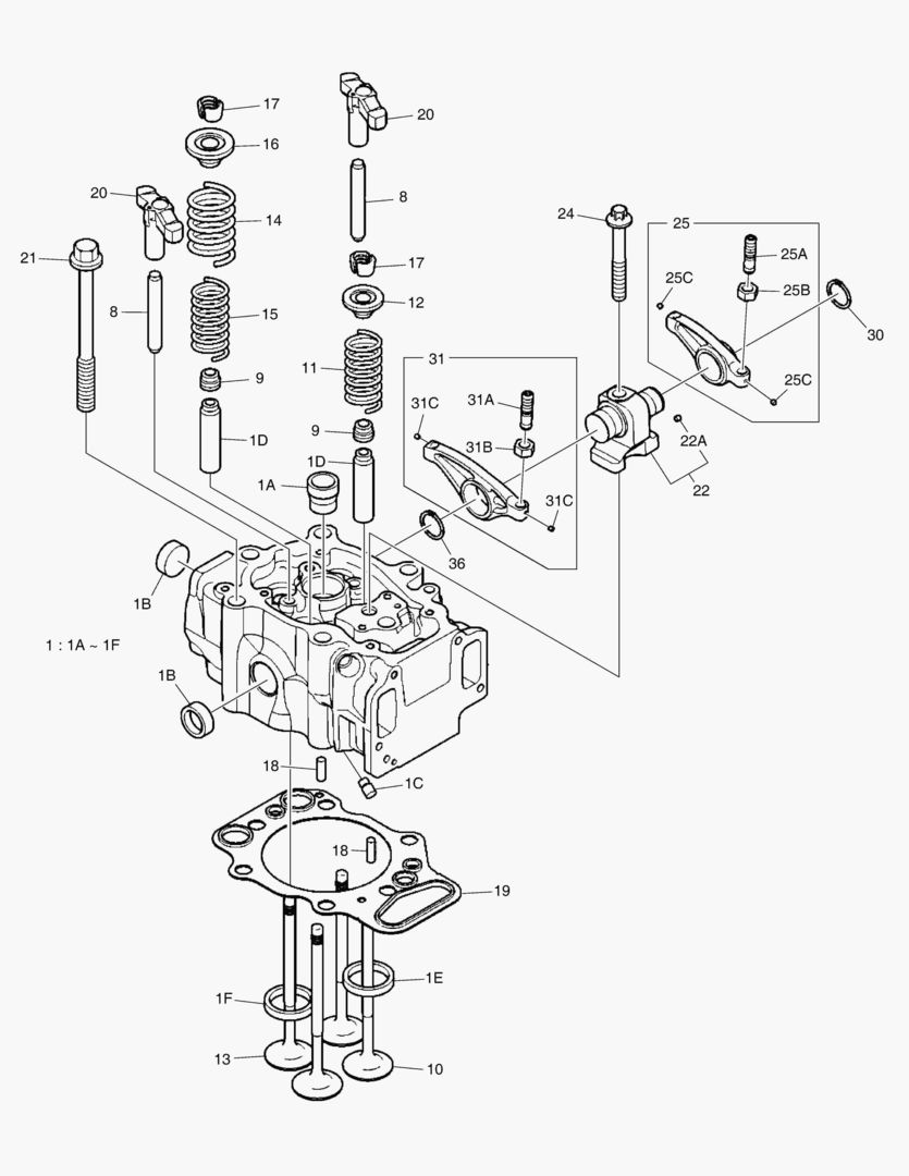
1 Артикул: 150113-00262, HEAD,CYLINDER
2 Артикул: 110949-00587, . SLEEVE
3 Артикул: 430221-00582, . PLUG,CORE
4 Артикул: 120407-00033, . RIVET
5 Артикул: 110922-00468, . GUIDE,VALVE
6 Артикул: 401107-01143, . SEAL,VALVE
7 Артикул: 401107-01144, . SEAL,VALVE
8 Артикул: 401107-01145, . SEAL,VALVE
9 Артикул: 401107-01146, . SEAL,VALVE
10 Артикул: 120501-02048, PIN
11 Артикул: 401107-01142, SEAL,VALVE;STEM
12 Артикул: 410112-00047, VALVE,INTAKE
13 Артикул: 111601-00429, SPRING,VALVE;INTAKE
14 Артикул: 110917-00291, COLLAR,SPRING;VALVE
15 Артикул: 410112-00057, VALVE,EXHAUST
16 Артикул: 111601-00431, SPRING,VALVE;EX(OUTER)
17 Артикул: 111601-00430, SPRING,VALVE;EX(INNER)
18 Артикул: 110917-00292, COLLAR,SPRING;VALVE
19 Артикул: 410201-00032, COTTER,VALVE;COLLET
20 Артикул: 120501-02043, PIN
21 Артикул: 400602-00473, GASKET
22 Артикул: 160606-00005, BRIDGE;VALVE
23 Артикул: 120705-00708, SCREW
24 Артикул: 110411-00137, BRACKET ASSY
25 Артикул: 430221-00592, . PLUG;RIVET
26 Артикул: 120705-00710, SCREW
27 Артикул: 150101-00040, ARM,ROCKER;INTAKE
28 Артикул: 120702-00031, . SCREW,ADJUSTING
29 Артикул: 120307-00114, . NUT,HEX
30 Артикул: 430221-00593, . PLUG;RIVET
31 Артикул: 401003-00354, RING;RETAINING
32 Артикул: 150101-00039, ARM,ROCKER;EXHAUST
33 Артикул: 401003-00355, RING;RETAINING

011 CYLINDER HEAD: Техника, которая работает на результат

011 CYLINDER HEAD на Doosan Экскаваторы DX380LC-5 / DX400LC-5

Габаритные размеры

Габаритные размеры и схема 011 CYLINDER HEAD

Нажмите на схему для увеличения

Документация

Документация временно недоступна.

Похожая техника в категории: ДЕТАЛИ ДВИГАТЕЛЯ (Develon)

Спецтехника 027 EXHAUST MANIFOLD

027 EXHAUST MANIFOLD

1Артикул: 240102...
2Артикул: 240102...
3Артикул: 240102...
Подробнее >
Спецтехника 052 ELECTRONIC CONTROL UNIT

052 ELECTRONIC CONTROL UNIT

1Артикул: 300618...
2Артикул: 120705...
3Артикул: 120705...
Подробнее >
Спецтехника ДОЗАТОР ВОССТАНОВИТЕЛЯ - SCR

ДОЗАТОР ВОССТАНОВИТЕЛЯ - SCR

1Артикул: 240101...
2Артикул: 401107...
3Артикул: 400406...
Подробнее >
Спецтехника 036 BLEED PIPE ENGINE

036 BLEED PIPE ENGINE

1Артикул: 420210...
2Артикул: 430208...
3Артикул: 120203...
Подробнее >
Спецтехника КРЫШКА РАСПРЕДЕЛИТЕЛЬНЫХ ШЕСТЕРЕН

КРЫШКА РАСПРЕДЕЛИТЕЛЬНЫХ ШЕСТЕРЕН

1Артикул: 110508...
2Артикул: 401107...
3Артикул: 120501...
Подробнее >
Спецтехника 032 BELT TRANSMISSION(1)

032 BELT TRANSMISSION(1)

1Артикул: 130202...
2Артикул: 130707...
3Артикул: 120705...
Подробнее >
Спецтехника 029 INTAKE MANIFOLD

029 INTAKE MANIFOLD

1Артикул: 240203...
2Артикул: 400602...
3Артикул: 120705...
Подробнее >
Спецтехника 028 TURBO CHARGER COOLANT PIPE

028 TURBO CHARGER COOLANT PIPE

1Артикул: 101552...
2Артикул: 420108...
3Артикул: 120202...
Подробнее >
Спецтехника 019 PISTON

019 PISTON

1Артикул: 130602...
2Артикул: -, PIS...
3Артикул: 401004...
Подробнее >
Спецтехника МАСЛЯНЫЙ ФИЛЬТР

МАСЛЯНЫЙ ФИЛЬТР

1Артикул: 400405...
2Артикул: 430208...
3Артикул: 120808...
Подробнее >
Спецтехника ИСПАРИТЕЛЬ- СИСТЕМА ВЫПУСКА

ИСПАРИТЕЛЬ- СИСТЕМА ВЫПУСКА

1Артикул: 400815...
2Артикул: 110406...
3Артикул: 120402...
Подробнее >
Спецтехника МАСЛЯНЫЙ НАСОС

МАСЛЯНЫЙ НАСОС

1Артикул: 400915...
2Артикул: 120705...
3Артикул: 120705...
Подробнее >