043 MOUNTING KIT, COOLANT PIPE, EXHAUST BRAKE — Продажа в Казахстане Цены от официального дилера с доставкой в Алматы, Астану и регионы
×
❮
❯
Характеристики и описание
Габариты, схема
Техническая документация
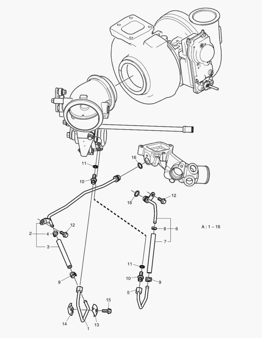
| 1 | Артикул: 101529-01165, KIT;MOUNTING |
| 2 | Артикул: 420210-02878, PIPE |
| 3 | Артикул: 420210-02880, PIPE |
| 4 | Артикул: 420108-02053, HOSE |
| 5 | Артикул: 120203-00921, CLAMP |
| 6 | Артикул: 420210-02879, PIPE |
| 7 | Артикул: 420210-02881, PIPE |
| 8 | Артикул: 120203-00922, CLAMP |
| 9 | Артикул: 940301-00777, STRAIGHT UNION |
| 10 | Артикул: 120808-01029, WASHER,SEAL |
| 11 | Артикул: 120705-00730, SCREW;FLANGE |
| 12 | Артикул: 120208-00398, CLAMP,PIPE |
| 13 | Артикул: 120208-00399, CLAMP,PIPE |
| 14 | Артикул: 120705-00687, SCREW |
| 15 | Артикул: 401002-00695, RING,O |
043 MOUNTING KIT, COOLANT PIPE, EXHAUST BRAKE: Техника, которая работает на результат
043 MOUNTING KIT, COOLANT PIPE, EXHAUST BRAKE на Doosan Колесные погрузчики DL550-5 BH / DL580-5(S/N:10001~10138)Габаритные размеры
Нажмите на схему для увеличения
Документация
Документация временно недоступна.
Похожая техника в категории: ДЕТАЛИ ДВИГАТЕЛЯ (Develon)
012 TIMING GEAR
1Артикул: 150103...
2Артикул: 120501...
3Артикул: 130712...
Подробнее >
062 MOUNTING,HYDRAULIC PUMP,WITHOUT
1Артикул: 430215...
2Артикул: 430221...
3Артикул: 400602...
Подробнее >
061 EXHAUST BREAK,ELECTRIC
1Артикул: 420203...
2Артикул: 130104...
3Артикул: -, HOU...
Подробнее >
015 OIL COOLER
1Артикул: 110508...
2Артикул: -, COV...
3Артикул: 110508...
Подробнее >
045 ACCUMULATOR
1Артикул: 400804...
2Артикул: -, ACC...
3Артикул: 120203...
Подробнее >
065 ELECTRONIC CONTROL UNIT
1Артикул: 300618...
2Артикул: 120705...
3Артикул: 120705...
Подробнее >
058 CONVERSION KIT, FUEL FILTER
1Артикул: 101529...
2Артикул: 410116...
3Артикул: 420204...
Подробнее >
024 POWER TAKE OFF, COVER
1Артикул: 120408...
2Артикул: 120305...
3Артикул: 110949...
Подробнее >
064 STARTER MOTOR
1Артикул: 101529...
2Артикул: 300516...
3Артикул: 301202...
Подробнее >
013 LUBRICATION, TURBOCHARGER
1Артикул: 420210...
2Артикул: 430215...
3Артикул: 120203...
Подробнее >
014 OIL FILTER HOUSING
1Артикул: 400405...
2Артикул: -, OIL...
3Артикул: 430208...
Подробнее >
028 REPAIR KIT, OIL FILTER
1Артикул: 400504...
2Артикул: -, FIL...
3Артикул: 401002...
Подробнее >