+7 (701) 588 50 05 Телефон для связи
RU

WhatsApp

Позвонить

1200 AIR CLEANER в Алматы

Техника доступна в:
Полный спектр услуг:
Сервис
Офисы продаж
Гарантия
Для Вашего удобства:
Запчасти
Доставка
Характеристики и описание
Габариты, схема
Техническая документация
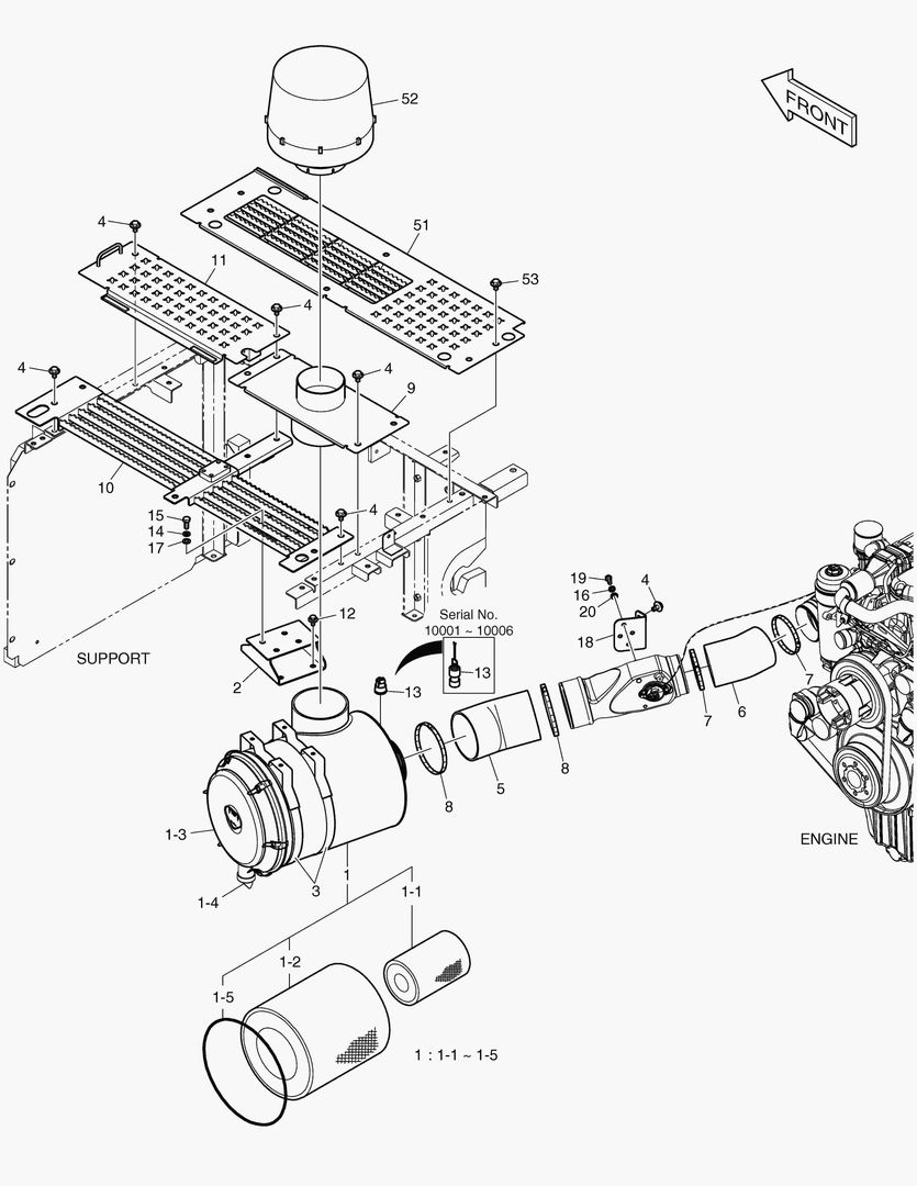
1 Артикул: 400414-00255, CLEANER ASSY,AIR
2 Артикул: 204-00066, AIR CLEANER
3 Артикул: 474-00037, . ELEMENT,INNER
4 Артикул: 474-00038, . ELEMENT,OUTER
5 Артикул: 204-00069, . COVER
6 Артикул: 204-00070, . VALVE
7 Артикул: 204-00071, . O-RING
8 Артикул: 110401-00012B, BRACKET
9 Артикул: 124-00297A, BAND
10 Артикул: DS0025015, BOLT
11 Артикул: 420101-00720, HOSE,AIR
12 Артикул: 420101-00719A, HOSE,AIR
13 Артикул: S8510143, CLAMP
14 Артикул: S8510168, CLAMP
15 Артикул: 110508-17151, COVER
16 Артикул: 110508-17152A, COVER
17 Артикул: 110508-17153, COVER
18 Артикул: DS0025017, BOLT
19 Артикул: 170-00004, INDICATOR;DUST
20 Артикул: 800217-00100, INDICATOR,DUST
21 Артикул: S5102703, WASHER
22 Артикул: S0515266, BOLT M12X1.75X30
23 Артикул: S5102603, WASHER
24 Артикул: S5010713, WASHER
25 Артикул: 110406-02279A, BRACKET
26 Артикул: S0512066, BOLT M10X1.5X25
27 Артикул: S5010613, WASHER
28 Артикул: 110508-17154, COVER,AIR CLEANER
29 Артикул: K1043471, PRE CLEANER

1200 AIR CLEANER: Техника, которая работает на результат

1200 AIR CLEANER на Doosan Экскаваторы DX340LC-5 / DX350LC-5(S/N:10001~10049) – купить по доступной цене в интернет-магазине «Ремзона»

Габаритные размеры

Схема 1200 AIR CLEANER

Документация

Документация временно недоступна.