+7 (701) 588 50 05 Телефон для связи
RU

WhatsApp

Позвонить

2710 И ВЫШЕ — Продажа в Казахстане Цены от официального дилера с доставкой в Алматы, Астану и регионы

Техника доступна в:
Полный спектр услуг:
Для Вашего удобства:
Характеристики и описание
Габариты, схема
Техническая документация
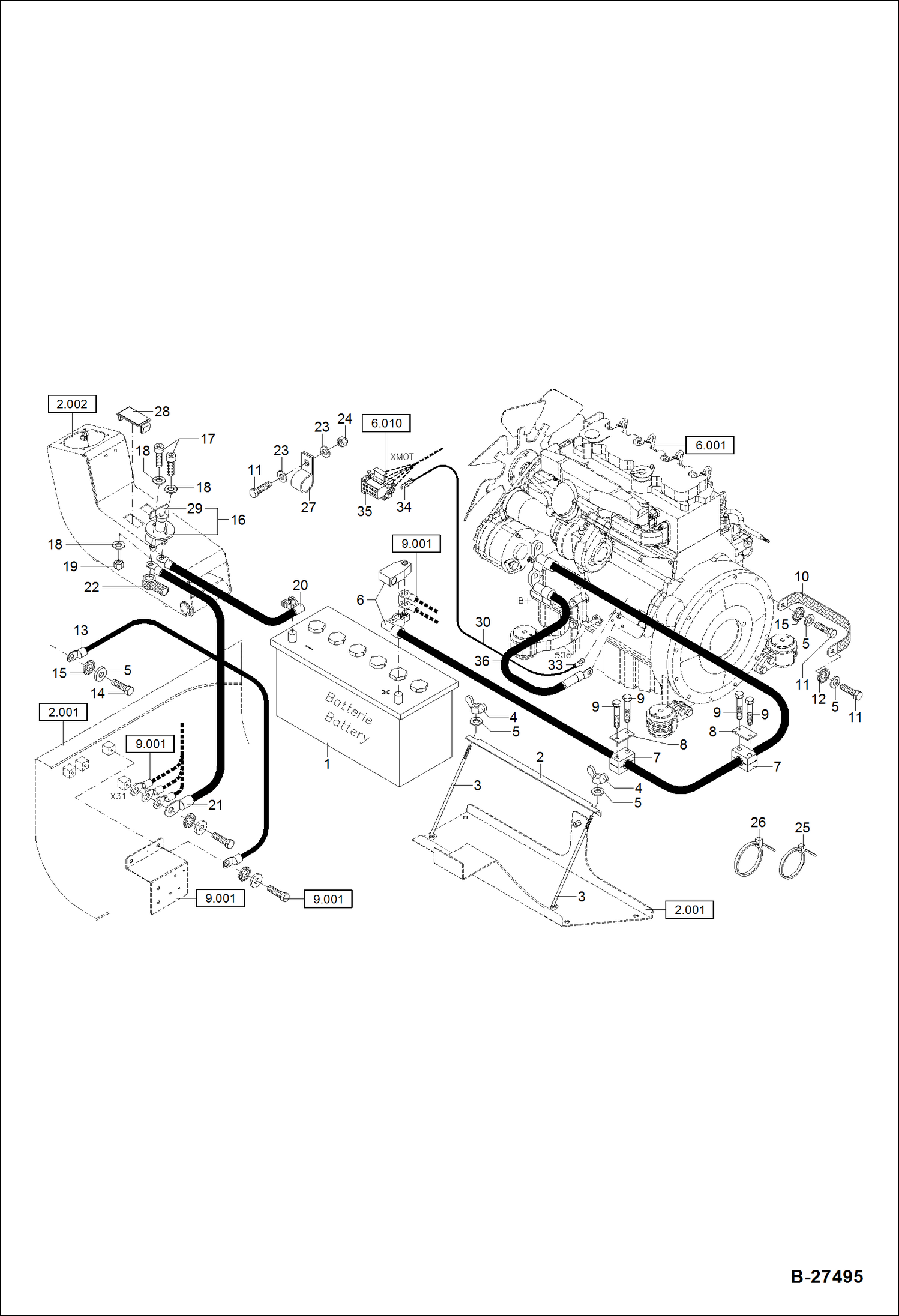
1 Артикул: BATTERY, BATTERY 800 CCA DRY NLA - Order 7305032 battery - Was 5159650932 - A
2 Артикул: 7305032, BATTERY 800 CCA WET
3 Артикул: 0331411006, ANGLE Was 6331411006 - A
4 Артикул: 0331411005, STUD
5 Артикул: 1245707011, WING NUT M 8
6 Артикул: 1343707057, WASHER 8,4
7 Артикул: 0234007034, BATTERY CABLE
8 Артикул: 5660199615, HOSE CLIP
9 Артикул: 5660200122, COVER PLATE
10 Артикул: 1007707813, BOLT M 6X35
11 Артикул: 5653246930, EARTH CABLE 300MM
12 Артикул: 1008707018, BOLT M 8X20
13 Артикул: 1327707022, TOOTHED LOCK WASHER 12,5
14 Артикул: 0073657067, CABLE, GROUND 500MM
15 Артикул: 1008707817, BOLT M 8X12
16 Артикул: 1327707018, TOOTHED LOCK WASHER 8,4
17 Артикул: 5522655660, SWITCH INTERRUPTER W/Ref. 29
18 Артикул: 1045707213, BOLT M 6X20
19 Артикул: 1290707014, WASHER 6,4
20 Артикул: 1212251009, NUT M 6
21 Артикул: 0190007135, BATTERY CABLE
22 Артикул: 0190007136, CABLE, GROUND
23 Артикул: 5050580450, RUBBER
24 Артикул: 1290707018, WASHER 8,4
25 Артикул: 1212251011, NUT M 8
26 Артикул: 5653093560, BINDER 4,8X200
27 Артикул: 5350650280, BINDER 7,8X290
28 Артикул: 5000136800, HOSE CLIP 19,0
29 Артикул: 5050650230, COVER
30 Артикул: 5522655651, KEY INTERRUPTER
31 Артикул: 0234007180, HARNESS, WIRE MOTOR - W/Ref. 33, 34
32 Артикул: 5350246820, CABLE CONNECTOR 2,5¿ M 5
33 Артикул: 5350249695, MAL TERMINAL
34 Артикул: 5350249691, CONNECTOR MALE 8-FACH
35 Артикул: 0234015065, CABLE

2710 И ВЫШЕ: Техника, которая работает на результат

ЭЛЕКТРИЧЕСКАЯ УСТАНОВКА - ВЕРХНЯЯ РАМА СЕРИЙНЫЙ НОМЕР XXXX/2710 И ВЫШЕ на мини-экскаватор Bobcat ZX75 120000A96 И ВЫШЕ

Габаритные размеры

Габаритные размеры и схема 2710 И ВЫШЕ

Нажмите на схему для увеличения

Документация

Документация временно недоступна.

Похожая техника в категории: ЭЛЕКТРИЧЕСКАЯ УСТАНОВКА - ВЕРХНЯЯ РАМА СЕРИЙНЫЙ НОМЕР XXXX (Bobcat)