+7 (701) 588 50 05 Телефон для связи
RU

WhatsApp

Позвонить

3 — Продажа в Казахстане Цены от официального дилера с доставкой в Алматы, Астану и регионы

Техника доступна в:
Полный спектр услуг:
Для Вашего удобства:
Характеристики и описание
Габариты, схема
Техническая документация
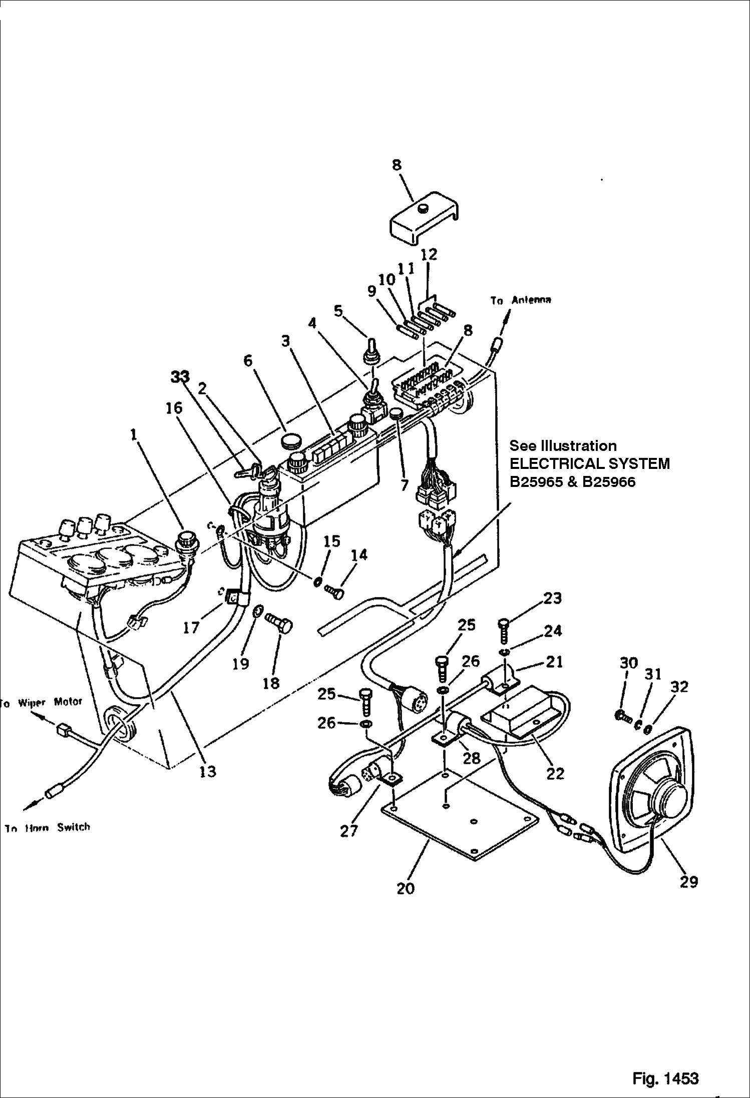
1 Артикул: 6639159, LAMP parking brake
2 Артикул: 6639027, SWITCH starting
3 Артикул: 6637905, RADIO
4 Артикул: 6639154, SWITCH parking brake
5 Артикул: 6639156, CAP
6 Артикул: 6637757, CAP
7 Артикул: 6637755, CAP
8 Артикул: 6639153, BOX, FUSE
9 Артикул: 6637715, FUSE 40A
10 Артикул: 6637714, FUSE 30A
11 Артикул: 6637713, FUSE 20A
12 Артикул: 6637712, FUSE 10A
13 Артикул: 6645566, WIRE ASSY
14 Артикул: 6636952, BOLT
15 Артикул: 6637155, WASHER
16 Артикул: 6637682, BAND
17 Артикул: 6637689, CLIP
18 Артикул: 6636965, BOLT
19 Артикул: 6637157, WASHER
20 Артикул: 6639677, SHIELD
21 Артикул: 6639676, DIODE
22 Артикул: 6637907, TIMER
23 Артикул: 6636952, BOLT
24 Артикул: 6637133, WASHER
25 Артикул: 6636957, BOLT
26 Артикул: 6637156, WASHER
27 Артикул: 6637689, CLIP
28 Артикул: 6637690, CLIP
29 Артикул: 6637906, SPEAKER
30 Артикул: 6637029, SCREW
31 Артикул: 6637125, WASHER
32 Артикул: 6637143, WASHER
33 Артикул: 6640722, KEY

3: Техника, которая работает на результат

ПАНЕЛЬ ИЗМЕРИТЕЛЬНЫХ ПРИБОРОВ 2/3 на мини-экскаватор Bobcat 130 505111999 И НИЖЕ

Габаритные размеры

Габаритные размеры и схема 3

Нажмите на схему для увеличения

Документация

Документация временно недоступна.

Похожая техника в категории: ПАНЕЛЬ ИЗМЕРИТЕЛЬНЫХ ПРИБОРОВ 2 (Bobcat)