+7 (701) 588 50 05 Телефон для связи
RU

WhatsApp

Позвонить

322D) — Продажа в Казахстане Цены от официального дилера с доставкой в Алматы, Астану и регионы

Техника доступна в:
Полный спектр услуг:
Для Вашего удобства:
Характеристики и описание
Габариты, схема
Техническая документация
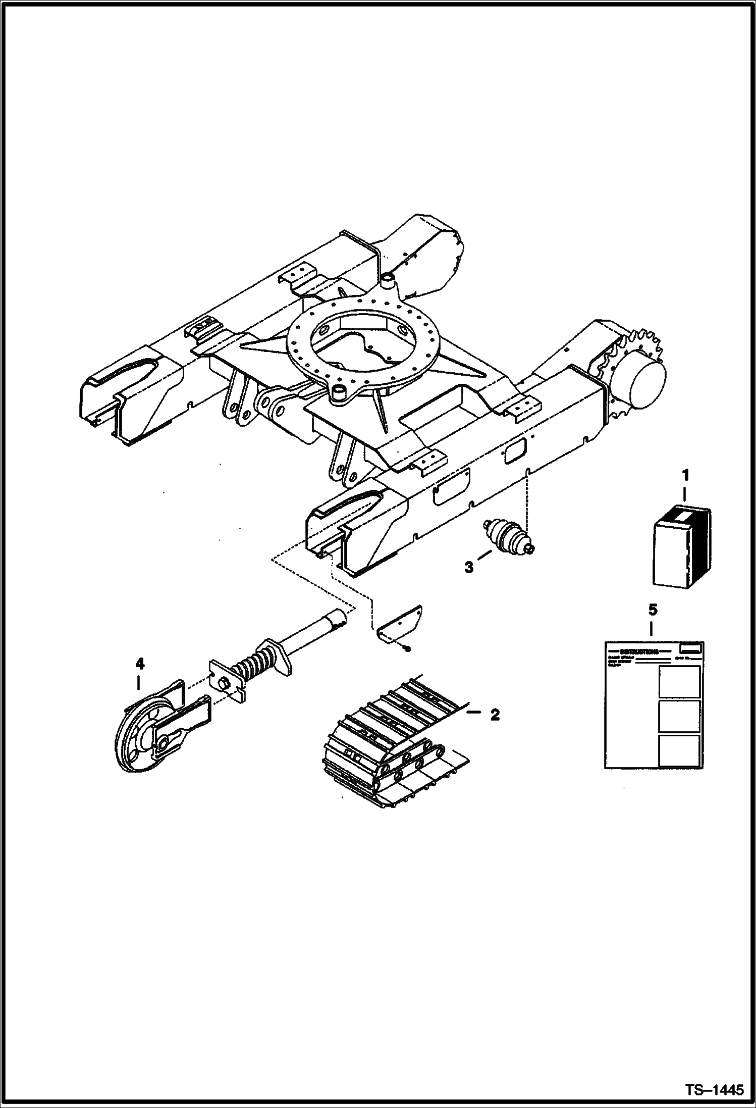
1 Артикул: 6810891, KIT Ref. 2-5
2 Артикул: 6677636, TRACK See Illustration TRACKS/ PE2456
3 Артикул: 7148527, ROLLER, STEEL for replacement rollers Also Order 15EM160 washers and 53CM1625 bolts - Was 6815115 - A
4 Артикул: 15EM160, WASHER
5 Артикул: 53CM1625, BOLT
6 Артикул: 6815113, IDLER
7 Артикул: 6724807, INSTRUCTIONS

322D): Техника, которая работает на результат

КОМПЛЕКТ ГУСЕНИЦ (ИЗ СТАЛИ) (320D/322D) на мини-экскаватор Bobcat 320 223511001 И ВЫШЕ, 223811001 И ВЫШЕ, 223911001 И ВЫШЕ, 224011001 И ВЫШЕ

Габаритные размеры

Габаритные размеры и схема 322D)

Нажмите на схему для увеличения

Документация

Документация временно недоступна.