+7 (701) 588 50 05 Телефон для связи
RU

WhatsApp

Позвонить

6280 MAIN PIPING-ONE & TWO WAY в Алматы

Техника доступна в:
Полный спектр услуг:
Сервис
Офисы продаж
Гарантия
Для Вашего удобства:
Запчасти
Доставка
Характеристики и описание
Габариты, схема
Техническая документация
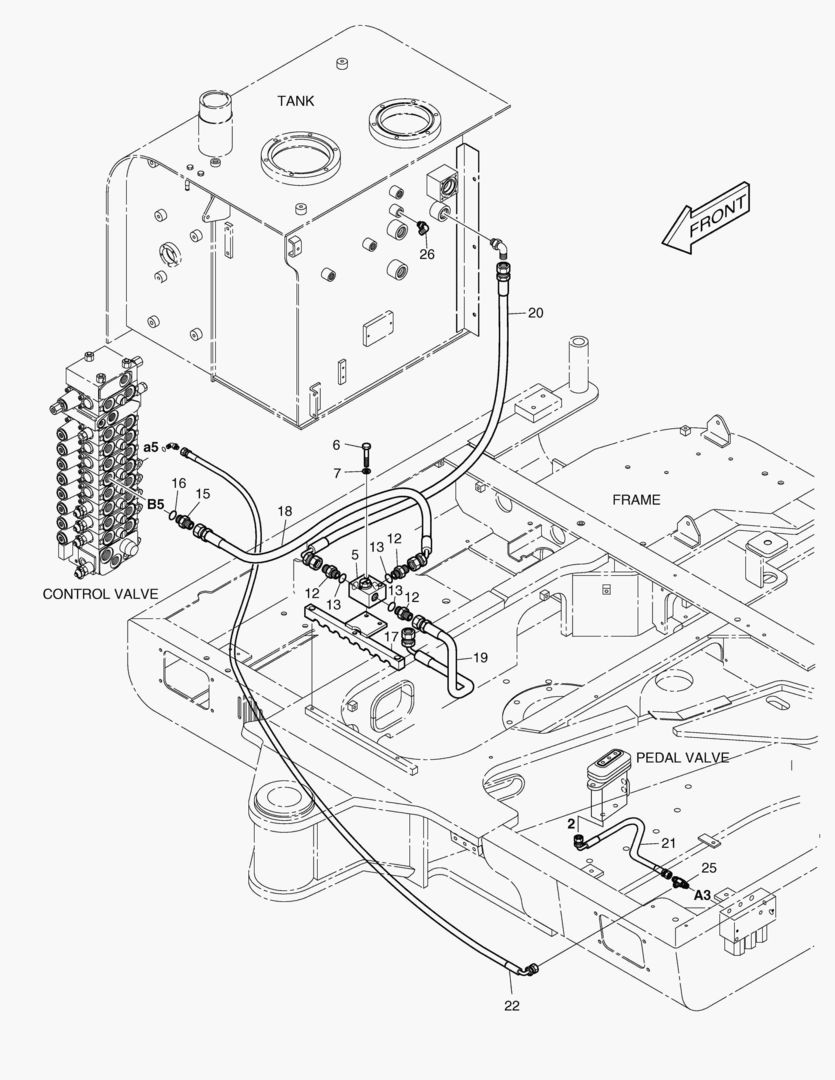
1 Артикул: 400-01085, MAIN PIPING-ONE & TWO ASS`Y
2 Артикул: 420-00380, VALVE,SWITCH
3 Артикул: S0558753, BOLT M10X1.5X60
4 Артикул: S5102503, WASHER
5 Артикул: 2181-1126D6, ADAPTER
6 Артикул: S8000181, O-RING
7 Артикул: DS2213045, ADAPTER
8 Артикул: 2180-1026D12, O-RING
9 Артикул: 124-00278A, CLAMP;PIPE
10 Артикул: DS2054270, HOSE
11 Артикул: DS2055791, HOSE
12 Артикул: DS2055618, HOSE
13 Артикул: 2184-1046D63, HOSE PF1/4-500L
14 Артикул: 2184-1046D121, HOSE PF1/4-2240L
15 Артикул: 181-00779, TEE
16 Артикул: 2181-1702D10, ELBOW

6280 MAIN PIPING-ONE & TWO WAY: Техника, которая работает на результат

6280 MAIN PIPING-ONE & TWO WAY на Doosan Экскаваторы SOLAR 75-V – купить по доступной цене в интернет-магазине «Ремзона»

Габаритные размеры

Схема 6280 MAIN PIPING-ONE & TWO WAY

Документация

Документация временно недоступна.