+7 (701) 588 50 05 Телефон для связи
RU

WhatsApp

Позвонить

9FZ999 И НИЖЕ) — Продажа в Казахстане Цены от официального дилера с доставкой в Алматы, Астану и регионы

Техника доступна в:
Полный спектр услуг:
Для Вашего удобства:
Характеристики и описание
Габариты, схема
Техническая документация
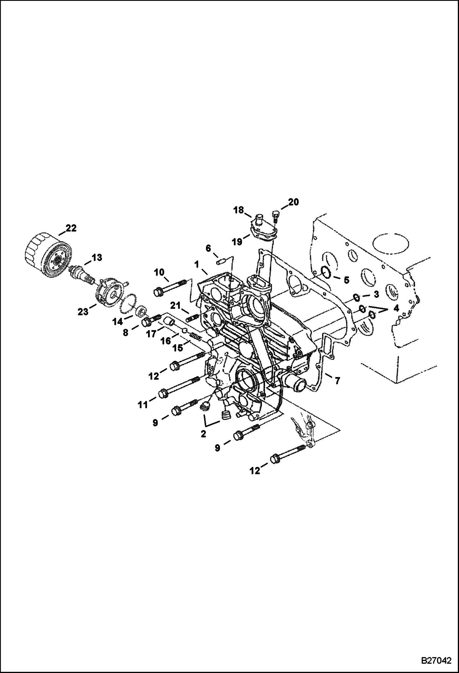
1 Артикул: HOUSING,, HOUSING, GEAR NLA - Order 7015260 housing & 7010599 gasket and DO NOT USE Ref. 3-5 - Was 6686045 - A
2 Артикул: 6672360, PLUG
3 Артикул: 6685466, O-RING
4 Артикул: 6685467, O-RING
5 Артикул: 6685468, O-RING
6 Артикул: 3974395, PIN straight
7 Артикул: 6684770, GASKET housing
8 Артикул: 6680706, BOLT
9 Артикул: 6692375, BOLT
10 Артикул: 6680686, BOLT
11 Артикул: 6692376, BOLT
12 Артикул: 6692377, BOLT
13 Артикул: CONNECTOR, CONNECTOR NLA - Order 7020646 connector and 7020866 collar - Was 6675681 - A
14 Артикул: 6685637, COLLAR
15 Артикул: 6652652, SPRING
16 Артикул: 3974893, SEAT valve
17 Артикул: 10J13, BALL Was 6969574 - A
18 Артикул: 3974894, FLANGE water return
19 Артикул: 6666803, GASKET return flange
20 Артикул: 1CM620, BOLT Was 4CM620 - A
21 Артикул: 6652764, STUD
22 Артикул: 6675517, FILTER, OIL ENG 12
23 Артикул: OIL, OIL COOLER See Illustration OIL COOLER/ B27088

9FZ999 И НИЖЕ): Техника, которая работает на результат

КАРТЕР КОРОБКИ ПЕРЕДАЧ (СЕРИЙНЫЙ НОМЕР E/ 9FZ999 И НИЖЕ) на мини-экскаватор Bobcat 337 A9W711001 И ВЫШЕ, A9W911001 И ВЫШЕ, AAC811001 И ВЫШЕ

Габаритные размеры

Габаритные размеры и схема 9FZ999 И НИЖЕ)

Нажмите на схему для увеличения

Документация

Документация временно недоступна.

Похожая техника в категории: КАРТЕР КОРОБКИ ПЕРЕДАЧ (СЕРИЙНЫЙ НОМЕР E (Bobcat)