+7 (701) 588 50 05 Телефон для связи
RU

WhatsApp

Позвонить

9FZ999 И НИЖЕ) — Продажа в Казахстане Цены от официального дилера с доставкой в Алматы, Астану и регионы

Техника доступна в:
Полный спектр услуг:
Для Вашего удобства:
Характеристики и описание
Габариты, схема
Техническая документация
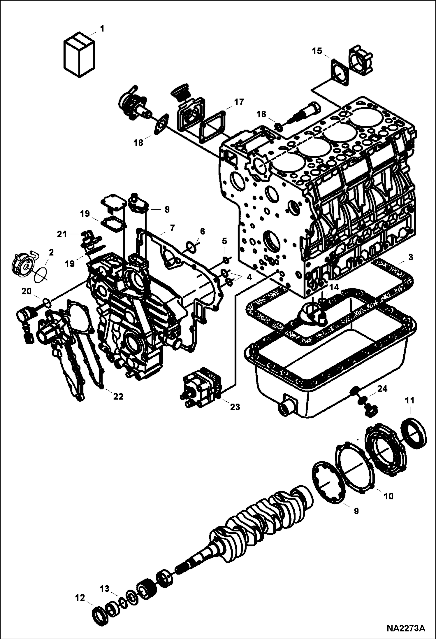
1 Артикул: 6689018, KIT, GASKET ENG LOWER Ref. 2-24
2 Артикул: 6698244, ORING See Illustration OIL COOLER/ B22748 - oil cooler
3 Артикул: 6666817, GASKET See Illustration OIL PAN/ B22734 - oil pan
4 Артикул: 6685467, O-RING See Illustration GEARCASE/ B22736 - gear case
5 Артикул: 6685468, O-RING See Illustration GEARCASE/ B22736 - gear case
6 Артикул: 6685466, O-RING See Illustration GEARCASE/ B22736 - gear case
7 Артикул: 6684770, GASKET See Illustration GEARCASE/ B22736 - gearcase
8 Артикул: 6666803, GASKET See Illustration GEARCASE/ B22736 - return flange
9 Артикул: 6684788, GASKET See Illustration PISTON & CRANKSHAFT/ B22684 - bearing case
10 Артикул: 6666814, GASKET See Illustration PISTON & CRANKSHAFT/ B22684 - case cover
11 Артикул: 6684789, SEAL See Illustration PISTON & CRANKSHAFT/ B22684 - oil rear main
12 Артикул: 7024826, SEAL, OIL See Illustration PISTON & CRANKSHAFT/ B22684 - oil frt main - oil frt main - Was 6631664
13 Артикул: 3974577, RING,O See Illustration PISTON & CRANKSHAFT/ B22684 - crankshaft frt
14 Артикул: 6684754, O-RING See Illustration OIL PAN/ B22734 - oil screen
15 Артикул: 6692386, GASKET See Illustration FUEL CAMSHAFT/ B13144 - fuel camshaft cover
16 Артикул: 6684818, SEAL See Illustration ENGINE STOP LEVER/ B22737 - idle adj. bolt
17 Артикул: 6666783, GASKET See Illustration CRANKCASE/ B22733 - oil fill flange
18 Артикул: 6686037, GASKET See Illustration FUEL & INJECTION PUMP/ B22686 - fuel pump
19 Артикул: 6684841, GASKET See Illustration SPEED CONTROL PLATE/ B22688 - boost cover
20 Артикул: 6685465, O-RING See Illustration ENGINE STOP LEVER/ B22737 - stop solenoid
21 Артикул: 6685476, SEAL See Illustration SPEED CONTROL PLATE/ B22688 - speed control lever
22 Артикул: 6684870, GASKET See Illustration WATER PUMP/ B22740 - water pump
23 Артикул: 6666782, GASKET See Illustration CRANKCASE/ B22733 - oil pump
24 Артикул: 6680484, GASKET See Illustration OIL PAN/ B22734 - drain plug

9FZ999 И НИЖЕ): Техника, которая работает на результат

КОМПЛЕКТ НИЖНИХ ПРОКЛАДОК (KUBOTA - V2003TMDI - TIER II) (СЕРИЙНЫЙ НОМЕР E/ 9FZ999 И НИЖЕ) на мини-погрузчик Bobcat S175 525011001 И ВЫШЕ, 525111001 И ВЫШЕ, 525211001 И ВЫШЕ, 525311001 И ВЫШЕ

Габаритные размеры

Габаритные размеры и схема 9FZ999 И НИЖЕ)

Нажмите на схему для увеличения

Документация

Документация временно недоступна.

Похожая техника в категории: КОМПЛЕКТ НИЖНИХ ПРОКЛАДОК (KUBOTA - V2003TMDI - TIER II) (СЕРИЙНЫЙ НОМЕР E (Bobcat)