+7 (701) 588 50 05 Телефон для связи
RU

WhatsApp

Позвонить

9G0001 И ВЫШЕ) — Продажа в Казахстане Цены от официального дилера с доставкой в Алматы, Астану и регионы

Техника доступна в:
Полный спектр услуг:
Для Вашего удобства:
Характеристики и описание
Габариты, схема
Техническая документация
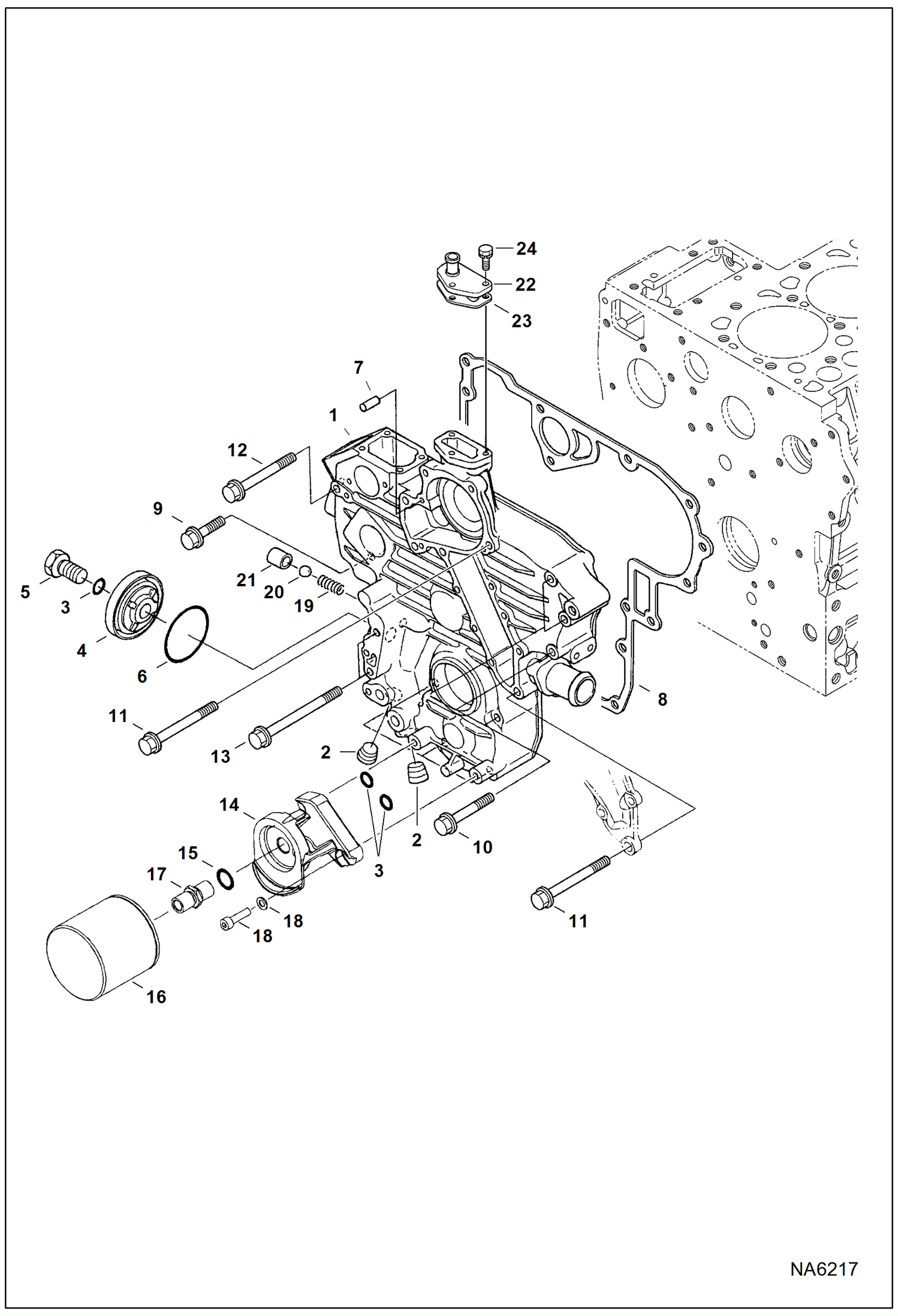
1 Артикул: 7016900, HOUSING, GEAR W/Ref. 2
2 Артикул: 6672360, PLUG
3 Артикул: 6685466, O-RING
4 Артикул: 6684766, COVER
5 Артикул: 6684768, BOLT
6 Артикул: 6684769, O-RING
7 Артикул: 3974395, PIN straight
8 Артикул: 7010599, GASKET, GEARCASE
9 Артикул: 6680706, BOLT
10 Артикул: 6692375, BOLT
11 Артикул: 6692377, BOLT
12 Артикул: 6680686, BOLT
13 Артикул: 6692376, BOLT
14 Артикул: 6685082, BASE, FILTER W/Ref. 15
15 Артикул: 6672360, PLUG
16 Артикул: 6675517, FILTER, OIL ENG 12
17 Артикул: 6653809, CONNECTOR oil filter
18 Артикул: 6960963, BOLT
19 Артикул: 6652652, SPRING
20 Артикул: 10J13, BALL Was 6969574 - A
21 Артикул: 3974893, SEAT valve
22 Артикул: 3974894, FLANGE water return
23 Артикул: 6666803, GASKET water return flange
24 Артикул: 1CM620, BOLT Was 4CM620 - A

9G0001 И ВЫШЕ): Техника, которая работает на результат

КАРТЕР КОРОБКИ ПЕРЕДАЧ (СЕРИЙНЫЙ НОМЕР E/ 9G0001 И ВЫШЕ) на мини-экскаватор Bobcat 430 AA8711001 И ВЫШЕ, AACF11001 И ВЫШЕ

Габаритные размеры

Габаритные размеры и схема 9G0001 И ВЫШЕ)

Нажмите на схему для увеличения

Документация

Документация временно недоступна.

Похожая техника в категории: КАРТЕР КОРОБКИ ПЕРЕДАЧ (СЕРИЙНЫЙ НОМЕР E (Bobcat)