+7 (701) 588 50 05 Телефон для связи
RU

WhatsApp

Позвонить

АВТОТРАНСПОРТЕР (УСТАНОВКА ПРИВОДНОГО ДВИГАТЕЛЯ В СБОРЕ) (СО СПИДОМЕТРОМ) — Продажа в Казахстане Цены от официального дилера с доставкой в Алматы, Астану и регионы

Техника доступна в:
Полный спектр услуг:
Для Вашего удобства:
Характеристики и описание
Габариты, схема
Техническая документация
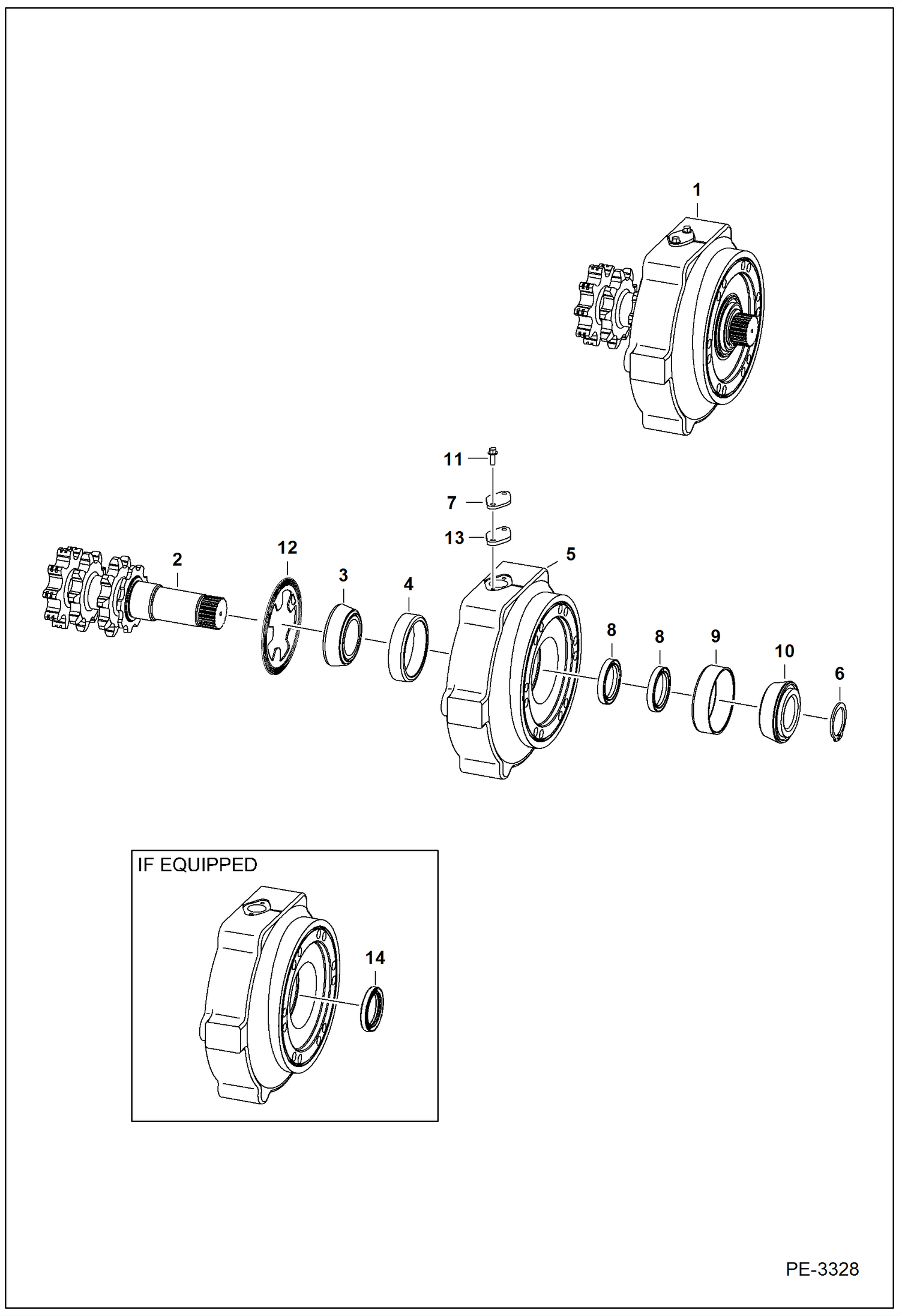
1 Артикул: CARRIER,, CARRIER, MOTOR See BTI419 - NLA - Ref. 2-14 - Was 7136291 - A
2 Артикул: 7214470, CARRIER, MOTOR DRIVE SERVICE See BTI419
3 Артикул: 7147579, SHAFT TRANS
4 Артикул: 6664845, CONE, BEARING Order W/Ref. 4
5 Артикул: 6650120, RACE
6 Артикул: HOUSING, HOUSING See BTI419 - NLA - Order Ref. 1 - Was 6729663 - A
7 Артикул: 6693415, RING
8 Артикул: 6730013, COVER
9 Артикул: SEAL,, SEAL, LIP NLA - If replacing order qty (1) of Ref. 14 - Was 6665755 - A
10 Артикул: 7100240, RACE Was 6664847
11 Артикул: 6693525, BEARING Order W/Ref. 9
12 Артикул: 35C412, BOLT
13 Артикул: 6690561, MAGNET speed sensor
14 Артикул: 7110287, GASKET
15 Артикул: 7269056, SEAL, LIP

АВТОТРАНСПОРТЕР (УСТАНОВКА ПРИВОДНОГО ДВИГАТЕЛЯ В СБОРЕ) (СО СПИДОМЕТРОМ): Техника, которая работает на результат

АВТОТРАНСПОРТЕР (УСТАНОВКА ПРИВОДНОГО ДВИГАТЕЛЯ В СБОРЕ) (СО СПИДОМЕТРОМ) на мини-погрузчик Bobcat A300 A5GW11001 И ВЫШЕ, A5GY11001 И ВЫШЕ

Габаритные размеры

Габаритные размеры и схема АВТОТРАНСПОРТЕР (УСТАНОВКА ПРИВОДНОГО ДВИГАТЕЛЯ В СБОРЕ) (СО СПИДОМЕТРОМ)

Нажмите на схему для увеличения

Документация

Документация временно недоступна.

Похожая техника в категории: ТРАНСМИССИЯ (Bobcat)