+7 (701) 588 50 05 Телефон для связи
RU

WhatsApp

Позвонить

БЛОК ЦИЛИНДРОВ — Продажа в Казахстане Цены от официального дилера с доставкой в Алматы, Астану и регионы

Техника доступна в:
Полный спектр услуг:
Для Вашего удобства:
Характеристики и описание
Габариты, схема
Техническая документация
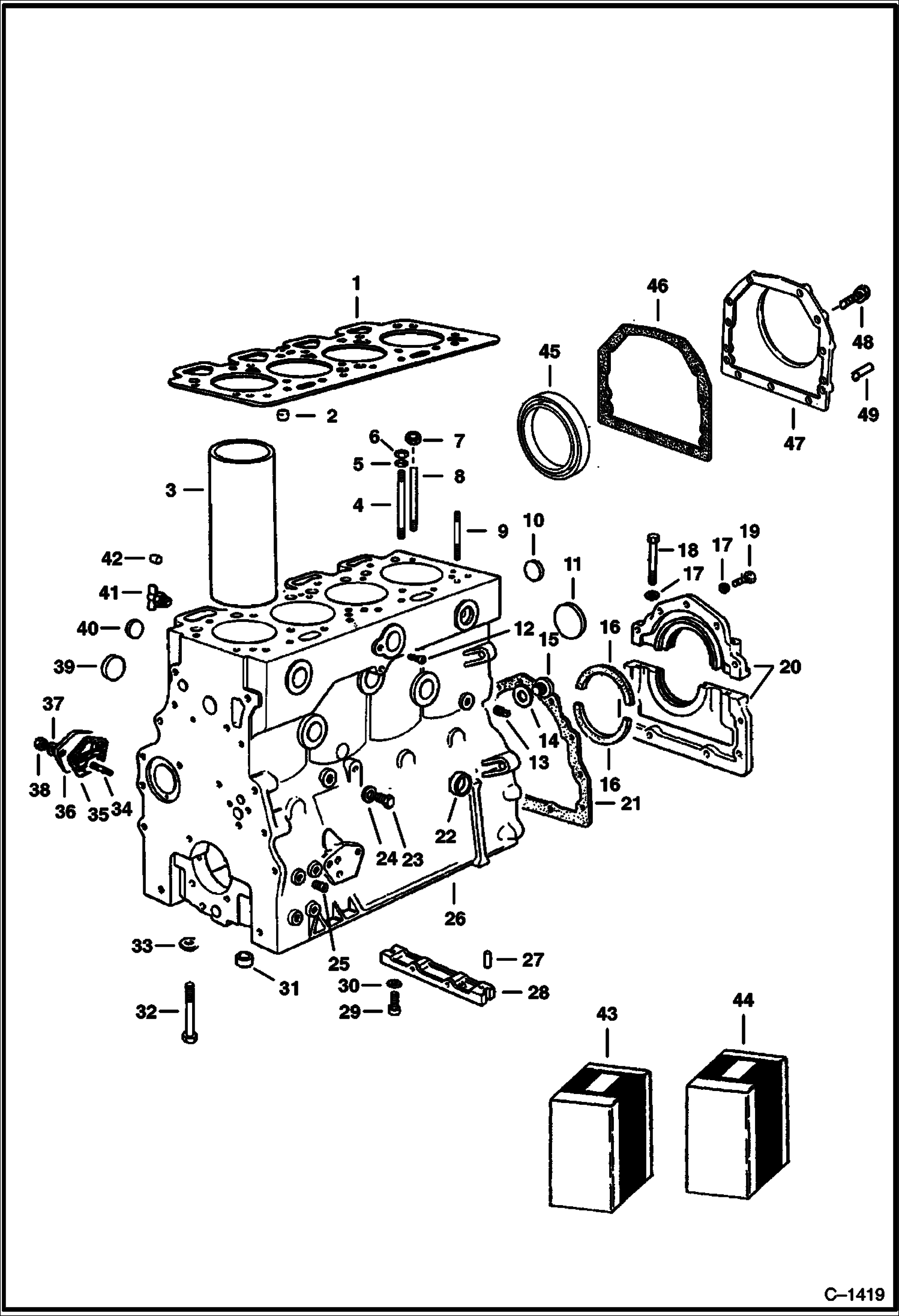
1 Артикул: 6649423, GASKET cylinder head - Was 3575053 - A
2 Артикул: 3739121, PLUG rocker oil feed
3 Артикул: 3725304, LINER cylinder
4 Артикул: 6649422, LINER cylinder
5 Артикул: 3725324, STUD head to block
6 Артикул: 3702421, WASHER
7 Артикул: 6515677, NUT head retaining
8 Артикул: 6599646, NUT head retaining - Was 3725377B - A
9 Артикул: 12G856, SCREW
10 Артикул: SCREW, SCREW NLA - Was 3575055 - A
11 Артикул: 3575054, BOLT
12 Артикул: 6649425, BOLT
13 Артикул: 6649426, BOLT
14 Артикул: 6649427, BOLT
15 Артикул: 3725325, STUD
16 Артикул: 3726064, PLUG block-rear face-Was 3725064 - D
17 Артикул: 6668210, PLUG Block - Was 3725310 - A
18 Артикул: 3725315, PLUG block
19 Артикул: 16F4, PLUG pipe
20 Артикул: 3725314, WASHER plug
21 Артикул: 3725313, PLUG rear pressure rail
22 Артикул: 3725337, SEAL oil
23 Артикул: 4E5, WASHER
24 Артикул: 18C540, BOLT
25 Артикул: 18C516, BOLT
26 Артикул: 3725335, HSG W/Ref. 16-18
27 Артикул: 3725338, GSKT
28 Артикул: 6519504, PLUG block - 1.394 - Was 3679284B - A
29 Артикул: 18C610, BOLT
30 Артикул: 3490721, WASHER plug
31 Артикул: 6515678, PLUG bearing face
32 Артикул: BLOCK, BLOCK See Illustration PERKINS DIESEL ENGINE/ B18337 NLA - ENGINE
33 Артикул: GASKET, GASKET NLA - bridge-piece - Was 3725341B - A
34 Артикул: 6667501, BLOCK block - Was 6634206 - A
35 Артикул: 6667502, SCREW Was 3725342B - A
36 Артикул: 3725343, WASHER
37 Артикул: 3725302, SLEEVE main bearing cap
38 Артикул: 6513096, BOLT
39 Артикул: 3725309, WASHER shim
40 Артикул: 6649450, STUD Was 3725328B - A
41 Артикул: 6668022, GASKET Was 3679997B - A
42 Артикул: 3725326, PLATE oil transfer - LH
43 Артикул: 4E7, WASHER
44 Артикул: 3725329, NUT
45 Артикул: 6670881, PLUG Induction Side - 1.513 - Was 3725306 - A
46 Артикул: 6519504, PLUG fuel pump side - Was 3679284B - A
47 Артикул: 3490150, DRAIN petcock
48 Артикул: 3727379, PLUG Induction Side
49 Артикул: 6510552, PLUG Was 907182B - A
50 Артикул: 6668015, GASKET KIT upper - Was 908230 - A
51 Артикул: 6630423, GASKET KIT lower
52 Артикул: SEAL, SEAL NLA - Was 3737844 - A
53 Артикул: 6674359, GASKET Was 997692 - A
54 Артикул: COVER, COVER NLA - Was 997691B - A
55 Артикул: COVER, COVER NLA - Was 6649424 - A
56 Артикул: 6667492, COVER Order Ref. 28, 45, 46, 27, & 19
57 Артикул: 6513098, BOLT
58 Артикул: 1305481, PIN

БЛОК ЦИЛИНДРОВ: Техника, которая работает на результат

БЛОК ЦИЛИНДРОВ на Bobcat 900s Bobcat 974 4969MA1001 И ВЫШЕ, 4969MB1001 И ВЫШЕ

Габаритные размеры

Габаритные размеры и схема БЛОК ЦИЛИНДРОВ

Нажмите на схему для увеличения

Документация

Документация временно недоступна.

Похожая техника в категории: ЗАПЧАСТИ ДВИГАТЕЛЯ (Bobcat)

Спецтехника ДВОЙНОЙ ФИЛЬТР (ДВИГАТЕЛЬ СПЕЦИФИКАЦИИ LD 22557)

ДВОЙНОЙ ФИЛЬТР (ДВИГАТЕЛЬ СПЕЦИФИКАЦИИ LD 22557)

1Артикул: 961048...
2Артикул: 349035...
3Артикул: 651310...
Подробнее >
Спецтехника ТОПЛИВНЫЙ НАСОС

ТОПЛИВНЫЙ НАСОС

1Артикул: PUMP, ...
2Артикул: PUMP, ...
3Артикул: 666663...
Подробнее >
Спецтехника ТОПЛИВО ДЛЯ ДВИГАТЕЛЯ И ДЕТАЛИ ВЫХЛОПНОГО КОЛЛЕКТОРА

ТОПЛИВО ДЛЯ ДВИГАТЕЛЯ И ДЕТАЛИ ВЫХЛОПНОГО КОЛЛЕКТОРА

1Артикул: ENGINE...
2Артикул: 659196...
3Артикул: 42H40,...
Подробнее >
Спецтехника СМАЗКА ДВИГАТЕЛЯ И КРЕПЕЖНЫЕ ДЕТАЛИ ЭЛЕКТРИЧЕСКИХ МЕХАНИЗМОВ

СМАЗКА ДВИГАТЕЛЯ И КРЕПЕЖНЫЕ ДЕТАЛИ ЭЛЕКТРИЧЕСКИХ МЕХАНИЗМОВ

1Артикул: ENGINE...
2Артикул: 17C512...
3Артикул: 1CM825...
Подробнее >
Спецтехника СИСТЕМА ВПРЫСКА ТОПЛИВА

СИСТЕМА ВПРЫСКА ТОПЛИВА

1Артикул: 349009...
2Артикул: 349009...
3Артикул: 372568...
Подробнее >
Спецтехника ШЕСТЕРНИ РАСПРЕДЕЛИТЕЛЬНОГО ВАЛА

ШЕСТЕРНИ РАСПРЕДЕЛИТЕЛЬНОГО ВАЛА

1Артикул: 18C818...
2Артикул: 372548...
3Артикул: 372548...
Подробнее >
Спецтехника ВОЗДУХООЧИСТИТЕЛЬ (ДВА ЭЛЕМЕНТА - СЕРИЙНЫЙ НОМЕР 12704 И ВЫШЕ)

ВОЗДУХООЧИСТИТЕЛЬ (ДВА ЭЛЕМЕНТА - СЕРИЙНЫЙ НОМЕР 12704 И ВЫШЕ)

1Артикул: 700107...
2Артикул: 659889...
3Артикул: 428009...
Подробнее >
Спецтехника ВОЗДУХООЧИСТИТЕЛЬ (ЕДИНЫЙ ЭЛЕМЕНТ - СЕРИЙНЫЙ НОМЕР 12703 И НИЖЕ)

ВОЗДУХООЧИСТИТЕЛЬ (ЕДИНЫЙ ЭЛЕМЕНТ - СЕРИЙНЫЙ НОМЕР 12703 И НИЖЕ)

1Артикул: AIR, A...
2Артикул: 651906...
3Артикул: 651906...
Подробнее >
Спецтехника СОЕДИНИТЕЛЬНАЯ ТЯГА И ПОРШЕНЬ

СОЕДИНИТЕЛЬНАЯ ТЯГА И ПОРШЕНЬ

1Артикул: 666203...
2Артикул: 666294...
3Артикул: 651570...
Подробнее >
Спецтехника ОСЬ КЛАПАННОГО КОРОМЫСЛА

ОСЬ КЛАПАННОГО КОРОМЫСЛА

1Артикул: 664079...
2Артикул: 664943...
3Артикул: 372532...
Подробнее >
Спецтехника БАЛАНСИРОВОЧНЫЙ УЗЕЛ (ДВИГАТЕЛЬ СЕРИЙНЫЙ НОМЕР 70095U967562L И ВЫШЕ)

БАЛАНСИРОВОЧНЫЙ УЗЕЛ (ДВИГАТЕЛЬ СЕРИЙНЫЙ НОМЕР 70095U967562L И ВЫШЕ)

1Артикул: 663167...
2Артикул: 663150...
3Артикул: 663150...
Подробнее >
Спецтехника БАЛАНСИРОВОЧНЫЙ УЗЕЛ (ДВИГАТЕЛЬ СЕРИЙНЫЙ НОМЕР 70095U967561L И НИЖЕ)

БАЛАНСИРОВОЧНЫЙ УЗЕЛ (ДВИГАТЕЛЬ СЕРИЙНЫЙ НОМЕР 70095U967561L И НИЖЕ)

1Артикул: BALANC...
2Артикул: 663083...
3Артикул: 18C536...
Подробнее >