+7 (701) 588 50 05 Телефон для связи
RU

WhatsApp

Позвонить

БЛОК ЦИЛИНДРОВ — Продажа в Казахстане Цены от официального дилера с доставкой в Алматы, Астану и регионы

Техника доступна в:
Полный спектр услуг:
Для Вашего удобства:
Характеристики и описание
Габариты, схема
Техническая документация
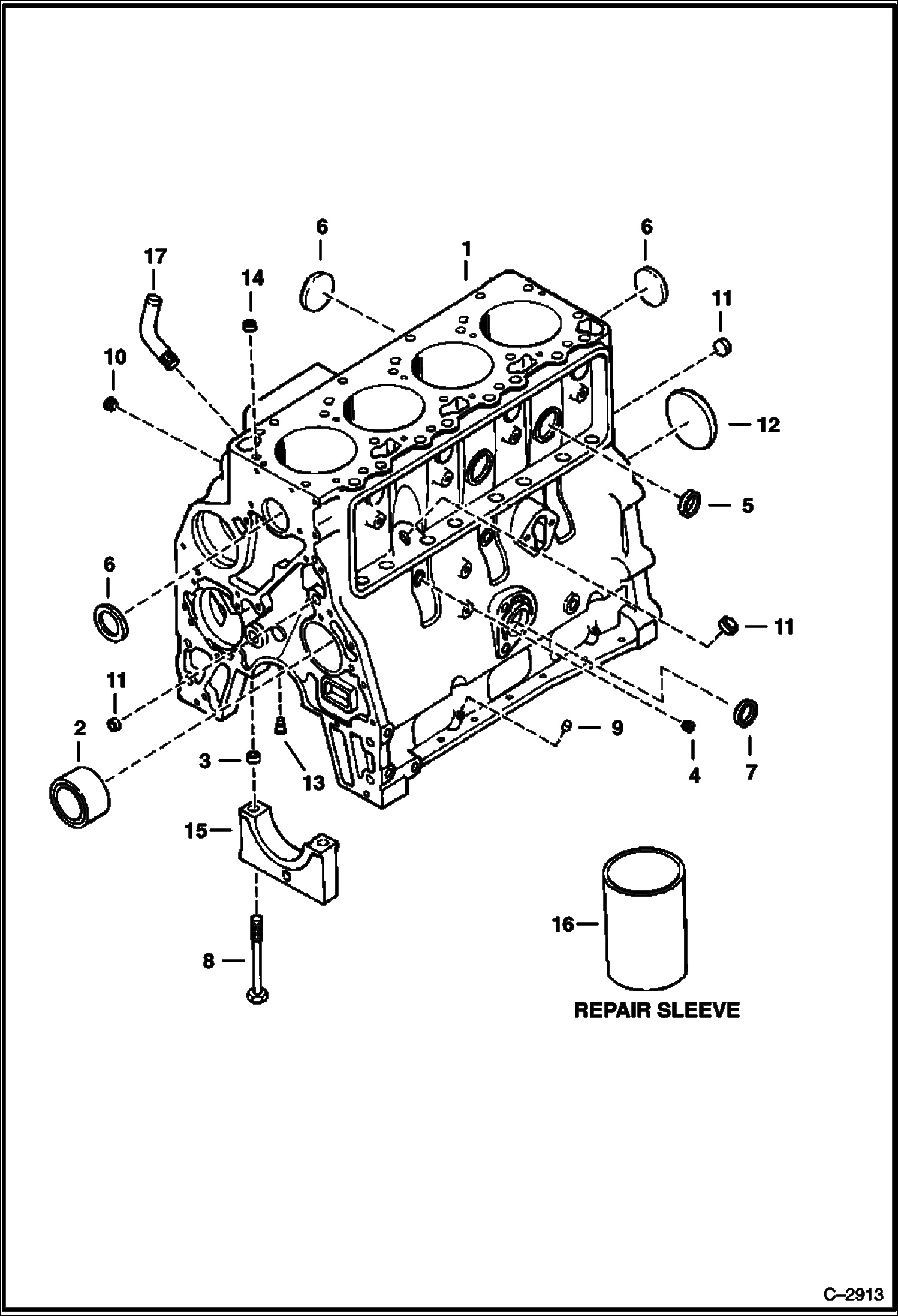
1 Артикул: BLOCK, BLOCK NLA - cylinder - W/Ref. 2-16 - Was 6631377 - A
2 Артикул: 6631145, BUSHING
3 Артикул: 6652493, BUSHING Oversize Bushing for No. 1 Bore
4 Артикул: 6652494, BUSHING Oversize Bushing for No. 2-5 Bore
5 Артикул: 6631100, DOWEL
6 Артикул: 6631073, PLUG
7 Артикул: PLUG, PLUG NLA - Was 12F000100B - A
8 Артикул: 6631120, PLUG
9 Артикул: 12F104, PLUG
10 Артикул: BOLT, BOLT NLA - Was 1CM014119B - A
11 Артикул: 6631119, PLUG
12 Артикул: 6631075, PLUG Was 6631413 - A
13 Артикул: PLUG, PLUG NLA - Was 12F000011B - A
14 Артикул: PLUG, PLUG NLA - Was 12F000206B - A
15 Артикул: 6631124, NOZZLE piston cooling
16 Артикул: 6631176, DOWEL
17 Артикул: 6631121, CAP
18 Артикул: 6631109, LINERS
19 Артикул: 6631247, TUBE turbo drain - Was 6631206 - A

БЛОК ЦИЛИНДРОВ: Техника, которая работает на результат

БЛОК ЦИЛИНДРОВ на Bobcat 900s Bobcat 980 5053M11001 И ВЫШЕ

Габаритные размеры

Габаритные размеры и схема БЛОК ЦИЛИНДРОВ

Нажмите на схему для увеличения

Документация

Документация временно недоступна.

Похожая техника в категории: ЗАПЧАСТИ ДВИГАТЕЛЯ (Bobcat)

Спецтехника ДВИГАТЕЛЬ (CUMMINS)

ДВИГАТЕЛЬ (CUMMINS)

1Артикул: ENGINE...
2Артикул: 659360...
3Артикул: BLOCK,...
Подробнее >
Спецтехника ТОПЛИВНАЯ ФОРСУНКА

ТОПЛИВНАЯ ФОРСУНКА

1Артикул: 663108...
2Артикул: 663108...
3Артикул: 663111...
Подробнее >
Спецтехника ВОЗДУХООЧИСТИТЕЛЬ (ДВА ЭЛЕМЕНТА)

ВОЗДУХООЧИСТИТЕЛЬ (ДВА ЭЛЕМЕНТА)

1Артикул: 659355...
2Артикул: 659889...
3Артикул: 428009...
Подробнее >
Спецтехника ГОЛОВКА БЛОКА ЦИЛИНДРОВ

ГОЛОВКА БЛОКА ЦИЛИНДРОВ

1Артикул: HEAD, ...
2Артикул: 663107...
3Артикул: 663113...
Подробнее >
Спецтехника ДВИГАТЕЛЬ И КРЕПЕЖНЫЕ ДЕТАЛИ

ДВИГАТЕЛЬ И КРЕПЕЖНЫЕ ДЕТАЛИ

1Артикул: 659355...
2Артикул: 659356...
3Артикул: 25E17,...
Подробнее >
Спецтехника КРЫШКИ

КРЫШКИ

1Артикул: 663119...
2Артикул: 663119...
3Артикул: 663116...
Подробнее >
Спецтехника ДРОССЕЛЬНАЯ ЗАСЛОНКА

ДРОССЕЛЬНАЯ ЗАСЛОНКА

1Артикул: 2J4200...
2Артикул: 130422...
3Артикул: 1F208,...
Подробнее >
Спецтехника МАХОВИК

МАХОВИК

1Артикул: 665250...
2Артикул: 663122...
3Артикул: 663110...
Подробнее >
Спецтехника БАЛАНСИРОВОЧНОЕ УСТРОЙСТВО

БАЛАНСИРОВОЧНОЕ УСТРОЙСТВО

1Артикул: 663140...
2Артикул: 663139...
3Артикул: RACE, ...
Подробнее >
Спецтехника КОМПЛЕКТ ПРОКЛАДОК (ВЕРХНИЙ)

КОМПЛЕКТ ПРОКЛАДОК (ВЕРХНИЙ)

1Артикул: 663109...
2Артикул: GASKET...
3Артикул: 663109...
Подробнее >
Спецтехника ТОПЛИВНЫЙ НАСОС

ТОПЛИВНЫЙ НАСОС

1Артикул: PUMP, ...
2Артикул: 666093...
3Артикул: 666093...
Подробнее >
Спецтехника ТУРБОКОМПРЕССОР

ТУРБОКОМПРЕССОР

1Артикул: TURBOC...
2Артикул: 663483...
3Артикул: 663483...
Подробнее >