+7 (701) 588 50 05 Телефон для связи
RU

WhatsApp

Позвонить

БЛОК ДВИГАТЕЛЯ — Продажа в Казахстане Цены от официального дилера с доставкой в Алматы, Астану и регионы

Техника доступна в:
Полный спектр услуг:
Для Вашего удобства:
Характеристики и описание
Габариты, схема
Техническая документация
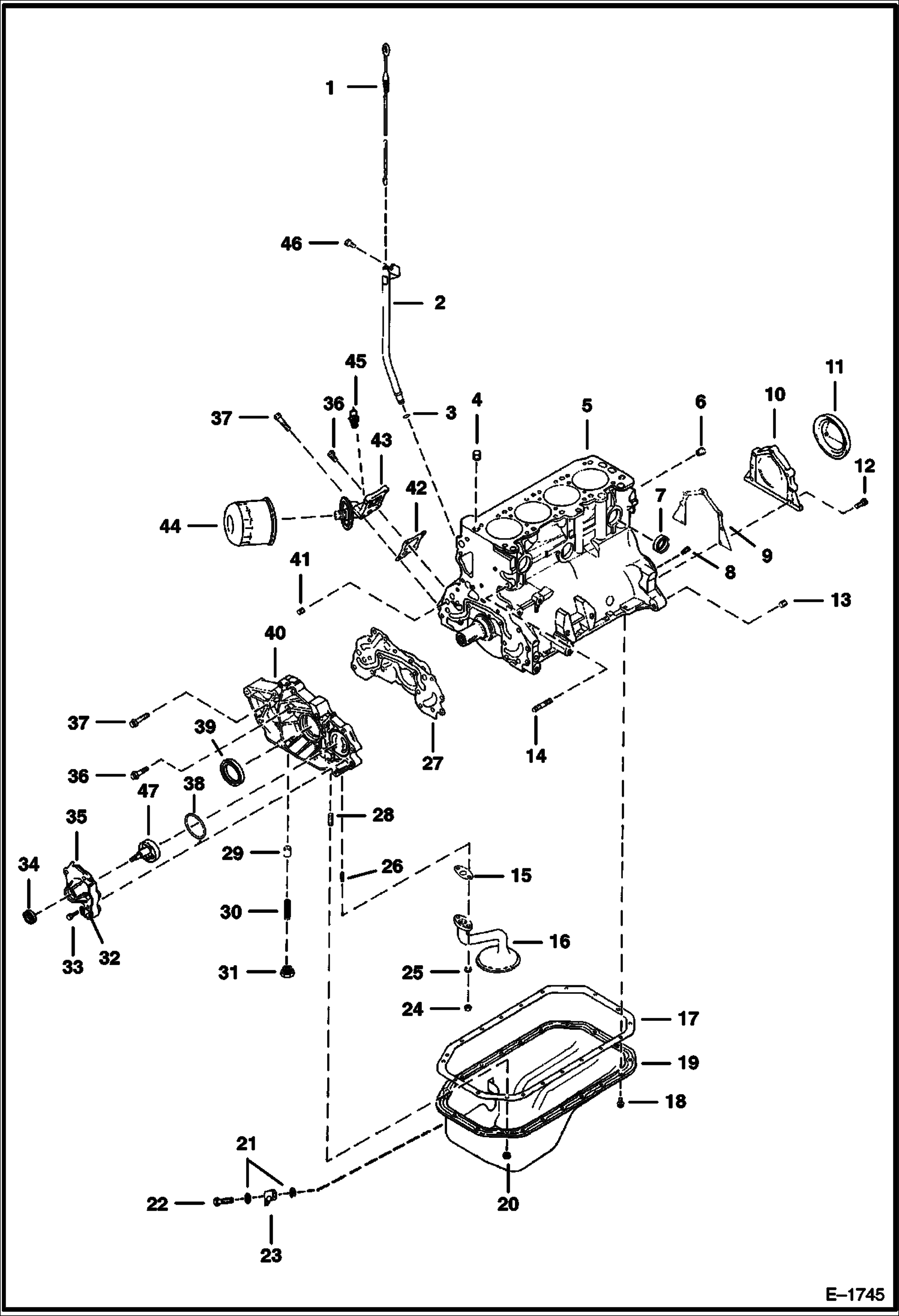
1 Артикул: 6632626, DIPSTICK
2 Артикул: 6632625, TUBE dipstick
3 Артикул: 6632842, O-RING
4 Артикул: 6632874, BUSHING
5 Артикул: BLOCK, BLOCK NLA - cyl. - W/Ref. 4, 6-8, 13, 14 & 41 - Was 6667833 - A
6 Артикул: 6632878, PLUG
7 Артикул: 6632650, PLUG
8 Артикул: 21JM614, PIN
9 Артикул: 6632705, GASKET
10 Артикул: 6632704, HOUSING oil seal
11 Артикул: 6632738, SEAL oil
12 Артикул: 29CM620, SCREW
13 Артикул: 6632873, BUSHING
14 Артикул: 6632703, STUD
15 Артикул: 6632708, GASKET
16 Артикул: 6632709, SCREEN oil
17 Артикул: 6632707, GASKET
18 Артикул: 6632730, BOLT
19 Артикул: 6632622, OIL PAN
20 Артикул: 6632841, NUT
21 Артикул: 6632630, WASHER
22 Артикул: ELBOW, ELBOW NLA - Was 6632628 oil drain
23 Артикул: BOLT,, BOLT, EYE NLA - Was 6632629 - A
24 Артикул: 1DM8, NUT
25 Артикул: 6EM80, WASHER, SPRING
26 Артикул: 6632839, STUD
27 Артикул: 6632715, GASKET
28 Артикул: 6632840, STUD
29 Артикул: 6632742, PLUNGER
30 Артикул: 6632737, SPRING
31 Артикул: 6632743, PLUG
32 Артикул: 6EM60, WASHER, SPRING
33 Артикул: BOLT, BOLT NLA - Was 1CM622 - A
34 Артикул: 6632751, SEAL oil
35 Артикул: 6632732, COVER W/Ref. 34
36 Артикул: 29CM840, SCREW
37 Артикул: 29CM835, BOLT
38 Артикул: 6632716, GASKET
39 Артикул: 6632752, SEAL oil
40 Артикул: 6660302, COVER front - W/Ref. 26, 28-31 & 39
41 Артикул: 6660302, COVER front - W/Ref. 26, 28-31 & 39
42 Артикул: 6632872, BUSHING
43 Артикул: 6632706, GASKET
44 Артикул: 6632624, BRACKET oil filter
45 Артикул: 6632745, FILTER
46 Артикул: 6632623, SWITCH oil pressure
47 Артикул: 6632825, BOLT
48 Артикул: 6632733, PUMP oil

БЛОК ДВИГАТЕЛЯ: Техника, которая работает на результат

БЛОК ДВИГАТЕЛЯ на Bobcat 700s Bobcat 742 501811001 И ВЫШЕ, 507423001 И ВЫШЕ

Габаритные размеры

Габаритные размеры и схема БЛОК ДВИГАТЕЛЯ

Нажмите на схему для увеличения

Документация

Документация временно недоступна.

Похожая техника в категории: ЗАПЧАСТИ ДВИГАТЕЛЯ (Bobcat)

Спецтехника РЕГУЛЯТОРА ОБОРОТОВ (КРЮК)

РЕГУЛЯТОРА ОБОРОТОВ (КРЮК)

1Артикул: 663252...
2Артикул: 45G121...
3Артикул: 651393...
Подробнее >
Спецтехника ДВИГАТЕЛЬ (MITSUBISHI 4G32)

ДВИГАТЕЛЬ (MITSUBISHI 4G32)

1Артикул: ENGINE...
2Артикул: 659976...
3Артикул: SHORT,...
Подробнее >
Спецтехника ВОДЯНАЯ ПОМПА (ДВИГАТЕЛЬ FORD)

ВОДЯНАЯ ПОМПА (ДВИГАТЕЛЬ FORD)

1Артикул: 664068...
2Артикул: 4CM810...
3Артикул: 651249...
Подробнее >
Спецтехника ДРОССЕЛЬНАЯ ЗАСЛОНКА И ВОЗДУШНАЯ ЗАСЛОНКА(ДВИГАТЕЛЬ FORD)

ДРОССЕЛЬНАЯ ЗАСЛОНКА И ВОЗДУШНАЯ ЗАСЛОНКА(ДВИГАТЕЛЬ FORD)

1Артикул: 656299...
2Артикул: 45G100...
3Артикул: 50D10,...
Подробнее >
Спецтехника КАРБЮРАТОР

КАРБЮРАТОР

1Артикул: CARBUR...
2Артикул: 6EM50,...
3Артикул: MTG., ...
Подробнее >
Спецтехника ДВИГАТЕЛЬ (FORD)

ДВИГАТЕЛЬ (FORD)

1Артикул: ENGINE...
2Артикул: 656529...
3Артикул: SHORT,...
Подробнее >
Спецтехника КОММУТАЦИОННЫЙ ПРОВОД

КОММУТАЦИОННЫЙ ПРОВОД

1Артикул: 663277...
2Артикул: 663276...
3Артикул: 663272...
Подробнее >
Спецтехника ДВИГАТЕЛЬ И КРЕПЕЖНЫЕ ДЕТАЛИ (MITSUBISHI ДВИГАТЕЛЬ)

ДВИГАТЕЛЬ И КРЕПЕЖНЫЕ ДЕТАЛИ (MITSUBISHI ДВИГАТЕЛЬ)

1Артикул: 42H32,...
2Артикул: 35C610...
3Артикул: 656243...
Подробнее >
Спецтехника РАСПРЕДЕЛИТЕЛЬНОЕ УСТРОЙСТВО

РАСПРЕДЕЛИТЕЛЬНОЕ УСТРОЙСТВО

1Артикул: 663261...
2Артикул: 663281...
3Артикул: CAP, C...
Подробнее >
Спецтехника КОЛЕНЧАТЫЙ ВАЛ И ПОРШНИ

КОЛЕНЧАТЫЙ ВАЛ И ПОРШНИ

1Артикул: 663276...
2Артикул: 663276...
3Артикул: 663276...
Подробнее >
Спецтехника БЛОК ЦИЛИНДРОВ (ДВИГАТЕЛЬ FORD)

БЛОК ЦИЛИНДРОВ (ДВИГАТЕЛЬ FORD)

1Артикул: COVER,...
2Артикул: 651249...
3Артикул: 651247...
Подробнее >
Спецтехника ДВИГАТЕЛЬ И КРЕПЕЖНЫЕ ДЕТАЛИ (ДВИГАТЕЛЬ FORD)

ДВИГАТЕЛЬ И КРЕПЕЖНЫЕ ДЕТАЛИ (ДВИГАТЕЛЬ FORD)

1Артикул: 84G371...
2Артикул: 656786...
3Артикул: 83D6, ...
Подробнее >