+7 (701) 588 50 05 Телефон для связи
RU

WhatsApp

Позвонить

ЦИЛИНДР РУКОЯТИ - ГИДРОЗАМОК(СТРЕЛА 6.3 м) — Продажа в Казахстане Цены от официального дилера с доставкой в Алматы, Астану и регионы

Техника доступна в:
Полный спектр услуг:
Для Вашего удобства:
Характеристики и описание
Габариты, схема
Техническая документация
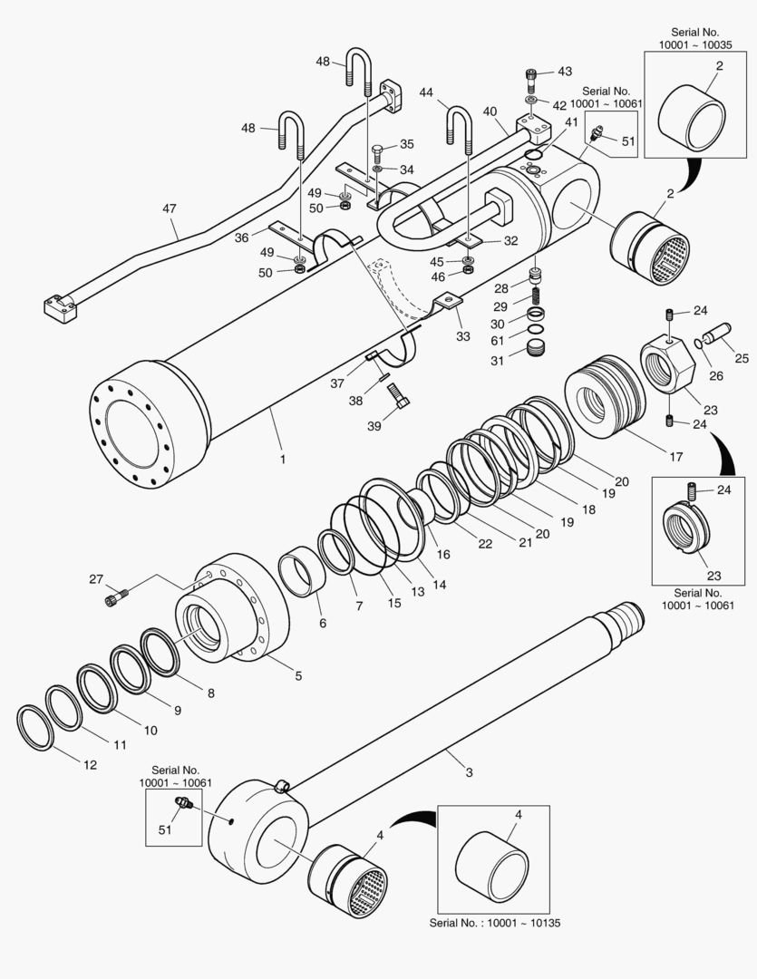
1 Артикул: K1014461A, ARM CYLINDER
2 Артикул: 400305-00434, CYLINDER,ARM;LOCK V/V
3 Артикул: 400305-00434A, CYLINDER,ARM;LOCK V/V
4 Артикул: 400305-00434B, CYLINDER,ARM;LOCK V/V
5 Артикул: K9002310, TUBE ASS`Y
6 Артикул: 420406-01360, TUBE ASSY
7 Артикул: 420406-01518, TUBE ASSY
8 Артикул: K1000746, BUSH
9 Артикул: 131004-00121, BUSHING
10 Артикул: K9002311A, ROD ASS`Y
11 Артикул: 400337-00573, ROD,CYLINDER
12 Артикул: 400337-00641, ROD,CYLINDER
13 Артикул: K9001959, COVER;ROD
14 Артикул: 110508-17368, COVER,ROD
15 Артикул: 110-00121, BUSH;DD
16 Артикул: 115-00108, RING,RETAINING
17 Артикул: K9001960, SEAL,BUFFER
18 Артикул: K9001961, PACKING,U
19 Артикул: K9001962, RING;BACK UP
20 Артикул: 111102-00142, RING,BACK UP
21 Артикул: 115-00115, WIPER,DUST
22 Артикул: 115-00109, RING;RETAINING
23 Артикул: S8011801, O-RING
24 Артикул: K9001963, RING,BACK UP
25 Артикул: 2180-1216D153, O-RING
26 Артикул: K9001964, RING,CUSHION
27 Артикул: 409-00030, PISTON
28 Артикул: 180-00326, SEAL;SLIPPER
29 Артикул: 115-00113, RING,WEAR
30 Артикул: 115-00111, RING;SLYD
31 Артикул: S8011051, O-RING
32 Артикул: 1.180-00630, RING,BACK UP
33 Артикул: K9001965, NUT
34 Артикул: 120312-00460, NUT,PISTON
35 Артикул: 1.120-00219, SCREW;SET
36 Артикул: S3524101, SCREW;SET
37 Артикул: 424-00080, PLUNGER;CUSHION
38 Артикул: 115-00094, RING;STOP
39 Артикул: S2234471, BOLT;HEX SOCKET
40 Артикул: 420-00132, VALVE;CHECK
41 Артикул: 129-00071, SPRING
42 Артикул: 1.195-00022, SUPPORT,SPRING
43 Артикул: 2181-1116D3, PLUG
44 Артикул: 430221-00136, PLUG
45 Артикул: K9001966, PIPE BAND ASS`Y-H
46 Артикул: 124-00128, BAND;PIPE
47 Артикул: S5100703, WASHER,SPRING
48 Артикул: S0560563, BOLT M12X1.75X40
49 Артикул: 124-00133, PIPE BAND ASS`Y-B
50 Артикул: K9001967, PIPE ASS`Y-H
51 Артикул: S8000401, O-RING
52 Артикул: S5100803, WASHER
53 Артикул: S2219071, BOLT
54 Артикул: 120-00178, U-BOLT
55 Артикул: S4010733, NUT,HEX
56 Артикул: K9002786, PIPE ASS`Y-R
57 Артикул: 420210-01025, PIPE ASS`Y-R
58 Артикул: 420210-01025A, PIPE ASS`Y-R
59 Артикул: S6710032, NIPPLE;GREASE
60 Артикул: S8000145, O-RING
61 Артикул: K9002002, SEAL KIT;ARM CYL

ЦИЛИНДР РУКОЯТИ - ГИДРОЗАМОК(СТРЕЛА 6.3 м): Техника, которая работает на результат

ЦИЛИНДР РУКОЯТИ - ГИДРОЗАМОК(СТРЕЛА 6.3 м) на Doosan Экскаваторы DX480LCA / DX500LCA / DX520LCA

Габаритные размеры

Габаритные размеры и схема ЦИЛИНДР РУКОЯТИ - ГИДРОЗАМОК(СТРЕЛА 6.3 м)

Нажмите на схему для увеличения

Документация

Документация временно недоступна.

Похожая техника в категории: ГИДРАВЛИЧЕСКИЕ ЗАПЧАСТИ (Develon)

Спецтехника ХОДОВОЙ ГИДРОМОТОР

ХОДОВОЙ ГИДРОМОТОР

1Артикул: 430215...
2Артикул: -, REA...
3Артикул: 410207...
Подробнее >
Спецтехника КЛАПАН ДЖОЙСТИКА

КЛАПАН ДЖОЙСТИКА

1Артикул: 410113...
2Артикул: 410113...
3Артикул: -, CAS...
Подробнее >
Спецтехника ЦИЛИНДР РУКОЯТИ - РУКОЯТЬ 2.4 м

ЦИЛИНДР РУКОЯТИ - РУКОЯТЬ 2.4 м

1Артикул: K10143...
2Артикул: 400305...
3Артикул: 400305...
Подробнее >
Спецтехника ЦИЛИНДР СТРЕЛЫ - ЛЕВОСТОРОННИЙ

ЦИЛИНДР СТРЕЛЫ - ЛЕВОСТОРОННИЙ

1Артикул: 400309...
2Артикул: 420402...
3Артикул: 131004...
Подробнее >
Спецтехника РЕГУЛИРУЮЩИЙ КЛАПАН(1)

РЕГУЛИРУЮЩИЙ КЛАПАН(1)

1Артикул: 410105...
2Артикул: 2.421-...
3Артикул: 420-00...
Подробнее >
Спецтехника ЦИЛИНДР КОВША

ЦИЛИНДР КОВША

1Артикул: K10018...
2Артикул: 400310...
3Артикул: 400310...
Подробнее >
Спецтехника ЦИЛИНДР КОВША - РУКОЯТЬ 2.9 м

ЦИЛИНДР КОВША - РУКОЯТЬ 2.9 м

1Артикул: 400310...
2Артикул: 400310...
3Артикул: 400310...
Подробнее >
Спецтехника ЦИЛИНДР РУКОЯТИ - РУКОЯТЬ 2.4 м

ЦИЛИНДР РУКОЯТИ - РУКОЯТЬ 2.4 м

1Артикул: 400305...
2Артикул: 420406...
3Артикул: 131004...
Подробнее >
Спецтехника РЕГУЛИРУЮЩИЙ КЛАПАН(2)

РЕГУЛИРУЮЩИЙ КЛАПАН(2)

1Артикул: 410105...
2Артикул: -, HOU...
3Артикул: K90019...
Подробнее >
Спецтехника ЦИЛИНДР КОВША - РУКОЯТЬ 8 м

ЦИЛИНДР КОВША - РУКОЯТЬ 8 м

1Артикул: 400310...
2Артикул: 420406...
3Артикул: 131008...
Подробнее >
Спецтехника ЦИЛИНДР РУКОЯТИ

ЦИЛИНДР РУКОЯТИ

1Артикул: 400305...
2Артикул: 420406...
3Артикул: 131004...
Подробнее >
Спецтехника КЛАПАН ДЖОЙСТИКА

КЛАПАН ДЖОЙСТИКА

1Артикул: 410113...
2Артикул: 410113...
3Артикул: 2181-1...
Подробнее >