+7 (701) 588 50 05 Телефон для связи
RU

WhatsApp

Позвонить

ДЕТАЛИ ДВИГАТЕЛЯ I (СЕРИЙНЫЙ НОМЕР ADBR11169 И ВЫШЕ, ADBS11169 И ВЫШЕ) — Продажа в Казахстане Цены от официального дилера с доставкой в Алматы, Астану и регионы

Техника доступна в:
Полный спектр услуг:
Для Вашего удобства:
Характеристики и описание
Габариты, схема
Техническая документация
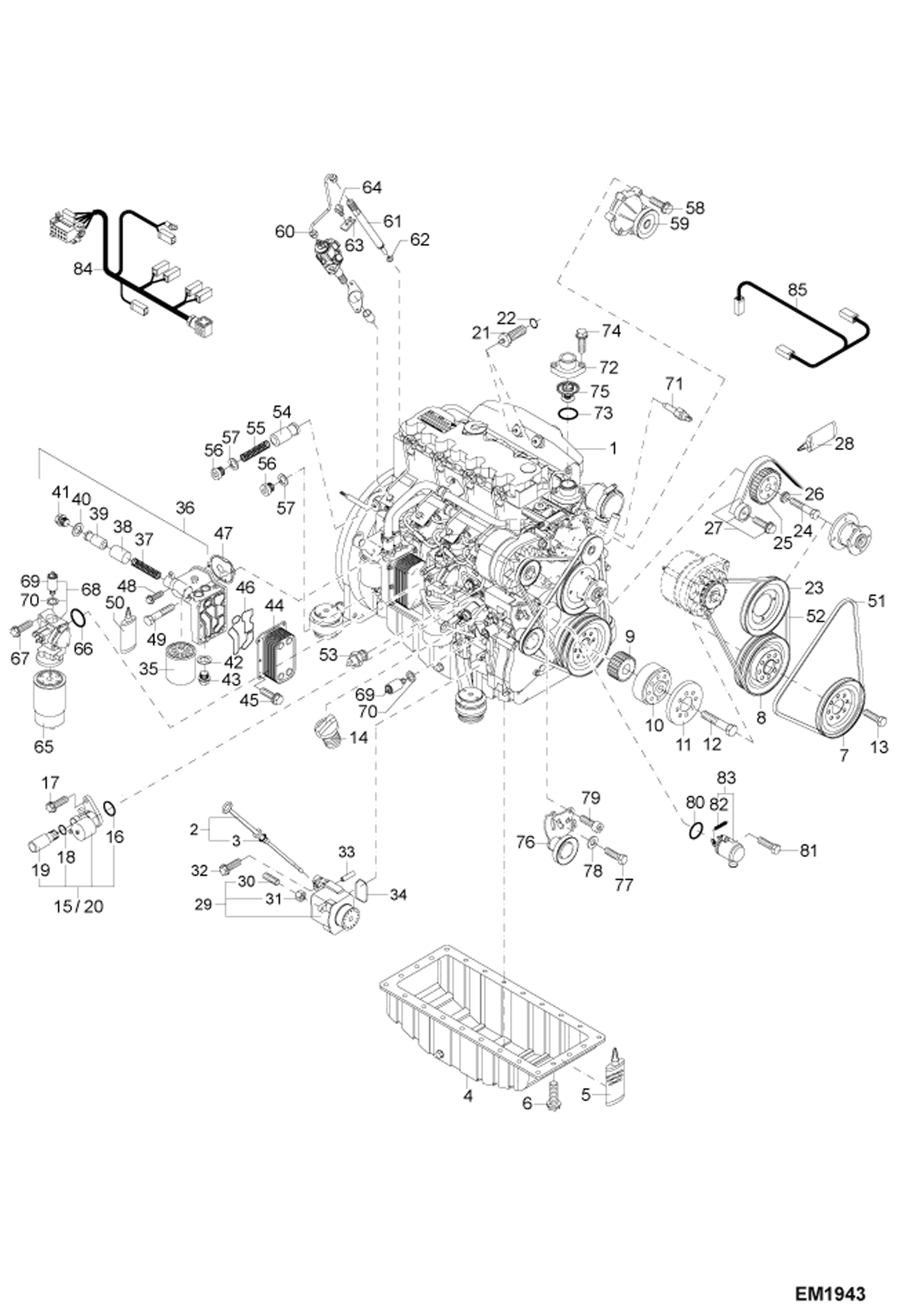
1 Артикул: 5411662525, DIESEL ENGINE
2 Артикул: 5411657084, OIL STICK See Illustration DIPSTICK, FILTER & OIL COOLER/ EM5673 W/Ref. 3
3 Артикул: 5411657129, O-SEAL
4 Артикул: 5411657085, OIL PAN See Illustration OIL PAN & FLYWHEEL HOUSING/ EM5654
5 Артикул: 5411657382, PACKING COMPOUND
6 Артикул: 5411664027, BOLT
7 Артикул: 7015344, PULLEY V-GROOVED See Illustration PISTON AND CRANKSHAFT/ EM5657
8 Артикул: 5411656509, PULLEY EUROPE See Illustration PISTON AND CRANKSHAFT/ EM5657
9 Артикул: 5411664519, SYNCHRONE BERLT PULLEY
10 Артикул: 5411664031, OUTPUT FLANGE See Illustration PISTON AND CRANKSHAFT/ EM5657
11 Артикул: 5411663472, LUBE DEFLECTOR
12 Артикул: 5411664525, BOLT
13 Артикул: 5411664040, BOLT
14 Артикул: 6666530, CAP Was 5411657927 - A
15 Артикул: 5411663943, FUEL PUMP See Illustration FUEL FEEDING/ EM5689 W/Ref. 16 & 18-19
16 Артикул: 5411663944, O-SEAL
17 Артикул: 7015340, BOLT TORX-HEAD Was 5411663945 - A
18 Артикул: 5411663946, SEAL RING
19 Артикул: 5411657053, HAND PUMP
20 Артикул: 5411663947, REPAIR KIT fuel pump
21 Артикул: 5411656283, GLOW PLUG See Illustration MANIFOLD/ EM5695
22 Артикул: 5411657049, SEAL RING
23 Артикул: 5411657026, PULLEY, DRIVE
24 Артикул: 5411664082, BOLT
25 Артикул: 5411664081, SYNCHRONE BELT PULLEY See Illustration CAMSHAFT/ EM5670
26 Артикул: 5411664084, WASHER
27 Артикул: 5411657858, REPAIR KIT See Illustration CAMSHAFT/ EM5670 syncron belt
28 Артикул: 5411664001, PACKING COMPOUND
29 Артикул: 5411664076, LUBRICATION OIL PUMP See Illustration DIPSTICK, FILTER & OIL COOLER/ EM5673 W/Ref. 30-31
30 Артикул: 5411664077, STUD
31 Артикул: 7013372, NUT HEXAGON Was 5411657266 - A
32 Артикул: 7015341, BOLT TORX-HEAD Was 5411664080 - D
33 Артикул: 5411664080, BOLT
34 Артикул: 5411657861, SEAL RING
35 Артикул: 5411642211, OIL FILTER ENGINE
36 Артикул: 7018609, BRACKET See Illustration DIPSTICK, FILTER & OIL COOLER/ EM5673 W/Ref. 37-46 - Was 7015314 - A
37 Артикул: 7015318, SPRING COMPRESSION Was 5411664098 - A
38 Артикул: 7015319, VALVE CONTROL Was 5411664099 - A
39 Артикул: 7015339, SENSOR TEMPERATURE Was 5411664100 - A
40 Артикул: 7015313, RING SEALING Was 5411664101 - A
41 Артикул: 7015310, PLUG SCREW Was 5411657549 - A
42 Артикул: 7015312, RING SEALING Was 5411657373 - A
43 Артикул: 7015309, PLUG SCREW Was 5411656431 - A
44 Артикул: 7015321, LUBRICANT Was 5411664102 - A
45 Артикул: 7013411, BOLT HEXAGON Was 5411663208 - A
46 Артикул: 7015336, PACKING SHAPED Was 5411664103 - A
47 Артикул: 7015322, GASKET Was 5411664106 - A
48 Артикул: 5411657890, BOLT
49 Артикул: 7015342, BOLT TORX-HEAD Was 5411664107 - B
50 Артикул: 5411656806, MOUNTING DEVICE
51 Артикул: 5411663919, V-BELT coolant pump
52 Артикул: 5411664891, V-BELT (GENERATOR) generator
53 Артикул: 7013420, SWITCH OIL PRESSUR. See Illustration CRANKCASE/ EM5653 Was 5411663213 - A
54 Артикул: 5411663889, VALVE, ENGINE See Illustration CRANKCASE/ EM5653 Was 5411663792 - A
55 Артикул: 5411664110, COMPRESSION SPRING
56 Артикул: 5411657549, PLUG See Illustration CRANKCASE/ EM5653 Was 5411663794 - A
57 Артикул: 5411664011, SEAL RING
58 Артикул: 7013368, BOLT HEXAGON Was 5411657204 - A
59 Артикул: 7013564, PUMP COOLANT See Illustration WATER PUMP & THERMOSTAT/ EM5708 Was 5411664249 - A
60 Артикул: 5411664168, INJECTION PIPE See Illustration FUEL INJECTION PUMP/ EM5682
61 Артикул: 5411664412, FUEL INJECTOR
62 Артикул: 5411657853, SEAL, INJ FUEL
63 Артикул: 5411664146, CLAW
64 Артикул: 5411657457, BOLT
65 Артикул: 5411656301, FUEL FILTER See Illustration FUEL FEEDING/ EM5689
66 Артикул: 5411663801, O-RING
67 Артикул: 5411657890, BOLT
68 Артикул: 5411663802, BOOSTER
69 Артикул: 7013506, SOLENOID See Illustration FUEL FEEDING/ EM5689 Was 5411657882 - A
70 Артикул: 7013425, ORING Was 5411657982 - A
71 Артикул: 5411663897, TEMP. TRANSMITTER See Illustration WATER PUMP & THERMOSTAT/ EM5708
72 Артикул: 5411664240, COVER
73 Артикул: 5411664241, O-RING
74 Артикул: 5411657379, BOLT
75 Артикул: 5411664421, THERMOSTAT See Illustration WATER PUMP & THERMOSTAT/ EM5708
76 Артикул: 5411664267, TENSIONING PULLEY
77 Артикул: 5411664268, BOLT
78 Артикул: 5411664269, WASHER
79 Артикул: 5411657795, BOLT
80 Артикул: 5411657871, O-SEAL
81 Артикул: 5411663804, BOLT
82 Артикул: 5411663803, SPRING, TORSION
83 Артикул: 5411663643, ENGINE SHUT OFF See Illustration STOP LEVER/ EM5741 W/Ref. 82
84 Артикул: 5477664892, CABLE HARNESS See Illustration ENGINE & ATTACHING PARTS/ EM5735
85 Артикул: 5411664426, INTERCONNECTION CABLE See Illustration ENGINE & ATTACHING PARTS/ EM5735

ДЕТАЛИ ДВИГАТЕЛЯ I (СЕРИЙНЫЙ НОМЕР ADBR11169 И ВЫШЕ, ADBS11169 И ВЫШЕ): Техника, которая работает на результат

ДЕТАЛИ ДВИГАТЕЛЯ I (СЕРИЙНЫЙ НОМЕР ADBR11169 И ВЫШЕ, ADBS11169 И ВЫШЕ) на мини-экскаватор Bobcat 442 ADBR11001 И ВЫШЕ, ADBS11001 И ВЫШЕ

Габаритные размеры

Габаритные размеры и схема ДЕТАЛИ ДВИГАТЕЛЯ I (СЕРИЙНЫЙ НОМЕР ADBR11169 И ВЫШЕ, ADBS11169 И ВЫШЕ)

Нажмите на схему для увеличения

Документация

Документация временно недоступна.

Похожая техника в категории: ЗАПЧАСТИ ДВИГАТЕЛЯ (Bobcat)

Спецтехника КОМБИНИРОВАННОЕ УСТРОЙСТВО ОХЛАЖДЕНИЯ МАСЛА (СЕРИЙНЫЙ НОМЕР ADBR11169 И ВЫШЕ, ADBS11169 И ВЫШЕ)

КОМБИНИРОВАННОЕ УСТРОЙСТВО ОХЛАЖДЕНИЯ МАСЛА (СЕРИЙНЫЙ НОМЕР ADBR11169 И ВЫШЕ, ADBS11169 И ВЫШЕ)

1Артикул: 501067...
2Артикул: 028301...
3Артикул: 100770...
Подробнее >
Спецтехника ПОДДОН КАРТЕРА И КАРТЕР МАХОВИКА

ПОДДОН КАРТЕРА И КАРТЕР МАХОВИКА

1Артикул: 541165...
2Артикул: 666639...
3Артикул: 667288...
Подробнее >
Спецтехника ДВИГАТЕЛЬ И КОМПЛЕКТ ПРОКЛАДОК

ДВИГАТЕЛЬ И КОМПЛЕКТ ПРОКЛАДОК

1Артикул: 541166...
2-
3-
Подробнее >
Спецтехника РУЛЕВОЕ УПРАВЛЕНИЕ

РУЛЕВОЕ УПРАВЛЕНИЕ

1Артикул: 623401...
2Артикул: 179870...
3Артикул: 121225...
Подробнее >
Спецтехника ДИЗЕЛЬНОЕ УПРАВЛЕНИЕ ОБОГРЕВАТЕЛЕМ (МОНТАЖНЫЙ КОМПЛЕКТ)

ДИЗЕЛЬНОЕ УПРАВЛЕНИЕ ОБОГРЕВАТЕЛЕМ (МОНТАЖНЫЙ КОМПЛЕКТ)

1Артикул: 520666...
2Артикул: 520666...
3Артикул: 520665...
Подробнее >
Спецтехника ОБОГРЕВ

ОБОГРЕВ

1Артикул: 516901...
2Артикул: 516910...
3Артикул: 516901...
Подробнее >
Спецтехника ДВИГАТЕЛЬ В СБОРЕ (СЕРИЙНЫЙ НОМЕР ADBR11169 И ВЫШЕ, ADBS11169 И ВЫШЕ)

ДВИГАТЕЛЬ В СБОРЕ (СЕРИЙНЫЙ НОМЕР ADBR11169 И ВЫШЕ, ADBS11169 И ВЫШЕ)

1Артикул: 541166...
2Артикул: 104570...
3Артикул: 134370...
Подробнее >
Спецтехника ДВИГАТЕЛЬ И КРЕПЕЖНЫЕ ДЕТАЛИ (V-РЕМЕНЬ)

ДВИГАТЕЛЬ И КРЕПЕЖНЫЕ ДЕТАЛИ (V-РЕМЕНЬ)

1Артикул: 701532...
2Артикул: 701532...
3-
Подробнее >
Спецтехника ВЕНТИЛЯТОР

ВЕНТИЛЯТОР

1Артикул: 701349...
2Артикул: 701349...
3Артикул: 701333...
Подробнее >
Спецтехника ДЕТАЛИ ДВИГАТЕЛЯ II (СЕРИЙНЫЙ НОМЕР ADBR11001 - 11168, ADBS11001 - 11168)

ДЕТАЛИ ДВИГАТЕЛЯ II (СЕРИЙНЫЙ НОМЕР ADBR11001 - 11168, ADBS11001 - 11168)

1Артикул: 541166...
2Артикул: 541165...
3Артикул: 541166...
Подробнее >
Спецтехника НАСОС ДЛЯ ДОЗАПРАВКИ

НАСОС ДЛЯ ДОЗАПРАВКИ

1Артикул: 553100...
2Артикул: 619025...
3Артикул: 100870...
Подробнее >
Спецтехника НАСОС ДЛЯ ВПРЫСКА ТОПЛИВА

НАСОС ДЛЯ ВПРЫСКА ТОПЛИВА

1Артикул: 701353...
2Артикул: 701234...
3Артикул: 701343...
Подробнее >