ДИСКОВЫЙ ТОРМОЗ (СЕРИЙНЫЙ НОМЕР 514145999, 514240999, 517911999 И НИЖЕ) — Продажа в Казахстане Цены от официального дилера с доставкой в Алматы, Астану и регионы
×
❮
❯
Характеристики и описание
Габариты, схема
Техническая документация
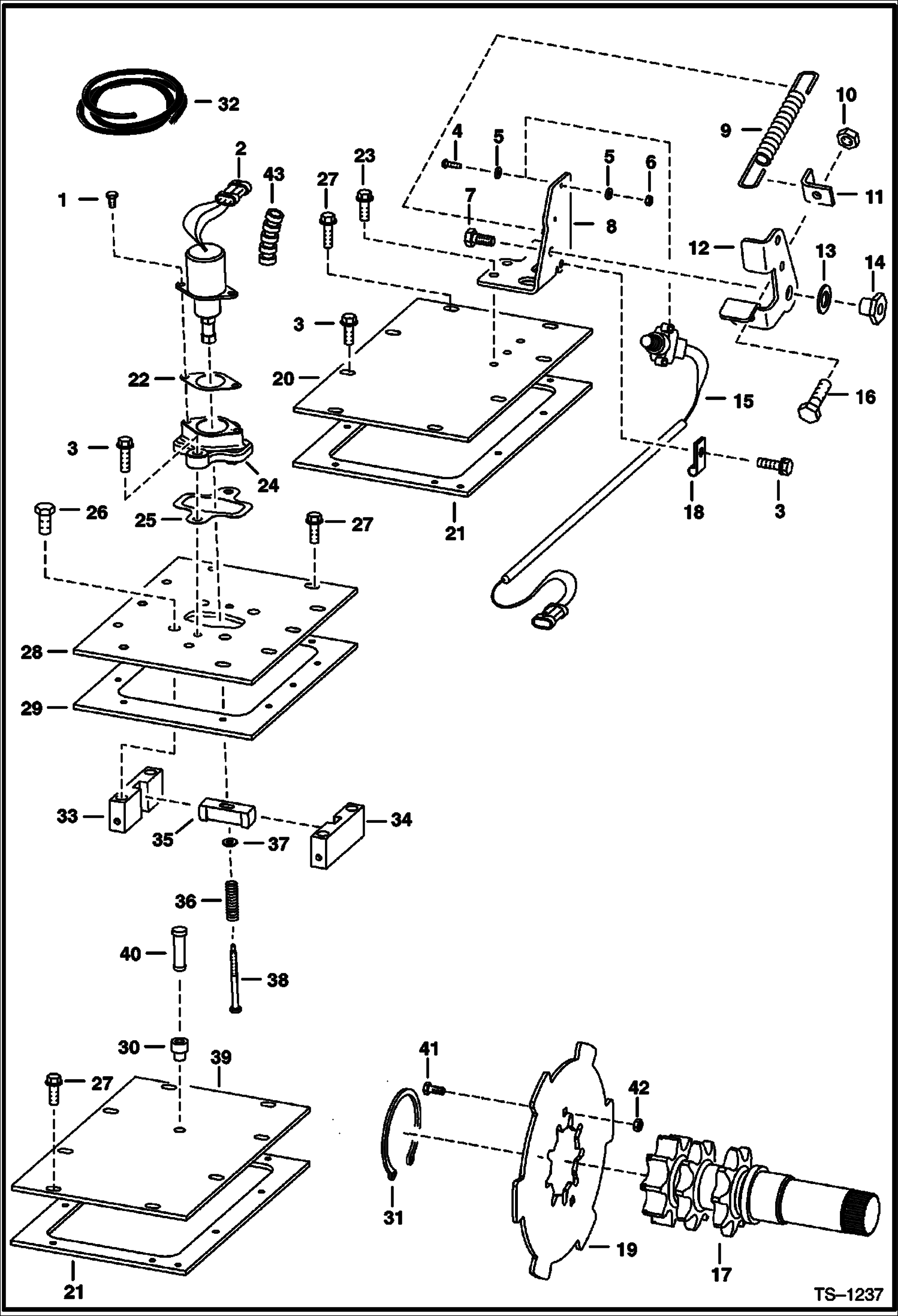
| 1 | Артикул: 17C412, BOLT 5 |
| 2 | Артикул: 6681512, SOLENOID W/Ref. 43 - Was 6667992 - A |
| 3 | Артикул: 84G3712, BOLT 5 |
| 4 | Артикул: 23G812, SCREW |
| 5 | Артикул: 25E8, WSHR |
| 6 | Артикул: 12D8, NUT |
| 7 | Артикул: 17C610, BOLT |
| 8 | Артикул: 6707313, PEDAL MOUNT |
| 9 | Артикул: 6585860, SPRING |
| 10 | Артикул: 95D6, NUT Was 91D000006B - A |
| 11 | Артикул: 6707315, ANGLE |
| 12 | Артикул: 6707314, PEDAL brake |
| 13 | Артикул: 6700170, WASHER plastic |
| 14 | Артикул: 6559479, NUT |
| 15 | Артикул: 6707337, SWITCH, LOCK TRACTION W/cover and connector |
| 16 | Артикул: 6664880, SWITCH |
| 17 | Артикул: 17C620, BOLT |
| 18 | Артикул: 7293924, SHAFT, TRANS See Illustration MOTOR CARRIER/ TS1227 W/snap ring groove - Was 6706805 - A |
| 19 | Артикул: 30H23, CLAMP |
| 20 | Артикул: 6715630, BRAKE Disc |
| 21 | Артикул: 6578505, COVER |
| 22 | Артикул: 6703097, GASKET, TRANS COVER |
| 23 | Артикул: 6706737, GASKET |
| 24 | Артикул: 84G3720, BOLT |
| 25 | Артикул: 6706718, MOUNT |
| 26 | Артикул: 6708016, GASKET |
| 27 | Артикул: 47C820, BOLT |
| 28 | Артикул: 84G3716, SCREW 5 |
| 29 | Артикул: 6706683, COVER |
| 30 | Артикул: 6725496, COVER 2 Speed |
| 31 | Артикул: 6708070, GASKET, COVER BRAKE |
| 32 | Артикул: 6553411, BUSHING |
| 33 | Артикул: 6662298, RING, RETAINER |
| 34 | Артикул: 6584978, CONDUIT bulk - sold per foot |
| 35 | Артикул: 6719056, BLOCK guide - LH |
| 36 | Артикул: 6719057, BLOCK guide - RH |
| 37 | Артикул: 6714278, WEDGE, LOCK TRACTION for brake disc |
| 38 | Артикул: 6708018, SPRING |
| 39 | Артикул: 25E13, WASHER 5 |
| 40 | Артикул: 6708267, BOLT |
| 41 | Артикул: 6700330, COVER |
| 42 | Артикул: 6680970, BREATHER Was 6670627 - A |
| 43 | Артикул: 37C512, BOLT carriage |
| 44 | Артикул: 59D5, NUT 5 |
| 45 | Артикул: CONDUIT, CONDUIT NLA - 5-- (127 mm) long - Order Ref. 32 |
ДИСКОВЫЙ ТОРМОЗ (СЕРИЙНЫЙ НОМЕР 514145999, 514240999, 517911999 И НИЖЕ): Техника, которая работает на результат
ДИСКОВЫЙ ТОРМОЗ (СЕРИЙНЫЙ НОМЕР 514145999, 514240999, 517911999 И НИЖЕ) на Bobcat 800s Bobcat 873 514140001 И ВЫШЕ, 514240001 И ВЫШЕ, 517911001 И ВЫШЕГабаритные размеры
Нажмите на схему для увеличения
Документация
Документация временно недоступна.
Похожая техника в категории: ТРАНСМИССИЯ (Bobcat)
АВТОТРАНСПОРТЕР (УСТАНОВКА ПРИВОДНОГО ДВИГАТЕЛЯ В СБОРЕ)
1Артикул: 671729...
2Артикул: 729392...
3Артикул: 666484...
Подробнее >
МОСТ
1Артикул: 2C1626...
2Артикул: 655869...
3Артикул: 656891...
Подробнее >
ДИСКОВЫЙ ТОРМОЗ (СЕРИЙНЫЙ НОМЕР 514146001, 514241001, 517912001 И ВЫШЕ)
1Артикул: 17C412...
2Артикул: 668151...
3Артикул: 84G371...
Подробнее >