+7 (701) 588 50 05 Телефон для связи
RU

WhatsApp

Позвонить

ДИСКОВЫЙ ТОРМОЗ (СЕРИЙНЫЙ НОМЕР 562215999 И НИЖЕ, 516515999 И НИЖЕ) — Продажа в Казахстане Цены от официального дилера с доставкой в Алматы, Астану и регионы

Техника доступна в:
Полный спектр услуг:
Для Вашего удобства:
Характеристики и описание
Габариты, схема
Техническая документация
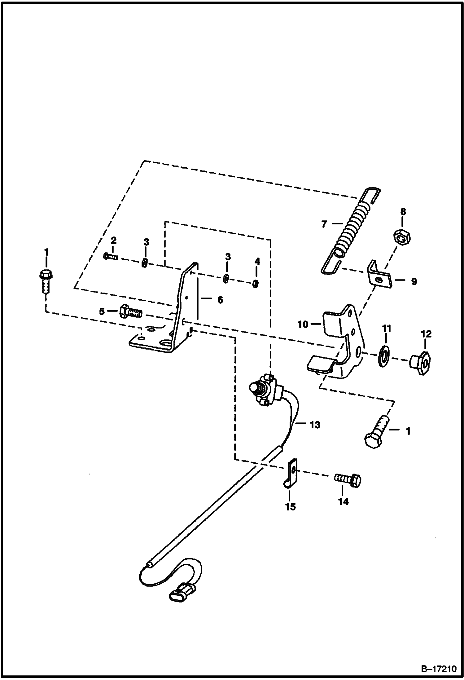
1 Артикул: 84G3712, BOLT 5
2 Артикул: 23G812, SCREW
3 Артикул: 25E8, WSHR
4 Артикул: 12D8, NUT
5 Артикул: 17C610, BOLT
6 Артикул: 6707313, PEDAL MOUNT
7 Артикул: 6585860, SPRING
8 Артикул: 95D6, NUT
9 Артикул: 6707315, ANGLE
10 Артикул: 6707314, PEDAL brake
11 Артикул: 6700170, WASHER plastic
12 Артикул: 6559479, NUT
13 Артикул: 6707337, SWITCH, LOCK TRACTION w/cover and connector
14 Артикул: 6664880, SWITCH
15 Артикул: 17C620, BOLT
16 Артикул: 30H23, CLAMP

ДИСКОВЫЙ ТОРМОЗ (СЕРИЙНЫЙ НОМЕР 562215999 И НИЖЕ, 516515999 И НИЖЕ): Техника, которая работает на результат

ДИСКОВЫЙ ТОРМОЗ (СЕРИЙНЫЙ НОМЕР 562215999 И НИЖЕ, 516515999 И НИЖЕ) на Bobcat 900s Bobcat 963 516515001 И ВЫШЕ, 562215001 И ВЫШЕ

Габаритные размеры

Габаритные размеры и схема ДИСКОВЫЙ ТОРМОЗ (СЕРИЙНЫЙ НОМЕР 562215999 И НИЖЕ, 516515999 И НИЖЕ)

Нажмите на схему для увеличения

Документация

Документация временно недоступна.

Похожая техника в категории: ТРАНСМИССИЯ (Bobcat)