+7 (701) 588 50 05 Телефон для связи
RU

WhatsApp

Позвонить

ДВИГАТЕЛЬ И КРЕПЕЖНЫЕ ДЕТАЛИ — Продажа в Казахстане Цены от официального дилера с доставкой в Алматы, Астану и регионы

Техника доступна в:
Полный спектр услуг:
Для Вашего удобства:
Характеристики и описание
Габариты, схема
Техническая документация
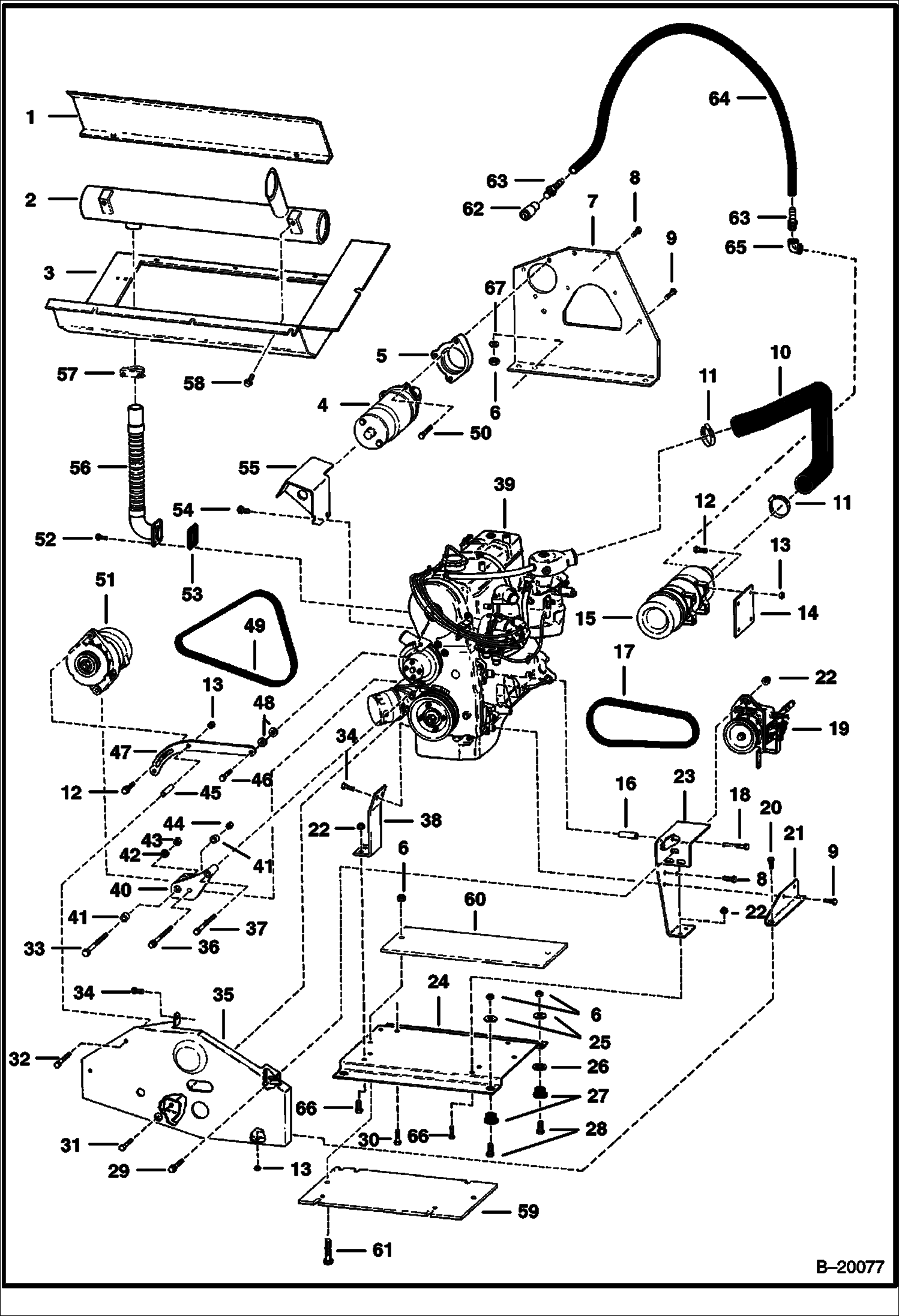
1 Артикул: 6561285, HEAT SHIELD
2 Артикул: 6514737, MUFFLER, SPARK ARRESTOR
3 Артикул: 6578176, MOUNT Was 6563590 - A
4 Артикул: STARTER, STARTER See Illustration STARTER/ B1192
5 Артикул: 6562480, SPACER
6 Артикул: 61D8, NUT 5
7 Артикул: 6571678, MOUNT
8 Артикул: 5CM1020, SCREW
9 Артикул: 5CM1030, BOLT
10 Артикул: 6571684, HOSE
11 Артикул: 42H32, HS CLAMP5 Was 6513395 - A
12 Артикул: 35C516, BOLT 10
13 Артикул: 83D5, NUT 5
14 Артикул: 6571686, MOUNT
15 Артикул: AIR, AIR CLEANER See Illustration AIR CLEANER/ B18366
16 Артикул: 6571763, SPACER
17 Артикул: 6579755, BELT Governor
18 Артикул: 2CM1070, BOLT
19 Артикул: GOVERNOR, GOVERNOR See Illustration HOOF GOVERNOR/ C2561
20 Артикул: 35C512, BOLT
21 Артикул: 6572071, MOUNT
22 Артикул: 57D6, NUT 5
23 Артикул: 6571762, MOUNT
24 Артикул: 6700110, MOUNT
25 Артикул: 6515817, WASHER
26 Артикул: 6560899, WASHER
27 Артикул: 6560633, DAMPENER
28 Артикул: 17C836, BOLT
29 Артикул: 35C616, BOLT 5
30 Артикул: 17C832, BOLT
31 Артикул: 29CM835, BOLT
32 Артикул: 17C544, BOLT
33 Артикул: 17C664, BOLT
34 Артикул: 29CM820, SCREW
35 Артикул: 6571702, SHIELD
36 Артикул: 17C564, BOLT
37 Артикул: 1CM885, BOLT
38 Артикул: 6571761, MOUNT
39 Артикул: ENGINE, ENGINE See Illustration ENGINE/ B18363 MITSUBISHI
40 Артикул: MOUNT, MOUNT NLA - Was 6571875 - A
41 Артикул: 6571877, SPACER
42 Артикул: 25E17, WASHER 5
43 Артикул: 61D6, NUT 5
44 Артикул: 61D5, NUT
45 Артикул: 6571613, SPACER
46 Артикул: 29CM638, BOLT
47 Артикул: 6571990, RETAINER
48 Артикул: 25E16, WSHR
49 Артикул: 6571857, BELT, ALT Alternator
50 Артикул: 17C632, BOLT 5
51 Артикул: ALTERNATOR, ALTERNATOR See Illustration ALTERNATOR/ D1760
52 Артикул: 6563005, BOLT
53 Артикул: 6575580, GASKET muffler
54 Артикул: 5CM1015, BOLT
55 Артикул: 6572069, SHIELD
56 Артикул: 6571696, TUBE
57 Артикул: 6677363, CLAMP, FULL CIRCLE Was 657904B - A
58 Артикул: 35C610, BOLT 5
59 Артикул: 6579550, COUNTERWEIGHT
60 Артикул: 6700109, COUNTERWEIGHT
61 Артикул: 17C844, BOLT
62 Артикул: 1735188, INDICATR
63 Артикул: 6505813, CONNECTOR
64 Артикул: 6557720, HOSE sold per foot
65 Артикул: 24F1, ELBOW
66 Артикул: 35C632, BOLT
67 Артикул: 25E21, WASHER 5

ДВИГАТЕЛЬ И КРЕПЕЖНЫЕ ДЕТАЛИ: Техника, которая работает на результат

ДВИГАТЕЛЬ И КРЕПЕЖНЫЕ ДЕТАЛИ на Bobcat 700s Bobcat 742 509417999 И НИЖЕ

Габаритные размеры

Габаритные размеры и схема ДВИГАТЕЛЬ И КРЕПЕЖНЫЕ ДЕТАЛИ

Нажмите на схему для увеличения

Документация

Документация временно недоступна.

Похожая техника в категории: ЗАПЧАСТИ ДВИГАТЕЛЯ (Bobcat)

Спецтехника КОЛЛЕКТОРЫ И КАРБЮРАТОР

КОЛЛЕКТОРЫ И КАРБЮРАТОР

1Артикул: HEAD, ...
2Артикул: MANIFO...
3Артикул: 663261...
Подробнее >
Спецтехника ВОДЯНАЯ ПОМПА

ВОДЯНАЯ ПОМПА

1Артикул: 29CM87...
2Артикул: BOLT, ...
3Артикул: 663282...
Подробнее >
Спецтехника КЛАПАННАЯ КРЫШКА

КЛАПАННАЯ КРЫШКА

1Артикул: 663270...
2Артикул: 663277...
3Артикул: BRACKE...
Подробнее >
Спецтехника КОММУТАЦИОННЫЙ ПРОВОД

КОММУТАЦИОННЫЙ ПРОВОД

1Артикул: 663277...
2Артикул: 663276...
3Артикул: 663272...
Подробнее >
Спецтехника БЛОК ДВИГАТЕЛЯ

БЛОК ДВИГАТЕЛЯ

1Артикул: 663262...
2Артикул: 663262...
3Артикул: 663284...
Подробнее >
Спецтехника ДВИГАТЕЛЬ (MITSUBISHI 4G32)

ДВИГАТЕЛЬ (MITSUBISHI 4G32)

1Артикул: ENGINE...
2Артикул: 659976...
3Артикул: SHORT,...
Подробнее >
Спецтехника КЛАПАНЫ

КЛАПАНЫ

1Артикул: 663272...
2Артикул: 29CM62...
3Артикул: 663269...
Подробнее >
Спецтехника КАРБЮРАТОР

КАРБЮРАТОР

1Артикул: CARBUR...
2Артикул: 6EM50,...
3Артикул: MTG., ...
Подробнее >
Спецтехника РАСПРЕДЕЛИТЕЛЬНОЕ УСТРОЙСТВО

РАСПРЕДЕЛИТЕЛЬНОЕ УСТРОЙСТВО

1Артикул: 663261...
2Артикул: 663281...
3Артикул: CAP, C...
Подробнее >
Спецтехника КРЮК РЕГУЛЯТОРА ОБОРОТОВ

КРЮК РЕГУЛЯТОРА ОБОРОТОВ

1Артикул: 663252...
2Артикул: 45G121...
3Артикул: 651393...
Подробнее >
Спецтехника КАРДАННЫЙ ШАРНИР

КАРДАННЫЙ ШАРНИР

1Артикул: 659834...
2Артикул: 659830...
3Артикул: 520212...
Подробнее >
Спецтехника ВОЗДУШНЫЙ ФИЛЬТР

ВОЗДУШНЫЙ ФИЛЬТР

1Артикул: AIR, A...
2Артикул: TANK, ...
3Артикул: 664649...
Подробнее >