+7 (701) 588 50 05 Телефон для связи
RU

WhatsApp

Позвонить

ДВИГАТЕЛЬ И КРЕПЕЖНЫЕ ДЕТАЛИ — Продажа в Казахстане Цены от официального дилера с доставкой в Алматы, Астану и регионы

Техника доступна в:
Полный спектр услуг:
Для Вашего удобства:
Характеристики и описание
Габариты, схема
Техническая документация
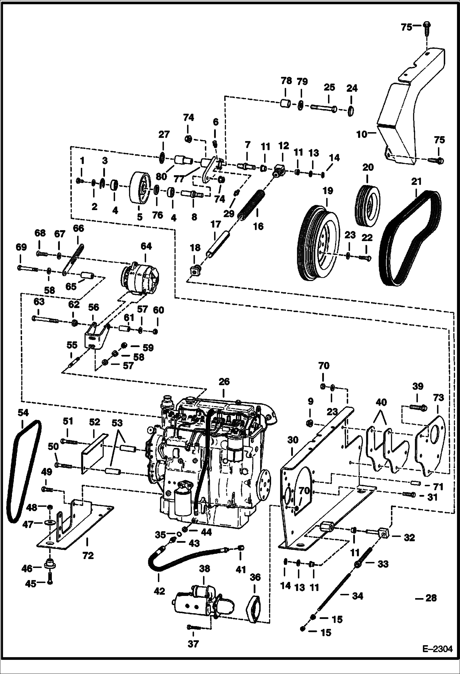
1 Артикул: 17C608, BOLT
2 Артикул: 27E6, WASHER 5
3 Артикул: 941388, RING
4 Артикул: 6661229, BEARING
5 Артикул: 6587035, PULLEY idler
6 Артикул: 6632601, BREATHER
7 Артикул: 6589189, SPINDLE
8 Артикул: 6589190, SPINDLE
9 Артикул: 89D8, NUT
10 Артикул: 6596836, SHIELD Was 6589546 - A
11 Артикул: 1313116, BUSHING
12 Артикул: 6568424, ADAPTER
13 Артикул: 25E21, WASHER 5
14 Артикул: 710779, RING
15 Артикул: 61D4, NUT 5
16 Артикул: 6569498, SPRING ASSY W/Ref. 17
17 Артикул: TUBE, TUBE NSS - Order Ref. 16
18 Артикул: 6568425, ADAPTER
19 Артикул: 6576512, FLYWHEEL W/Ring Gear
20 Артикул: 6515771, RING GEAR
21 Артикул: 6567024, PULLEY See Illustration HYDROSTATIC CIRCUITRY/ E2250 HYDRO. PUMP
22 Артикул: 6569809, BELT, DRIVE
23 Артикул: 18C824, BOLT
24 Артикул: 6557929, WASHER
25 Артикул: 6700782, CAP
26 Артикул: 17C896, BOLT Was 17C000868B - B
27 Артикул: ENGINE, ENGINE See Illustration ENGINE & GASKET KIT/ B17698 NLA - WAS 6661655 - A
28 Артикул: 6662789, SEAL
29 Артикул: 83D8, NUT 5
30 Артикул: 10H25, FITTING, GREASE 5
31 Артикул: 6589233, MOUNT
32 Артикул: 18C616, BOLT 5
33 Артикул: 6568830, PIN
34 Артикул: 6568826, BOLT hollow
35 Артикул: 6568828, ROD
36 Артикул: 79K8, O RING 10
37 Артикул: 6562480, SPACER
38 Артикул: 17C644, BOLT Was 17C000640B - B
39 Артикул: STARTER, STARTER See Illustration STARTER/ E2395 See Illustration STARTER/ D2119
40 Артикул: 35C840, BOLT
41 Артикул: 6596199, SPACER Was 6588899 - B
42 Артикул: 36K6, CAP
43 Артикул: 6805079, HOSE Was 6564639 - C
44 Артикул: 15K6, ADAPTER W/Ref. 35
45 Артикул: 6571723, WASHER O-Ring retainer - Was 6804342 - A
46 Артикул: 17C1052, BOLT
47 Артикул: 6513606, MOUNT neoprene - Was 6514897 - A
48 Артикул: 6569054, WASHER
49 Артикул: 85D10, NUT, 5
50 Артикул: 17C1020, BOLT 5 Was 8C001020B - B
51 Артикул: 18C580, BOLT
52 Артикул: 18C556, BOLT
53 Артикул: 6568797, SHIELD
54 Артикул: 6568798, SPACER
55 Артикул: 6516339, BELT Was 6631520 - B
56 Артикул: 3725702, STUD
57 Артикул: 999672, BRACKET
58 Артикул: 3725703, WASHER
59 Артикул: 4E6, WASHER
60 Артикул: 62D6, NUT 5
61 Артикул: 3725381, NUT
62 Артикул: 907237, SLEEVE
63 Артикул: 907238, SPACER
64 Артикул: 3455218, BOLT
65 Артикул: ALTERNATOR, ALTERNATOR See Illustration ALTERNATOR/ C3312
66 Артикул: 6513120, SPACER
67 Артикул: 6631521, STRAP
68 Артикул: 27E5, WASHER
69 Артикул: 35C512, BOLT
70 Артикул: 18C628, BOLT
71 Артикул: 85D6, NUT, 5 Was 87D000006B - A
72 Артикул: 742510, PIN
73 Артикул: 6589234, MOUNT
74 Артикул: 6596200, MOUNT
75 Артикул: 57D10, NUT Was 83D000010B - B
76 Артикул: 84G3712, BOLT 5
77 Артикул: 6701159, SHIM
78 Артикул: 6589139, BRACKET idler
79 Артикул: 6587765, BUSHING, PRESS FIT
80 Артикул: 6587826, WASHER
81 Артикул: 6596889, PIN Was 6587801 - A

ДВИГАТЕЛЬ И КРЕПЕЖНЫЕ ДЕТАЛИ: Техника, которая работает на результат

ДВИГАТЕЛЬ И КРЕПЕЖНЫЕ ДЕТАЛИ на Bobcat 900s Bobcat 953 513111001 И ВЫШЕ, 513115001 И ВЫШЕ

Габаритные размеры

Габаритные размеры и схема ДВИГАТЕЛЬ И КРЕПЕЖНЫЕ ДЕТАЛИ

Нажмите на схему для увеличения

Документация

Документация временно недоступна.

Похожая техника в категории: ЗАПЧАСТИ ДВИГАТЕЛЯ (Bobcat)

Спецтехника ВОДЯНАЯ ПОМПА

ВОДЯНАЯ ПОМПА

1Артикул: 25E19,...
2Артикул: 4E5, W...
3Артикул: 664943...
Подробнее >
Спецтехника ДРОССЕЛЬНАЯ ЗАСЛОНКА

ДРОССЕЛЬНАЯ ЗАСЛОНКА

1Артикул: 656445...
2Артикул: 656791...
3Артикул: 17C520...
Подробнее >
Спецтехника КОРПУС ВОДООТВОДЯЩЕГО ПАТРУБКА

КОРПУС ВОДООТВОДЯЩЕГО ПАТРУБКА

1Артикул: 663151...
2Артикул: 666801...
3Артикул: 18C622...
Подробнее >
Спецтехника КРЫШКА КОРОМЫСЛА КЛАПАНА

КРЫШКА КОРОМЫСЛА КЛАПАНА

1Артикул: 18C410...
2Артикул: 4E4, W...
3Артикул: 372542...
Подробнее >
Спецтехника ФИЛЬТР ДЛЯ ТОПЛИВА (ЖЕЛОБОК ДЛЯ СБОРА ВОДЫ)

ФИЛЬТР ДЛЯ ТОПЛИВА (ЖЕЛОБОК ДЛЯ СБОРА ВОДЫ)

1Артикул: 666903...
2Артикул: HOUSIN...
3Артикул: 666888...
Подробнее >
Спецтехника ОСЬ КЛАПАННОГО КОРОМЫСЛА

ОСЬ КЛАПАННОГО КОРОМЫСЛА

1Артикул: 664079...
2Артикул: 664943...
3Артикул: BOLT, ...
Подробнее >
Спецтехника ГОЛОВКА БЛОКА ЦИЛИНДРОВ

ГОЛОВКА БЛОКА ЦИЛИНДРОВ

1Артикул: 373914...
2Артикул: 373796...
3Артикул: 663420...
Подробнее >
Спецтехника ШЕСТЕРНИ РАСПРЕДЕЛИТЕЛЬНОГО ВАЛА

ШЕСТЕРНИ РАСПРЕДЕЛИТЕЛЬНОГО ВАЛА

1Артикул: 18C818...
2Артикул: 372548...
3Артикул: 372548...
Подробнее >
Спецтехника ВОЗДУШНЫЙ ФИЛЬТР

ВОЗДУШНЫЙ ФИЛЬТР

1Артикул: 663023...
2Артикул: 663094...
3Артикул: 329129...
Подробнее >
Спецтехника БЛОК ЦИЛИНДРОВ

БЛОК ЦИЛИНДРОВ

1Артикул: 666204...
2Артикул: 373912...
3Артикул: 666203...
Подробнее >
Спецтехника КОЛЕНЧАТЫЙ ВАЛ И КОМПЛЕКТУЮЩИЕ ДЕТАЛИ

КОЛЕНЧАТЫЙ ВАЛ И КОМПЛЕКТУЮЩИЕ ДЕТАЛИ

1Артикул: 666203...
2Артикул: 372540...
3Артикул: 666823...
Подробнее >
Спецтехника СОЕДИНИТЕЛЬНАЯ ТЯГА И ПОРШЕНЬ

СОЕДИНИТЕЛЬНАЯ ТЯГА И ПОРШЕНЬ

1Артикул: 666203...
2Артикул: KIT, K...
3Артикул: RING, ...
Подробнее >