+7 (701) 588 50 05 Телефон для связи
RU

WhatsApp

Позвонить

ДВИГАТЕЛЬ И КРЕПЕЖНЫЕ ДЕТАЛИ DEUTZ F2L411W — Продажа в Казахстане Цены от официального дилера с доставкой в Алматы, Астану и регионы

Техника доступна в:
Полный спектр услуг:
Для Вашего удобства:
Характеристики и описание
Габариты, схема
Техническая документация
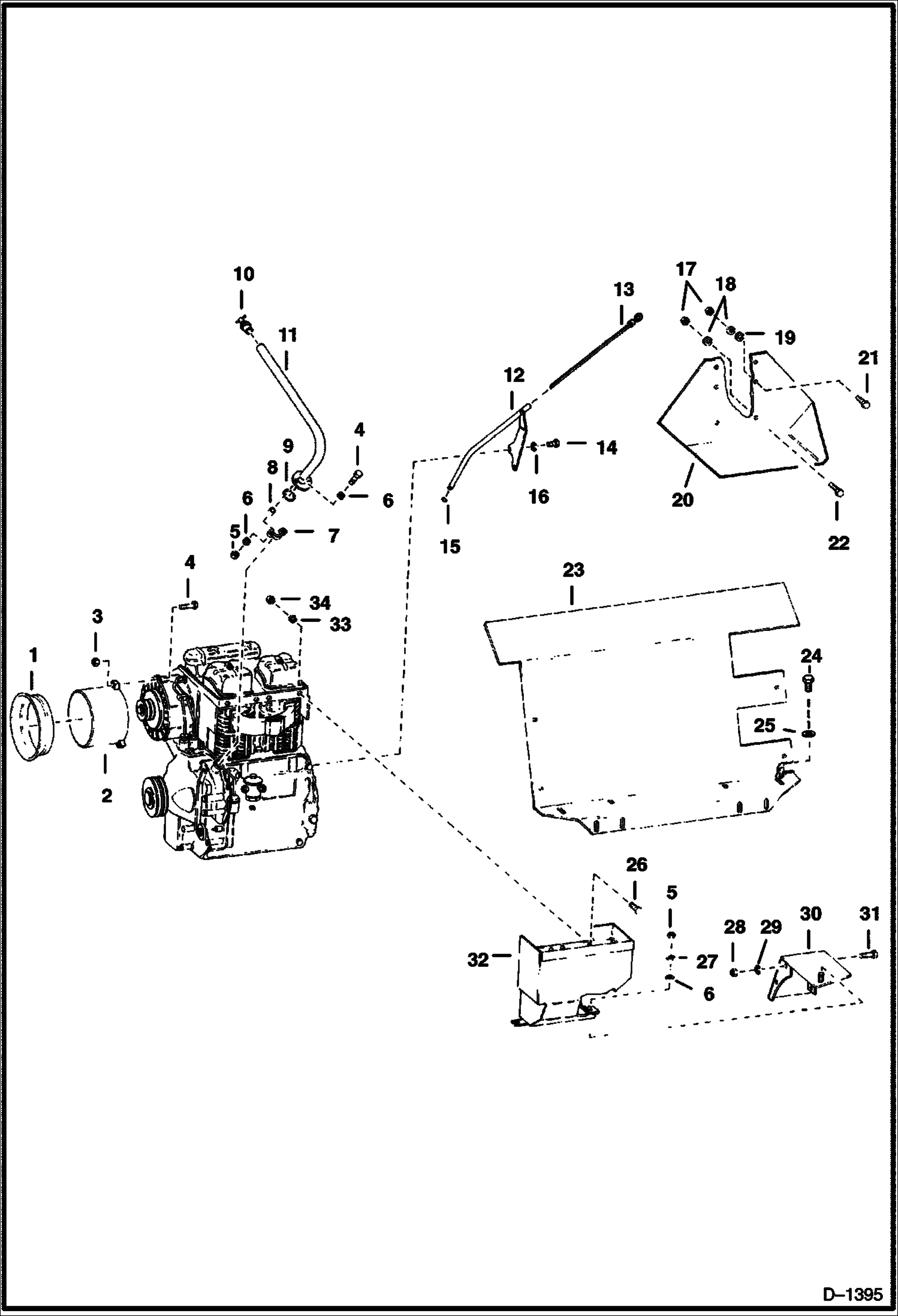
1 Артикул: 4275657, BEAD
2 Артикул: 4275655, SHROUD
3 Артикул: 81D4, NUT
4 Артикул: 17C420, BOLT
5 Артикул: 61D4, NUT 5
6 Артикул: 25E13, WASHER 5
7 Артикул: 4275672, COLLAR
8 Артикул: 4275650, SPACER
9 Артикул: O-RING, O-RING NLA - Was 6505542 - A
10 Артикул: 6515779, CAP
11 Артикул: 4275668, TUBE oil fill
12 Артикул: 6543877, TUBE dipstick
13 Артикул: 6515534, DIPSTICK
14 Артикул: 1CM820, BOLT Was 4CM820 - A
15 Артикул: 6515616, O-RING
16 Артикул: 6EM80, WASHER, SPRING
17 Артикул: 61D5, NUT
18 Артикул: 4E5, WASHER
19 Артикул: 6552653, SPACER
20 Артикул: 6552625, SHIELD
21 Артикул: 17C520, BOLT 5
22 Артикул: 17C512, BOLT 5
23 Артикул: 6547923, COVER engine
24 Артикул: 17C612, BOLT 5
25 Артикул: 25E17, WASHER 5
26 Артикул: 1CM620, BOLT Was 4CM620 - A
27 Артикул: 4E4, WASHER
28 Артикул: 61D6, NUT 5
29 Артикул: 4E6, WASHER
30 Артикул: SHIELD, SHIELD NLA - drive sheave - Was 6501501 - A
31 Артикул: 17C624, BOLT 5
32 Артикул: 6547932, SHROUD air
33 Артикул: 6EM60, WASHER, SPRING
34 Артикул: 25DM6, NUT

ДВИГАТЕЛЬ И КРЕПЕЖНЫЕ ДЕТАЛИ DEUTZ F2L411W: Техника, которая работает на результат

ДВИГАТЕЛЬ И КРЕПЕЖНЫЕ ДЕТАЛИ DEUTZ F2L411W на Bobcat 600s Bobcat 611 4960MA11001 И ВЫШЕ, 4967MA11001 И ВЫШЕ

Габаритные размеры

Габаритные размеры и схема ДВИГАТЕЛЬ И КРЕПЕЖНЫЕ ДЕТАЛИ DEUTZ F2L411W

Нажмите на схему для увеличения

Документация

Документация временно недоступна.

Похожая техника в категории: ЗАПЧАСТИ ДВИГАТЕЛЯ (Bobcat)

Спецтехника ВОЗДУХООЧИСТИТЕЛЬ DEUTZ F2L411W

ВОЗДУХООЧИСТИТЕЛЬ DEUTZ F2L411W

1Артикул: 651591...
2Артикул: 651614...
3Артикул: BODY, ...
Подробнее >
Спецтехника ВОЗДУХОДУВКА DEUTZ F2L411D

ВОЗДУХОДУВКА DEUTZ F2L411D

1Артикул: PULLEY...
2Артикул: 651262...
3Артикул: 651613...
Подробнее >
Спецтехника РАСПРЕДЕЛИТЕЛЬНЫЙ ВАЛ И КУЛАЧОК ПОДЪЕМА КЛАПАНА DEUTZ F2L411W

РАСПРЕДЕЛИТЕЛЬНЫЙ ВАЛ И КУЛАЧОК ПОДЪЕМА КЛАПАНА DEUTZ F2L411W

1Артикул: 651605...
2Артикул: 6EM100...
3Артикул: 651605...
Подробнее >
Спецтехника ПЕРЕДНЯЯ КРЫШКА DEUTZ F2L411W

ПЕРЕДНЯЯ КРЫШКА DEUTZ F2L411W

1Артикул: 651193...
2Артикул: 1FM801...
3Артикул: 32DM80...
Подробнее >
Спецтехника БЛОК ЦИЛИНДРОВ И ГОЛОВКИ DEUTZ F2L411D

БЛОК ЦИЛИНДРОВ И ГОЛОВКИ DEUTZ F2L411D

1Артикул: HEAD, ...
2Артикул: 36DM8,...
3Артикул: 1FM801...
Подробнее >
Спецтехника ДИЗЕЛЬНЫЙ ДВИГАТЕЛЬ DEUTZ F2L411W

ДИЗЕЛЬНЫЙ ДВИГАТЕЛЬ DEUTZ F2L411W

1Артикул: ENGINE...
2Артикул: 651268...
3Артикул: 651591...
Подробнее >
Спецтехника ВХОДНОЕ ОТВЕРСТИЕ И ВЫХЛОПНЫЕ ТРУБОПРОВОДЫ ДВИГАТЕЛЯ DEUTZ F2L411D

ВХОДНОЕ ОТВЕРСТИЕ И ВЫХЛОПНЫЕ ТРУБОПРОВОДЫ ДВИГАТЕЛЯ DEUTZ F2L411D

1Артикул: 1DM10,...
2Артикул: 651258...
3Артикул: 651592...
Подробнее >
Спецтехника МОНТАЖ ГИДРОПРИВОДНОГО НАСОСА DEUTZ F2L411D

МОНТАЖ ГИДРОПРИВОДНОГО НАСОСА DEUTZ F2L411D

1Артикул: 651092...
2Артикул: 17C616...
3Артикул: 4E6, W...
Подробнее >
Спецтехника БЛОК ЦИЛИНДРОВ И ГОЛОВКИ DEUTZ F2L411W

БЛОК ЦИЛИНДРОВ И ГОЛОВКИ DEUTZ F2L411W

1Артикул: 651255...
2Артикул: 36DM8,...
3Артикул: 1FM801...
Подробнее >
Спецтехника ВОЗДУХОДУВКА DEUTZ F2L411W

ВОЗДУХОДУВКА DEUTZ F2L411W

1Артикул: PULLEY...
2Артикул: 651262...
3Артикул: 651613...
Подробнее >
Спецтехника ВХОДНОЕ ОТВЕРСТИЕ И ВЫХЛОПНЫЕ ТРУБОПРОВОДЫ ДВИГАТЕЛЯ DEUTZ F2L411W

ВХОДНОЕ ОТВЕРСТИЕ И ВЫХЛОПНЫЕ ТРУБОПРОВОДЫ ДВИГАТЕЛЯ DEUTZ F2L411W

1Артикул: 1DM10,...
2Артикул: 651258...
3Артикул: 651592...
Подробнее >
Спецтехника КОЛЕНЧАТЫЙ ВАЛ, ПОРШЕНЬ И МАХОВИК DEUTZ F2L411W

КОЛЕНЧАТЫЙ ВАЛ, ПОРШЕНЬ И МАХОВИК DEUTZ F2L411W

1Артикул: ROD, R...
2Артикул: 651609...
3Артикул: 651134...
Подробнее >