+7 (701) 588 50 05 Телефон для связи
RU

WhatsApp

Позвонить

ДВИГАТЕЛЬ И КРЕПЕЖНЫЕ ДЕТАЛИ (СИСТЕМА РЕМНЕЙ ПРИВОДА) — Продажа в Казахстане Цены от официального дилера с доставкой в Алматы, Астану и регионы

Техника доступна в:
Полный спектр услуг:
Для Вашего удобства:
Характеристики и описание
Габариты, схема
Техническая документация
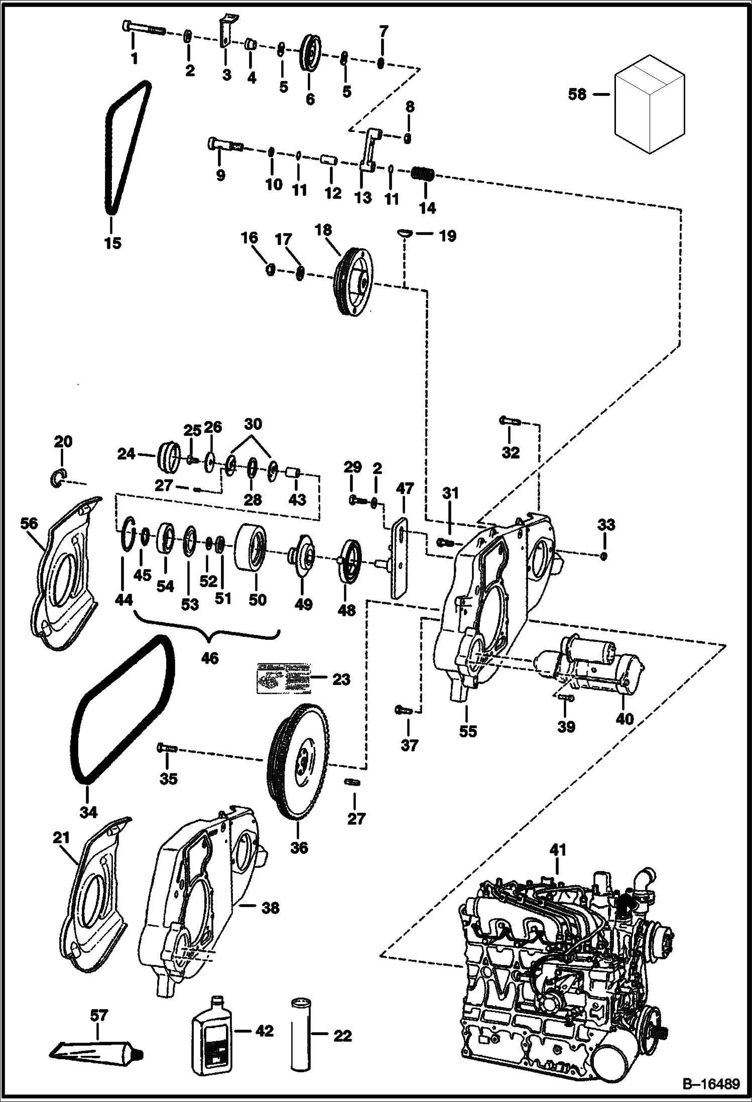
1 Артикул: 73G656, SCREW
2 Артикул: 6704484, WASHER thrust
3 Артикул: 6702474, RETAINER fan drive idler belt
4 Артикул: 6704443, BUSHING spacer
5 Артикул: 6660995, GREASE RING grease
6 Артикул: 6662997, PULLEY, FAN DRIVE IDLER fan drive idler
7 Артикул: 6704444, WASHER
8 Артикул: 61D6, NUT 5
9 Артикул: 38C820, SCREW shoulder
10 Артикул: 6655781, BEARING
11 Артикул: 6704820, O-RING
12 Артикул: 6670682, BEARING nylon
13 Артикул: 6725212, ARM W/Ref. 12 - Was 6703507 - A
14 Артикул: 6700115, SPRING, TORSION
15 Артикул: BELT, BELT See Illustration COOLING SYSTEM/ PE1890 - Ref. 25 - fan drive
16 Артикул: 92D12, NUT
17 Артикул: 6576033, WASHER
18 Артикул: 6704424, PULLEY, PUMP HYD 7.40-- (188 mm) dia. - to hyd. pump - 3 groove
19 Артикул: 6726539, PULLEY 7.95-- (202 mm) dia. - to hyd. pump - 3 groove
20 Артикул: 6J807, KEY, WOODRUFF
21 Артикул: 6703022, CLIP
22 Артикул: 6704450, SHIELD Use W/Ref. 18 (6704424 Pulley)
23 Артикул: 7109712, SHIELD Use W/Ref. 18 (6726539 Pulley) - Was 6726938 - A
24 Артикул: 6903122, GREASE, MULTI PURPOSE Use W/Ref. 46 - Was 6599719 - A
25 Артикул: 6709030, DECAL belt tension - spring loaded idler
26 Артикул: 6708770, CAP dust
27 Артикул: 43C610, BOLT pre-applied thread locker - Was 17C610 - B
28 Артикул: 6705232, WASHER
29 Артикул: 6713370, PIN
30 Артикул: 6710585, WASHER wave spring
31 Артикул: 17C620, BOLT
32 Артикул: 6705231, WASHER
33 Артикул: 6719828, BOLT Was 6CM01230B - B
34 Артикул: 17C828, BOLT hyd pump mount
35 Артикул: 85D8, NUT, 5
36 Артикул: 6672021, BELT, DRIVE pump drive - 3 groove - Use W/Ref. 18 (6704424 Pulley) - Was 6672445 - D
37 Артикул: 6726898, BELT pump drive - 3 groove - Use W/Ref. 18 (6726539 Pulley)
38 Артикул: 6598275, BOLT Was 6652487 - A
39 Артикул: 6715165, FLYWHEEL W/Ring Gear & Ref. 42- 3 groove - Use W/Ref. 18 (6704424 Pulley)
40 Артикул: 6510470, RING GEAR
41 Артикул: 6726933, FLYWHEEL ASSY W/Ring Gear & Ref. 42- 3 groove - Use W/Ref. 18 (6726539 Pulley)
42 Артикул: 6510470, RING GEAR
43 Артикул: 6719825, BOLT Was 5CM01025B - B
44 Артикул: MOUNT, MOUNT NLA - Use W/Ref. 18 (6704424 Pulley) - Order Ref. 55 & 56 - It may be necessary to reposition the battery and battery pan - Was 6700541 - A
45 Артикул: 6726613, MOUNT, ENG Use W/Ref. 18 (6726539 Pulley) - Was 6728062 - A
46 Артикул: 35C620, BOLT 5
47 Артикул: STARTER, STARTER
48 Артикул: ENGINE, ENGINE See Illustration ENGINE & GASKET KITS/ B16450
49 Артикул: SYNTHETIC, SYNTHETIC OIL, 15W50 QT NLA - Was 6661405 - A
50 Артикул: 6682442, SLEEVE bronze sleeve - Was 6704393 - A
51 Артикул: 6658847, RING
52 Артикул: 6658536, RING
53 Артикул: 6735884, IDLER ASSY. spring loaded - Ref. 24 - 28, 30, 43 - 45 & 47 - 54 - Also order Ref. 23 - Was 6711698 - A
54 Артикул: 6714212, PULLEY ASSY. Ref. 43-45, 49-54
55 Артикул: 6735883, BRACKET Was 6708767 - A
56 Артикул: 6705491, SPRING torsion
57 Артикул: 6711699, HUB ASSY.
58 Артикул: 6704391, PULLEY idler
59 Артикул: 6685735, SEAL Was 6661112 - A
60 Артикул: 6703168, BEARING thrust
61 Артикул: 6664209, SEAL
62 Артикул: 6668114, BEARING ball
63 Артикул: 6726613, MOUNT, ENG Was 6728062 - A
64 Артикул: 7109712, SHIELD Was 6726938 - A
65 Артикул: 6633583, SEALANT, POLYURETHANE 300 ML
66 Артикул: 7302291, KIT, BELT TENSIONER W/ Ref. 1, 3, 4, 5, 6, 7, 8, 9, 10, 11, 13, 14

ДВИГАТЕЛЬ И КРЕПЕЖНЫЕ ДЕТАЛИ (СИСТЕМА РЕМНЕЙ ПРИВОДА): Техника, которая работает на результат

ДВИГАТЕЛЬ И КРЕПЕЖНЫЕ ДЕТАЛИ (СИСТЕМА РЕМНЕЙ ПРИВОДА) на Bobcat 700s Bobcat 753 515830001 И ВЫШЕ, 516220001 И ВЫШЕ

Габаритные размеры

Габаритные размеры и схема ДВИГАТЕЛЬ И КРЕПЕЖНЫЕ ДЕТАЛИ (СИСТЕМА РЕМНЕЙ ПРИВОДА)

Нажмите на схему для увеличения

Документация

Документация временно недоступна.

Похожая техника в категории: ЗАПЧАСТИ ДВИГАТЕЛЯ (Bobcat)

Спецтехника ВОЗДУШНЫЙ ФИЛЬТР

ВОЗДУШНЫЙ ФИЛЬТР

1Артикул: 670071...
2Артикул: 673528...
3Артикул: 666124...
Подробнее >
Спецтехника ТАБЛИЧКА РЕГУЛЯТОРА СКОРОСТИ

ТАБЛИЧКА РЕГУЛЯТОРА СКОРОСТИ

1Артикул: 397497...
2Артикул: 397497...
3Артикул: 397497...
Подробнее >
Спецтехника ФОРСУНКИ

ФОРСУНКИ

1Артикул: HOLDER...
2Артикул: 665521...
3Артикул: 665521...
Подробнее >
Спецтехника ДРОССЕЛЬНАЯ ЗАСЛОНКА

ДРОССЕЛЬНАЯ ЗАСЛОНКА

1Артикул: 670545...
2Артикул: 656445...
3Артикул: 38C610...
Подробнее >
Спецтехника ВОДЯНОЙ ФЛАНЕЦ И ТЕРМОСТАТ

ВОДЯНОЙ ФЛАНЕЦ И ТЕРМОСТАТ

1Артикул: 665588...
2Артикул: 397498...
3Артикул: 397467...
Подробнее >
Спецтехника ДВИГАТЕЛЬ И КРЕПЕЖНЫЕ ДЕТАЛИ (ТЕПЛООБМЕННИК РАДИАТОРА)

ДВИГАТЕЛЬ И КРЕПЕЖНЫЕ ДЕТАЛИ (ТЕПЛООБМЕННИК РАДИАТОРА)

1Артикул: 666638...
2Артикул: 664667...
3Артикул: 670475...
Подробнее >
Спецтехника ДВИГАТЕЛЬ, ЕГО ЧАСТИ

ДВИГАТЕЛЬ, ЕГО ЧАСТИ

1Артикул: 85D8, ...
2Артикул: MOUNT,...
3Артикул: STARTE...
Подробнее >
Спецтехника ФОРСУНКОДЕРЖАТЕЛЬ

ФОРСУНКОДЕРЖАТЕЛЬ

1Артикул: 702312...
2Артикул: 672214...
3Артикул: 665746...
Подробнее >
Спецтехника КОЛЛЕКТОР

КОЛЛЕКТОР

1Артикул: 665148...
2Артикул: GASKET...
3Артикул: 665267...
Подробнее >
Спецтехника РАСПРЕДВАЛ

РАСПРЕДВАЛ

1Артикул: 701526...
2Артикул: 665517...
3Артикул: 665542...
Подробнее >
Спецтехника ПРИВОД ВЕНТИЛЯТОРА ОХЛАЖДЕНИЯ В СБОРЕ

ПРИВОД ВЕНТИЛЯТОРА ОХЛАЖДЕНИЯ В СБОРЕ

1Артикул: 673410...
2Артикул: 669235...
3-
Подробнее >
Спецтехника ДВИГАТЕЛЬ И КРЕПЕЖНЫЕ ДЕТАЛИ (ВОЗДУХООЧИСТИТЕЛЬ, ГЛУШИТЕЛЬ И ОКОННАЯ РЕШЕТКА)

ДВИГАТЕЛЬ И КРЕПЕЖНЫЕ ДЕТАЛИ (ВОЗДУХООЧИСТИТЕЛЬ, ГЛУШИТЕЛЬ И ОКОННАЯ РЕШЕТКА)

1Артикул: 670639...
2Артикул: 670639...
3Артикул: 84G311...
Подробнее >