+7 (701) 588 50 05 Телефон для связи
RU

WhatsApp

Позвонить

ДВИГАТЕЛЬ И КРЕПЕЖНЫЕ ДЕТАЛИ (ТЕПЛООБМЕННИК РАДИАТОРА) (СЕРИЙНЫЙ НОМЕР AZND11001 - AZND11051) — Продажа в Казахстане Цены от официального дилера с доставкой в Алматы, Астану и регионы

Техника доступна в:
Полный спектр услуг:
Для Вашего удобства:
Характеристики и описание
Габариты, схема
Техническая документация
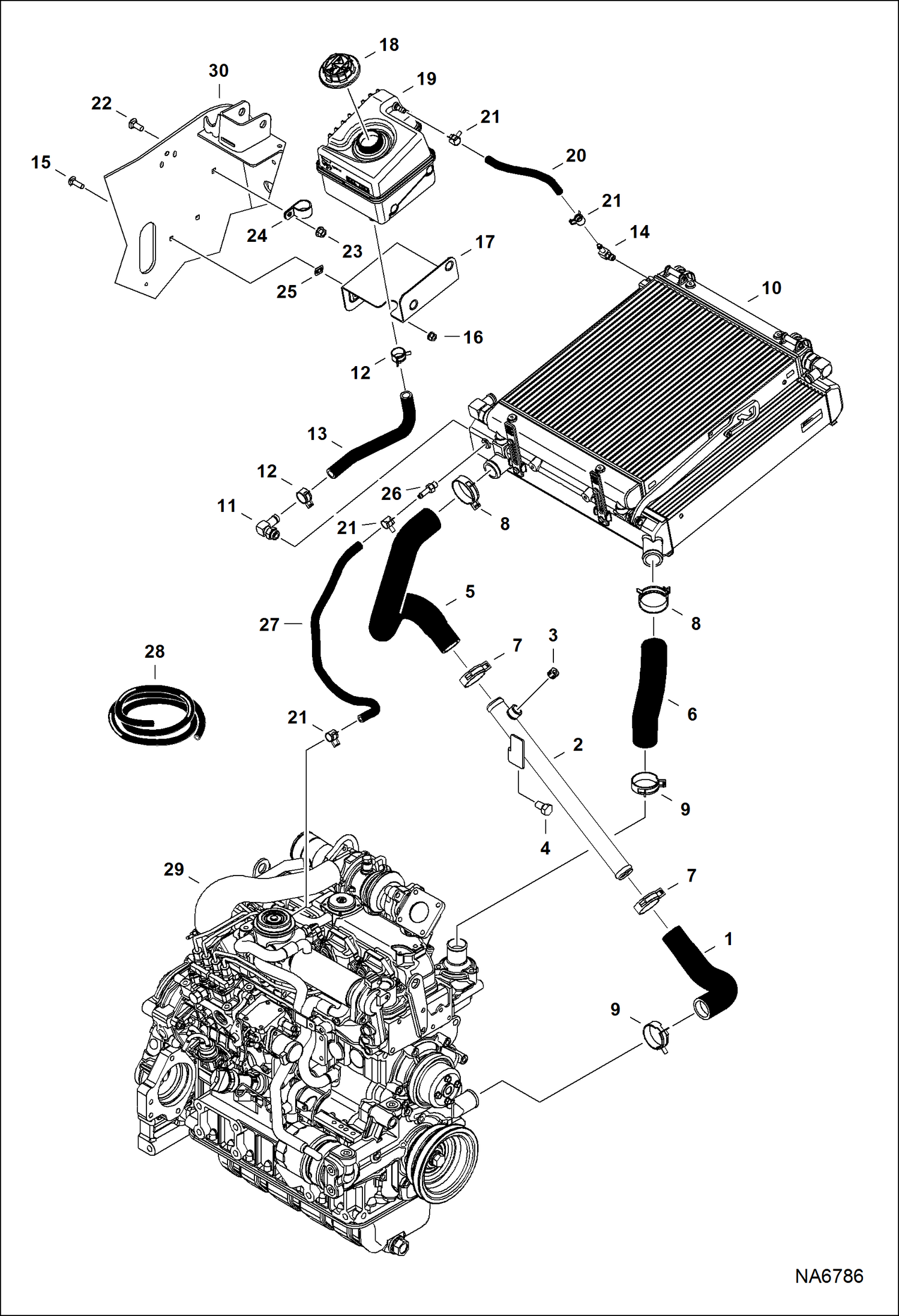
1 Артикул: 7211861, HOSE, WATER LOWER
2 Артикул: 7211695, TUBE ASSY WATER W/Ref. 3
3 Артикул: 16F6, PLUG
4 Артикул: 6719827, BOLT
5 Артикул: 7211469, HOSE, WATER
6 Артикул: 7204637, HOSE, WATER
7 Артикул: 5HM42, HOSECLAMP
8 Артикул: 5HM44, CLAMP
9 Артикул: 5HM47, CLAMP
10 Артикул: EXCHANGER,, EXCHANGER, WATER RADIATOR See Illustration HYDROSTATIC CIRCUITRY/ NA6647
11 Артикул: 6680952, FITTING 90 DEG BARB
12 Артикул: 79K8, O RING 10
13 Артикул: 5HM23, CLAMP
14 Артикул: 7197790, HOSE, WATER FORMED
15 Артикул: 7204614, FITTING, ELBOW
16 Артикул: 37C516, BOLT
17 Артикул: 89D5, NUT
18 Артикул: 7144265, MOUNT, TANK
19 Артикул: 6733429, CAP
20 Артикул: 7137747, TANK, EXPANSION
21 Артикул: HOSE, HOSE NLA - 203,2 mm (8--) long - Order Ref. 28
22 Артикул: 5HM14, CLAMP
23 Артикул: 37C616, BOLT
24 Артикул: 89D6, NUT Was 89D6 - B
25 Артикул: 30H73, CLAMP
26 Артикул: 774220, NUT
27 Артикул: 6734090, ADAPTER
28 Артикул: HOSE, HOSE NLA - 560 mm (22--) long - Order Ref. 28
29 Артикул: 6577822, HOSE sold per foot
30 Артикул: ENGINE, ENGINE See Illustration ENGINE & GASKET KITS/ NA2410
31 Артикул: MAIN, MAIN FRAME See Illustration MAIN FRAME/ NA6764

ДВИГАТЕЛЬ И КРЕПЕЖНЫЕ ДЕТАЛИ (ТЕПЛООБМЕННИК РАДИАТОРА) (СЕРИЙНЫЙ НОМЕР AZND11001 - AZND11051): Техника, которая работает на результат

ДВИГАТЕЛЬ И КРЕПЕЖНЫЕ ДЕТАЛИ (ТЕПЛООБМЕННИК РАДИАТОРА) (СЕРИЙНЫЙ НОМЕР AZND11001 - AZND11051) на мини-погрузчик Bobcat S590 AZND11001 И ВЫШЕ

Габаритные размеры

Габаритные размеры и схема ДВИГАТЕЛЬ И КРЕПЕЖНЫЕ ДЕТАЛИ (ТЕПЛООБМЕННИК РАДИАТОРА) (СЕРИЙНЫЙ НОМЕР AZND11001 - AZND11051)

Нажмите на схему для увеличения

Документация

Документация временно недоступна.

Похожая техника в категории: ЗАПЧАСТИ ДВИГАТЕЛЯ (Bobcat)

Спецтехника РЕГУЛЯТОР ОБОРОТОВ

РЕГУЛЯТОР ОБОРОТОВ

1Артикул: 668075...
2Артикул: 700063...
3Артикул: 668075...
Подробнее >
Спецтехника ВПРЫСКИВАЮЩИЕ СОПЛА

ВПРЫСКИВАЮЩИЕ СОПЛА

1Артикул: HOLDER...
2Артикул: 668077...
3Артикул: 700061...
Подробнее >
Спецтехника ДВИГАТЕЛЬ И КРЕПЕЖНЫЕ ДЕТАЛИ (СИСТЕМА РЕМНЕЙ ПРИВОДА)

ДВИГАТЕЛЬ И КРЕПЕЖНЫЕ ДЕТАЛИ (СИСТЕМА РЕМНЕЙ ПРИВОДА)

1Артикул: 96D12,...
2Артикул: 657603...
3Артикул: 714480...
Подробнее >
Спецтехника РЕГУЛЯТОР ОБОРОТОВ (РЫЧАГ ДЛЯ ВИЛ)

РЕГУЛЯТОР ОБОРОТОВ (РЫЧАГ ДЛЯ ВИЛ)

1Артикул: 700063...
2Артикул: BEARIN...
3Артикул: SHAFT,...
Подробнее >
Спецтехника КОЛЛЕКТОР

КОЛЛЕКТОР

1Артикул: 700075...
2Артикул: 665744...
3Артикул: 397497...
Подробнее >
Спецтехника ДВИГАТЕЛЬ, ЕГО ЧАСТИ

ДВИГАТЕЛЬ, ЕГО ЧАСТИ

1Артикул: ENGINE...
2Артикул: 721406...
3Артикул: 722568...
Подробнее >
Спецтехника СИСТЕМА ОХЛАЖДЕНИЯ (СЕРИЙНЫЙ НОМЕР AZND11052 И ВЫШЕ)

СИСТЕМА ОХЛАЖДЕНИЯ (СЕРИЙНЫЙ НОМЕР AZND11052 И ВЫШЕ)

1Артикул: 721080...
2Артикул: 721511...
3Артикул: SEAL, ...
Подробнее >
Спецтехника ГОЛОВКА БЛОКА ЦИЛИНДРОВ

ГОЛОВКА БЛОКА ЦИЛИНДРОВ

1Артикул: HEAD,,...
2Артикул: 731383...
3Артикул: 397403...
Подробнее >
Спецтехника ТОПЛИВНАЯ СИСТЕМА И НАСОС ВПРЫСКА

ТОПЛИВНАЯ СИСТЕМА И НАСОС ВПРЫСКА

1Артикул: 700048...
2Артикул: 702098...
3Артикул: 700071...
Подробнее >
Спецтехника ДВИГАТЕЛЬ И КРЕПЕЖНЫЕ ДЕТАЛИ (ТЕПЛООБМЕННИК РАДИАТОРА) (СЕРИЙНЫЙ НОМЕР AZND11052 И ВЫШЕ)

ДВИГАТЕЛЬ И КРЕПЕЖНЫЕ ДЕТАЛИ (ТЕПЛООБМЕННИК РАДИАТОРА) (СЕРИЙНЫЙ НОМЕР AZND11052 И ВЫШЕ)

1Артикул: 722615...
2Артикул: HOSE,,...
3Артикул: 722615...
Подробнее >
Спецтехника СИСТЕМА ОХЛАЖДЕНИЯ (СЕРИЙНЫЙ НОМЕР AZND11001 - AZND11051)

СИСТЕМА ОХЛАЖДЕНИЯ (СЕРИЙНЫЙ НОМЕР AZND11001 - AZND11051)

1Артикул: 721080...
2Артикул: 721511...
3Артикул: SEAL, ...
Подробнее >
Спецтехника ДВИГАТЕЛЬ И КРЕПЕЖНЫЕ ДЕТАЛИ (СИСТЕМА ПОДАЧИ ТОПЛИВА)

ДВИГАТЕЛЬ И КРЕПЕЖНЫЕ ДЕТАЛИ (СИСТЕМА ПОДАЧИ ТОПЛИВА)

1Артикул: 726692...
2Артикул: 712088...
3Артикул: 5HM58,...
Подробнее >