+7 (701) 588 50 05 Телефон для связи
RU

WhatsApp

Позвонить

ЭКСКАВАТОР-ПОГРУЗЧИК (ОТКИДНОЕ СИДЕНЬЕ РАМЫ ШАССИ) (908) — Продажа в Казахстане Цены от официального дилера с доставкой в Алматы, Астану и регионы

Техника доступна в:
Полный спектр услуг:
Для Вашего удобства:
Характеристики и описание
Габариты, схема
Техническая документация
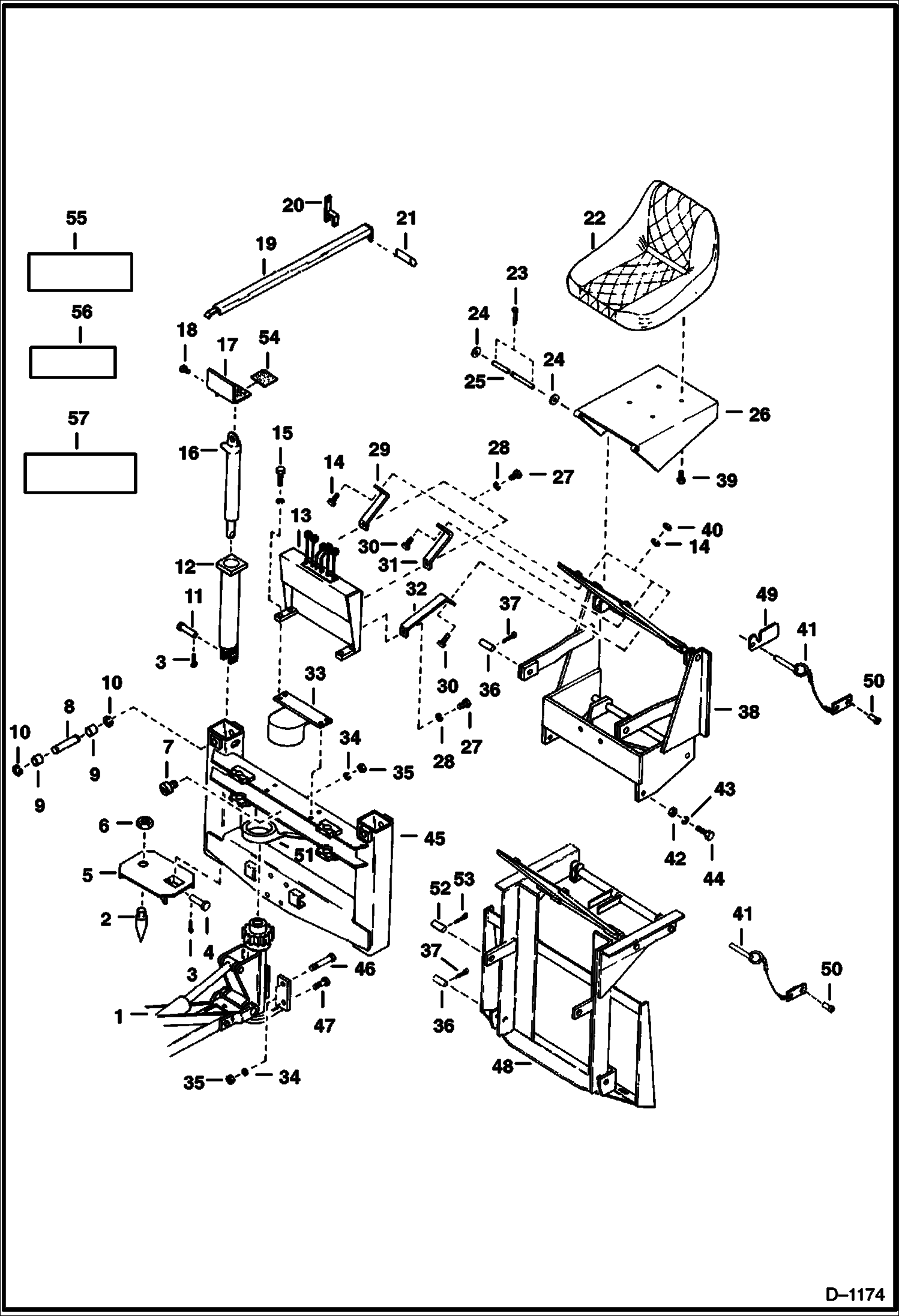
1 Артикул: BOOM, BOOM See Illustration BACKHOE/ D1112
2 Артикул: 6502468, SPIKE
3 Артикул: 1F420, CTTR PIN
4 Артикул: 6517955, HINGE PIN
5 Артикул: 6517954, PAD stabilizer - L.H.
6 Артикул: 6518553, PAD stabilizer - R.H.
7 Артикул: 62D20, NUT
8 Артикул: 6517978, GUIDE rack
9 Артикул: 6517953, PIN
10 Артикул: SPACER, SPACER NLA - Was 6517952 - A
11 Артикул: 710822, RING
12 Артикул: 6517982, PIN
13 Артикул: 6517983, STABILIZER
14 Артикул: CONTROL, CONTROL ASSY. See Illustration BACKHOE/ B20447
15 Артикул: 4E6, WASHER
16 Артикул: 17C620, BOLT
17 Артикул: CYLINDER, CYLINDER See Illustration BACKHOE/ C1203 stabilizer
18 Артикул: 6517981, COVER foot
19 Артикул: 84G3112, BOLT 5 Was 14G-512 - D
20 Артикул: STOP, STOP See Illustration BACKHOE/ B20455 lift arm
21 Артикул: 6504729, BRACKET
22 Артикул: 6515499, PIN safety
23 Артикул: 6500774, SEAT
24 Артикул: 1F416, PIN Was 1F-412 - D
25 Артикул: 25E18, WASHER
26 Артикул: 6504391, PIN
27 Артикул: 6540283, BRACKET
28 Артикул: 17C716, BOLT
29 Артикул: 4E7, WASHER
30 Артикул: 6540286, BRACE
31 Артикул: 17C624, BOLT 5
32 Артикул: 6540287, BRACE
33 Артикул: 6540288, BRACE
34 Артикул: 6517979, COVER
35 Артикул: 4E10, WASHER
36 Артикул: 61D10, NUT
37 Артикул: 6502401, PIN
38 Артикул: PIN, PIN NLA - Was 1F820 - A
39 Артикул: FRAME, FRAME NLA - mounting - Order Ref. 48
40 Артикул: 17C512, BOLT 5
41 Артикул: 61D6, NUT 5
42 Артикул: 6513633, PIN
43 Артикул: 61D12, NUT
44 Артикул: 23E12, WASHER Was 4E12 - A
45 Артикул: 17C1244, BOLT
46 Артикул: FRAME, FRAME NLA - Was 6517950 - A
47 Артикул: 15C10104, SCREW
48 Артикул: 17C1024, BOLT
49 Артикул: 6546983, FRAME bob-tach mounted
50 Артикул: 6502400, HOOK mounting - weld on
51 Артикул: 6557836, RIVET
52 Артикул: 6518997, HOUSING upper bearing - weld on
53 Артикул: 6546986, PIN
54 Артикул: 1F632, PIN
55 Артикул: 6558039, SAFETY TREAD
56 Артикул: 6502750, DECAL caution
57 Артикул: 6552174, DECAL mounting instructions
58 Артикул: 6596591, DECAL warning - Was 6562925 - A

ЭКСКАВАТОР-ПОГРУЗЧИК (ОТКИДНОЕ СИДЕНЬЕ РАМЫ ШАССИ) (908): Техника, которая работает на результат

ЭКСКАВАТОР-ПОГРУЗЧИК (ОТКИДНОЕ СИДЕНЬЕ РАМЫ ШАССИ) (908) на навесное оборудование Bobcat BOBCAT ЭКСКАВАТОР-ПОГРУЗЧИК ПОГРУЗЧИК

Габаритные размеры

Габаритные размеры и схема ЭКСКАВАТОР-ПОГРУЗЧИК (ОТКИДНОЕ СИДЕНЬЕ РАМЫ ШАССИ) (908)

Нажмите на схему для увеличения

Документация

Документация временно недоступна.

Похожая техника в категории: 908 ЭКСКАВАТОР-ПОГРУЗЧИК (Bobcat)

Спецтехника ЭКСКАВАТОР-ПОГРУЗЧИК (СТРЕЛА И ГИДРАВЛИКА РУКОЯТИ СТРЕЛЫ ЧЕРПАКА С НОВЫМ ЦИЛИНДРОМ) (908)

ЭКСКАВАТОР-ПОГРУЗЧИК (СТРЕЛА И ГИДРАВЛИКА РУКОЯТИ СТРЕЛЫ ЧЕРПАКА С НОВЫМ ЦИЛИНДРОМ) (908)

1Артикул: MAIN, ...
2Артикул: SCREW,...
3Артикул: 651802...
Подробнее >
Спецтехника ЭКСКАВАТОР-ПОГРУЗЧИК (СТРЕЛА, КОВШ И ЦИЛИНДР РУКОЯТИ СТРЕЛЫ ЧЕРПАКА) (LANTEX - ПЕРЕСТРОЕННЫЙ H-621029) (908)

ЭКСКАВАТОР-ПОГРУЗЧИК (СТРЕЛА, КОВШ И ЦИЛИНДР РУКОЯТИ СТРЕЛЫ ЧЕРПАКА) (LANTEX - ПЕРЕСТРОЕННЫЙ H-621029) (908)

1Артикул: CYLIND...
2Артикул: GREASE...
3Артикул: ROD, R...
Подробнее >
Спецтехника ЭКСКАВАТОР-ПОГРУЗЧИК (СИДЕНИЕ РАМЫ ШАССИ) (908)

ЭКСКАВАТОР-ПОГРУЗЧИК (СИДЕНИЕ РАМЫ ШАССИ) (908)

1Артикул: BOOM, ...
2Артикул: 650246...
3Артикул: 1F420,...
Подробнее >
Спецтехника ЭКСКАВАТОР-ПОГРУЗЧИК (СТРЕЛА, КОВШ И ЦИЛИНДР РУКОЯТИ СТРЕЛЫ ЧЕРПАКА) (J.I.CASE) (908)

ЭКСКАВАТОР-ПОГРУЗЧИК (СТРЕЛА, КОВШ И ЦИЛИНДР РУКОЯТИ СТРЕЛЫ ЧЕРПАКА) (J.I.CASE) (908)

1Артикул: CYLIND...
2Артикул: ROD, R...
3Артикул: WIPER,...
Подробнее >
Спецтехника ЭКСКАВАТОР-ПОГРУЗЧИК (КОВШИ) (908)

ЭКСКАВАТОР-ПОГРУЗЧИК (КОВШИ) (908)

1Артикул: BUCKET...
2Артикул: 654115...
3Артикул: 654115...
Подробнее >
Спецтехника ЭКСКАВАТОР-ПОГРУЗЧИК (СТРЕЛА И ГИДРАВЛИКА РУКОЯТИ СТРЕЛЫ ЧЕРПАКА) (D-15 - 00500 И ВЫШЕ)

ЭКСКАВАТОР-ПОГРУЗЧИК (СТРЕЛА И ГИДРАВЛИКА РУКОЯТИ СТРЕЛЫ ЧЕРПАКА) (D-15 - 00500 И ВЫШЕ)

1Артикул: BOOM, ...
2Артикул: CYLIND...
3Артикул: 79K8, ...
Подробнее >
Спецтехника ЭКСКАВАТОР-ПОГРУЗЧИК (ГРУППА КЛАПАНОВ) (908)

ЭКСКАВАТОР-ПОГРУЗЧИК (ГРУППА КЛАПАНОВ) (908)

1Артикул: VALVE,...
2Артикул: 414905...
3Артикул: 414906...
Подробнее >
Спецтехника ЭКСКАВАТОР-ПОГРУЗЧИК (СТРЕЛА, КОВШ И РУКОЯТЬ СТРЕЛЫ ЧЕРПАКА) (908)

ЭКСКАВАТОР-ПОГРУЗЧИК (СТРЕЛА, КОВШ И РУКОЯТЬ СТРЕЛЫ ЧЕРПАКА) (908)

1Артикул: 17C624...
2Артикул: 651797...
3Артикул: 651795...
Подробнее >
Спецтехника ЭКСКАВАТОР-ПОГРУЗЧИК (ЦИЛИНДР СТАБИЛИЗАТОРА) (BOBCAT) (907) (908A) (908B) (909)

ЭКСКАВАТОР-ПОГРУЗЧИК (ЦИЛИНДР СТАБИЛИЗАТОРА) (BOBCAT) (907) (908A) (908B) (909)

1Артикул: 710204...
2Артикул: 710204...
3Артикул: 659227...
Подробнее >
Спецтехника ЭКСКАВАТОР-ПОГРУЗЧИК (ЦИЛИНДР СТАБИЛИЗАТОРА) (908)

ЭКСКАВАТОР-ПОГРУЗЧИК (ЦИЛИНДР СТАБИЛИЗАТОРА) (908)

1Артикул: CYLIND...
2Артикул: 659833...
3Артикул: 659834...
Подробнее >
Спецтехника ЭКСКАВАТОР-ПОГРУЗЧИК (СТРЕЛА, КОВШ И ЦИЛИНДР РУКОЯТИ СТРЕЛЫ ЧЕРПАКА) (LANTEX) (908)

ЭКСКАВАТОР-ПОГРУЗЧИК (СТРЕЛА, КОВШ И ЦИЛИНДР РУКОЯТИ СТРЕЛЫ ЧЕРПАКА) (LANTEX) (908)

1Артикул: CYLIND...
2Артикул: GREASE...
3Артикул: 651289...
Подробнее >
Спецтехника ЭКСКАВАТОР-ПОГРУЗЧИК (СТРЕЛА, КОВШ И ЦИЛИНДР РУКОЯТИ СТРЕЛЫ ЧЕРПАКА) (CESSNA) (908)

ЭКСКАВАТОР-ПОГРУЗЧИК (СТРЕЛА, КОВШ И ЦИЛИНДР РУКОЯТИ СТРЕЛЫ ЧЕРПАКА) (CESSNA) (908)

1Артикул: CYLIND...
2Артикул: ROD, R...
3Артикул: 651806...
Подробнее >