+7 (701) 588 50 05 Телефон для связи
RU

WhatsApp

Позвонить

ЭКСКАВАТОР-ПОГРУЗЧИК (РАМА ШАССИ) (910) (825 ТОЛЬКО) — Продажа в Казахстане Цены от официального дилера с доставкой в Алматы, Астану и регионы

Техника доступна в:
Полный спектр услуг:
Для Вашего удобства:
Характеристики и описание
Габариты, схема
Техническая документация
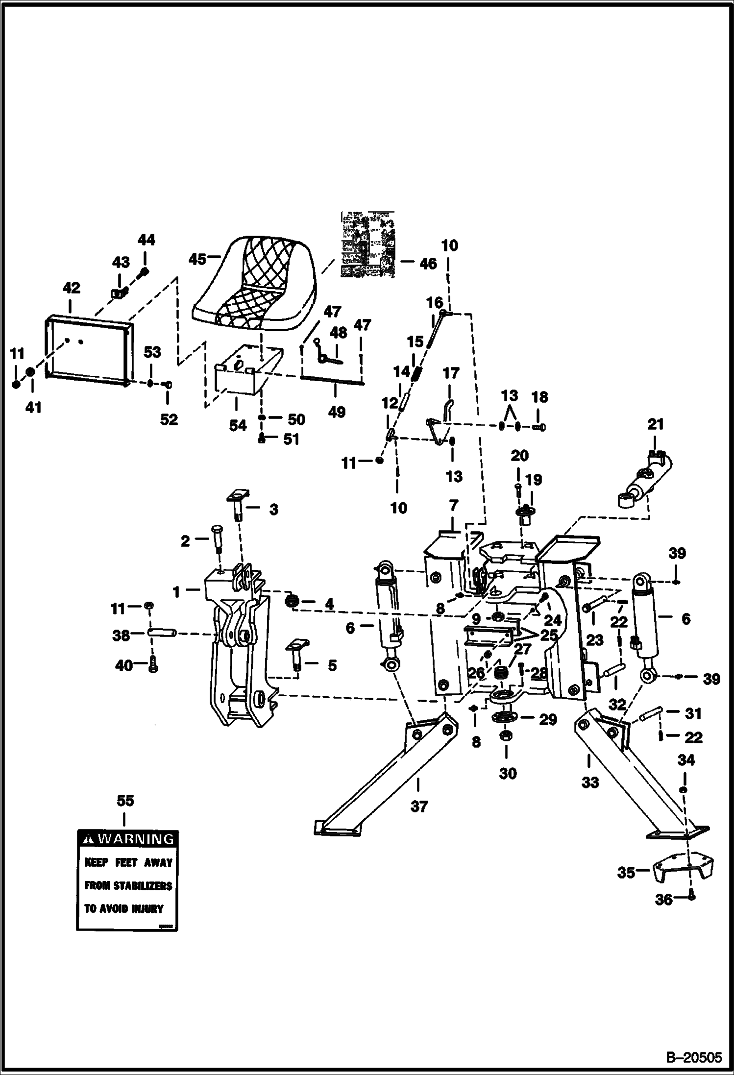
1 Артикул: 6544789, FRAME swing
2 Артикул: 6590603, PIN
3 Артикул: 6544590, PIN
4 Артикул: 6519336, BEARING
5 Артикул: 6544594, PIN
6 Артикул: CYLINDER, CYLINDER See Illustration BACKHOE/ C2153 See Illustration BACKHOE/ C2655 stabilizer
7 Артикул: 6553532, MAIN FRAME
8 Артикул: 36H35, FITTING
9 Артикул: 6544593, NUT
10 Артикул: 1F416, PIN
11 Артикул: 81D6, NUT
12 Артикул: 6544782, PIVOT
13 Артикул: 25E18, WASHER
14 Артикул: 6553503, TUBE
15 Артикул: 6553500, SPRING
16 Артикул: 6591134, ROD
17 Артикул: 228686, WASHER
18 Артикул: 6553514, ARM R.H.
19 Артикул: 6553515, ARM L.H.
20 Артикул: 17C608, BOLT
21 Артикул: 6544598, PIN swing cylinder
22 Артикул: 17C816, BOLT
23 Артикул: CYLINDER, CYLINDER See Illustration BACKHOE/ C2157 See Illustration BACKHOE/ C2656 swing
24 Артикул: 106023, PIN
25 Артикул: 6544607, PIN
26 Артикул: 17C832, BOLT
27 Артикул: 6590855, CHANNEL
28 Артикул: 81D8, NUT
29 Артикул: 6519337, BEARING
30 Артикул: 73G624, BOLT cap - Was 11G-624 - A
31 Артикул: 6544842, RETAINER
32 Артикул: 6544597, NUT
33 Артикул: 6546387, PIN
34 Артикул: 6544611, PIN
35 Артикул: 6546391, STABILIZER L.H.
36 Артикул: 61D6, NUT 5
37 Артикул: 6548585, PLATE
38 Артикул: 7C820, BOLT
39 Артикул: 6546392, STABILIZER R.H.
40 Артикул: 6544604, PIN
41 Артикул: 36H25, FITTING
42 Артикул: 17C640, BOLT
43 Артикул: 25E17, WASHER 5
44 Артикул: 6544810, SUPPORT seat
45 Артикул: 6590669, BRACKET
46 Артикул: 17C614, BOLT
47 Артикул: 6500774, SEAT Also Order Ref. 46 (6555540 decal)
48 Артикул: 6660148, LOWER SLIDE
49 Артикул: UPPER, UPPER SLIDE NLA - Was 6660149 - A
50 Артикул: 6555540, DECAL mounting instructions
51 Артикул: 1F316, PIN
52 Артикул: 6511880, PIN
53 Артикул: 6547294, ROD
54 Артикул: 4E5, WASHER
55 Артикул: 17C512, BOLT 5
56 Артикул: 17C612, BOLT 5
57 Артикул: 4E6, WASHER
58 Артикул: 6544812, BRACKET
59 Артикул: 6583862, DECAL, WARNING Was 6562922 - A

ЭКСКАВАТОР-ПОГРУЗЧИК (РАМА ШАССИ) (910) (825 ТОЛЬКО): Техника, которая работает на результат

ЭКСКАВАТОР-ПОГРУЗЧИК (РАМА ШАССИ) (910) (825 ТОЛЬКО) на навесное оборудование Bobcat BOBCAT ЭКСКАВАТОР-ПОГРУЗЧИК ПОГРУЗЧИК

Габаритные размеры

Габаритные размеры и схема ЭКСКАВАТОР-ПОГРУЗЧИК (РАМА ШАССИ) (910) (825 ТОЛЬКО)

Нажмите на схему для увеличения

Документация

Документация временно недоступна.

Похожая техника в категории: 910 ЭКСКАВАТОР-ПОГРУЗЧИК (Bobcat)

Спецтехника ЭКСКАВАТОР-ПОГРУЗЧИК (КОВШИ) (910) (825 ТОЛЬКО)

ЭКСКАВАТОР-ПОГРУЗЧИК (КОВШИ) (910) (825 ТОЛЬКО)

1Артикул: BUCKET...
2Артикул: BUCKET...
3Артикул: BUCKET...
Подробнее >
Спецтехника ЭКСКАВАТОР-ПОГРУЗЧИК (СЕКЦИЯ СТРЕЛЫ) (910) (825 ТОЛЬКО)

ЭКСКАВАТОР-ПОГРУЗЧИК (СЕКЦИЯ СТРЕЛЫ) (910) (825 ТОЛЬКО)

1Артикул: VALVE,...
2Артикул: 651260...
3Артикул: O-RING...
Подробнее >
Спецтехника ЭКСКАВАТОР-ПОГРУЗЧИК (СЕКЦИЯ УПРАВЛЕНИЯ ПОВОРОТА) (910) (825 ТОЛЬКО)

ЭКСКАВАТОР-ПОГРУЗЧИК (СЕКЦИЯ УПРАВЛЕНИЯ ПОВОРОТА) (910) (825 ТОЛЬКО)

1Артикул: VALVE,...
2Артикул: RELIEF...
3Артикул: O-RING...
Подробнее >
Спецтехника ЭКСКАВАТОР-ПОГРУЗЧИК (ЦИЛИНДР КОВША) (RODGERS ИЛИ SIERRA) (910) (825 ТОЛЬКО)

ЭКСКАВАТОР-ПОГРУЗЧИК (ЦИЛИНДР КОВША) (RODGERS ИЛИ SIERRA) (910) (825 ТОЛЬКО)

1Артикул: 654454...
2Артикул: 654651...
3Артикул: CASE, ...
Подробнее >
Спецтехника ЭКСКАВАТОР-ПОГРУЗЧИК (ЦИЛИНДР РУКОЯТИ СТРЕЛЫ ЧЕРПАКА) (RODGERS ИЛИ SIERRA) (910) (825 ТОЛЬКО)

ЭКСКАВАТОР-ПОГРУЗЧИК (ЦИЛИНДР РУКОЯТИ СТРЕЛЫ ЧЕРПАКА) (RODGERS ИЛИ SIERRA) (910) (825 ТОЛЬКО)

1Артикул: 654454...
2Артикул: 654651...
3Артикул: CASE, ...
Подробнее >
Спецтехника ЭКСКАВАТОР-ПОГРУЗЧИК (ЦИЛИНДР ПОВОРОТА) (J.I.CASE) (910) (825 ТОЛЬКО)

ЭКСКАВАТОР-ПОГРУЗЧИК (ЦИЛИНДР ПОВОРОТА) (J.I.CASE) (910) (825 ТОЛЬКО)

1Артикул: CYLIND...
2Артикул: 651984...
3Артикул: CASE, ...
Подробнее >
Спецтехника ЭКСКАВАТОР-ПОГРУЗЧИК (ЦИЛИНДР СТРЕЛЫ) (RODGERS ИЛИ SIERRA) (910) (825 ТОЛЬКО)

ЭКСКАВАТОР-ПОГРУЗЧИК (ЦИЛИНДР СТРЕЛЫ) (RODGERS ИЛИ SIERRA) (910) (825 ТОЛЬКО)

1Артикул: 654454...
2Артикул: 654651...
3Артикул: CASE, ...
Подробнее >
Спецтехника ЭКСКАВАТОР-ПОГРУЗЧИК (ЦИЛИНДР РУКОЯТИ СТРЕЛЫ ЧЕРПАКА) (IOWA IND.) (910) (825 ТОЛЬКО)

ЭКСКАВАТОР-ПОГРУЗЧИК (ЦИЛИНДР РУКОЯТИ СТРЕЛЫ ЧЕРПАКА) (IOWA IND.) (910) (825 ТОЛЬКО)

1Артикул: CYLIND...
2Артикул: 654651...
3Артикул: CASE, ...
Подробнее >
Спецтехника ЭКСКАВАТОР-ПОГРУЗЧИК (ГИДРАВЛИКА ОСНОВНОЙ РАМЫ) (910) (825 ТОЛЬКО)

ЭКСКАВАТОР-ПОГРУЗЧИК (ГИДРАВЛИКА ОСНОВНОЙ РАМЫ) (910) (825 ТОЛЬКО)

1Артикул: 36H25,...
2Артикул: 654480...
3Артикул: 654482...
Подробнее >
Спецтехника ЭКСКАВАТОР-ПОГРУЗЧИК (СТРЕЛА, РУКОЯТЬ СТРЕЛЫ ЧЕРПАКА И ГИДРОЦИЛИНДР КОВШАS) (910) (825 ТОЛЬКО)

ЭКСКАВАТОР-ПОГРУЗЧИК (СТРЕЛА, РУКОЯТЬ СТРЕЛЫ ЧЕРПАКА И ГИДРОЦИЛИНДР КОВШАS) (910) (825 ТОЛЬКО)

1Артикул: CYLIND...
2Артикул: 654470...
3Артикул: 654605...
Подробнее >
Спецтехника ЭКСКАВАТОР-ПОГРУЗЧИК (ЦИЛИНДР СТРЕЛЫ) (IOWA IND.) (910) (825 ТОЛЬКО)

ЭКСКАВАТОР-ПОГРУЗЧИК (ЦИЛИНДР СТРЕЛЫ) (IOWA IND.) (910) (825 ТОЛЬКО)

1Артикул: CYLIND...
2Артикул: 654651...
3Артикул: CASE, ...
Подробнее >
Спецтехника ЭКСКАВАТОР-ПОГРУЗЧИК (БЛОК УПРАВЛЕНИЯ РУКОЯТЬЮ СТРЕЛЫ ЧЕРПАКА) (910) (825 ТОЛЬКО)

ЭКСКАВАТОР-ПОГРУЗЧИК (БЛОК УПРАВЛЕНИЯ РУКОЯТЬЮ СТРЕЛЫ ЧЕРПАКА) (910) (825 ТОЛЬКО)

1Артикул: 651006...
2Артикул: RELIEF...
3Артикул: 73K116...
Подробнее >