ЭЛЕКТРИЧЕСКАЯ СХЕМА (Датчики двигателя, АКБ, Генератор и стартер) — Продажа в Казахстане Цены от официального дилера с доставкой в Алматы, Астану и регионы
×
❮
❯
Характеристики и описание
Габариты, схема
Техническая документация
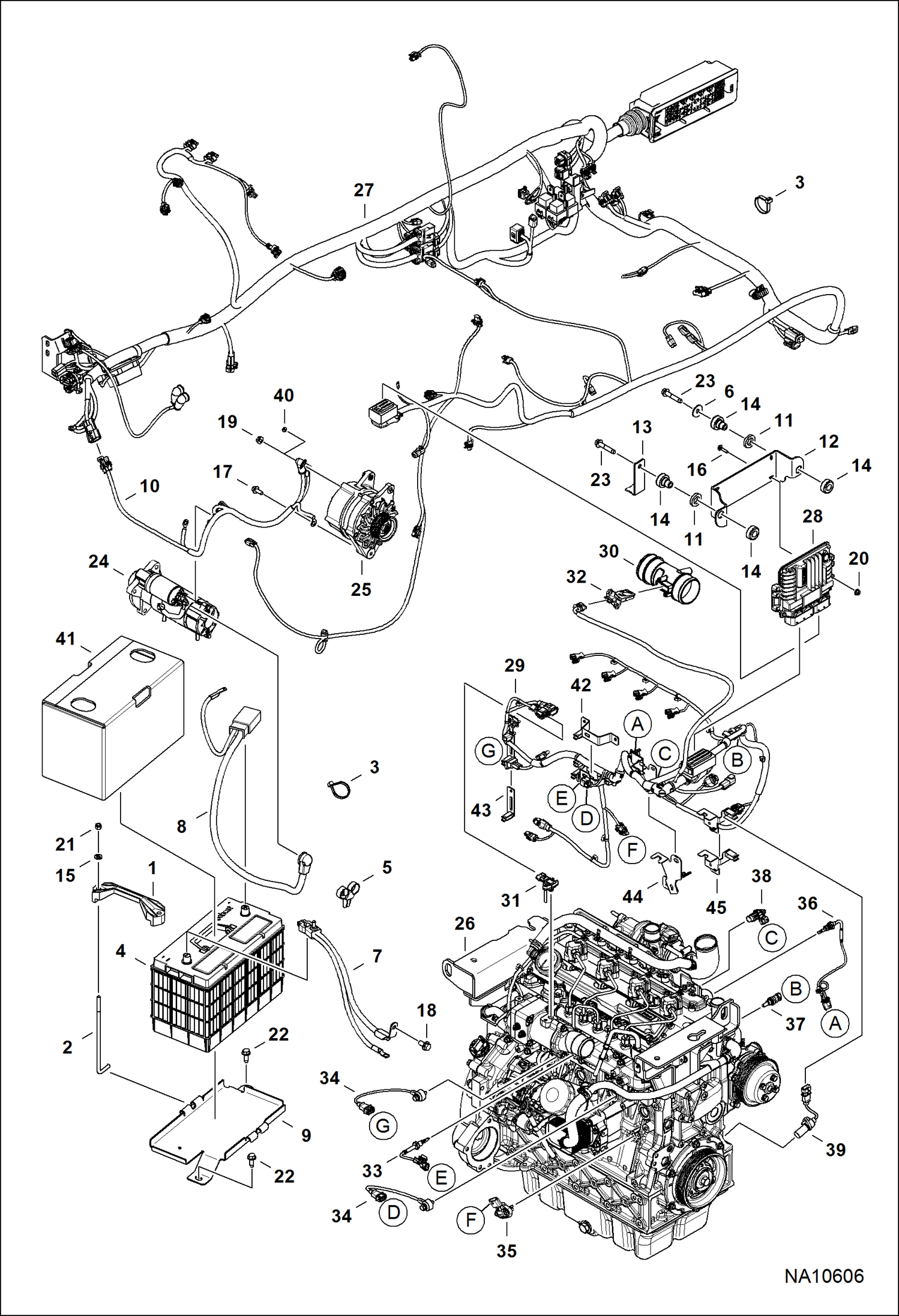
| 1 | Артикул: 6569203, CLAMP |
| 2 | Артикул: 6576280, BOLT |
| 3 | Артикул: 6624289, STRAP, TIE |
| 4 | Артикул: 7269857, BATTERY WET 1000 CCA |
| 5 | Артикул: 6678668, STRAP, DUAL TIE |
| 6 | Артикул: 6737388, WASHER |
| 7 | Артикул: 7276813, CABLE, NEGATIVE Was 7213697 - A |
| 8 | Артикул: 7162967, CABLE, POSITIVE |
| 9 | Артикул: 7159352, PAN, BATTERY |
| 10 | Артикул: 7242470, HARNESS, ENG |
| 11 | Артикул: 7239964, SPACER CONTROLLER |
| 12 | Артикул: 7239965, MOUNT |
| 13 | Артикул: 7240961, BRACKET, HARNESS |
| 14 | Артикул: 7240969, MOUNT |
| 15 | Артикул: 25E15, WASHER |
| 16 | Артикул: 28CM625, BOLT |
| 17 | Артикул: 29CM820, SCREW |
| 18 | Артикул: 29CM1020, BOLT |
| 19 | Артикул: 43DM8, NUT |
| 20 | Артикул: 51DM6, NUT |
| 21 | Артикул: 59D5, NUT 5 |
| 22 | Артикул: 84G3716, SCREW 5 |
| 23 | Артикул: 84G3732, BOLT |
| 24 | Артикул: STARTER, STARTER See Illustration STARTER/ B16488R |
| 25 | Артикул: ALTERNATOR,, ALTERNATOR, 120 AMP See Illustration ALTERNATOR/ NA10280 |
| 26 | Артикул: ENG,, ENG, D34 92 HP EPA TIER 4 / EU STAGE IV See Illustration ALTERNATOR/ NA10280 |
| 27 | Артикул: HARNESS,, HARNESS, MFR See Illustration ENGINE ELECTRICAL CIRCUITRY/ NA10560 |
| 28 | Артикул: 7030329, ECU |
| 29 | Артикул: 7256773, HARNESS, ENG See Illustration ENGINE ELECTRICAL CIRCUITRY/ NA10324 |
| 30 | Артикул: TUBE,, TUBE, FLOW AIR MASS See Illustration ENGINE & ATTACHING PARTS/ NA10332 |
| 31 | Артикул: 7030441, SENSOR, PRESS INTAKE |
| 32 | Артикул: 7030273, BOLT |
| 33 | Артикул: 7230439, SENSOR, FLOW AIR MASS |
| 34 | Артикул: 7030442, SENSOR, TEMP AIR INTAKE Was 7288180 - D |
| 35 | Артикул: 7030438, SENSOR, KNOCK |
| 36 | Артикул: 7030265, BOLT |
| 37 | Артикул: 7030445, SENSOR, PRESS OIL ENG |
| 38 | Артикул: 7030273, BOLT |
| 39 | Артикул: 7030440, SENSOR, TURBO EXHAUST GAS TEMP Was 7288181 - D |
| 40 | Артикул: 7319352, SENSOR TEMP COOLANT Was 7030443 - A |
| 41 | Артикул: 7030437, SENSOR, POSITION CAMSHAFT |
| 42 | Артикул: 7030282, BOLT |
| 43 | Артикул: 7030444, SENSOR, CRANKSHAFT |
| 44 | Артикул: 7030282, BOLT |
| 45 | Артикул: 43DM5, NUT |
| 46 | Артикул: 7257682, INSULATOR BATTERY |
| 47 | Артикул: 7256704, BRACKET, HARNESS |
| 48 | Артикул: 7030282, BOLT |
| 49 | Артикул: 7256702, BRACKET, HARNESS |
| 50 | Артикул: 7030282, BOLT |
| 51 | Артикул: 7256701, BRACKET, HARNESS |
| 52 | Артикул: 7030282, BOLT |
| 53 | Артикул: 7256703, BRACKET, HARNESS |
| 54 | Артикул: 7030282, BOLT |
ЭЛЕКТРИЧЕСКАЯ СХЕМА (Датчики двигателя, АКБ, Генератор и стартер): Техника, которая работает на результат
ЭЛЕКТРИЧЕСКАЯ СХЕМА (Датчики двигателя, АКБ, Генератор и стартер) на мини-погрузчик Bobcat T750 AT5T11001 И ВЫШЕГабаритные размеры
Нажмите на схему для увеличения
Документация
Документация временно недоступна.