+7 (701) 588 50 05 Телефон для связи
RU

WhatsApp

Позвонить

ЭЛЕКТРИЧЕСКАЯ СИСТЕМА КАБИНЫ (СЕРИЙНЫЙ НОМЕР 5005 11001 И ВЫШЕ) — Продажа в Казахстане Цены от официального дилера с доставкой в Алматы, Астану и регионы

Техника доступна в:
Полный спектр услуг:
Для Вашего удобства:
Характеристики и описание
Габариты, схема
Техническая документация
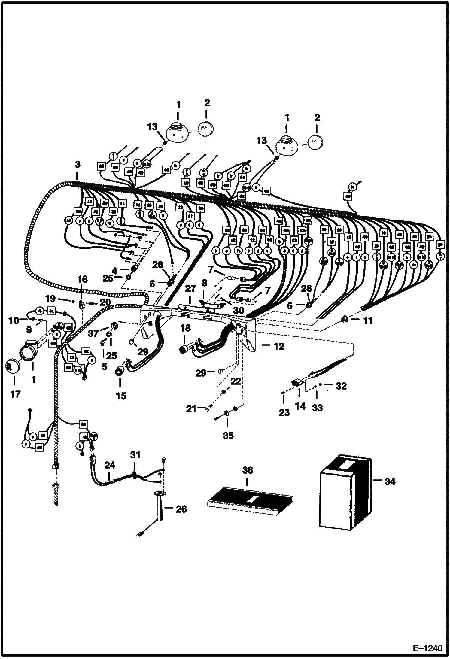
1 Артикул: 6558142, HOUSING
2 Артикул: 6557486, LAMP
3 Артикул: HARNESS, HARNESS NLA - Was 6560179 - A
4 Артикул: 6561500, HARNESS
5 Артикул: SWITCH, SWITCH See BTI289 NLA - Order Ref. 36 - Was 6519592 - A
6 Артикул: 6665606, SWITCH
7 Артикул: 6512809, KEY For NLA/6519592
8 Артикул: KEY, KEY NLA - for 6665606 switch - includes two keys W/ring - Order 6693241 - Was 6709527 - A
9 Артикул: 6693241, KEY 10 ignition - single key W/O ring
10 Артикул: 6513469, HOLDER
11 Артикул: 1319451, FUSE 5
12 Артикул: 6513468, BULB
13 Артикул: 6558242, BRACKET
14 Артикул: 960855, 1003 BULB #1003 - Use only W/#4409 lamp
15 Артикул: 898731, 1156 BULB #1156 - Use only W/#4409x lamp
16 Артикул: 6557504, SOCKET
17 Артикул: 6512808, SWITCH
18 Артикул: 6560182, PANEL
19 Артикул: 6557493, GROMMET
20 Артикул: 6664886, HOURMETER Was 6631657 - A
21 Артикул: 6659912, VOLTMETER Was 6560354
22 Артикул: 6512807, GAUGE amp.
23 Артикул: 30H41, CLIP
24 Артикул: LAMP, LAMP NLA - #4409x - Order 6563740 & 898731B
25 Артикул: 6563740, LAMP #4409x
26 Артикул: 6634273, GAUGE, FUEL Was 6560353 - A
27 Артикул: 61D5, NUT
28 Артикул: 10C512, BOLT Was 6553808 - A
29 Артикул: 17C572, BOLT
30 Артикул: 57D5, NUT Was 6511320 - A
31 Артикул: 85G608, SCREW
32 Артикул: 6560117, WIRE
33 Артикул: 6598721, NUT For NLA/6519592 Switch
34 Артикул: 6674202, NUT For 6665606 Switch
35 Артикул: SENDER, SENDER NLA - fuel - Was 6560169 - A
36 Артикул: 6560699, LENS
37 Артикул: 6514643, GASKET
38 Артикул: 6514642, CAP
39 Артикул: 6514742, RIVET
40 Артикул: 6553651, GROMMET
41 Артикул: 12D6, NUT 10
42 Артикул: 12E6, WASHER
43 Артикул: KIT, KIT See Illustration WIRE HARNESS CONNECTOR/ A2765 NLA - connector - Was 6563326 - A
44 Артикул: 6599781, KNOB
45 Артикул: 6724282, SWITCH KIT Ref. 4 & 5
46 Артикул: 6709028, PLATE

ЭЛЕКТРИЧЕСКАЯ СИСТЕМА КАБИНЫ (СЕРИЙНЫЙ НОМЕР 5005 11001 И ВЫШЕ): Техника, которая работает на результат

ЭЛЕКТРИЧЕСКАЯ СИСТЕМА КАБИНЫ (СЕРИЙНЫЙ НОМЕР 5005 11001 И ВЫШЕ) на Bobcat 600s Bobcat 631 4977M11001 И ВЫШЕ, 5005M11001 И ВЫШЕ

Габаритные размеры

Габаритные размеры и схема ЭЛЕКТРИЧЕСКАЯ СИСТЕМА КАБИНЫ (СЕРИЙНЫЙ НОМЕР 5005 11001 И ВЫШЕ)

Нажмите на схему для увеличения

Документация

Документация временно недоступна.

Похожая техника в категории: ЭЛЕКТРИЧЕСКАЯ СИСТЕМА (Bobcat)

Спецтехника СТАРТЕР (1113285) (5005 11001 И ВЫШЕ)

СТАРТЕР (1113285) (5005 11001 И ВЫШЕ)

1Артикул: 665166...
2Артикул: 665166...
3Артикул: SCREW,...
Подробнее >
Спецтехника ЭЛЕКТРИЧЕСКАЯ СИСТЕМА ДВИГАТЕЛЯ (СЕРИЙНЫЙ НОМЕР 5005 14001 И ВЫШЕ)

ЭЛЕКТРИЧЕСКАЯ СИСТЕМА ДВИГАТЕЛЯ (СЕРИЙНЫЙ НОМЕР 5005 14001 И ВЫШЕ)

1Артикул: 17C408...
2Артикул: 83D4, ...
3Артикул: 665931...
Подробнее >
Спецтехника ЭЛЕКТРИЧЕСКАЯ СИСТЕМА КАБИНЫ (СЕРИЙНЫЙ НОМЕР 4997 12999 И НИЖЕ)

ЭЛЕКТРИЧЕСКАЯ СИСТЕМА КАБИНЫ (СЕРИЙНЫЙ НОМЕР 4997 12999 И НИЖЕ)

1Артикул: 655885...
2Артикул: 655814...
3Артикул: 655748...
Подробнее >
Спецтехника ГЕНЕРАТОР ПЕРЕМЕННОГО ТОКА (ОТКРЫТЫЙ)

ГЕНЕРАТОР ПЕРЕМЕННОГО ТОКА (ОТКРЫТЫЙ)

1Артикул: ALTERN...
2Артикул: ALTERN...
3Артикул: BEARIN...
Подробнее >
Спецтехника ГЕНЕРАТОР ПЕРЕМЕННОГО ТОКА (DELCO 1105070 ИЛИ 1105422 - ОТКРЫТАЯ)

ГЕНЕРАТОР ПЕРЕМЕННОГО ТОКА (DELCO 1105070 ИЛИ 1105422 - ОТКРЫТАЯ)

1Артикул: ALTERN...
2Артикул: BEARIN...
3Артикул: BOLT, ...
Подробнее >
Спецтехника СТАРТЕР (5005 11001 И ВЫШЕ)

СТАРТЕР (5005 11001 И ВЫШЕ)

1Артикул: STARTE...
2Артикул: 663018...
3Артикул: 663040...
Подробнее >
Спецтехника СТАРТЕР (СЕРИЙНЫЙ НОМЕР 5005 14001 И ВЫШЕ)

СТАРТЕР (СЕРИЙНЫЙ НОМЕР 5005 14001 И ВЫШЕ)

1Артикул: STARTE...
2Артикул: BOLT, ...
3Артикул: 651162...
Подробнее >
Спецтехника ЭЛЕКТРИЧЕСКАЯ СИСТЕМА ДВИГАТЕЛЯ (СЕРИЙНЫЙ НОМЕР 4997 12999 И НИЖЕ)

ЭЛЕКТРИЧЕСКАЯ СИСТЕМА ДВИГАТЕЛЯ (СЕРИЙНЫЙ НОМЕР 4997 12999 И НИЖЕ)

1Артикул: ALTERN...
2Артикул: 665931...
3Артикул: 17C420...
Подробнее >
Спецтехника ЭЛЕКТРИЧЕСКАЯ СИСТЕМА ДВИГАТЕЛЯ (СЕРИЙНЫЙ НОМЕР 5005 11001 TO СЕРИЙНЫЙ НОМЕР 5005 13999)

ЭЛЕКТРИЧЕСКАЯ СИСТЕМА ДВИГАТЕЛЯ (СЕРИЙНЫЙ НОМЕР 5005 11001 TO СЕРИЙНЫЙ НОМЕР 5005 13999)

1Артикул: ALTERN...
2Артикул: 665931...
3Артикул: 17C420...
Подробнее >
Спецтехника СТАРТЕР (СЕРИЙНЫЙ НОМЕР 4997 12999 И 5005 13999 И НИЖЕ)

СТАРТЕР (СЕРИЙНЫЙ НОМЕР 4997 12999 И 5005 13999 И НИЖЕ)

1Артикул: 651339...
2Артикул: 651335...
3Артикул: 651335...
Подробнее >