+7 (701) 588 50 05 Телефон для связи
RU

WhatsApp

Позвонить

ЭЛЕКТРИЧЕСКИЕ ЗАПЧАСТИ(6)-ДВИГАТЕЛЬ — Продажа в Казахстане Цены от официального дилера с доставкой в Алматы, Астану и регионы

Техника доступна в:
Полный спектр услуг:
Для Вашего удобства:
Характеристики и описание
Габариты, схема
Техническая документация
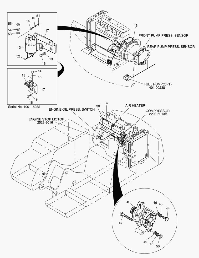
1 Артикул: K1039043, ELECTRIC PARTS(5)
2 Артикул: 300619-00612B, ELECTRIC ASSY;CHASSIS
3 Артикул: 544-00007, RELAY;PREHEAT
4 Артикул: 301202-00067, RELAY,PRE HEATER
5 Артикул: S0504453, BOLT
6 Артикул: S0508666, BOLT M8X1.25X16
7 Артикул: S5102303, WASHER
8 Артикул: S5102503, WASHER
9 Артикул: 2547-1015, SENSOR,ENG SPEED
10 Артикул: 4197-1954, BRACKET;RELAY
11 Артикул: 110406-01246, BRACKET
12 Артикул: S0686151, BOLT M12X1.5X25
13 Артикул: S5102703, WASHER
14 Артикул: 2547-9038B, SENSOR,WATER TEMP
15 Артикул: S8180251, PACKING
16 Артикул: 2502-9009, ALTERNATOR(50A)
17 Артикул: S0786653, BOLT
18 Артикул: 2114-1058D54, WASHER
19 Артикул: S0562653, BOLT
20 Артикул: S5010713, WASHER
21 Артикул: S4012733, NUT
22 Артикул: S5010513, WASHER
23 Артикул: S3450573, SCREW
24 Артикул: S4012533, NUT

ЭЛЕКТРИЧЕСКИЕ ЗАПЧАСТИ(6)-ДВИГАТЕЛЬ: Техника, которая работает на результат

ЭЛЕКТРИЧЕСКИЕ ЗАПЧАСТИ(6)-ДВИГАТЕЛЬ на Doosan Экскаваторы SOLAR 340LC-7

Габаритные размеры

Габаритные размеры и схема ЭЛЕКТРИЧЕСКИЕ ЗАПЧАСТИ(6)-ДВИГАТЕЛЬ

Нажмите на схему для увеличения

Документация

Документация временно недоступна.

Похожая техника в категории: КОРПУСНЫЕ ДЕТАЛИ (Develon)

Спецтехника ТУБОПРОВОД МАСЛЯНОГО РАДИАТОРА(2)

ТУБОПРОВОД МАСЛЯНОГО РАДИАТОРА(2)

1Артикул: 400-00...
2Артикул: 140-00...
3Артикул: 140-00...
Подробнее >
Спецтехника ТРУБОПРОВОД СЕРВОУПРАВЛЕНИЯ(3)

ТРУБОПРОВОД СЕРВОУПРАВЛЕНИЯ(3)

1Артикул: 400-00...
2Артикул: 420212...
3Артикул: 195-01...
Подробнее >
Спецтехника 1500 CABIN(4)

1500 CABIN(4)

1Артикул: 622-00...
2Артикул: 220101...
3Артикул: 162-00...
Подробнее >
Спецтехника БОКОВАЯ ДВЕРЬ-ЛЕВОСТОРОННИЙ

БОКОВАЯ ДВЕРЬ-ЛЕВОСТОРОННИЙ

1Артикул: K10391...
2Артикул: K10391...
3Артикул: 195-01...
Подробнее >
Спецтехника КОНДИЦИОНЕР(2)-БЛОК КОНДИЦИОНЕРА

КОНДИЦИОНЕР(2)-БЛОК КОНДИЦИОНЕРА

1Артикул: 920-00...
2Артикул: 440213...
3Артикул: 920-00...
Подробнее >
Спецтехника ЭЛЕКТРИЧЕСКИЕ ЗАПЧАСТИ(7)-СОПРЯЖЕННЫЕ ДЕТАЛИ

ЭЛЕКТРИЧЕСКИЕ ЗАПЧАСТИ(7)-СОПРЯЖЕННЫЕ ДЕТАЛИ

1Артикул: K10390...
2Артикул: 300619...
3Артикул: 2554-9...
Подробнее >
Спецтехника 1695 ALTERNATOR

1695 ALTERNATOR

1Артикул: 2502-9...
2Артикул: 0-3510...
3Артикул: 1-3392...
Подробнее >
Спецтехника ПУЛЬТ УПРАВЛЕНИЯ-ПРАВОСТОРОННИЙ

ПУЛЬТ УПРАВЛЕНИЯ-ПРАВОСТОРОННИЙ

1Артикул: 195-01...
2Артикул: 195-01...
3Артикул: 621-01...
Подробнее >
Спецтехника 1520 SUPPORT

1520 SUPPORT

1Артикул: 195-01...
2Артикул: 195-01...
3Артикул: 195-01...
Подробнее >
Спецтехника ПОВОРОТНОЕ УСТРОЙСТВО В СБОРЕ

ПОВОРОТНОЕ УСТРОЙСТВО В СБОРЕ

1Артикул: 401-00...
2Артикул: 401-00...
3Артикул: 170301...
Подробнее >
Спецтехника ТРУБОПРОВОД СЕРВОУПРАВЛЕНИЯ(1)

ТРУБОПРОВОД СЕРВОУПРАВЛЕНИЯ(1)

1Артикул: 400-00...
2Артикул: 195-01...
3Артикул: 198-00...
Подробнее >
Спецтехника ТРУБОПРОВОД СЕРВОУПРАВЛЕНИЯ(7)

ТРУБОПРОВОД СЕРВОУПРАВЛЕНИЯ(7)

1Артикул: 400-00...
2Артикул: 420-00...
3Артикул: S22050...
Подробнее >