ЭЛЕКТРОСХЕМА ДВИГАТЕЛЯ (ДВИГАТЕЛЬ) (СЕРИЙНЫЙ НОМЕР 5264, 5265) — Продажа в Казахстане Цены от официального дилера с доставкой в Алматы, Астану и регионы
×
❮
❯
Характеристики и описание
Габариты, схема
Техническая документация
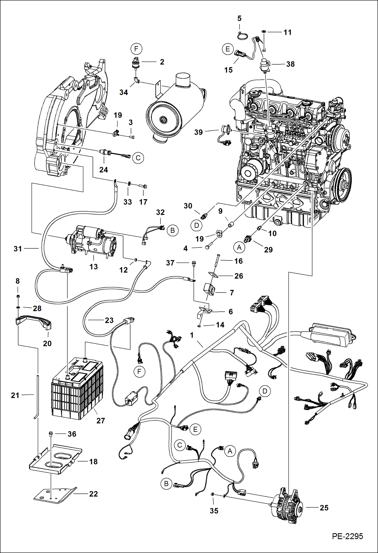
| 1 | Артикул: 6730292, HARNESS, MFR main frame |
| 2 | Артикул: 7105982, HARNESS, MFR main frame |
| 3 | Артикул: 6665371, SWITCH condition indicator |
| 4 | Артикул: 17C610, BOLT |
| 5 | Артикул: 7110310, SCREW Was 7101892 - A |
| 6 | Артикул: 6624289, STRAP, TIE |
| 7 | Артикул: 6715131, BRACKET |
| 8 | Артикул: 6715197, CLAMP |
| 9 | Артикул: 59D5, NUT 5 |
| 10 | Артикул: 7101893, SPACER |
| 11 | Артикул: ELBOW, ELBOW NLA - Order 7102451 - Was 6707040 - A |
| 12 | Артикул: 7102451, FITTING straight |
| 13 | Артикул: 6E4, WASHER 10 |
| 14 | Артикул: 4DM10, NUT starter |
| 15 | Артикул: STARTER, STARTER See Illustration STARTER/ B16488R |
| 16 | Артикул: 95D5, NUT |
| 17 | Артикул: 6736515, HARNESS fuel shutoff solenoid - Use W/Ref. 38 (NLA/ 6680749 solenoid) |
| 18 | Артикул: 17C540, BOLT |
| 19 | Артикул: 35C612, BOLT negative cable ground |
| 20 | Артикул: 6712536, PAN battery |
| 21 | Артикул: 6679034, MOUNT |
| 22 | Артикул: 6569203, CLAMP battery |
| 23 | Артикул: 6576280, BOLT battery hold down |
| 24 | Артикул: 6579989, BRACKET |
| 25 | Артикул: 6719141, CABLE POSITIVE 43-- (1092 mm) & 17-- (432 mm) long |
| 26 | Артикул: 6684037, SENSOR rpm |
| 27 | Артикул: ALTERNATOR, ALTERNATOR See Illustration ALTERNATOR/ C3529 |
| 28 | Артикул: 6715132, RETAINER |
| 29 | Артикул: 7312553, BATTERY 700 CCA DRY - Was 6665427 - A |
| 30 | Артикул: 25E15, WASHER |
| 31 | Артикул: 6674315, SENSOR eng oil pressure |
| 32 | Артикул: 6718414, SENDER, TEMP ENG |
| 33 | Артикул: 6727803, CABLE negative - 26.75-- (680mm) & 19-- (483mm) long |
| 34 | Артикул: 6733370, HARNESS |
| 35 | Артикул: 6E6, WASHER |
| 36 | Артикул: 24F1, ELBOW cable |
| 37 | Артикул: 43DM8, NUT |
| 38 | Артикул: 84G3712, BOLT 5 |
| 39 | Артикул: 84G3716, SCREW 5 |
| 40 | Артикул: SOLENOID,, SOLENOID, SHUTOFF FUEL See Illustration GOVERNOR/ B17615 - NLA - 2-pin connector - Use W/Ref. 15 - Order 6689034 solenoid - Was 6680749 - A |
| 41 | Артикул: 6689034, SOLENOID, SHUTOFF FUEL See Illustration GOVERNOR/ B17615 - 3-pin connector - Ref. 15 not required |
ЭЛЕКТРОСХЕМА ДВИГАТЕЛЯ (ДВИГАТЕЛЬ) (СЕРИЙНЫЙ НОМЕР 5264, 5265): Техника, которая работает на результат
ЭЛЕКТРОСХЕМА ДВИГАТЕЛЯ (ДВИГАТЕЛЬ) (СЕРИЙНЫЙ НОМЕР 5264, 5265) на мини-погрузчик Bobcat A300 523411001 И ВЫШЕ, 526411001 И ВЫШЕ, 526511001 И ВЫШЕГабаритные размеры
Нажмите на схему для увеличения
Документация
Документация временно недоступна.
Похожая техника в категории: ЭЛЕКТРИЧЕСКАЯ СИСТЕМА (Bobcat)
ЭЛЕКТРООБОРУДОВАНИЕ ДВИГАТЕЛЯ (С КОНТРОЛЛЕРОМ)
1Артикул: 43C616...
2Артикул: 84G311...
3Артикул: 668843...
Подробнее >
ЭЛЕКТРОСХЕМА ДВИГАТЕЛЯ (ДВИГАТЕЛЬ) (СЕРИЙНЫЙ НОМЕР 5234, 5235)
1Артикул: 673029...
2Артикул: 666537...
3Артикул: 17C610...
Подробнее >
ЭЛЕКТРИЧЕСКАЯ СИСТЕМА КАБИНЫ
1Артикул: 672717...
2Артикул: PANEL,...
3Артикул: 667598...
Подробнее >
ЭЛЕКТРИЧЕСКИЕ УСТРОЙСТВА УПРАВЛЕНИЯ
1Артикул: JOYSTI...
2Артикул: JOYSTI...
3Артикул: BOLT, ...
Подробнее >
СТАРТЕР
1Артикул: 668519...
2Артикул: 668519...
3Артикул: 668519...
Подробнее >
ГЕНЕРАТОР ПЕРЕМЕННОГО ТОКА (90 А)
1Артикул: 667820...
2Артикул: 667820...
3Артикул: 667820...
Подробнее >
ЭЛЕКТРИЧЕСКИЕ УСТРОЙСТВА УПРАВЛЕНИЯ(КОМПЛЕКТ ДЖОЙСТИКА УПРАВЛЕНИЯ)
1Артикул: KIT,, ...
2Артикул: 712655...
3Артикул: JOYSTI...
Подробнее >