+7 (701) 588 50 05 Телефон для связи
RU

WhatsApp

Позвонить

ЕВРОПЕЙСКОЕ ДОПОЛНИТЕЛЬНОЕ ОБОРУДОВАНИЕ — Продажа в Казахстане Цены от официального дилера с доставкой в Алматы, Астану и регионы

Техника доступна в:
Полный спектр услуг:
Для Вашего удобства:
Характеристики и описание
Габариты, схема
Техническая документация
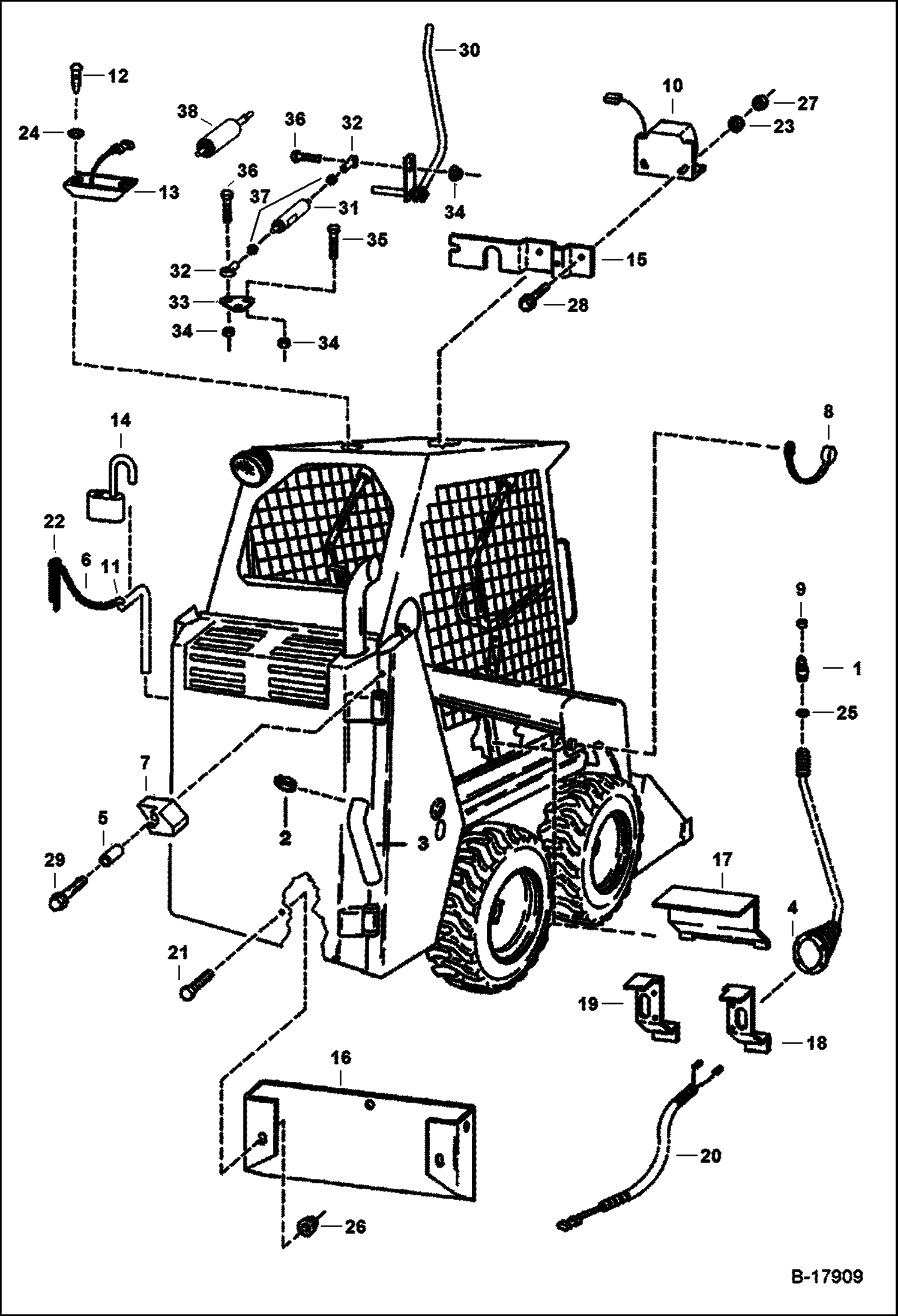
1 Артикул: 6513482, SWITCH
2 Артикул: 42H32, HS CLAMP5 Was 6513595 - A
3 Артикул: 6520555, HOSE air intake
4 Артикул: 6532127, BOOT
5 Артикул: 6563612, BUSHING
6 Артикул: 6565227, CHAIN bulk - sold per foot
7 Артикул: 6565526, STOP door
8 Артикул: 6652943, COVER grease fitting
9 Артикул: 6660205, SEAL
10 Артикул: 6660294, HORN
11 Артикул: 6661212, RING retainer
12 Артикул: 6664221, RETAINER
13 Артикул: 7249162, LIGHT ASSY DOME LED Was 6680326 - A
14 Артикул: 6665400, PADLOCK
15 Артикул: 6704641, MOUNT horn
16 Артикул: 6707651, BRACKET storage
17 Артикул: 6708483, INSULATION
18 Артикул: 6708484, INSULATION
19 Артикул: 6708485, INSULATION
20 Артикул: 6708506, HARNESS horn
21 Артикул: 17C612, BOLT 5
22 Артикул: 1F612, COT.PIN
23 Артикул: 25E13, WASHER 5
24 Артикул: 25E14, WSHR
25 Артикул: 25E21, WASHER 5
26 Артикул: 55D6, NUT
27 Артикул: 59D4, NUT 5
28 Артикул: 84G2516, BOLT
29 Артикул: 84G3728, BOLT
30 Артикул: 6709408, LEVER for use with gas shocks
31 Артикул: GAS, GAS SPRING NLA - Japan Option - Order Ref. 38 - Was 6649551 - A
32 Артикул: 6512954, ROD END R.H. threads
33 Артикул: 6709396, MOUNT shock
34 Артикул: 57D6, NUT 5
35 Артикул: 17C616, BOLT 5
36 Артикул: 17C620, BOLT
37 Артикул: 62D6, NUT 5
38 Артикул: 7188108, GAS SPRING

ЕВРОПЕЙСКОЕ ДОПОЛНИТЕЛЬНОЕ ОБОРУДОВАНИЕ: Техника, которая работает на результат

ЕВРОПЕЙСКОЕ ДОПОЛНИТЕЛЬНОЕ ОБОРУДОВАНИЕ на Bobcat 400s Bobcat 450 561711001 И ВЫШЕ, 562011001 И ВЫШЕ

Габаритные размеры

Габаритные размеры и схема ЕВРОПЕЙСКОЕ ДОПОЛНИТЕЛЬНОЕ ОБОРУДОВАНИЕ

Нажмите на схему для увеличения

Документация

Документация временно недоступна.

Похожая техника в категории: АКСЕСCУАРЫ И ОПЦИИ (Bobcat)

Спецтехника ЕВРОПЕЙСКОЕ ДОПОЛНИТЕЛЬНОЕ ОБОРУДОВАНИЕ (ТОРМОЗ В СБОРЕ)

ЕВРОПЕЙСКОЕ ДОПОЛНИТЕЛЬНОЕ ОБОРУДОВАНИЕ (ТОРМОЗ В СБОРЕ)

1Артикул: 666693...
2Артикул: 666915...
3Артикул: 666915...
Подробнее >
Спецтехника ЕВРОПЕЙСКОЕ ДОПОЛНИТЕЛЬНОЕ ОБОРУДОВАНИЕ (ЦИЛИНДР МАЧТЫ - КЛЕЩЕВЫЕ ТОРМОЗА)

ЕВРОПЕЙСКОЕ ДОПОЛНИТЕЛЬНОЕ ОБОРУДОВАНИЕ (ЦИЛИНДР МАЧТЫ - КЛЕЩЕВЫЕ ТОРМОЗА)

1Артикул: 666693...
2Артикул: ADAPTE...
3Артикул: SPRING...
Подробнее >
Спецтехника КОМПЛЕКТ СИДЕНИЙ (БОКОВОЙ ШАРНИР) (ДЛЯ СТАНДАРТНОГО И СИДЕНЬЯ С ПОДВЕСКОЙ)

КОМПЛЕКТ СИДЕНИЙ (БОКОВОЙ ШАРНИР) (ДЛЯ СТАНДАРТНОГО И СИДЕНЬЯ С ПОДВЕСКОЙ)

1Артикул: KIT, K...
2Артикул: 668047...
3Артикул: 670117...
Подробнее >
Спецтехника КОРПУС КАБИНЫ (СПЕЦИАЛЬНОГО НАЗНАЧЕНИЯ)

КОРПУС КАБИНЫ (СПЕЦИАЛЬНОГО НАЗНАЧЕНИЯ)

1Артикул: KIT, K...
2Артикул: 85D6, ...
3Артикул: 25E18,...
Подробнее >
Спецтехника КАСКА С ЗАЩИТОЙ ОТ ШУМА

КАСКА С ЗАЩИТОЙ ОТ ШУМА

1Артикул: 690239...
2Артикул: EARMUF...
3-
Подробнее >
Спецтехника РЕГУЛИРОВКА СИДЕНЬЯ

РЕГУЛИРОВКА СИДЕНЬЯ

1Артикул: 671769...
2Артикул: 668041...
3Артикул: 668041...
Подробнее >
Спецтехника КОРПУС КАБИНЫ (БРЕЗЕНТ)

КОРПУС КАБИНЫ (БРЕЗЕНТ)

1Артикул: 665343...
2Артикул: 666691...
3Артикул: 666283...
Подробнее >
Спецтехника СТРОБОСКОПЫ (ЯНТАРНЫЙ - 3414ALW)

СТРОБОСКОПЫ (ЯНТАРНЫЙ - 3414ALW)

1Артикул: KIT, K...
2Артикул: 669779...
3Артикул: AMBER,...
Подробнее >
Спецтехника КОМПЛЕКТ ВЫДВИЖНЫХ УСТРОЙСТВ (ОПЦИЯ)

КОМПЛЕКТ ВЫДВИЖНЫХ УСТРОЙСТВ (ОПЦИЯ)

1Артикул: 681671...
2Артикул: 799119...
3Артикул: 653127...
Подробнее >
Спецтехника КОМПЛЕКТ ОПОРЫ СИДЕНЬЯ (НАЖИМНАЯ ПРУЖИНА)

КОМПЛЕКТ ОПОРЫ СИДЕНЬЯ (НАЖИМНАЯ ПРУЖИНА)

1Артикул: 671385...
2Артикул: SEAT, ...
3Артикул: 671388...
Подробнее >
Спецтехника ФУНКЦИЯ ШУМОПОГЛОЩЕНИЯ

ФУНКЦИЯ ШУМОПОГЛОЩЕНИЯ

1Артикул: 670688...
2Артикул: 656552...
3Артикул: 657938...
Подробнее >
Спецтехника КОМПЛЕКТ КЛАКСОНОВ

КОМПЛЕКТ КЛАКСОНОВ

1Артикул: 670854...
2Артикул: 25E21,...
3Артикул: 666029...
Подробнее >