+7 (701) 588 50 05 Телефон для связи
RU

WhatsApp

Позвонить

G062-37 ELECTRICAL SYSTEM; REAR FRAME в Алматы с доставкой по всему Казахстану

Техника доступна в:
Полный спектр услуг:
Для Вашего удобства:
Характеристики и описание
Габариты, схема
Техническая документация
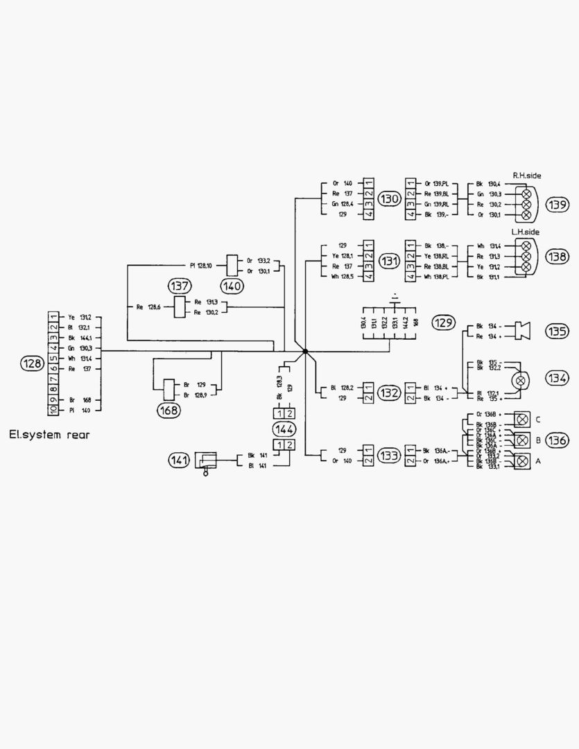
1 Артикул: MX056746, RECEPTACLE
2 Артикул: MX056748, SLEEVE,RUBBER
3 Артикул: MX056360, PIN
4 Артикул: MX056361, SOCKET
5 Артикул: MX056741, PLUG
6 Артикул: MX056752, CLIP
7 Артикул: MX056840, BACK UP LIGHT, BACK UP BU
8 Артикул: -, W/CABLE
9 Артикул: MX156154, ALARM,BACK UP
10 Артикул: -, W/ CABLE
11 Артикул: MX156513, LIGHT,REAR
12 Артикул: MX056841, CABLE SET
13 Артикул: MX156155, CABLE SET
14 Артикул: MX156514, CABLE SET
15 Артикул: MX056618, LIGHT
16 Артикул: MX056300, BACK UP ALARM
17 Артикул: MX156137, ALARM,BACK UP
18 Артикул: MX062177, SCREW
19 Артикул: MX156516, REVERSING BUZZER ASS`Y
20 Артикул: MX056114, LIGHT
21 Артикул: MX056833, LIGHT
22 Артикул: MX056834, CABLE SET ASS`Y
23 Артикул: MX066029, COUPLING
24 Артикул: MX056836, CABLE SET
25 Артикул: MX056772, LIGHT,REAR
26 Артикул: MX056838, LIGHT ASSY,REAR
27 Артикул: MX056847, SWITCH
28 Артикул: MX056286, SWITCH
29 Артикул: MX056787, PIN
30 Артикул: MX056788, SOCKET
31 Артикул: MX056029, LOUDSPEAKER

G062-37 ELECTRICAL SYSTEM; REAR FRAME: Техника, которая работает на результат

G062-37 ELECTRICAL SYSTEM; REAR FRAME на Doosan Самосвалы Moxy MT30/30S S/N 353001-354360

Габаритные размеры

Схема G062-37 ELECTRICAL SYSTEM; REAR FRAME

Нажмите на схему для увеличения

Документация

Документация временно недоступна.

Похожая техника в категории: G062 ELECTRICAL SYSTEM (Develon)

G062-25 ELECTRICAL SYSTEM; ENGINE

G062-25 ELECTRICAL SYSTEM; ENGINE

1Артикул: MX1560...
2Артикул: MX1562...
3Артикул: MX1560...
Подробнее >
G062-9 ELECTRICAL SYSTEM; INSTRUMENT PANEL RIGHT

G062-9 ELECTRICAL SYSTEM; INSTRUMENT PANEL RIGHT

1Артикул: MX1560...
2Артикул: MX1560...
3Артикул: MX0567...
Подробнее >
G062-23 RELAYS AND FUSE BOXES

G062-23 RELAYS AND FUSE BOXES

1Артикул: MX0560...
2Артикул: MX0560...
3Артикул: MX0562...
Подробнее >
G062-11 ELECTRICAL SYSTEM; INSTRUMENT PANEL RIGHT

G062-11 ELECTRICAL SYSTEM; INSTRUMENT PANEL RIGHT

1Артикул: MX0567...
2Артикул: MX0568...
3Артикул: MX0565...
Подробнее >
G062-13 ELECTRICAL SYSTEM; CAB

G062-13 ELECTRICAL SYSTEM; CAB

1Артикул: MX1560...
2Артикул: MX1562...
3Артикул: MX1562...
Подробнее >
G062-5 ELECTRICAL SYSTEM; INSTRUMENT PANEL LEFT

G062-5 ELECTRICAL SYSTEM; INSTRUMENT PANEL LEFT

1Артикул: MX0565...
2Артикул: MX0565...
3Артикул: MX0565...
Подробнее >
G062-35 ELECTRICAL SYSTEM; REAR FRAME

G062-35 ELECTRICAL SYSTEM; REAR FRAME

1Артикул: MX1560...
2Артикул: MX0650...
3Артикул: MX0650...
Подробнее >
G062-7 ELECTRICAL SYSTEM; INSTRUMENT PANEL LEFT

G062-7 ELECTRICAL SYSTEM; INSTRUMENT PANEL LEFT

1Артикул: MX0565...
2Артикул: MX0565...
3Артикул: MX0565...
Подробнее >
G062-27 ELECTRICAL SYSTEM; ENGINE

G062-27 ELECTRICAL SYSTEM; ENGINE

1Артикул: MX0561...
2Артикул: MX0347...
3Артикул: MX0614...
Подробнее >
G062-31 ELECTRICAL SYSTEM; FRONT FRAME

G062-31 ELECTRICAL SYSTEM; FRONT FRAME

1Артикул: MX1560...
2Артикул: MX0568...
3Артикул: MX0568...
Подробнее >
G062-21 RELAYS AND FUSE BOXES

G062-21 RELAYS AND FUSE BOXES

1Артикул: MX1560...
2Артикул: MX0118...
3Артикул: MX0562...
Подробнее >
G062-1 ELECTRICAL SYSTEM; INSTRUMENT PANEL MIDDLE

G062-1 ELECTRICAL SYSTEM; INSTRUMENT PANEL MIDDLE

1Артикул: MX0565...
2Артикул: MX1560...
3Артикул: MX1562...
Подробнее >