+7 (701) 588 50 05 Телефон для связи
RU

WhatsApp

Позвонить

G190-28 BLOCK - TEST в Алматы с доставкой по всему Казахстану

Техника доступна в:
Полный спектр услуг:
Для Вашего удобства:
Характеристики и описание
Габариты, схема
Техническая документация
1 Артикул: -, HOSE SUB ASSY
2 Артикул: MX502683, CONNECTOR
3 Артикул: MX530572, CONNECTER
4 Артикул: MX505077, CONNECTOR

G190-28 BLOCK - TEST: Техника, которая работает на результат

G190-28 BLOCK - TEST на Doosan Самосвалы Moxy DA30 S/N 7X0504-

Габаритные размеры

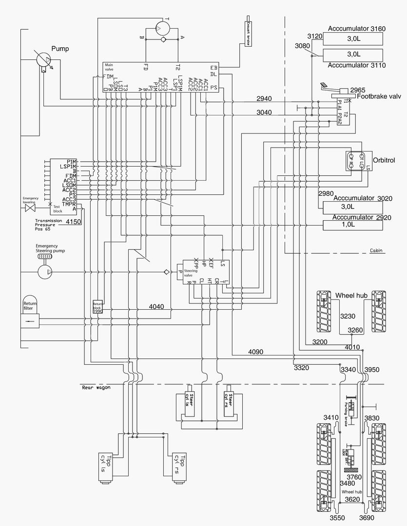
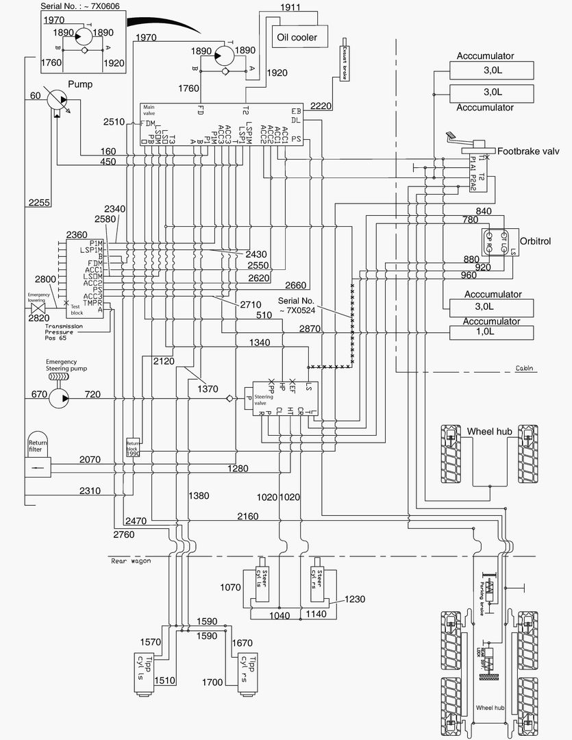
Схема G190-28 BLOCK - TEST

Нажмите на схему для увеличения

Документация

Документация временно недоступна.

Похожая техника в категории: G190 HYDRAULIC SYSTEM (Develon)

G190-52 MAIN VALVE,EXPLODED

G190-52 MAIN VALVE,EXPLODED

1Артикул: MX5305...
2Артикул: MX5334...
3Артикул: -, . V...
Подробнее >
G190-6 HYDRAULIC SYSTEM - OVERVIEW

G190-6 HYDRAULIC SYSTEM - OVERVIEW

1Артикул: MX5307...
2Артикул: MX5307...
3Артикул: MX5281...
Подробнее >
G190-40 EXHAUST BRAKE

G190-40 EXHAUST BRAKE

1Артикул: -, HOS...
2Артикул: MX0335...
3Артикул: MX0525...
Подробнее >
ОСНОВНОЙ КЛАПАН

ОСНОВНОЙ КЛАПАН

1Артикул: -, HOS...
2Артикул: MX5280...
3Артикул: MX5280...
Подробнее >
G190-38 FAN DRIVE UNIT

G190-38 FAN DRIVE UNIT

1Артикул: -, HOS...
2Артикул: MX2638...
3Артикул: MX5026...
Подробнее >
ОСНОВНОЙ КЛАПАН

ОСНОВНОЙ КЛАПАН

1Артикул: MX5026...
2Артикул: -, HOS...
3Артикул: MX0650...
Подробнее >
G190-8 HYDRAULIC SYSTEM - OVERVIEW

G190-8 HYDRAULIC SYSTEM - OVERVIEW

1Артикул: MX5297...
2Артикул: MX5282...
3Артикул: MX5297...
Подробнее >
КЛАПАН ПЕДАЛЬНОГО ТОРМОЗА

КЛАПАН ПЕДАЛЬНОГО ТОРМОЗА

1Артикул: -, HOS...
2Артикул: MX2638...
3Артикул: MX5132...
Подробнее >
АВАРИЙНЫЙ НАСОС РУЛЕВОГО УПРАВЛЕНИЯ

АВАРИЙНЫЙ НАСОС РУЛЕВОГО УПРАВЛЕНИЯ

1Артикул: -, HOS...
2Артикул: MX2638...
3Артикул: MX8007...
Подробнее >
G190-57 MAIN PUMP,EXPLODED [7X0526 ~ ]

G190-57 MAIN PUMP,EXPLODED [7X0526 ~ ]

1Артикул: MX5307...
2Артикул: MX5327...
3Артикул: MX5329...
Подробнее >
КЛАПАН РУЛЕВОГО УПРАВЛЕНИЯ

КЛАПАН РУЛЕВОГО УПРАВЛЕНИЯ

1Артикул: -, HOS...
2Артикул: MX0644...
3Артикул: MX0644...
Подробнее >
G190-14 MAIN HYDRAULIC PUMP

G190-14 MAIN HYDRAULIC PUMP

1Артикул: -, HYD...
2Артикул: -, HOS...
3Артикул: MX0557...
Подробнее >