+7 (701) 588 50 05 Телефон для связи
RU

WhatsApp

Позвонить

G490-110 CENTRAL LUBRICATION, BLOCK 3 в Алматы с доставкой по всему Казахстану

Техника доступна в:
Полный спектр услуг:
Для Вашего удобства:
Характеристики и описание
Габариты, схема
Техническая документация
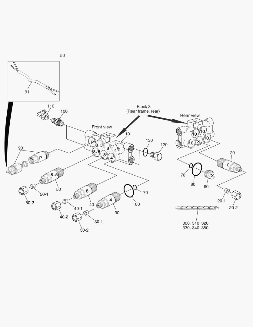
1 Артикул: MX528404, BLOCK ASSY;3,LUBRICATING
2 Артикул: MX514146, LUBRICATING BLOCK
3 Артикул: MX500136, METERING UNIT
4 Артикул: MX500132, METERING UNIT
5 Артикул: MX500133, METERING UNIT
6 Артикул: MX500134, METERING UNIT
7 Артикул: MX500141, PLUG
8 Артикул: MX507527, RING,O
9 Артикул: MX507528, RING,O
10 Артикул: MX527189, SWITCH,PRESSURE
11 Артикул: MX531076, CABLE
12 Артикул: MX528425, CONNECTER
13 Артикул: MX528426, CONNECTER
14 Артикул: MX504392, PLUG
15 Артикул: MX528466, WASHER
16 Артикул: MX059097, SPIRAL,PROTECTION

G490-110 CENTRAL LUBRICATION, BLOCK 3: Техника, которая работает на результат

G490-110 CENTRAL LUBRICATION, BLOCK 3 на Doosan Самосвалы Moxy DA40-5 S/N 821001-; 841001 -

Габаритные размеры

Схема G490-110 CENTRAL LUBRICATION, BLOCK 3

Нажмите на схему для увеличения

Документация

Документация временно недоступна.

Похожая техника в категории: G490 LUBRICATION SYSTEM (Develon)

G490-10 CENTRAL LUBRICATION,

G490-10 CENTRAL LUBRICATION,

1Артикул: MX5279...
2Артикул: MX5305...
3Артикул: MX0577...
Подробнее >
G490-60 CENTRAL LUBRICATION, MOUNTING PARTS REAR FRAME

G490-60 CENTRAL LUBRICATION, MOUNTING PARTS REAR FRAME

1Артикул: MX5308...
2Артикул: -, LUB...
3Артикул: MX1614...
Подробнее >
G490-100 CENTRAL LUBRICATION, BLOCK 3 - HOSES

G490-100 CENTRAL LUBRICATION, BLOCK 3 - HOSES

1Артикул: -, LUB...
2Артикул: MX5339...
3Артикул: MX5339...
Подробнее >
G490-50 CENTRAL LUBRICATION, BLOCK 1

G490-50 CENTRAL LUBRICATION, BLOCK 1

1Артикул: MX5141...
2Артикул: MX5001...
3Артикул: MX5001...
Подробнее >
G490-40 CENTRAL LUBRICATION, BLOCK 1 - HOSES - TURNING RING

G490-40 CENTRAL LUBRICATION, BLOCK 1 - HOSES - TURNING RING

1Артикул: -, LUB...
2Артикул: MX5339...
3Артикул: MX5339...
Подробнее >
G490-120 CENTRAL LUBRICATION, PUMP EXPL.

G490-120 CENTRAL LUBRICATION, PUMP EXPL.

1Артикул: MX5278...
2Артикул: MX5348...
3Артикул: -, RES...
Подробнее >
G490-20 CENTRAL LUBRICATION, MAIN LINE

G490-20 CENTRAL LUBRICATION, MAIN LINE

1Артикул: MX5335...
2Артикул: -, . P...
3Артикул: MX5308...
Подробнее >
G490-30 CENTRAL LUBRICATION, MOUNTING PARTS FRONT FRAME

G490-30 CENTRAL LUBRICATION, MOUNTING PARTS FRONT FRAME

1Артикул: MX5335...
2Артикул: -, PUM...
3Артикул: MX5050...
Подробнее >
G490-80 CENTRAL LUBRICATION, BLOCK 2

G490-80 CENTRAL LUBRICATION, BLOCK 2

1Артикул: MX5308...
2Артикул: MX5141...
3Артикул: MX5001...
Подробнее >
G490-90 CENTRAL LUBRICATION, MOUNTING PARTS REAR FRAME

G490-90 CENTRAL LUBRICATION, MOUNTING PARTS REAR FRAME

1Артикул: MX5284...
2Артикул: -, LUB...
3Артикул: MX1614...
Подробнее >
G490-70 CENTRAL LUBRICATION; BLOCK 2 - HOSES

G490-70 CENTRAL LUBRICATION; BLOCK 2 - HOSES

1Артикул: -, LUB...
2Артикул: MX5339...
3Артикул: MX5339...
Подробнее >