ГЕНЕРАТОР ПЕРЕМЕННОГО ТОКА (DENSO) — Продажа в Казахстане Цены от официального дилера с доставкой в Алматы, Астану и регионы
×
❮
❯
Характеристики и описание
Габариты, схема
Техническая документация
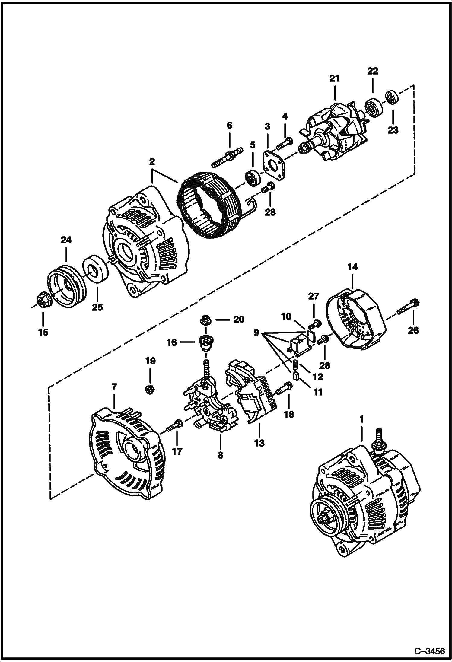
| 1 | Артикул: 6669618, ALTERNATOR, 40 AMP |
| 2 | Артикул: 6669618REM, ALTERNATOR |
| 3 | Артикул: 6669618, ALTERNATOR, 40 AMP Was 6669618EF - A |
| 4 | Артикул: 6671074, FRAME ASSY. W/Ref. 3-6 |
| 5 | Артикул: 6671075, PLATE |
| 6 | Артикул: 6671076, SCREW |
| 7 | Артикул: 6671077, BEARING |
| 8 | Артикул: 6671078, STUD |
| 9 | Артикул: 6671079, FRAME END |
| 10 | Артикул: 6671080, HOLDER rectifier |
| 11 | Артикул: 6671081, HOLDER brush - W/Ref. 10-12 |
| 12 | Артикул: 6671082, SEAL |
| 13 | Артикул: BRUSH, BRUSH NSS - sub assy - Order Ref. 9 |
| 14 | Артикул: SPRING, SPRING NSS - Order Ref. 9 |
| 15 | Артикул: 6671085, REGULATOR Assy. |
| 16 | Артикул: 6671086, COVER |
| 17 | Артикул: 6671087, NUT |
| 18 | Артикул: 6671088, INSULATOR Brush |
| 19 | Артикул: 6671089, BOLT |
| 20 | Артикул: 6671090, SCREW |
| 21 | Артикул: 6671091, NUT |
| 22 | Артикул: 6671092, NUT |
| 23 | Артикул: 6671093, ROTOR ASSY. W/Ref. 22 & 23 |
| 24 | Артикул: 6671094, BEARING |
| 25 | Артикул: 6671095, COVER |
| 26 | Артикул: 6671096, PULLEY |
| 27 | Артикул: 6671097, SPACER |
| 28 | Артикул: 6671098, BOLT |
| 29 | Артикул: 6671099, SCREW |
| 30 | Артикул: 6671100, SCREW |
ГЕНЕРАТОР ПЕРЕМЕННОГО ТОКА (DENSO): Техника, которая работает на результат
ГЕНЕРАТОР ПЕРЕМЕННОГО ТОКА (DENSO) на мини-трак Bobcat MT52 A3WR11001 И ВЫШЕ, A3WS11001 И ВЫШЕГабаритные размеры
Нажмите на схему для увеличения
Документация
Документация временно недоступна.
Похожая техника в категории: ЭЛЕКТРИЧЕСКАЯ СИСТЕМА (Bobcat)
ЭЛЕКТРИЧЕСКАЯ СИСТЕМА ДВИГАТЕЛЯ
1Артикул: 712067...
2Артикул: 662428...
3Артикул: 663101...
Подробнее >
СТАРТЕР (1.4 КВТ) (NIPPONDENSO - 228000-5740)
1Артикул: 666798...
2Артикул: 666798...
3Артикул: 666798...
Подробнее >
ЭЛЕКТРОСХЕМА КОНСОЛИ
1Артикул: 666488...
2Артикул: 85G608...
3Артикул: 669324...
Подробнее >