+7 (701) 588 50 05 Телефон для связи
RU

WhatsApp

Позвонить

ГИДРОМОЛОТ (1250X И 2500) (СХЕМА ГИДРАВЛИЧЕСКОЙ СИСТЕМЫ) — Продажа в Казахстане Цены от официального дилера с доставкой в Алматы, Астану и регионы

Техника доступна в:
Полный спектр услуг:
Для Вашего удобства:
Характеристики и описание
Габариты, схема
Техническая документация
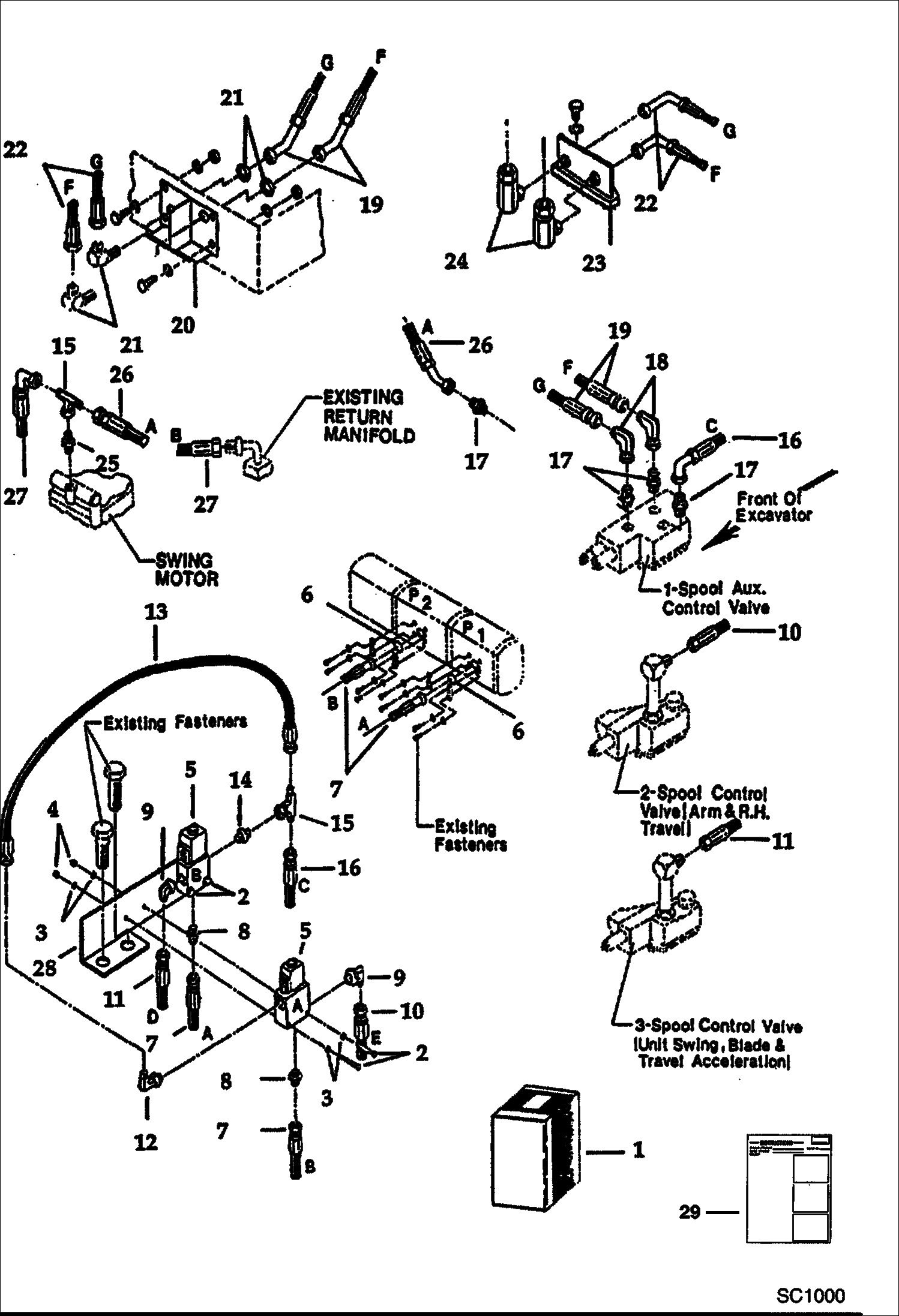
1 Артикул: KIT, KIT See Illustration HYDRAULIC BREAKER/ SC1000 See Illustration HYDRAULIC BREAKER/ SC1004 See Illustration HYDRAULIC BREAKER/ SC1003 See Illustration HYDRAULIC BREAKER/ SC1001 NLA - Order all part numbers from these Illustions
2 Артикул: 17C432, BOLT
3 Артикул: 25E14, WSHR
4 Артикул: 85D14, NUT
5 Артикул: 6651355, VALVE
6 Артикул: O-RING, O-RING NLA - Was 6651356 - A
7 Артикул: 6651357, HOSE
8 Артикул: 6651358, ADAPTER
9 Артикул: 6650560, ELBOW
10 Артикул: 6651359, HOSE
11 Артикул: 6651360, HOSE
12 Артикул: 6651361, ELBOW
13 Артикул: 6651362, HOSE
14 Артикул: 6651363, ADAPTER
15 Артикул: 6651364, TEE
16 Артикул: 6651365, HOSE
17 Артикул: 6651366, ADAPTER
18 Артикул: ELBOW, ELBOW NLA - Was 6651734 - A
19 Артикул: 6651368, HOSE
20 Артикул: 6651369, BRACKET
21 Артикул: 6651370, ELBOW
22 Артикул: 6651371, HOSE
23 Артикул: 6651372, BRACKET
24 Артикул: 6651373, ELBOW
25 Артикул: 6651374, ADAPTER
26 Артикул: 6651375, HOSE
27 Артикул: 6651376, HOSE
28 Артикул: 6651354, BRACKET
29 Артикул: INSTRUCTIONS, INSTRUCTIONS Packed with Kit

ГИДРОМОЛОТ (1250X И 2500) (СХЕМА ГИДРАВЛИЧЕСКОЙ СИСТЕМЫ): Техника, которая работает на результат

ГИДРОМОЛОТ (1250X И 2500) (СХЕМА ГИДРАВЛИЧЕСКОЙ СИСТЕМЫ) на мини-экскаватор Bobcat 100 504912001 И ВЫШЕ

Габаритные размеры

Габаритные размеры и схема ГИДРОМОЛОТ (1250X И 2500) (СХЕМА ГИДРАВЛИЧЕСКОЙ СИСТЕМЫ)

Нажмите на схему для увеличения

Документация

Документация временно недоступна.

Похожая техника в категории: КОМПЛЕКТЫ STANLEY (Bobcat)

Спецтехника ГИДРОМОЛОТ (2500) (КОМПЛЕКТ УСТРОЙСТВ НАДУВА)

ГИДРОМОЛОТ (2500) (КОМПЛЕКТ УСТРОЙСТВ НАДУВА)

1Артикул: 663065...
2Артикул: ADAPTE...
3Артикул: 663065...
Подробнее >
Спецтехника ГИДРОМОЛОТ (1250X И 2500) (ЭЛЕКТРОННЫЕ СХЕМЫ СТРЕЛЫ)

ГИДРОМОЛОТ (1250X И 2500) (ЭЛЕКТРОННЫЕ СХЕМЫ СТРЕЛЫ)

1Артикул: KIT, K...
2Артикул: 665137...
3Артикул: 665137...
Подробнее >
Спецтехника ГИДРОМОЛОТ (1250X И 2500) (КОМПЛЕКТ СТРЕЛ)

ГИДРОМОЛОТ (1250X И 2500) (КОМПЛЕКТ СТРЕЛ)

1Артикул: KIT, K...
2Артикул: 659875...
3Артикул: 659875...
Подробнее >
Спецтехника ГИДРОМОЛОТ (2500)

ГИДРОМОЛОТ (2500)

1Артикул: 663051...
2Артикул: PLATE,...
3Артикул: 663064...
Подробнее >
Спецтехника ГИДРОМОЛОТ (1250X И 2500) (ПЕДАЛЬ УПРАВЛЕНИЯ)

ГИДРОМОЛОТ (1250X И 2500) (ПЕДАЛЬ УПРАВЛЕНИЯ)

1Артикул: KIT, K...
2Артикул: 665139...
3Артикул: 665139...
Подробнее >
Спецтехника ГИДРОМОЛОТ (1250X) (КОМПЛЕКТ УСТРОЙСТВ НАДУВА)

ГИДРОМОЛОТ (1250X) (КОМПЛЕКТ УСТРОЙСТВ НАДУВА)

1Артикул: 665164...
2Артикул: 665164...
3Артикул: 665164...
Подробнее >
Спецтехника ГИДРОМОЛОТ (1250X) (МОНТАЖНЫЙ КОМПЛЕКТ)

ГИДРОМОЛОТ (1250X) (МОНТАЖНЫЙ КОМПЛЕКТ)

1Артикул: BUSHIN...
2Артикул: 665156...
3Артикул: 665156...
Подробнее >
Спецтехника ГИДРОМОЛОТ (1250X)

ГИДРОМОЛОТ (1250X)

1Артикул: 664933...
2Артикул: 665927...
3Артикул: 666542...
Подробнее >
Спецтехника ГИДРОМОЛОТ (1250X И 2500) (КАМЕРА ОХЛАЖДЕНИЯ)

ГИДРОМОЛОТ (1250X И 2500) (КАМЕРА ОХЛАЖДЕНИЯ)

1Артикул: KIT, K...
2Артикул: 665134...
3Артикул: 17C620...
Подробнее >
Спецтехника ГИДРОМОЛОТ (1250X И 2500) (КОНТУР ЭЛЕКТРИЧЕСКОЙ ЦЕПИ)

ГИДРОМОЛОТ (1250X И 2500) (КОНТУР ЭЛЕКТРИЧЕСКОЙ ЦЕПИ)

1Артикул: KIT, K...
2Артикул: 665140...
3Артикул: 665140...
Подробнее >
Спецтехника ГИДРОМОЛОТ (2500) (МОНТАЖНЫЙ КОМПЛЕКТ)

ГИДРОМОЛОТ (2500) (МОНТАЖНЫЙ КОМПЛЕКТ)

1Артикул: 665156...
2Артикул: 665156...
3Артикул: 665156...
Подробнее >