ГИДРОНОЖНИЦЫ МОДЕЛЬ 30 (325,328,331,334,337,341) — Продажа в Казахстане Цены от официального дилера с доставкой в Алматы, Астану и регионы
×
❮
❯
Характеристики и описание
Габариты, схема
Техническая документация
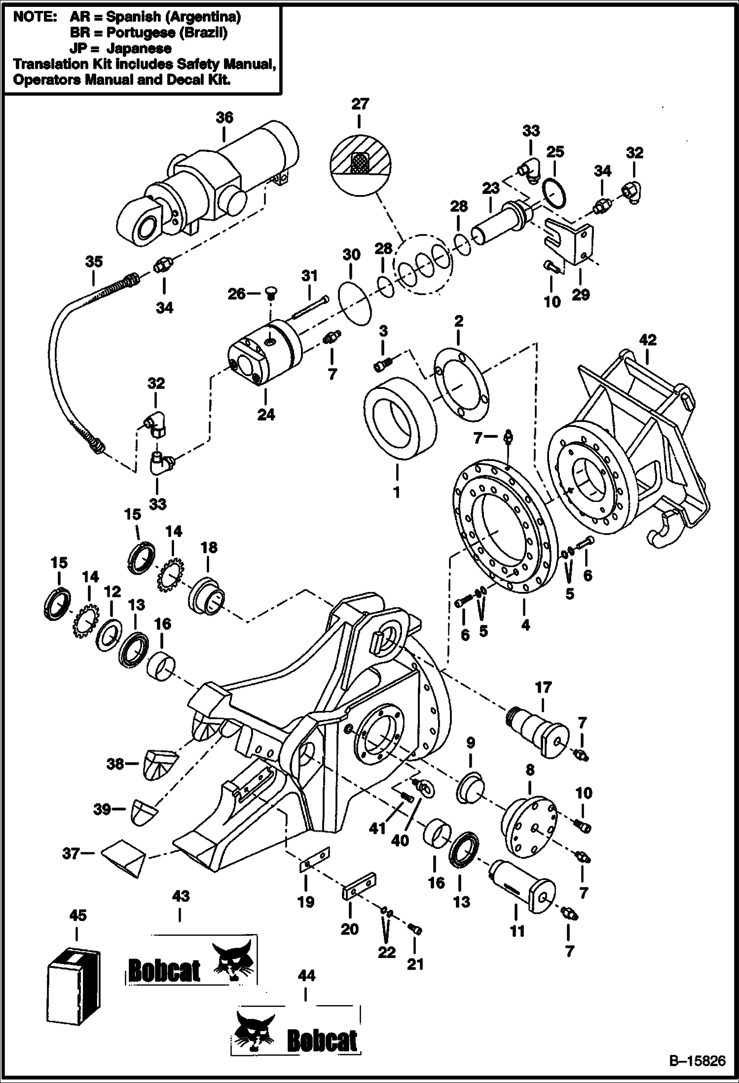
| 1 | Артикул: 6677033, BRAKE |
| 2 | Артикул: 6677034, SHIM PLATE |
| 3 | Артикул: 6676994, BOLT |
| 4 | Артикул: 6677055, RING |
| 5 | Артикул: 6665938, WASHER |
| 6 | Артикул: 6677056, BOLT |
| 7 | Артикул: 6676986, GREASE ZERK |
| 8 | Артикул: 6677029, CAP |
| 9 | Артикул: 6677057, BUSHING |
| 10 | Артикул: 6676994, BOLT |
| 11 | Артикул: 6677024, SHAFT |
| 12 | Артикул: 6677025, FLANGE |
| 13 | Артикул: 6677026, SPACER PLATE |
| 14 | Артикул: 6677059, WASHER |
| 15 | Артикул: 6677060, NUT |
| 16 | Артикул: 6677058, BUSHING |
| 17 | Артикул: 6677027, SHAFT |
| 18 | Артикул: 6677028, BUSHING |
| 19 | Артикул: 6677031, SHIM PLATE |
| 20 | Артикул: 6677032, CUTTER BLADE |
| 21 | Артикул: 6676988, BOLT |
| 22 | Артикул: 6676996, WASHER |
| 23 | Артикул: 6677021, SPOOL |
| 24 | Артикул: 6677022, BODY |
| 25 | Артикул: 6677054, LOCK RING |
| 26 | Артикул: 6676987, PLUG |
| 27 | Артикул: 6677053, SEAL KIT |
| 28 | Артикул: 6665999, WIPER |
| 29 | Артикул: 6677030, BRACKET |
| 30 | Артикул: 6676985, RING,O |
| 31 | Артикул: 6677061, BOLT |
| 32 | Артикул: 6677081, ELBOW |
| 33 | Артикул: 6677062, ELBOW |
| 34 | Артикул: 6677063, ADAPTER |
| 35 | Артикул: 6677064, HOSE |
| 36 | Артикул: 6677065, CYLINDER ASSY |
| 37 | Артикул: 6677097, TOOTH front |
| 38 | Артикул: 6677008, TOOTH breaking |
| 39 | Артикул: 6677023, TOOTH breaking |
| 40 | Артикул: 6676992, LIFTING EYE |
| 41 | Артикул: 6676989, BOLT |
| 42 | Артикул: 6677095, MOUNT |
| 43 | Артикул: 6727323, DECAL, LOGO BOBCAT AND HEAD L.H. - Was 6567987 - A |
| 44 | Артикул: 6727324, DECAL, LOGO BOBCAT AND HEAD RH - Was 6567988 - A |
| 45 | Артикул: 6727019AR, KIT translation |
| 46 | Артикул: 6727019BR, KIT translation |
ГИДРОНОЖНИЦЫ МОДЕЛЬ 30 (325,328,331,334,337,341): Техника, которая работает на результат
ГИДРОНОЖНИЦЫ МОДЕЛЬ 30 (325,328,331,334,337,341) на Bobcat Навесное оборудование BOBCAT ГИДРОНОЖНИЦЫГабаритные размеры
Нажмите на схему для увеличения
Документация
Документация временно недоступна.
Похожая техника в категории: Гидроножницы Bobcat для экскаваторов (Bobcat)
ГИДРОНОЖНИЦЫ МОДЕЛЬ 40 (331,334,337,341) (ТОРМОЗ)
1Артикул: 667702...
2Артикул: BODY, ...
3Артикул: COVER,...
Подробнее >
ГИДРОНОЖНИЦЫ (КОМПЛЕКТ ШЛАНГОВ)(328,334,337,435)
1Артикул: HOSE, ...
2Артикул: 724677...
3Артикул: 724679...
Подробнее >
ГИДРОНОЖНИЦЫ МОДЕЛЬ 40 (331,334,337,341)
1Артикул: 667700...
2Артикул: 667700...
3Артикул: 667700...
Подробнее >
ГИДРОНОЖНИЦЫ (КОМПЛЕКТ ШЛАНГОВ)(341)
1Артикул: HOSE, ...
2Артикул: 724677...
3Артикул: 724679...
Подробнее >
ГИДРОНОЖНИЦЫ МОДЕЛЬ 40 (331,334,337,341) (ГИДРОЦИЛИНДР)
1Артикул: 667703...
2Артикул: 667706...
3Артикул: 667706...
Подробнее >
ГИДРОНОЖНИЦЫ (КОМПЛЕКТ ШЛАНГОВ)(325,331,430)
1Артикул: HOSE, ...
2Артикул: 724677...
3Артикул: 724679...
Подробнее >
ГИДРОНОЖНИЦЫ (КОМПЛЕКТ ШЛАНГОВ)(337,341)
1Артикул: HOSE, ...
2Артикул: 17KB10...
3Артикул: 724677...
Подробнее >
ГИДРОНОЖНИЦЫ МОДЕЛЬ 30 (325,328,331,334,337,341) (ГИДРОЦИЛИНДР)
1Артикул: 667706...
2Артикул: 667708...
3Артикул: 667708...
Подробнее >