+7 (701) 588 50 05 Телефон для связи
RU

WhatsApp

Позвонить

ГИДРОСИСТЕМА РУКОЯТИ-ГИДРОЗАМОК — Продажа в Казахстане Цены от официального дилера с доставкой в Алматы, Астану и регионы

Техника доступна в:
Полный спектр услуг:
Для Вашего удобства:
Характеристики и описание
Габариты, схема
Техническая документация
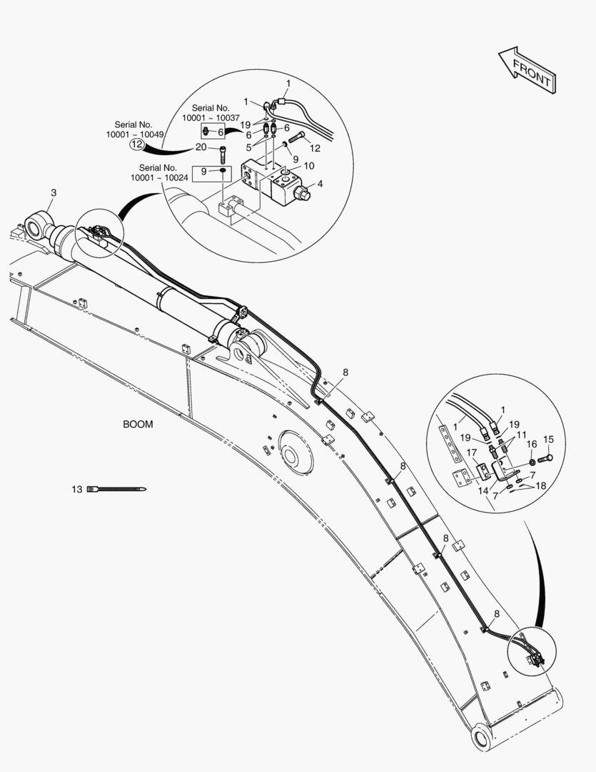
1 Артикул: 420212-02521, PIPING,BOOM;ARM LOCK
2 Артикул: DS20131964, HOSE ASSY,HYDRAULIC
3 Артикул: 400305-00028A, CYLINDER,ARM;LOCK V/V
4 Артикул: 400305-00028C, CYLINDER,ARM;LOCK V/V
5 Артикул: 400305-00028E, CYLINDER,ARM
6 Артикул: 410114-00006A, VALVE,LOCK;(L.H)
7 Артикул: 410114-00211, VALVE,LOCK(L.H)
8 Артикул: S8000111, O-RING
9 Артикул: 2181-4133D1, ADAPTER
10 Артикул: DS2232019, ADAPTER
11 Артикул: DS0301032, NUT
12 Артикул: DS2805009, CLIP
13 Артикул: S5110803, WASHER
14 Артикул: 2180-1026D23, O-RING
15 Артикул: DS2230004, ADAPTER
16 Артикул: S2218966, BOLT,SOCKET M14x2.0x65
17 Артикул: 2124-1084D2, CLIP,BAND
18 Артикул: 110406-00478, BRACKET
19 Артикул: S0563466, BOLT,HEX M14x2.0x75
20 Артикул: 120804-00080, WASHER,HARD
21 Артикул: K1004006, PLATE
22 Артикул: S8030061, O-RING
23 Артикул: S8030041, O-RING
24 Артикул: S2218466, BOLT

ГИДРОСИСТЕМА РУКОЯТИ-ГИДРОЗАМОК: Техника, которая работает на результат

ГИДРОСИСТЕМА РУКОЯТИ-ГИДРОЗАМОК на Doosan Экскаваторы DX420LC-3(T4i)

Габаритные размеры

Габаритные размеры и схема ГИДРОСИСТЕМА РУКОЯТИ-ГИДРОЗАМОК

Нажмите на схему для увеличения

Документация

Документация временно недоступна.

Похожая техника в категории: ОПЦИОННЫЕ ЗАПЧАСТИ (Develon)

Спецтехника 7000 BUCKET ASS`Y - 1.68mВі

7000 BUCKET ASS`Y - 1.68mВі

1Артикул: 230104...
2Артикул: 230104...
3Артикул: 230104...
Подробнее >
Спецтехника ГИДРОСИСТЕМА РУКОЯТИ - РУКОЯТЬ 3.95 м

ГИДРОСИСТЕМА РУКОЯТИ - РУКОЯТЬ 3.95 м

1Артикул: 420212...
2Артикул: 400310...
3Артикул: 400310...
Подробнее >
Спецтехника РАДИО

РАДИО

1Артикул: 300654...
2Артикул: 300654...
3-
Подробнее >
Спецтехника 7110 BUCKET ASS`Y - 1.77mВі - S CLASS

7110 BUCKET ASS`Y - 1.77mВі - S CLASS

1Артикул: 230104...
2Артикул: 230104...
3Артикул: -, BUC...
Подробнее >
Спецтехника ГИДРОСИСТЕМА РУКОЯТИ - БЫСТРАЯ ПОСАДКА(РУКОЯТЬ 2.6 м)

ГИДРОСИСТЕМА РУКОЯТИ - БЫСТРАЯ ПОСАДКА(РУКОЯТЬ 2.6 м)

1Артикул: 420212...
2Артикул: 420207...
3Артикул: 420207...
Подробнее >
Спецтехника РАБОЧАЯ ФАРА - 6 ЛАМПЫ(КОЖУХ)

РАБОЧАЯ ФАРА - 6 ЛАМПЫ(КОЖУХ)

1Артикул: 300619...
2Артикул: 300619...
3Артикул: K10554...
Подробнее >
Спецтехника 6210 PILOT PIPING - ONE & TWO WAY

6210 PILOT PIPING - ONE & TWO WAY

1Артикул: 420212...
2Артикул: 410134...
3Артикул: 426-00...
Подробнее >
Спецтехника 6260 ARM PIPING - ONE & TWO WAY(ARM 3.25m)

6260 ARM PIPING - ONE & TWO WAY(ARM 3.25m)

1Артикул: 420212...
2Артикул: 420212...
3Артикул: 420207...
Подробнее >
Спецтехника 2 ТРУБОПРОВОДА - С ФИЛЬТРОМ

2 ТРУБОПРОВОДА - С ФИЛЬТРОМ

1Артикул: 420212...
2Артикул: DS2013...
3-
Подробнее >
Спецтехника ГИДРОСИСТЕМА РУКОЯТИ - РУКОЯТЬ 2.95 м

ГИДРОСИСТЕМА РУКОЯТИ - РУКОЯТЬ 2.95 м

1Артикул: 420212...
2Артикул: 400310...
3Артикул: 400310...
Подробнее >
Спецтехника РАБОЧАЯ ФАРА - 2 ЛАМПЫ

РАБОЧАЯ ФАРА - 2 ЛАМПЫ

1Артикул: 300619...
2Артикул: 300619...
3Артикул: K10554...
Подробнее >
Спецтехника РУКОЯТЬ - 3.25 м(НЕДОСТУПНО)

РУКОЯТЬ - 3.25 м(НЕДОСТУПНО)

1Артикул: 230201...
2Артикул: 230204...
3Артикул: 230204...
Подробнее >